五大类阀门使用说明书
- 格式:doc
- 大小:686.50 KB
- 文档页数:19
蝶阀使用说明书1.范围本说明书包括了公称通径DN50mm~1600mm(2”~64”)、公称压力PN1.0MPa~4.0MPa(ANSI CLASS150~300)法兰和对夹连接的手动、齿轮传动、电动和气动操作蝶阀。
2.用途2.1主要用于开启或关闭管道和设备的介质用,作调节、截流和止回使用。
2.2根据介质选用阀门的材质。
2.2.1碳钢阀门适用于水、蒸汽、油品等介质。
2.2.2不锈钢阀门适用于腐蚀性介质。
2.2.3铸铁阀门适用于水、气体介质。
2.3适用温度取决于阀座的材质。
PTFE(聚四氟乙烯)≤130℃不锈钢+复合体≤425℃橡胶≤85℃3.结构3.1蝶阀基本结构见图13.2易损件填料采用聚四氟乙烯或柔性石墨,密封可靠。
4.操作4.1手动操作阀门采用手柄或齿轮传动装置、电动或气动蝶阀由电动装置或气动装置驱动,使蝶板旋转90°开启或关闭阀门。
4.2对于手动(包括驱动装置的手轮)或扳手操作的蝶阀,除订货合同另有规定外,当面向手轮或扳手时,顺时针方向转动手轮或扳手阀门应为关。
4.3电动、气动蝶阀的开启、关闭指示由电动装置、气动装置上的位置指示器标识。
5.保管、保养、安装和使用5.1阀门应存放在干燥,通风的室内,阀门通道两端应堵塞。
5.2长期存放的阀门应定期检查,清除污物。
应特别注意密封面的清洁,防密封面的损坏。
5.3安装前应仔细核对阀门标志是否与使用要求相符。
5.4安装前应检查阀门通道和密封面,如有污垢,应使用清洁布擦拭干净。
5.5安装前检查填料是否压紧,应确保填料的密封性,同时不应妨碍阀杆的转动。
5.6安装时拧紧连接螺栓的拧紧力应均匀合适。
5.7本蝶阀可以安装水平、垂直的管道上,安装位置应保证使用维修更换方便。
5.8手动阀门在开启或关闭操作时,应使用手柄开、关,不得借用辅助杠杆或其它工具。
5.9阀门使用应定期检查,检查密封面有无磨损及垫片填料。
若损坏失效,应及时修理或更换。
5.10电动、气动阀门的传动装置,其保管、保养、安装和使用,请见“阀门电动装置使用说明书”及“阀门气动装置使用说明书”。
阀门使用说明书阀门是一种用于控制流体流动的装置,广泛应用于工业、建筑、农业等领域。
本使用说明书旨在帮助用户正确安装、操作和维护阀门,以确保其正常运行和延长使用寿命。
1. 产品概述阀门是一种控制流体流动的装置,常用于开启、关闭和调节管道中的液体或气体的流动。
根据不同的应用场景和工作原理,阀门可以分为多种类型,如球阀、闸阀、蝶阀等。
在本说明书中,我们将重点介绍球阀的使用方法。
2. 安装指南2.1 确保选择合适的阀门类型和规格,根据工作场景和流体性质选择球阀;2.2 在安装之前,必须检查阀门的外观是否完好无损,并检查阀体是否有防腐蚀涂层;2.3 根据管道规格和球阀的连接方式,选择合适的法兰或螺纹连接;2.4 安装球阀时,应先将法兰或螺纹连接加固好,确保不会漏气或漏液;2.5 安装完成后,应进行压力测试,确保球阀的密封性能正常。
3. 使用说明3.1 打开和关闭阀门:- 打开阀门:顺时针旋转阀门手柄或螺帽,使阀门处于完全打开的状态;- 关闭阀门:逆时针旋转阀门手柄或螺帽,使阀门处于完全关闭的状态。
3.2 调节流量:- 通过旋转阀门手柄或螺帽,可调节阀门开口大小,从而控制流体的流量;- 注意:请在检查阀门的额定压力范围内进行调节,避免损坏阀门或导致事故发生。
3.3 注意事项:- 阀门在操作前应检查密封性能,确保无泄漏现象;- 阀门在长时间闲置后,操作前应进行润滑保养,确保阀门灵活开闭;- 阀门在使用过程中如出现异常情况,应立即停止使用,并请专业人士进行检修。
4. 维护与保养4.1 定期检查阀门的密封性能和运行状态,确保阀门的正常工作;4.2 如发现阀门存在泄漏、生锈或其它损坏情况,应及时进行修理或更换;4.3 阀门需要定期润滑,以确保阀门的开闭灵活;4.4 在清洁阀门时,应使用中性清洁剂,并避免使用酸碱等腐蚀性物质。
5. 故障排除以下列举了一些可能发生的故障和排除方法:问题1:阀门漏水;解决方法:检查阀门密封垫片是否损坏,如有损坏应及时更换。
第1篇一、引言阀门作为一种重要的流体控制元件,广泛应用于石油、化工、电力、建筑、环保、医药等领域。
阀门的主要功能是控制管道中的流体流量、压力、方向等参数,确保管道系统的正常运行。
本文将对阀门进行详细介绍,包括其分类、结构、使用方法以及注意事项。
二、阀门分类1. 按照驱动方式分类(1)手动阀门:通过人力操作实现开关、调节等功能的阀门。
(2)电动阀门:通过电动机驱动实现开关、调节等功能的阀门。
(3)气动阀门:通过压缩空气驱动实现开关、调节等功能的阀门。
(4)液动阀门:通过液体压力驱动实现开关、调节等功能的阀门。
2. 按照阀体结构分类(1)截止阀:适用于切断、接通管道中的流体。
(2)闸阀:适用于切断、接通管道中的流体,同时可调节流量。
(3)球阀:适用于切断、接通管道中的流体,同时可调节流量。
(4)蝶阀:适用于切断、接通管道中的流体,同时可调节流量。
(5)旋塞阀:适用于切断、接通管道中的流体。
(6)疏水阀:用于排出管道中的凝结水。
3. 按照密封形式分类(1)硬密封阀门:密封面为硬质材料,如硬质合金、硬质铸铁等。
(2)软密封阀门:密封面为软质材料,如橡胶、聚四氟乙烯等。
4. 按照工作温度分类(1)低温阀门:适用于低温环境。
(2)常温阀门:适用于常温环境。
(3)高温阀门:适用于高温环境。
三、阀门结构1. 阀体:阀门的主体部分,用于容纳流体。
2. 阀瓣:阀门的开启和关闭部件,与阀座接触实现密封。
3. 阀杆:连接阀瓣和驱动机构,传递力矩。
4. 阀座:阀瓣密封的部件,与阀瓣接触实现密封。
5. 阀盖:保护阀体和阀杆,防止杂质进入。
6. 阀杆螺母:固定阀杆,防止阀杆脱落。
7. 阀杆填料:填充在阀杆与阀体之间,防止泄漏。
8. 驱动机构:根据阀门类型,可以是手动、电动、气动或液动。
四、阀门使用方法1. 检查阀门外观:检查阀门是否有损坏、变形、裂纹等。
2. 确认阀门型号和规格:根据实际需求选择合适的阀门型号和规格。
3. 安装阀门:按照安装要求,将阀门固定在管道上。
图书基本信息书名:<<阀门设计手册>>13位ISBN编号:978711103509110位ISBN编号:7111035097出版时间:1995-05出版时间:机械工业出版社版权说明:本站所提供下载的PDF图书仅提供预览和简介,请支持正版图书。
更多资源请访问:内容概要本手册是由中国机械工程学会流体工程学会组织编写的我国第一部权威性的《阀门设计手册》。
全书共分七章,主要内容包括:阀门名词术语、分类方法及主要参数;阀门结构及设计标准,设计数据及各零部件设计计算程序;阀门各零部件材料及其选用原则;阀门驱动装置设计;以及各种阀门的检查和试验方法。
书中提供了大量图、表、数据资料,包括我国及美、日、德、英、法等国的有关标准和设计数据,使用查阅较方便。
对石油、化工、轻工、食品、医药、建筑、煤炭、电力等工业部门,以及农田排灌、船舶、车辆等行业从事阀门设计、使用工作的技术人员是一本实用性很强的工具书,也可供理工科大专院校有关专业师生参考。
书籍目录目 录前 言第1章 概 述第1节 阀门分类一 按用途和作用分类二 按主要参数分类三 通用分类法第2节 阀门名词术语一 阀门分类术语二 阀门结构与零部件术语三 阀门性能及其它术语第3节 阀门型号编制方法和阀门标志一 阀门型号编制方法二 真空阀门型号编制方法三 阀门的标志第4节 阀门参数一 公称通径二 公称压力三 压力―温度等级四 几种阀门参数五 阀门的流量系数与流阻系数第5节 常用标准代号第2章 阀门结构和设计标准第1节 闸阀一 钢制闸阀二 铁制闸阀三 铜制闸阀四 其它结构型式的闸阀第2节 截止阀一 钢制截止阀二 铁制截止阀三 铜制截止阀四、其它结构型式的截止阀第3节 止回阀一 钢制止回阀二 铁制和铜制止回阀三 其它结构型式的止回阀第4节 球阀一 球阀的设计标准和适用范围二 常用球阀的结构三、其它球阀的结构第5节 旋塞阀一 旋塞阀的设计标准和适用范围二 旋塞阀的结构第6节 蝶阀一 蝶阀的设计标准和适用范围二 蝶阀的结构第7节 隔膜阀和夹管阀一 隔膜阀的设计标谁和适用范围二 隔膜阀的结构三 夹管阀的结构第8节 安全阀一 安全阀的设计标准和主要设计依据二 安全阀的结构型式第9节 减压阀一 减压阀的设计标准和适用范围二 减压阀的结构第10节 蒸汽疏水阀一 蒸汽疏水阀的设计标准二 蒸汽疏水阀的结构第11节 真空阀一 真空阀的设计标准和适用范围二 真空阀的结构型式第3章 阀 门材料第1节 壳体材料一 壳体常用材料的使用温度范围二 壳体常用材料的化学成分和力学性能三 壳体材料的标准及牌号对照四 材料的压力-温度等级第2节 紧固件材料一 紧固件材料的标准和使用方法二 紧固件材料的选用三 常用紧固件材料的化学成分及力学性能四 常用紧固件材料的标准及牌号对照第3节 内件材料一 常用内件材料二 常用内件材料的组合三 内件材料的使用温度四、常用密封面材料的适用介质第4节 阀门材料的许用应力一 国产阀门材料的许用应力二 美国ASME标准规定材料的许用应力第5节 填料和垫片一 填料二 垫片三 填料、垫片组合选用举例第6节 阀门常用密封面堆焊 喷焊材料第7节 耐腐蚀材料的选择一 耐腐蚀金属材料的选择二 耐腐蚀非金属材料的选择第8节 通用阀门材料选用一 灰铸铁阀门材料选用二 可锻铸铁阀门材料选用三 球墨铸铁阀门材料选用四 铜合金阀门材料选用五 碳素钢阀门材料选用六 高温钢阀门材料选用七 低温钢阀门材料选用八 不锈耐酸钢阀门材料选用第4章 阀门设计与计算第1节 阀门设计程序一 阀门设计的基本内容二 阀门设计程序第2节 阀体的设计与计算一 阀体设计的基本内容二 阀体的结构设计三 阀体壁厚及其计算四 中法兰的设计与计算五 自紧密封设计与计算第3节 阀盖及支架的设计与计算一 阀盖及支架的结构二 阀盖的计算三 支架的计算第4节 密封副的设计与计算一 闸阀密封副设计二 截止阀密封副的设计三 止回阀密封副的设计四 球阀密封副的设计五 密封面比压的验算六 启闭件强度校核七 旋塞阀密封面设计八 蝶阀密封副的设计九 隔膜阀的密封副设计第5节 阀杆的设计与计算一 阀杆总轴向力二 阀杆力矩三 阀杆的强度第6节 减压阀的设计与计算一 设计已知条件二 主阀流通面积及主阀瓣开启高度的计算三 副阀流通面积及副阀瓣开启 高度的计算四 弹簧的计算五 膜片的计算六 减压阀静态特性偏差值的验算七 先导式减压阀设计的基本要求第7节 安全阀的设计与计算一 安全阀的排量计算及流道尺寸和公称通经的确定二 安全阀密封结构及计算三 弹簧式安全阀动作特性计算及弹簧刚度的确定四 安全阀排气反作用力的计算第8节 蒸汽疏水阀的设计与计算一 特点二 基本要素的确定和选择三 各种型式疏水阀的动作原理和临界开启的力平衡方程第9节 低温阀门的设计一 低温阀的设计要求二 低温阀的材料选用三 低温阀门的特殊结构第10节 阀门零部件一 伞形手轮二 平形手轮三 手柄四 扳手五 阀杆螺母六 锁紧螺母七 轴承压盖八 衬套九 填料压套十 压套螺母十一 填料压盖十二 填料压板十三 T型螺栓十四 隔环十五 石棉填料十六 塑料填料十七 填料垫十八 垫片十九 上密封座二十 闸阀阀座二十一 阀瓣盖二十二 对开圆环二十三 止退垫圈二十四 底阀阀瓣密封圈二十五 旋启式止回阀阀瓣密封圈二十六 旋启式止回阀阀瓣密封圈压板二十七 顶心二十八 调整垫二十九 填料压环三十 氨阀阀瓣三十一 接头垫三十二 接头三十三 接头螺母三十四 卡套三十五 卡套螺母三十六 轴套三十七 六角螺塞三十八 螺塞垫第11节 主要阀类的表面粗糙度和配合一 闸阀二 截止阀三 球阀四 止回阀五 其它阀门第5章 阀门驱动装置第1节 阀门驱动装置的选用一 阀门驱动方式的分类二 各类驱动装置的特点三 阀门驱动方式的选择四 阀门驱动装置的连接第2节 阀门手动装置一 手轮二 远距离操纵手动装置三 齿轮传动手动装置第3节 阀门电动装置一 电动装置的分类二 型号编制方法三 电动装置的选择及安装连接方式四 阀门电动装置的结构五 阀门电动装置对阀门的控制功能及电气控制线路六 电磁驱动七 阀门电动装置的质量分级第4节 防护型阀门电动装置一 防爆型阀门电动装置二 户外型阀门电动装置三 防辐照型阀门电动装置第5节 阀门气动装置一 气动装置使用条件二 气动装置的分类和结构特点三 气动装置主要零件及其加工精度四 气动装置的设计计算第6节 阀门液动装置阀门液动装置的特点二 液动与气动装置的性能比较三 阀门液动装置的构成四 联动型液压装置第6章 设 计数 据第1节 公称通径与流道直径一 中国数据二 美国数据三 英国数据四 日本数据五 参考数据第2节 阀门结构长度中国数据二 美国数据三 英国数据四 德国数据五 法国数据六 日本数据第3节 连接法兰一 中国数据二 美国数据三 日本数据四 德国数据五 英国数据六 法国数据第4节 其它连接端一 对接焊端二 承插焊和螺纹连接的锻钢管件三 辅助连接第5节 壳体最小壁厚一 中国数据二 美国数据三 英国数据四 日本数据第6节 阀杆直径和填料函尺寸一 阀杆直径二 填料函尺寸第7节 常们紧固件尺寸一 螺纹二 螺栓和螺柱三 螺母四 垫圈及挡圈第8节 美制螺纹常用紧固件一 螺栓二 螺柱三 螺母第7章 阀门的检查和试验第1节 阀门的检查和试验项目第2节 阀门的检查一 阀门铸件和锻件的检查二 阀门主要尺寸的检查三 阀门清洁度的检查第3节 阀门的压力试验一 阀门的壳体试验二 阀门的上密封试验三 阀门的密封试验第4节 安全阀的试验一 安全阀的壳体试验二 安全阀的性能试验三 安全阀的排量试验第5节 减压阀的试验一 减压阀的壳体试验二 减压阀的性能试验第6节 疏水阀的试验一 疏水阀的壳体试验二 疏水阀的性能试验第7节 特种阀门的试验一 真空阀的试验二 低温阀的试验第8节 阀门的其它试验一 阀门的寿命试验二 阀门的流量试验三 阀门的耐火试验四 阀门的防静电试验第9节 阀门产品的抽样和等级评定一阀门产品的抽样方法二阀门产品的等级评定方法附录A 国内外阀门标准目录附表1阀门国家标准附表2阀门机械行业(原机械工业部)标准附表3阀门行业(专业)标准附表4机械电子工业部通用机械(阀门)行业内部标准附表5其他阀门标准附表6阀门国际标准附表7阀门美国国家标准附表8美国材料试验协会阀门标准附表9美国水道协会阀门标准附表10美国阀门和管件制造厂标准化协会阀门标准附表11阀门英国国家标准附表12阀门日本国家标准附表13美国石油协会阀门标准附表14阀门德国国家标准附表15阀门原苏联国家标准附表16 阀门法国国家标准附录B 常用计量单位换算表参考文献版权说明本站所提供下载的PDF图书仅提供预览和简介,请支持正版图书。
阀门型号说明书一、产品概述阀门作为流体控制设备,被广泛应用于工业、建筑和农业等领域。
阀门的型号不仅代表了其规格和性能特点,也是用户选择适合自身需求的阀门的重要参考指标。
本文档将详细介绍阀门型号的含义及其相关技术要素,以帮助用户更好地理解和正确选择阀门产品。
二、阀门型号的组成阀门的型号通常由一系列字符和数字组成,每个字符和数字都代表了不同的含义。
一般而言,阀门的型号可以分为以下几个部分:1.1 压力级别阀门的型号中通常会包含一个代表压力级别的字符或数字。
这一部分的含义是指阀门能够承受的最大工作压力,通常以单位MPa、Psi或Bar来表示。
不同压力级别的阀门适用于不同的工作环境和工作压力要求。
1.2 阀门类型阀门的型号中还会包含一个字符或数字,代表阀门的类型。
常见的阀门类型有闸阀、截止阀、球阀、蝶阀等。
不同类型的阀门具有不同的结构和工作原理,适用于不同的流体介质和流量要求。
1.3 连接方式阀门的型号中可能还会包含一个字符或数字,表示阀门的连接方式。
常见的连接方式有法兰连接、螺纹连接、焊接连接等。
不同的连接方式适用于不同的管道布局和安装需求。
1.4 阀门尺寸阀门的型号中一般会包含一个数字,表示阀门的尺寸。
阀门尺寸通常包括阀门的口径大小和长度等参数。
正确选择合适的阀门尺寸是确保阀门正常工作的关键。
1.5 阀门材质阀门的型号中可能还会包含一个字符或数字,代表阀门的材质。
阀门材质通常根据工作环境和介质的特性选择,常见的材质有铸铁、不锈钢、铜、塑料等。
三、如何选择合适的阀门型号选择合适的阀门型号是确保阀门在工作过程中能够正常运行的关键。
以下是一些选择阀门型号的重要因素:3.1 工作压力要求根据工作环境和工艺要求确定所需的阀门工作压力范围,选择合适的压力级别。
3.2 流体介质根据流体介质的特性选择适合的阀门类型和材质,确保阀门能够耐受介质的温度、压力和化学性质。
3.3 流量要求根据流量要求选择合适的阀门口径和流量特性,确保阀门能够满足所需的流量调节和控制要求。
蝶阀使用说明书.范围本说明书包括了公称通径(””)、公称压力( )法兰和对夹连接的手动、齿轮传动、电动和气动操作蝶阀。
.用途主要用于开启或关闭管道和设备的介质用,作调节、截流和止回使用。
根据介质选用阀门的材质。
碳钢阀门适用于水、蒸汽、油品等介质。
不锈钢阀门适用于腐蚀性介质。
铸铁阀门适用于水、气体介质。
适用温度取决于阀座的材质。
(聚四氟乙烯)≤℃不锈钢复合体≤℃橡胶≤℃.结构蝶阀基本结构见图易损件填料采用聚四氟乙烯或柔性石墨,密封可靠。
.操作手动操作阀门采用手柄或齿轮传动装置、电动或气动蝶阀由电动装置或气动装置驱动,使蝶板旋转°开启或关闭阀门。
对于手动(包括驱动装置的手轮)或扳手操作的蝶阀,除订货合同另有规定外,当面向手轮或扳手时,顺时针方向转动手轮或扳手阀门应为关。
电动、气动蝶阀的开启、关闭指示由电动装置、气动装置上的位置指示器标识。
.保管、保养、安装和使用阀门应存放在干燥,通风的室内,阀门通道两端应堵塞。
长期存放的阀门应定期检查,清除污物。
应特别注意密封面的清洁,防密封面的损坏。
安装前应仔细核对阀门标志是否与使用要求相符。
安装前应检查阀门通道和密封面,如有污垢,应使用清洁布擦拭干净。
安装前检查填料是否压紧,应确保填料的密封性,同时不应妨碍阀杆的转动。
安装时拧紧连接螺栓的拧紧力应均匀合适。
本蝶阀可以安装水平、垂直的管道上,安装位置应保证使用维修更换方便。
手动阀门在开启或关闭操作时,应使用手柄开、关,不得借用辅助杠杆或其它工具。
阀门使用应定期检查,检查密封面有无磨损及垫片填料。
若损坏失效,应及时修理或更换。
电动、气动阀门的传动装置,其保管、保养、安装和使用,请见“阀门电动装置使用说明书”及“阀门气动装置使用说明书”。
.可能发生的故障、原因及消除方法见表表可能发生的故障、原因及消除方法.保修制造厂对阀门投入使用一年内负责保修,但不超过发货期个月。
在保修期内,因产品质量原因均可免费修理或更换零件。
球阀使用及维护1.前言感谢您选择我公司阀门产品。
作为一种承压设备,当阀门用于输送流体及易燃易爆气体时,由于泄露或使用不当而存在一些安全隐患,为了安全考虑,用户使用时应阅读本说明书,以了解阀门在运输、放置、安装、维护及安全方面应该注意的事项和必须遵守的原则。
2.范围本使用说明书包括了公称通径NPS 2~48、压力等级Class150~2500法兰端连接、承插焊端连接的两片式、三片式硬密封、软密封锻钢固定球阀;适用介质水、油、汽等介质;操作方式包括齿轮、手柄、电动执行机构、液动、气动和气液联动执行机构。
3.产品描述和用户须知3.1技术要求—球阀作为一种标准产品来设计,由于它的适用工况范围较广所以并不考虑每一个细节的工作条件。
—美标球阀设计参照API 6D,阀门材料的选择符合ASME B16.34 压力—温度额定值的要求;国标球阀的设计参照GB/T 12237或GB/T 19672,阀门的材料选择符合GB/T 12224压力—温度额定值的要求。
—阀门密封材料应根据介质对材料的腐蚀性和工况耐磨损的要求而选择,参照API 6D、GB/T 12237或GB/T 19672的规定。
—阀门设计时应有防静电装置及防火结构,放火实验设备符合API 607及API 6FA 规范,并已通过英国的劳氏船级社认证。
—阀门不含轻金属(例如镁),各零部件通过相互接触形成导电通路,通过管道流向大地,以防止静电积累。
—阀门根据它的型号、扭矩、及操作要求配以手轮、齿轮、或电动头。
3.2 用户须知3.2.1 概述3.2.1.1 任何场合,应首先保证人身安全。
3.2.1.2 使用阀门时允许工作压力应符合 ASME B16.34 或GB/T12224压力—温度额定值的规定。
3.2.1.3 选择阀门材料时应考虑工作介质对材料的腐蚀性和工况对耐磨损的要求。
3.2.1.4 工作介质是易燃/易爆的,要限制工作温度。
3.2.1.5 当维修/维护时,应先打开泄放阀或泄放螺塞,以泄掉中腔压力。
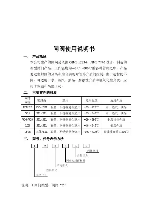
闸阀使用说明书
一、产品概述
本公司生产的闸阀是依据GB/T 12234、JB/T 7746设计、制造的新型阀门产品,工作温度为-46℃~600℃的各种管路之中,产品通过密封副的分离和贴合实现对管路介质的控制,由于选材的不同,可适用于水、蒸汽、油品、腐蚀性介质和强氧化性介质,应用于低温和高温工况。
二、主要零件的材质
三、型号、代号表示方法
说明:1.阀门类型:闸阀“Z”
2.连接形式:法兰连接“4”
3.结构形式:弹性楔式单闸板“0”,刚性楔式单闸板“1”
4.阀座、闸板密封面材料:合金钢“H”,硬质合金“Y”
5.公称压力:MPa
6.阀体材料:
四、主要性能规范
五、贮存、安装、使用与维护
1.阀门在存放时,应存放在干燥通风的室内,阀门通道须用封盖堵塞;
2.安装前应将阀门和管道清洗干净,防止杂物进入阀门通道;
3.安装前应认真检查核对阀门的标识是否与使用要求相符,认真检查各零部件是否完整无损,紧固件是否松动;
4.带自动传动机构的阀门(电动、液动、气动等),均应按传动机构说明书的规定安装;
5.使用时应定期向阀杆螺母及传动部位加注润滑油;
6.严禁带压维修阀门或敲击阀门任何部位。
六、常见故障和消除方法。
一、概述单轴驱动双叶片型烟气挡板为百叶窗式烟气挡板系列之一,采用机械密封加压缩空气密封的双重密封结构,确保100%的密封效果。
该产品是在引进国外先进技术并吸取了国内同类型产品设计和运行操作经验的基础上制作而成的。
二、功能单轴驱动双叶片型烟气挡板主要用于烟风管道系统中,作完全截断介质用,具有全开及100%全关功能,动作灵活,运行可靠,关闭后,能确保无介质泄漏进入烟气挡板后管道内。
对于普通介质,可以采用碳钢材料,对于腐蚀性介质,可以采用镍基合金材料。
三、结构及工作原理单轴驱动双叶片型烟气挡板主要有框架、叶片、主轴、密封片、空气密封系统、曲柄连杆机构、电动执行机构等部分组成(如附图所示)。
框架采用钢板轧制焊接成形;叶片由上下两块面板及中间加撑筋焊接成空腔结构,主轴与叶片焊成整体;薄形密封片,用螺栓固定在叶片上下面板边缘;主轴及叶片由UCF轴承支撑在框架上。
90度行程开关型电动执行机构带动驱动轴回转,驱动轴再通过连杆式曲柄连杆机构带动所有叶片绕其各自主轴中心回转,叶片如百叶窗式动作,当叶片同介质流向平行时为烟气挡板开启位置,当叶片同介质流向垂直时为烟气挡板门关闭位置。
关闭位置时,烟气挡板叶片上下两层面板边缘的薄形金属密封片分别于烟气挡板框架内壁上相应的两道密封边板贴紧,形成机械密封,此时叶片、密封片及密封边板已将整个介质流道截断,并在流道断面上形成一个密封空腔。
密封空气阀与电动执行机构机械连锁,当烟气挡板叶片开启式密封空气阀关闭,当烟气挡板叶片关闭时密封空气阀开启,此时密封空气从框架上的空气进口直接进入并充满整个密封空腔,由于密封空气压力比介质压力高,介质无法通过叶片、密封片、密封边板及密封空气组成的密封屏障,确保100%密封。
四、技术参数(见技术协议)五、安装、使用及维护注意事项(一)烟气挡板的安装及使用维护注意事项1、烟气挡板本体在运输、存储及吊装过程中应将位置锁定装置锁死,保证叶片水平,以防变形,且吊点只能为烟气挡板本体上的吊耳。
电站常用阀门手册
电站常用阀门手册是一本详细的指南,提供了关于电站阀门种类、规格、用途和使用方法等方面的信息。
以下是一些常见的电站阀门类型及其特点:
1. 闸阀:闸阀是一种常见的电站阀门,用于控制管道中介质的流动。
它具有结构简单、操作方便、耐磨损和耐腐蚀等特点。
闸阀可以应用于各种不同的工况,如高温、高压、真空和低温等。
2. 截止阀:截止阀也是一种常见的电站阀门,其特点是能够截断或调节管道中介质的流量。
截止阀的阀瓣可以上下运动,密封性能较好,适用于各种不同的工况。
3. 止回阀:止回阀是一种防止介质倒流的阀门,通常安装在泵的出口或管道的末端。
它能够防止介质倒流,保护设备不受损坏。
止回阀的结构简单,操作方便,适用于各种不同的工况。
4. 安全阀:安全阀是一种安全保护阀门,能够在压力过高时自动开启,释放压力,保护设备和管道不受损坏。
安全阀具有多种类型,如杠杆式、弹簧式和先导式等,适用于各种不同的工况。
5. 调节阀:调节阀是一种用于调节管道中介质流量的阀门,通常与控制系统一起使用。
调节阀可以根据需要调节介质的流量,使系统保持恒定的压力或温度。
调节阀的结构复杂,精度要求高,适用于各种不同的工况。
除了以上几种常见的阀门类型外,还有许多其他的电站阀门,如球阀、蝶阀、减压阀等。
这些阀门各有其特点和使用范围,具体使用时应根据实际情况选择合适的阀门。
球阀使用说明书Q41F 浮动式球阀浙江福泰阀门有限公司球阀(Ball Valve)球阀是由旋塞演变而来的,它的启闭件为一个球体,利用球体绕阀杆的轴线旋转90度实现开启和关闭的目的。
球阀在管道上主要用于切断、分配和改变介质流动方向,设计成V 形开口的球阀还具有良好的流量调节功能。
球阀不仅结构简单,密封性好,而且在一定的公称通径范围内体积较、重量轻、材料耗阀门品种之一。
特别是在美、日、德、法、意、西、英等工业发达国家,球阀的使用非常广泛,使用品种和数量仍在继续扩大,并向高温、高压、大口径、高密封性、长寿命、优良的调节性能以及一阀多功能方向发展,其可靠性及其他性能指标均达到较高水平,并已部分取代闸阀、截止阀、节流阀。
随着球阀的技术进步,在可以预见的短时间内,特别是在石油天然气管线上、炼油裂解装置上以及核工业上将有更广泛的应用。
此外,在其他工业中的大中型口径、中低压力领域,球阀也将会成为主导的阀门类型之一。
球阀结构图球阀的优点是:(1)具有最低的流阻(实际上为零)。
(2)因在工作时不会卡住(在无润滑剂时),故能可靠地应用于腐蚀性介质和低沸点液体中。
(3)在较大的压力和温度范围内,能实现完全密封。
(4)可实现快速启闭,某些结构的启闭时间仅为0.05~0.1s,以保证能用于试验台的自动化系统中。
快速启闭阀门时,操作无冲击。
(5)球形关闭件能在边界位置上自动定位。
(6)工作介质在双面上密封可靠。
(7)在全开和全闭时,球体和阀座的密封面与介质隔离,因此高速通过阀门的介质不会引起密封面的侵蚀。
(8)结构紧凑、重量轻,可以认为它是用于低温介质系统的最合理的阀门结构。
(9)阀体对称,尤其是焊接阀体结构,能很好地承受来自管道的应力。
(10)关闭件能承受关闭时的高压差。
(11)全焊接阀体的球阀,可以直埋于地下,使阀门内件不受浸蚀,最高使用寿命可达30年,是石油、天然气管线最理想的阀门。
由于球阀的以上优点,所以适用范围很广,球阀可适用于:(1)公称通径从8mm到1200mm。
阀门安装使用说明书1、阀门的安装及拆卸的注意事项1.1维护保养和安装使用注意要点一).阀门应放在干燥通风的室内,通径两端须密封防尘;二).长期存放应定期检查,并在加工表面上涂油,防止锈蚀;三).阀门安装前应仔细核对标志是否与使用要求相符;四).安装时应清洁内腔和密封面,检查填料是否压紧,连接螺栓是否均匀拧紧;五).阀门应按照允许的工作位置安装,但须注意检修和操作的方便;1.2其他注意事项:1)阀门一般应在管路安装之前定位。
配管要自然,位置不对不能硬扳,以免留下预应力;2)低温阀门在定位之前应尽量在冷态下(如在液氮中)做启闭试验,要求灵活无卡壳现象;3)液体阀应配置成阀杆与水平成10°倾斜角,避免液体顺着阀杆流出,冷损增加;更主要的是要避免液体触及填料密封面,使之冷硬而失去密封作用,产生泄漏;4)安全阀的连接处应有弯头,避免直接冲击阀门;另外要保证安全阀不结霜,以免工作时失效;5)截止阀的安装应使介质流向与阀体上标示的箭头一致,使阀门关闭时压力加在阀顶的锥体上,而填料不受负荷。
但对不经常启闭而又需要严格保证在关闭状态下不漏的阀门(如加温阀),可有意识地反装,以借助介质压力使之紧闭;6)大规格的闸阀、气动调节阀应该竖装,以免因阀芯的自重较大而偏向一方,增加阀芯与衬套之间的机械磨损,造成泄漏;7)在拧紧压紧螺钉时,阀门应处于微开状态,以免压坏阀顶密封面;8)所有阀门就位后,应再作一次启闭,灵活无卡住现象为合格;9)天气寒冷时,水阀长期闭停,应将阀后积水排除。
汽阀停汽后,也要排除凝结水。
阀底有如丝堵,可将它打开排水。
10)非金属阀门,有的硬脆,有的强度较低,操作时,开闭力不能太大,尤其不能使猛劲。
还要注意辟免对象磕碰。
11)新阀门使用时,填料不要压得太紧,以不漏为度,以免阀杆受压太大,加快磨损,而又启闭费劲。
确认管道上的盲板是否拆掉,以及施工时操作过的阀门要恢复施工前的启闭状态。
1.3阀门安装的注意事项1.3.1阀门安装之前,要确认阀门符合设计要求和有关标准。
阀门操作规程一、引言阀门是工业生产中常见的控制元件,用于控制流体的流量、压力和方向。
为了确保阀门的正常运行和安全使用,制定阀门操作规程是非常必要的。
本文将详细介绍阀门操作规程的内容,包括阀门的分类、操作流程、安全注意事项等。
二、阀门的分类根据阀门的结构和功能,阀门可以分为以下几类:1. 截止阀:用于切断或者调节流体的流量,常见的有手动截止阀和电动截止阀。
2. 止回阀:用于防止流体倒流,常见的有单向止回阀和双向止回阀。
3. 调节阀:用于调节流体的流量和压力,常见的有手动调节阀和自动调节阀。
4. 安全阀:用于保护设备或者管道在超压情况下释放压力,常见的有压力安全阀和温度安全阀。
三、阀门操作流程1. 准备工作:a. 确认阀门的类型和功能,了解阀门的操作原理和特点。
b. 检查阀门是否处于关闭状态,如果不是,先将阀门关闭。
c. 确保操作区域干燥、整洁,防止杂物妨碍操作。
2. 操作步骤:a. 根据需要,选择合适的工具(如手柄、手轮、电动控制器等)进行操作。
b. 缓慢旋转或者推动操作工具,逐渐打开或者关闭阀门。
c. 在操作过程中,注意观察阀门的运动情况,如有异常应即将住手操作并检查原因。
d. 在开启或者关闭阀门时,应避免过度用力,以免损坏阀门或者操作工具。
e. 操作完成后,将操作工具放置在指定位置,确保操作区域整洁。
四、阀门操作安全注意事项1. 操作人员应熟悉阀门的操作规程和安全操作要求,并接受相关的培训。
2. 在操作阀门前,应确认操作区域是否有其他人员,以免造成伤害。
3. 在操作大型阀门时,应采取适当的助力设备,避免过度用力造成伤害。
4. 在操作高温或者高压阀门时,应佩戴防护手套、护目镜等个人防护装备。
5. 当阀门处于高温或者高压状态时,应谨慎操作,以免烫伤或者发生爆炸等事故。
6. 定期检查阀门的密封性能,如发现泄漏现象应及时进行维修或者更换。
7. 在操作电动阀门时,应确保电源正常,避免触电事故的发生。
8. 遇到紧急情况时,应即将关闭相关阀门,并及时上报相关部门。
五大类阀门使用说明书-CAL-FENGHAI.-(YICAI)-Company One1
D3/6/971J(X)蝶阀
使
用
说
明
书
D3/6/971J(X)对夹式蝶阀使用说明书
该系列蝶阀为软密封对夹式,驱动装置通过阀轴带动阀板作0-90゜范围旋转,作起闭和调节动作。
1.压力级:, MPa;
2.使用温度:-15℃---75℃;
3.适用介质:水、蒸汽、天然气、食品、药品、油类。
一、结构特点:
1、结构简单紧凑,90゜范围内旋转起闭迅速、准确;
2、操作扭矩小,省力轻巧;
3、双向密封、泄漏量为零。
二、安装使用注意事项:
1、该系列蝶阀可以安装在任意位置的管道上,客户根据自动控制系统的要求,结合驱动装置进行安装,安装位置应保证使用、维修方便;
2、该系列蝶阀可双向使用无需考虑介质流向;
3、存放应保持干燥,阀板处于微闭状态(约3~5°);
4、安装前应清理阀门内腔,不允许有污物附着。
5、驱动装置具体安装、使用、贮存、保管等注意事项,按相关要求执行。
三、常见故障及排除方法:
Z41H 闸阀
使
用
说
明
书
Z41H 闸阀使用说明书
Z41H闸阀为阀板在阀杆的带动下,沿阀座密封面作升降运动而达到启闭的目的。
1、压力级:, , MPa, , MPa,10 MPa;
2、使用温度:-29℃---425℃
3、使用介质:水、蒸汽、油品等非腐蚀性介质。
一、结构特点
1、阀体通道为全通径,流体阻力小。
2、介质可从闸阀二侧任意方向流过,不受介质流动方向的限制。
3、全开对密封面受冲蚀性较小,密封性能好。
二、维护保养
1、运输途中的维护
阀门在运输途中应注意要轻装轻卸,以防止法兰密封面磕碰损坏,应将密封面擦干净后再关闭。
要确保油漆、铭牌和法兰密封面的完好,现场要作好防雨、防尘工作。
2、保管中的维护
对入库的阀门,要认真擦拭、清洗阀门在运输过程中的积水和灰尘,对容易生锈的加工面、阀杆、密封面应涂上一层防锈剂或贴上一层防锈纸加以保护。
阀门进出口通道的密封盖要封好,以免赃物进入。
对在运输中损坏、丢失的阀门零件,应及时配齐。
3、阀门安装注意事项
、阀门搬运时要小心轻放,更不允许丢掷,以免阀杆扭断及各部件损伤。
、在安装时应清除阀腔内部和管道中尘屑杂物,以避免擦伤阀体与阀板密封面,以致发生渗漏。
、带传动机构的闸阀(如齿轮传动、电动、气动或液动等)均应严格按传动机构使用说明的规定安装,安装位置应保证阀门的使用,维修方便,阀门应直立安装。
、阀门传动机构的安装、使用、贮存、保管应按执行机构使用说明书执行。
、手轮、传动机构均不允许作起吊用,并严禁碰撞。
、手动闸阀应靠旋转手轮使之启闭,不得借助于其他杠杆。
、在操作过程中应保持介质和阀件的清洁,发现任何缺陷和故障,应及时排除。
4、运转中的维护
阀门在运转过程中要使阀门处于常年整洁、润滑良好、阀件齐全、正常运转的状态。
以达到开启灵活的目的,不允许在运行中对阀门进行敲打。
三、常见故障的预防和排除
J41H 截止阀
使
用
说
明
书
J41H 截止阀使用说明书
J41H截止阀为其阀瓣在阀杆的带动下,升降运动面达到启闭的目的。
1、压力级:, MPa, , MPa, MPa,10 MPa;
2、使用温度:-29℃---425℃;
3.适用介质:水蒸汽、油品等非腐蚀性介质。
一、结构特点
1、阀体通道为全通径,流体阻力小。
2、介质流向为单向。
二、维护保养
1、运输途中的维护
阀门在运输途中应注意轻装轻卸,以防止法兰密封面磕碰损坏,应将密封面擦洗干净后再关闭,防止损坏密封面,要确保油漆、铭牌和法兰密封面的完好,现场要做好防雨、防尘工作。
2、保管中的维护
对入库的阀门,要认真擦拭、清洗阀门在运输过程中的积水和灰尘,对易生锈的加工面、阀杆、密封面应涂上一层防锈剂或贴上一层防锈纸加以保护。
阀门进出口通道的封盖要封好,以免赃物进入。
对在运输中损坏,丢失的阀门零部件,应及时配齐。
3、阀门安装注意事项
、阀门搬运时要小心轻放,更不允许丢掷,以免阀杆扭断及各部件损伤。
、在安装时应清除阀腔内部和管道中尘屑杂物,以避免擦伤阀体与阀板密封面,以致发生渗漏。
、带传动机构的截止阀(如齿轮传动、电动、气动或液动等)均应严格按传动机构使用说明的规定安装,安装位置应保证阀门的使用,维修方便,阀门应直立安装。
、阀门传动机构的安装、使用、贮存、保管应按执行机构使用说明书执行。
、手轮、传动机构均不允许作起吊用,并严禁碰撞。
、手动截止阀应靠旋转手轮使之启闭,不得借助于其他杠杆。
、在操作过程中应保持介质和阀件的清洁,发现任何缺陷和故障,应及时排除。
4、运输中的维护
阀门在运转过程中要使阀门处于常年整洁,润滑良好、阀件齐全、正常运转的状态。
以达到启闭灵活的目的,不允许在运行中对阀门进行敲打,阀门关闭或开启不允许使用加长扳手。
三、常见故障的预防排除
H41H 止回阀
使
用
说
明
书
H41H 止回阀使用说明书
H41H止回阀为其阀瓣在介质工作压力的作用下实现启闭动作。
1、压力级:, MPa, , MPa, MPa,10 MPa;
2、使用温度:-29℃---425℃;
3.适用介质:水蒸汽、油品等非腐蚀性介质。
一、结构特点
1、介质压力为动力启闭阀瓣,无需其他动力。
2、关闭迅速,密封性能好。
二、维护保养
1、运输途中的维护
阀门在运输途中应注意轻装轻卸,以防止法兰密封面磕碰损坏,应将密封面擦洗干净后再闭合。
要确保油漆、铭牌和法兰密封面的完好,现场要做好防雨、防尘工作。
2、保管中的维护
对入库的阀门,要认真擦拭、清洗阀门在运输过程中的积水和灰尘,阀门进出口通道的封盖要封好,以免赃物进入。
对在运输中损坏,丢失的阀门零部件,应及时配齐。
3、运转中的维护
阀门在运转过程中要使阀门处于常年整洁,阀件齐全、正常运转的状态,以达到启闭灵活的目的。
三、常见故障的预防排除
Q41F 球阀
使
用
说
明
书
Q41F 球阀使用说明书
Q41F球阀为其球体垂直于通道的轴线旋转而启闭通道。
1、压力级:, MPa, , MPa, MPa;
2、使用温度:-29℃---200℃;
3.适用介质:水、蒸汽、油品等非腐蚀性介质。
一、结构特点
1、阀体通道为全通径,流体阻力小。
2、启闭迅速,不受介质流动方向的限制。
二、维护保养
1、运输途中的维护
阀门在运输途中应注意轻装轻卸,以防止法兰密封面磕碰损坏,应将密封面擦洗干净后再关闭。
要确保油漆、铭牌和法兰密封面的完好,现场要做好防雨、防尘工作。
2、保管中的维护
对入库的阀门,要认真擦拭、清洗阀门在运输过程中的积水和灰尘,对易生锈的加工面、阀杆、密封面应涂上一层防锈剂或贴上一层防锈纸加以保护。
阀门进出口通道的封盖要封好,以免赃物进入。
对在运输中损坏,丢失的阀门零部件,应及时配齐。
3、运转中的维护
阀门在运转过程中要使阀门处于常年整洁、润滑良好、阀件齐全、正常运转的状态。
以达到开启灵活的目的,不允许在运行中对阀门进行敲打。
阀门关闭或开启不允许使用加长扳手。
三、常见故障的预防排除。