继电保护装置调试方法(DGT801)
- 格式:docx
- 大小:1.68 MB
- 文档页数:32
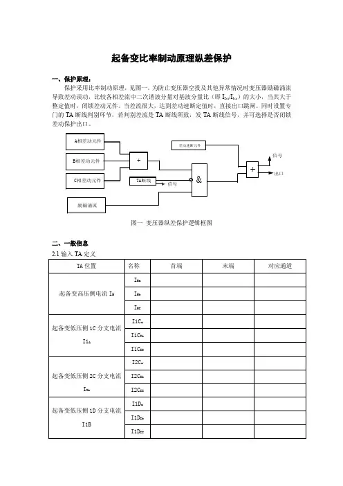
起备变比率制动原理纵差保护一、保护原理:保护采用比率制动原理,见图一。
为防止变压器空投及其他异常情况时变压器励磁涌流导致差动误动,比较各相差流中二次谐波分量对基波分量比(即I2ω/I1ω)的大小,当其大于整定值时,闭锁差动元件。
当差流很大,达到差动速断定值时,直接出口跳闸。
同时设置专门的TA断线判别环节,若判别差流是TA断线所致,发TA断线信号,并可选择是否闭锁差动保护出口。
图一变压器纵差保护逻辑框图二、一般信息只发信,不出口跳闸。
2.7投入保护开启液晶屏的背光电源,在人机界面的主画面中观察此保护是否已投入。
(注:该保护投入时其运行指示灯是亮的。
)如果该保护的运行指示灯是暗的,在“投退保护”的子画面点击投入该保护。
2.8 参数监视点击进入起备变差动保护监视界面,可监视差动保护的整定值,差流和制动电流计算值,以及二次谐波计算值等信息。
2.9 通道平衡测试本保护将起备变低压侧A分支作为基准侧,设定基准侧电流5A,根据变压器各侧CT 变比参数计算出其他各侧平衡电流,并加入平衡电流进行调试(一般出厂前厂家已完成此项)三、启动电流定值测试在起备变高压侧、起备变低压侧A分支、起备变低压侧B分支任一侧任一相中加入电流,外加电流达出口灯亮。
信号指示是否正确(打“√”表示):正确□错误□四、差流越限告警信号定值测试当差流超过启动电流的1/3时,一般预示差动回路存在某种异常状态,需发信告警,提示运行人员加以监测。
在起备变低压侧A 分支、起备变高压侧、起备变低压侧B 分支任一信号指示是否正确(打“√”表示):正确 □ 错误 □五、比率制动特性测试5.1比率动作方程测试:()⎪⎩⎪⎨⎧z d z d I I I I ;;qI g I gI +-q g z z I I I K >>><其中: Id ――动作电流(即差流),LIILI H d I I I I ++=Iz ――制动电流, ),,m ax (LII LI H z I I I I =点击进入差动保护监视界面,监视差流和制动电流。
南自DGT801系列说明书(上)电力技术 2008-07-06 22:40:24 阅读452 评论0 字号:大中小订阅DGT801系列数字式发电机变压器组保护装置技术说明书国电南京自动化股份有限公司国电南自凌伊电力自动化有限公司2004年5月*本说明书可能会被修改,请注意最新版本资料*国电南自技术部监制目录1 概述DGT801系列装置简介1应用范围1保护功能22 装置性能特点 (7)双电源双CPU系统硬件结构7高性能的硬件平台7独创的双CPU并行处理技术7独创的双回路直流电源供电9完善的自检及互检功能9信号出口指示直观明确10保护压板和出口压板独立设置,状态明确指示10友好的人机界面,装置全透明化10强大的通讯功能10强抗干扰能力11保护功能齐全11保护配置灵活可靠11保护采用新原理、新技术1先进的软件设计技术12发电机差动保护和变压器差动的特性12专用定子匝间保护特性12定子接地保护特性13转子接地保护特性13失磁保护特性13失步保护特性14后备保护类型可灵活配置143 配置方案15600MW(300MW)—500kV发变组单元接线保护配置(双重化的双套配置)15300MW—220kV发变组保护配置方案1(双重化的双套配置)17300MW—220kV发变组保护配置方案2(单套化)19125MW机组(三卷变压器)保护配置方案1(双重化的双套配置)21125MW机组(三卷变)保护配置方案2(单套化)23双套化配置方案中高厂变高压侧TA配置说明274 技术参数29机械及工作环境参数29储存、运输极限环境温度和工作使用地点要求29额定电气参数29功率消耗29过载能力29绝缘性能30抗干扰性能30直流电源影响30连续通电305 保护的主要技术指标31发电机纵差动(循环闭锁出口方式)31发电机纵差动(单相出口方式)、发电机不完全差动、发电机裂相横差、励磁机差动、电缆差 (31)发变组差动、变压器差动(包括主变、厂变、励磁变、备变)1发电机高灵敏横差保护32发电机纵向零序电压匝间保护32发电机故障分量负序方向匝间保护32发电机3U0定子接地保护33发电机三次谐波式定子接地保护33发电机3I0定子接地保护33发电机转子一点接地保护33发电机转子二点接地保护33发电机对称过负荷保护(定、反时限)33发电机负序过负荷保护(定、反时限)34发电机失磁保护(阻抗原理)34发电机失磁保护(逆无功原理)35发电机失步保护35发电机过电压低电压保护35发电机过激磁保护(定、反时限)36发电机逆功率、低功率保护36发电机频率异常保护36发电机励磁回路过负荷(交流)保护(定、反时限)36发电机励磁回路过负荷(直流)保护(定、反时限)37发电机误上电保护37发电机启停机保护37发电机轴电流保护37发电机次同步过流保护37电压闭锁过电流保护(包括发电机、主变、厂变、备变)38阻抗保护(包括发电机、变压器)38变压器零序电流保护38变压器间隙零序保护38变压器通风启动38断路器失灵启动保护38断路器非全相保护39变压器电压闭锁方向过流保护39变压器零序方向过流保护39变压器负序方向过流保护39非电量保护396 保护原理及逻辑说明40发电机纵差动保护40变压器纵差动保护(包括发变组、主变、厂变、励磁变、启备变)45变压器零序差动保护54发电机横差保护57励磁机差动保护61发电机纵向零序电压式匝间保护63发电机基波零序电压式定子接地保护67发电机三次谐波电压式定子接地保护69发电机零序电流式定子接地保护72发电机注入式转子一点接地保护73发电机转子两点接地保护75发电机失磁保护(阻抗原理)76发电机失磁保护(逆无功原理)81发电机失步保护83发电机逆功率保护和程跳逆功率保护87发电机频率异常保护89过激磁保护(包括发电机、变压器)91发电机过电压保护94发电机过负荷及过电流保护(定时限)95发电机负序过负荷及负序过流保护(定时限)96发电机反时限对称过负荷保护97发电机反时限不对称过负荷保护100发电机转子绕组过负荷及过流保103电压闭锁过流保护(包括发电机、主变、厂变、启备变)107发电机轴电压和轴电流保护110低电流保护112阻抗保护(包括发电机、变压器)113变压器间隙零序保护116变压器零序电流保护(包括主变、厂变、备变)117变压器零序方向过流保护119负序方向过流保护 121变压器方向过流保护 123变压器电压闭锁方向过流保护124发电机误上电保护及断路器闪络保护127双分支电压闭锁过流保护(包括高厂变、启备变)130高压侧断路器失灵启动保护133非全相保护134电压平衡式TV断线判别136非电量保护1371 概述本说明书为DGT801A、DGT801B、DGT801C、DGT801F数字式发电机变压器组保护装置的技术说明部分。
DGT801系列数字式变压器比率差动保护校验方法作者:徐海峰来源:《中国科技博览》2014年第27期[摘要]DGT801 系列数字变压器保护装置中的变压器差动保护是发变组诸多保护中的重点和难点,很多现场调试人员对此一知半解,尤其是在校验差动比率段的时候感觉比较吃力。
为保证今后校验及事故处理的需要,根据本人多年来的实践经验,以大屯发电厂#6机组主变差动保护为例,针对南自的数字式DGT801 系列保护装置的接线和算法进行分析,并对如何使用一台博电继电保护校验仪实现对变压器比率差动保护进行校验的方法和具体步骤进行了讨论,通过该方法可以完成该类型保护的校验。
[关键词]差动保护;补偿;平衡系数;比率制动;二次谐波中图分类号:TM407;TM772 文献标识码:A 文章编号:1009-914X(2014)27-0371-021.背景资料大屯发电厂共有2台13.5万kW循环流化床锅炉发电机组,主变采用保定天威的变压器。
其中#6机组主变容量17万KVA,连接组别为Y/△-11,主变高压侧电压为242KV,高压侧CT变比1200:5;主变低压侧(发电机出口)电压为13.8KV,低压侧CT变比8000:5。
保护装置采用国电南京自动化股份有限公司生产的DGT801系列发变组保护。
由于双绕组变压器正常运行和故障时至少有6个电流(高、低压侧),现在很多继电保护校验仪可以提供六路电流和四路电压,通过该种校验仪可以完全模拟各种短路现象,这也为我们的保护校验带来方便。
但是即使手上只有最简单的只提供三相电流三相电压的保护校验仪,我们仍然可以完成对变压器差动保护的校验。
我们主要讨论这种最简洁最实用的校验方法。
2.基础知识准备在讲具体的校验步骤之前,我们先来了解一下微机保护的移相原理,以方便后续问题的讲解。
2.1微机差动保护算法原理的分析这里以Y/△-11主变接线为例,传统继电器差动保护是通过把主变高压侧的二次CT接成△,把低压侧的二次CT接成Y型,来平衡主变高压侧与低压侧的30°相位差的,然后再通过二次CT变比的不同来计算平衡电流大小的,接线时要求接入差动继电器的电流要相差180°,即是逆极性接入。
47电工电气 (2012 No.9)DGT801系列数字式变压器差动保护调试作者简介:何霞(1981- ),女,助理工程师,本科,长期从事电站的电气检修、维护工作。
摘 要:DGT801系列数字变压器差动保护在现场安装调试过程中出现卡壳情况,为保证今后调试及事故处理的需要,针对国内微机变压器差动保护DGT801系列保护的接线和算法进行分析,并以某水电站双变差动保护为例,对如何使用一台三相保护校验仪做比率制动试验方法进行了讨论,通过该方法可以来解决该类型保护调试。
关键词:差动保护;补偿;平衡系数;比率制动中图分类号:TM42 文献标识码:B 文章编号:1007-3175(2012)09-0047-03何霞(黄河电力检修工程公司,青海 西宁 810006)Abstract: The differential protection of DGT801 series digital transformer appears stuck during the process of on-site installation and debugging. In order to ensure the future needs of debugging and dealing with the accident, analysis was made to the wiring and algorithm of DGT801 series protection of domestic microprocessor-based differential protection, and taking dual-transformer dif-ferential protection of certain hydraulic power for example, this paper discussed how to use three-phase calibrator to do a ratio of braking test to solve the problem of this kind of protection debugging.Key words: differential protection; compensation; equilibrium coefficient; ratio of brakingHE Xia(Yellow River Power Maintenance Company, Xining 810006, China )Differential Protection Debugging of DGT801 Series Digital Transformer拉西瓦水电站共规划建设6台70万kW水轮发电机组,主变采用天威保定6台3×26万kVA的变压器,保护装置采用国电南自自动化股份有限公司生产的DGT801系列变压器差动保护。
GDGT-801型微机发电机、变压器组保护检验规程批准:审核:修订:编写:赵良成2011年12月28日GDGT-801型微机发电机、变压器组保护检验规程1、适用范围本规程适用于现场继电保护工作人员检验李家峡水电厂GDGT-801型微机发电机、变压器组保护装置。
本规程规定了李家峡水电厂南京自动化厂生产的GDGT-801型发电机、变压器组保护装置的检验内容、检验要求和试验接线要求等。
2、引用标准2.1 DL478-92《静态继电保护及安全自动装置通用技术条件》2.2 DL400-91《继电保护和安全自动装置技术规程》2.3 DL/T 624-1997《继电保护微机型试验装置技术条件》2.4 DL 408-91《电业安全工作规程》2.5 (87)水电电生字第108 号文《继电保护及电网安全自动装置检验条例》4、维护检修周期4.1 巡回检查每周一次,工期0.5天。
4.2 装置在正常运行情况下,按机组检修周期进行检修。
4.3 机组C修期间进行部分检验及特殊项目检验。
4.4 机组A、B修期间进行全部检验。
5、维护检修项目:5.1 巡回检查项目5.1.1设备巡回检查有无异常信号。
5.1.2保护装置电源指示是否正常。
5.1.3连片是否正确投入。
5.2 部分检验项目5.2.1发变组保护屏及厂高变屏的清扫。
5.2.2发变组保护屏及厂高变屏的检查。
5.2.3主变非电量保护传动校验。
5.2.4发变组及厂高变保护传动。
5.2.5保护装置投运前检查。
5.2.6带负荷试验。
5.3 全部检验项目5.3.1 包括部分检验项目及内容5.3.2发变组保护屏及厂高变保护屏的电缆整治及绝缘测试。
5.3.3发变组及厂高变保护屏全部保护调试及校验。
5.2部分检验项目:5.2.1按全部检验项目有“△”号的项目进行。
5.2.2根据现场保护装置的实际运行状况(装置有弱点或缺陷、继电保护机构有特殊指示或反事故通报要求的保护装置)进行特殊项目检验。
6、检修工艺及质量标准6.1保护回路检修注意事项6.1.1 检修通则:为了保证检修质量,所有的检验都应在元件或插件处于安装实际位置相一致的状态下进行。
DGT801系列数字式发电机变压器组保护装置检修规程1 装置概述DGT801系列数字式发电机变压器组保护装置,适用于容量1200MW及以下、电压等级750KV及以下的各种容量各种接线方式的火电或水电发电机变压器组保护,也可单独作为发电机、主变压器、厂用变压器、高压启动备用变压器、励磁变压器(励磁机)、大型同步调相机、电抗器等保护,并满足电厂自动化系统的要求。
2 主要保护功能(1)发电机差动保护和变压器差动保护的特性⏹可以选择采用基于保护原理ANN(人工神经网络)的比率制动原理,或基于保护原理ANN的标积制动原理。
使用拟小波算法和神经元算法来达到快速安全可靠的目的。
⏹采用特殊的差流变化率判别方式,安全躲过区外故障时暂态不平衡电流和区外故障切除时的暂态不平衡电流,且对区内故障的灵敏度丝毫不影响。
⏹利用TA饱和特征量,以及陷阱技术,使区外故障TA饱和保护时不误动,区内故障TA饱和时保护仍能快速动作。
⏹设置差动保护试验态,可很方便地对保护动作特性进行测试。
⏹可实现其它差动方式:发电机差动(单相差动方式)、发电机不完全纵差动、发电机裂相横差、励磁机差动及电缆差动等。
(2)专用定子匝间保护特性⏹灵敏段采用独创的三次谐波增量制动方法,区别于外部故障,动作灵敏,可反映轻微的定子匝间故障。
⏹可选择负序功率方向判据,发电机外部故障时闭锁本保护。
(3)定子接地保护特性⏹三次谐波定子接地保护,采用自动整定方法,自动适应不同类型机组的分布参数,提高了保护动作的可靠性。
(4)转子接地保护特性⏹转子一点接地保护采用“注入直流”并“切换采样”式原理,实时计算出转子接地电阻,并可显示。
这种原理在转子整个大轴上的灵敏度均等,当转子未加励磁电压时也能监视转子绝缘。
(5)失磁保护特性⏹阻抗原理失磁保护,采用阻抗圆作为主判据,辅之以转子低电压判据、系统低电压判据、机端低电压判据、机组过功率判据,以上判据可采用图形组态灵活组合,以满足不同机组的需要。
发变组保护作业指导书新疆众和热电公司2014年8月编写: 审核: 批准:发变组保护作业指导书――检验作业指导书一、范围本作业指导书适用于热电公司发变组保护保护装置现场检验工作。
二、规范性引用文件《中国南方电网继电保护及二次回路验收规范》《中国南方电网继电保护反事故措施汇编》DL/T 995-2006《继电保护和安全自动装置检验规程》三、支持文件热电公司发变组保护-装置说明书施工图、调试报告。
四、危险点分析五、作业准备5.1、工期5.2工作准备5.3 仪器仪表及工器具5.3.1 仪器仪表5.3.2 工具5.3.3 技术资料六、设备基础信息6.1、设备主要技术参数6.2、保护软件版本号及校验码要求:软件版本和程序校验码应填入下面的表格做记录,并与设计要求一致。
七、作业流程图八、开工条件九、 试验项目及数据 1)、一般性检查⑴保护屏接线及插件外观检查⑵保护屏上压板检查反措要求:跳闸连接片的开口端装在上方,且接到断路器的跳闸线圈回路⑶屏蔽接地检查2)保护装置校验发电机比率制动原理纵差保护(循环闭锁差动方式)1、 接线信息电流回路接线位置:发电机中性点侧1X2、1X3、1X4、1X10;发电机端侧1X7、1X8、1X9、1X11、1X122。
电压回路接线位置:电压接线位置:2X1、2X4、2X7加超过3倍负序电压整定值的单相电压解闭锁或加入两相电流解闭锁。
2、 动作电流测试1) 启动电流单相外加超过3倍负序电压整定值的相电压将将差动解闭锁,突然加入0.95倍动作电流,差动不动作,升高电流至保护动作,记录动作电流。
依次测量各相。
2) 速断电流不加负序电压,突然加入0.95倍动作电流,保护发TA 断线,升高电流至保护动作。
3、 动作时间测试1) 差动动作时间状态1:加入超过3倍负序电压整定值的相电压将差动解闭锁,不加电流;状态2:加入超过3倍负序电压整定值的相电压将及1.05倍定值电流,差动可靠动作,记录各出口动作时间。
发电机组保护培训教材(DGT801系列装置)一、电气量保护。
1、发电机差动(主)(全停)2、发变组差动(主)(全停)3、定子接地(信号)①3U0 (信号)②3W (信号)4、主变间隙过流过压(解列灭磁)5、主变零序电流①主变零序电流I段t1 (解列灭磁)②主变零序电流I段t2 (未用信号)③主变零序电流II段t1 (解列灭磁)④主变零序电流II段t2 (全停)6、主变通风 2.36A 70% 额定电流(启动通风)7、电超速(未用)8、失磁保护①失磁t1。
8分钟(解列)②失磁t2。
1.5S (切换厂用)③失磁t3。
4.0S (解列)9、发电机复合低压过流①t1 3.5S 跳母联(未用)② t2 3.8S (全停)10、发电机反时限对称过流①对称过负荷(定)(信号)②对称过负荷(反)(解列)11、发电机反时限负序过流①不对称过负荷(定)(信号)②不对称过负荷(反)(解列)12、发电机定子匝间保护①灵敏段0.5S 跳母联(全停)②次灵敏段(全停)13、发电机转子保护①转子一点接地(信号)②转子两点接地(全停)14、励磁变保护①励磁变速断(励磁变主)(全停)②励磁变过流(全停)二、非电量保护16、主变瓦斯①重瓦斯(主)(全停)②轻瓦斯(信号)17、事故紧急停机按钮(全停)18、主变冷却器全停,①t1 油温>70℃ 15 (全停)②t2 油温<70℃ 50 (全停)19、汽机联跳(全停)20、线路联跳(全停)21、主变油温(信号)22、主变油位(信号)23、主变压力释放(信号)24、励磁变温度(信号)三、闭锁、逻辑类信号22、PT 断线(信号)23、CT断线(信号)24、装置故障(信号)25、保护直流消失名词、术语:什么是继电保护的“远后备”?“远后备”是指:当元件故障而其保护装置或开关拒绝动作时,由各电源侧的相邻元件保护装置动作将故障切开。
什么是继电保护的“近后备”?“近后备”是指:用双重化配置方式加强元件本身的保护,使之在区内故障时,保护拒绝动作的可能性减小,同时装设开关失灵保护,当开关拒绝跳闸时,启动它来切除与故障开关同一母线的其他开关,或遥切对侧开关。
第章 DGT-801系列微机发变组保护装置检验规程1.主题内容与适用范围■本标准规定了DGT-801 系列微机发变组保护装置及二次回路的检验内容、检验要求和检验方法2 规范性引用文件下列文件中的条款通过本标准的引用而成为本标准的条款。
凡是注日期的引用文档,其随后所有的修改单(不包括勘误的内容)或修订版均不适用于本标准,然而,鼓励根据本标准达成协议的各方研究是否可使用这些文档的最新版本。
凡是不注日期的引用文件,其最新版本适用于本标准。
GB/T 7261-2000 继电器及继电保护装置基本试验方法GB/T 14285-2006 继电保护和安全自动装置技术规程DL/T 478-2001 静态继电保护及安全自动装置通用技术条件DL/T 527-2002 静态继电保护装置逆变电源技术条件DL/T 624-1997 继电保护微机型试验装置技术条件DL/T 671-1999 微机发电机变压器组保护装置通用技术条件DL/T 769-2001 电力系统微机继电保护技术导则DL/T 838-2003 发电企业设备检修导则DL/T 995-2006 继电保护和电网安全自动装置检验规程3 总则3.1 检验前的准备要求在进行检验之前,工作(试验)人员应认真学习原水利电力部颁发的《继电保护和电网安全自动装置现场工作保安规定》、《DGT-801 发电机变压器保护装置说明书》、《继电保护及电网安全自动装置检验条例》和本规程,理解和熟悉检验内容和要求。
3.2本规程的有关编写说明3.2.1本规程中所使用的保护装置端子号,在整屏试验时应自行对应被试保护屏的端子号。
3.2.2本规程中额定交流电流用In 表示(即In=5 A 或1 A) ,额定交流相电压用Un 表示(即Un=57.7 V) 。
3.2.3本规程是在产品出厂试验合格的前提下编写的,因此本规程不包括出厂检验内容。
3.2.4本规程涉及的单体继电器检验遵照《继电器及继电保护装置基本试验方法》。
文件编号:发放编号:DGT 801C型发电机变压器保护装置操作指导书(#3发电机)编制部门:编写:审核:批准:发布日期:2010年月日实施日期:2010 年月日DGT 801C型发电机变压器保护装置操作指导书1.概述我中心DGT 801C型发电机变压器保护装置采用国电南京自动化股份公司生产的产品,操作箱采用LY-36三相单跳系列操作箱。
DGT 801系列发电机变压器保护装置的保护功能完全实现了模块化设计,且均固化在该系列保护装置的程序芯片中,通过图形化定义软件即可灵活配置用户设备所需要的保护功能。
该系列保护装置采用双CPU 并行处理技术和双路直流电源分别对两个CPU进行供电,提高了装置的可靠性。
该系列保护装置还具有比较完善的自检及互检功能、故障录波、通讯、记录功能,且采用大触摸屏,人机界面友好,投入出出口压板独立设置,状态指示明确。
2. DGT 801C型发电机变压器保护装置功能2.1发电机差动保护(跳主油开关、灭磁开关,关主汽门);2.2发电机低压过流保护(跳母联、分段开关,未投);2.3发电机低压过流保护(跳主油开关及灭磁开关,未投);2.4发电机低压记忆过流保护(跳母联、分段开关);2.5发电机低压记忆过流保护(跳主油开关及灭磁开关);2.6发电机3I0定子接地保护(跳主油开关及灭磁开关);发电机3U0定子接地保护(告警);2.7发电机定子过负荷(定时限,告警);2.8发电机定子过负荷(反时限,未投);2.9发电机负序过流保护(定时限,跳母联、分段开关);2.10发电机负序过流保护(定时限,跳主油开关及灭磁开关);2.11发电机负序过流保护(反时限,跳主油开关及灭磁开关);2.12程序逆功率保护(跳主油开关及灭磁开关);2.13发电机逆功率保护(跳主油开关、灭磁开关,关主汽门);2.14发电机失磁保护(跳主油开关及灭磁开关);2.15发电机转子两点接地保护(跳主油开关及灭磁开关)发电机转子一点接地保护(告警);2.16发电机过电压保护(跳主油开关及灭磁开关);2.17励磁变过流(未投);2.18发电机断水保护(跳主油开关及灭磁开关);2.19热工保护(汽机事故按钮,跳发电机主油开关及灭磁开关)2.20热工保护(汽机保护)。
发变组保护调试方案二期工程采用DGT-801数字式发电机变压器保护,它是由国电南京自动化股份有限公司生产的新一代全数字型继电保护系统。
1调试依据1.1 原电力工业部颁发的《火力发电厂基本建设工程启动及竣工验收规程》(1996年版)电建〔1996〕159号。
1.2 原电力工业部颁发的《火电工程启动调试工作规定》建质〔1996〕40号。
1.3 原电力部颁发的《火电工程调整试运质量检验及评定标准》(1996年版)建质〔1996〕111号。
1.4 原电力工业部颁发的《火电机组达标投产考核标准(1998年版)》电综〔1998〕112号。
1.5 国家标准《电气装置安装工程电气设备交接试验标准》(GB50150—91)。
1.6 国家标准《电气装置安装工程盘、柜及二次回路结线施工及验收规范》(GB50171—92)。
1.7 国家标准《继电保护及安全自动装置技术规程》(GB14285—93)。
1.8 国家标准《继电器及装置基本试验方法》(GB/T7261—2000)。
1.9 原能源部颁发的《静态继电保护和安全自动装置通用技术条件》(DL478—92)。
1.10 《电力系统继电保护和安全自动装置反事故措施要点》。
1.11 原水电部颁发的《继电保护及电网安全自动装置检验条例》([87]水电电生字第108号)。
1.12 网、省电力公司颁发的《继电保护“反措”要点实施细则》。
1.13 原能源部颁发的《电力建设安全工作规程》(火力发电厂部分)(DL5009·1—92)。
2调试前应具备的条件2.1 所有被试设备(含一次、二次)应安装完备,接线正确。
2.2 直流电源要求全面受电,信号和各控制回路具备使用条件。
2.3 检查核对一次设备的型号、参数是否符合设计要求。
2.4 检查P.T、C.T的安装极性是否满足使用要求。
2.5 检查P.T、C.T的变比是否与整定值要求相一致,特别应核对 C.T 一次绕组的串、并联关系。
2.6 检查P.T各二次绕组的快分开关、保险器的铭牌数据是否符合要求,安装是否正确。
南自DGT801系列说明书(上)电力技术2008-07-06 22:40:24 阅读452 评论0 字号:大中小订阅DGT801系列数字式发电机变压器组保护装置技术说明书V1.2国电南京自动化股份有限公司国电南自凌伊电力自动化有限公司2004年5月*本说明书可能会被修改,请注意最新版本资料*国电南自技术部监制目录1 概述1.1 DGT801系列装置简介11.2应用范围11.3保护功能22 装置性能特点 (7)2.1 双电源双CPU系统硬件结构72.2 高性能的硬件平台72.3 独创的双CPU并行处理技术72.4 独创的双回路直流电源供电92.5 完善的自检及互检功能92.6 信号出口指示直观明确102.7 保护压板和出口压板独立设置,状态明确指示102.8 友好的人机界面,装置全透明化102.9 强大的通讯功能102.10 强抗干扰能力112.11 保护功能齐全112.12 保护配置灵活可靠112.13 保护采用新原理、新技术12.14 先进的软件设计技术122.15 发电机差动保护和变压器差动的特性122.16 专用定子匝间保护特性122.17 定子接地保护特性132.18 转子接地保护特性132.19 失磁保护特性132.20 失步保护特性142.21 后备保护类型可灵活配置143 配置方案153.1 600MW(300MW)—500kV发变组单元接线保护配置(双重化的双套配置)15 3.2 300MW—220kV发变组保护配置方案1(双重化的双套配置)173.3 300MW—220kV发变组保护配置方案2(单套化)193.4 125MW机组(三卷变压器)保护配置方案1(双重化的双套配置)213.5 125MW机组(三卷变)保护配置方案2(单套化)233.6 双套化配置方案中高厂变高压侧TA配置说明274 技术参数294.1 机械及工作环境参数294.2 储存、运输极限环境温度和工作使用地点要求294.3 额定电气参数294.4 功率消耗294.5 过载能力294.6 绝缘性能304.7 抗干扰性能304.8 直流电源影响304.9 连续通电305 保护的主要技术指标315.1 发电机纵差动(循环闭锁出口方式)315.2 发电机纵差动(单相出口方式)、发电机不完全差动、发电机裂相横差、励磁机差动、电缆差 (31)5.3 发变组差动、变压器差动(包括主变、厂变、励磁变、备变)15.4 发电机高灵敏横差保护325.5 发电机纵向零序电压匝间保护325.6 发电机故障分量负序方向匝间保护325.7 发电机3U0定子接地保护335.8发电机三次谐波式定子接地保护335.9 发电机3I0定子接地保护335.10 发电机转子一点接地保护 335.11 发电机转子二点接地保护 335.12 发电机对称过负荷保护(定、反时限)335.13 发电机负序过负荷保护(定、反时限)345.14 发电机失磁保护(阻抗原理)345.15 发电机失磁保护(逆无功原理)355.16 发电机失步保护355.17 发电机过电压低电压保护355.18 发电机过激磁保护(定、反时限)365.19 发电机逆功率、低功率保护365.20 发电机频率异常保护365.21 发电机励磁回路过负荷(交流)保护(定、反时限)365.22 发电机励磁回路过负荷(直流)保护(定、反时限)375.23 发电机误上电保护375.24 发电机启停机保护375.25 发电机轴电流保护375.26 发电机次同步过流保护375.27 电压闭锁过电流保护(包括发电机、主变、厂变、备变)385.28阻抗保护(包括发电机、变压器)385.29 变压器零序电流保护385.30 变压器间隙零序保护385.31 变压器通风启动385.32 断路器失灵启动保护385.33 断路器非全相保护395.34 变压器电压闭锁方向过流保护395.35 变压器零序方向过流保护395.36 变压器负序方向过流保护395.37 非电量保护396 保护原理及逻辑说明406.1 发电机纵差动保护406.2 变压器纵差动保护(包括发变组、主变、厂变、励磁变、启备变)45 6.3 变压器零序差动保护546.4 发电机横差保护576.5 励磁机差动保护616.6 发电机纵向零序电压式匝间保护636.7 发电机基波零序电压式定子接地保护676.8 发电机三次谐波电压式定子接地保护696.9 发电机零序电流式定子接地保护726.10 发电机注入式转子一点接地保护736.11 发电机转子两点接地保护756.12 发电机失磁保护(阻抗原理)766.13 发电机失磁保护(逆无功原理)816.14 发电机失步保护836.15 发电机逆功率保护和程跳逆功率保护876.16 发电机频率异常保护896.17 过激磁保护(包括发电机、变压器)916.18 发电机过电压保护946.19 发电机过负荷及过电流保护(定时限)956.20 发电机负序过负荷及负序过流保护(定时限)966.21 发电机反时限对称过负荷保护976.22 发电机反时限不对称过负荷保护1006.23 发电机转子绕组过负荷及过流保1036.24电压闭锁过流保护(包括发电机、主变、厂变、启备变)1076.25 发电机轴电压和轴电流保护1106.26 低电流保护1126.27 阻抗保护(包括发电机、变压器)1136.28 变压器间隙零序保护1166.29 变压器零序电流保护(包括主变、厂变、备变)1176.30 变压器零序方向过流保护1196.31 负序方向过流保护1216.32 变压器方向过流保护1236.33 变压器电压闭锁方向过流保护1246.34 发电机误上电保护及断路器闪络保护1276.35双分支电压闭锁过流保护(包括高厂变、启备变)1306.36高压侧断路器失灵启动保护1336.37 非全相保护1346.38 电压平衡式TV断线判别1366.39 非电量保护1371 概述本说明书为DGT801A、DGT801B、DGT801C、DGT801F数字式发电机变压器组保护装置的技术说明部分。
DGT801系列数字式变压器差动保护调试研究在发电厂的电气设备中,电力变压器能否正常工作直接影响着电力系统的稳定运行。
而采用变压器差动保护装置进行变压器的差动保护,则可以为电力系统的稳定运行提供保障。
但就目前来看,一些发电厂使用的DGT801系列数字变压器差动保护在调试过程中容易出现卡壳问题。
因此,基于这种认识,文章对DGT801系列数字式变压器差动保护调试问题展开了研究,以便为解决该类型保护装置调试问题提供一定的指导。
标签:DGT801;数字式变压器;差动保护调试引言在电力系统运行的过程中,使用DGT801系列数字式变压器差动保护装置可以为双绕组变压器的运行提供差动保护。
但在实际的主变故障中,需要利用差动试验完成对电流情况的判断,以便完成变压器差动保护的调试。
而想要达成这一目的,则需要了解变压器的差动保护原理。
在次基础上,则可以完成正确的接线工作,并保证保护动作的正确性,继而较好地完成装置的差动保护调试。
1 DGT801系列数字式变压器差动保护原理所谓的差动保护,其实就是一种比较变压器各侧电流相位和数值大小的保护。
通过比较,如果主变各侧的电流幅值相等且相位相反,则可以保证差流为0。
在传统继电器差动保护中,需要将主变高压侧的二次CT接成Δ型,并将低压侧的二次CT接成Y型,从而通过这样的接线方式使两侧的电压相位差得到平衡。
而在计算平衡电流大小时,则需要使接入差动继电器的电流相差180°。
而DGT801系列变压器差动保护装置的采用的是微机差动保护算法,就是装置的各侧CT的接入均为Y型,并通过软件完成移相[1]。
从原理上来看,DGT801系列数字式变压器差动保护装置使用的差动保护软件的移相均为移Y型侧。
具体来讲,就是在遇到Δ型接线时,不进行二次电流相位的调整。
所以,该系列变压器的电流平衡需要先完成Y型侧的电流移相,而电流大小的平衡则需要通过将Δ侧的电流乘积当做是平衡系数来完成。
在采用180°接线方式进行差动保护时,如果不考虑电流幅值的影响,设备无论是正常运行还是出现故障时的A相差流均为0,而B、C相差流相同。
起备变四分支复合电压过流保护
一、保护原理
起备变或启备变双分支电压闭锁过流保护,主要作为低压侧有双卷绕组的起备变或起备变的后备保护。
该保护的接入电流为变压器高压侧TA二次三相电流,接入电压为低压侧四分支TV二次三相电压。
其逻辑图见图一:
图一四分支复合电压过流保护逻辑图
二、一般信息
注:对应的保护压板插入,保护动作时发信并出口跳闸;对应的保护压板拔掉,保护动作时只发信,不出口跳闸。
2.5
2.6投入保护
开启液晶屏的背光电源,在人机界面的主画面中观察此保护是否已投入。
(注:该保护投入时其运行指示灯是亮的。
)如果该保护的运行指示灯是暗的,在“投退保护”的子画面点击投入该保护。
2.7参数监视
点击进入起备变双分支复压过流保护监视界面,可监视保护的整定值,电流、各分支电压,以及负序电压计算值等有关信息。
三、保护动作整定值测试
3.1 相电流定值测试
无分支电压输入,低电压判据满足,分别输入三相电流,缓慢增加电流幅值,直至起备变双分支复压过流保护出口动作,记录数据:
3.2 低电压定值测试
使某一相电流超过整定值,缓慢降低某分支CA相电压,而另一分支电压始终不满足定值,直至起备变复压过流保护出口动作,记录数据填表:
3.3 负序电压定值测试
使某一相电流超过整定值,外加三相不平衡电压,直至起备变复压过流保护出口动作,记录数据填表:(注:因为低电压判据和负序电压判据为或门关系,测试负序电压定值时,请将低电压定值改小,再做此项测试)
3.4 动作时间定值测试
保护出口方式是否正确(打“√”表示):正确□错误□
保护信号方式是否正确(打“√”表示):正确□错误□。
继电保护实操精粹一、发电机差动保护(一)动作方程⎪⎪⎭⎫⎝⎛≤⎩⎨⎧+-≥≥00000z z z z dz z z z ddz d I I I I I I I K I I I >)( 式中:d I ——差动电流,N S d I I I ..-=z I ——制动电流,2..NS z I I I -=z K ——比率制动系数; 0dz I ——初始动作电流;S I .、N I .——分别为中性点及机端差动TA 二次电流;(二)动作特性IqIsId图1图中:d I ——动作电流;z I ——制动电流;qI——初始动作电流;gI——拐点电流;zK——比率制动系数。
由图1可以看出,纵差保护的动作特性由两部分组成:即无制动部分和有制动部分。
其优点是:在区内故障电流小时,它具有很高的动作灵敏度,在区外故障时,它具有较强的躲过暂态不平衡电流的能力。
(三)动作逻辑为提高发电机内部及外部不同相时故障时保护动作的可靠性,采用负序电压解除循环闭锁(即改为单相出口方式)。
出口图2(四)调整试验1、两侧差动电流通道平衡状况检查:图3aI、bI、cI、NI——分别为机端差动TA二次三相电流接入端子;'aI、'bI、'cI、'NI——分别为中性点差动TA二次三相电流接入端子。
操作试验仪,使其输出电流分别为e I 及5e I 的工频电流(二次额定电流),观察并记录屏幕显示的差电流。
再将试验仪A I 端子上的输出线分别接到bI 、'b I 及cI 、'c I 端子上,重复上述试验观察并记录。
要求屏幕显示电流值清晰、稳定,完全差动保护,记录的各差流的最大值应不大于2%e I 。
计算值与实测值的最大误差不大于5%。
否则,应对被试通道重新进行调整。
(五)初始动作电流的校验 1、试验接线图4图中:A U 、B U 、C U ——分别为机端TV 二次三相电压接入端子;该型保护需校验解除循环闭锁的负序电压定值。
2、试验方法操作试验仪的输出电压,设定为负序三相对称电压,且大于负序电压(即解除循环闭锁的负序电压)定值。
由零缓慢增加试验仪的输出电流至差动保护动作。
记录保护刚刚动作时的外加电流值及屏幕显示的电流值。
分别观察三相保护动作值并记录。
将上述试验数据记录下表中要求:最大误差小于5%。
(六)解除循环闭锁的负序电压值的校验操作试验仪,使其输出电流大于差动保护的初始动作电流。
此时,装置发出TA 断线信号。
然后,缓慢同时增加试验仪输出单相电压至差动保护动作,记录外加电压,观察并记录屏幕显示的负序电压。
(七)动作特性曲线的校验图52、制动特性操作试验仪,使图中的1I 与2I 相位相差180°,使2I 等于1.2e I ,此时差动保护动作。
然后,增大1I 电流,使差动保护动作返回。
再缓慢降低1I 电流至差动保护刚刚动作。
设此时动作电流1I 为1dz I 。
增大2I 电流使其等于4e I 。
增大1I ,使差动保护动作返回。
再缓慢降低1I 电流至差动保护刚刚动作。
设此时动作电流1I 为2dz I 。
各相比率制动系数为22.124)2.1)42212dz e dz e dz e dz e Z I I I I I I I I K +-+---=(( (八)速断保护定值的校验1、试验条件暂改变差动保护定值,使差动保护初始动作电流大于拐点电流,将比率制动系数调整到1以上,或只加单相电流不加负序电压。
2、试验方法操作试验仪器,增大1I 或2I ,使其大于差动速断值,记录差动保护动作电流值。
二、发电机纵向零序电压式匝间保护(1)交流输入回路纵向零序电压式匝间保护的接入电压,取自机端专用TV 的开口三角形电压。
对发电机专用TV 的要求是:全绝缘式 TV ,其一次中性点不能接地,而应通过高压电缆与发电机中性点连接起来。
其交流回路如下图所示:图6 纵向零序电压式匝间保护交流接入回路在图中:对保护接入专用 TV 二次电压的目的是用于 TV 断线闭锁。
(2)动作方程在 DGT801 系列装置中,匝间保护两段的动作方程为: 次灵敏段:hdz U U 003≥灵敏段:⎩⎨⎧-≥-≥)(wdz W z ldzo hdz U U K U U U U 33000033 以上各式中:03U ——纵向零序基波电压; hdzo U 0——纵向零序电压高定值; ldzo U 0——纵向零序电压低定值;z K ——制动系数;wdz U 3——三次谐波电压的整定值。
(3)逻辑框图为防止专用 TV 一次断线时匝间保护误动,引入 TV 断线闭锁;另外,为防止区外故障 或其他原因(例如专用 TV 回路出现问题)产生的纵向零序电压使保护误动,通常采用负序 功率方向闭锁元件(也有采用负序功率增量方向元件闭锁的)。
该保护的逻辑框图如图所示。
图7:发电机纵向零序电压式匝间保护逻辑框图图中:03U ——纵向零序电压元件;2P ——负序功率方向元件; 0t ——时间元件。
对匝间保护引入一个短延时t 的目的是:在专用 TV 一次断线或一次保险抖动时,确保 可靠闭锁保护出口。
(4)专用 TV 断线闭锁在大型发电机保护中,如果采用纵向零序电压式匝间保护,一定要有专用的 TV 断线闭 锁元件。
另外,当保护装置发出 TV 断线信号时,必须能判断出是匝间保护专用 TV 断线还 是其他保护用普通 TV 断线。
电压平衡式 TV 断线闭锁元件,是按比较两组 TV 二次同名相间电压ab U .、bc U .、ca U .的原理构成。
其动作逻辑框图如图所示:图8:电压平衡式 TV 断线闭锁逻辑框图在图中:U ∆——差压整定值;ab U ∆、bc U ∆、ca U ∆——专用 TV 与普通 TV 二次同名相间电压之差;{{}ca bc ab U U U ∆∆∆、、max ——取ab U ∆、bc U ∆、ca U ∆三者中任一个大于U ∆时,判为 TV 一次断线; 此时,如果普通 TV 二次正序电压大于专用 TV 二次正序电压,则判为专用 TV 断线,若普通 TV 二次正序电压小于专用 TV 二次正序电压,则被判为普通 TV 断线。
专用 TV 断线时,闭锁匝间保护;普通 TV 断线时,闭锁03U 定子接地保护。
(5)调整试验 1、试验要求。
操作界面触摸屏,调出匝间保护运行实时参数显示或纵向零序电压及 3 次谐波电压 通道显示值及电压计算值显示界面。
保护的投入压板(包括软压板)在闭合状态。
另外,对装置通入三相负序电压及负序电流显示匝间保护实时参数显示的负序功率为正值。
2、试验方法。
试验接线如下图图9:纵向零序电压式电压通道测量接线次灵敏段校验装置选择谐波测试模块校验仪a U 、b U 、c U 三相加⎪⎪⎩⎪⎪⎨⎧︒∠︒∠︒∠1207.572407.57050U V Uc V Ub V aa I 加⎪⎪⎩⎪⎪⎨⎧︒∠00905Ia Ic IbA若hdzo U 0定值为8V ,则Ux 、Uz 加⎪⎪⎩⎪⎪⎨⎧︒∠0001.8Ux Uz UyA 加8.1V 基波50Hz ,保护动作,动作时间240ms 。
此时选择此通道加三次谐波,通道三次谐波电压超过10V 以上,次灵敏段仍动作,说明三次谐波电压对次灵敏段无影响。
加⎪⎪⎩⎪⎪⎨⎧︒∠0009.7Ux Uz Uy A 基波50Hz ,保护动作时间为to 定值,若to 为0.5s ,则保护动作时间约为540ms 。
灵敏段校验操作试验仪器,使其输出电压Ux 中含有基波电压和三次谐波电压,其中基波电压分量大于灵敏段动作电压的整定值,而三次谐波电压分量也很大,灵敏段保护不动作。
然后,维持电压中的基波电压不变,而缓慢减小三次谐波电压值至灵敏段保护动作,记录保护刚刚动作时界面显示的基波电压U0、三次谐波电压U3w 。
验证K 值:装置选择谐波测试模块校验仪a U 、b U 、c U 三相加⎪⎪⎩⎪⎪⎨⎧︒∠︒∠︒∠1207.572407.57050U V Uc V Ub V aa I 加⎪⎪⎩⎪⎪⎨⎧︒∠00905Ia Ic IbA则Ux 、Uz 加⎪⎪⎩⎪⎪⎨⎧︒∠0004.3Ux Uz UyA 加3.4V 基波50Hz ,选择三次谐波为5V ,保护动作,动作时间约510ms 。
4.014.04534.3==--=K 可另选一点进行校验。
验证灵敏段定值:装置选择谐波测试模块校验仪a U 、b U 、c U 三相加⎪⎪⎩⎪⎪⎨⎧︒∠︒∠︒∠1207.572407.57050U V Uc V Ub V aa I 加⎪⎪⎩⎪⎪⎨⎧︒∠00905Ia Ic IbA则Ux 、Uz 加⎪⎪⎩⎪⎪⎨⎧︒∠0001.3Ux Uz UyA 加3.1V 基波50Hz ,选择三次谐波为一较小值。
此时保护动作。
减小基波电压小于定值保护返回。
负序功率方向元件校验操作试验仪,对装置通入三相对称负序电压及三相对称负序电流,并移动者之间的相 位,观察并记录界面上显示的负序功率的正、负及数值,并将显示值与计算值比较,两者之误差应小于 5%。
TV 断线闭锁元件动作特性元件校验装置选择谐波测试模块校验仪a U 、b U 、c U 三相加⎪⎪⎩⎪⎪⎨⎧︒∠︒∠︒∠1207.572407.57050U V Uc V Ub V aa I 加⎪⎪⎩⎪⎪⎨⎧︒∠00905Ia Ic IbA , Ux 加10V ,使保护可靠动作,此时拔掉专用PT 任一一相试验导线,此时保护装置显示普通PT 电压采样正常,专用PT 一相电压缺少,装置报专用PT 断线,保护闭锁,恢复专用PT 试验导线后,匝间保护正常动作。
拔掉普通PT 任一一相试验导线,装置此时报普通PT 断线,保护不闭锁。
压差U ∆定值校验,定值为10V 方法一:a U 、b U 、c U 为机端专用PT ,加三相负序电压,电压为一较小值,a I 加单相电流,保证负序功率方向满足要求。
操作试验仪使Ux 电压大于纵向零序电压定值,使匝间保护动作。
然后同时缓慢升高a U 、b U 、c U 三相电压,至匝间保护动作刚刚返回。
记录三相电压,观察并记录界面上显示的压差。
界面上显示的差压等于整定值,且等于外加电压的3倍。
方法二:a U 、b U 、c U 为机端专用PT ⎪⎪⎩⎪⎪⎨⎧︒∠︒∠︒∠1207.572407.57050U V Uc V Ub V ax U 、y U 、z U 为机端普通PT ⎪⎪⎩⎪⎪⎨⎧︒∠︒∠︒∠1207.572407.5702.43U V Uc V Ub V aa I 为机端CT ⎪⎪⎩⎪⎪⎨⎧︒∠00905Ia Ic IbAUr 为开口三角形电压,加4V 。
此时保护动作,压差未达到保护定值,不闭锁。
a U 、b U 、c U 为机端专用PT ⎪⎪⎩⎪⎪⎨⎧︒∠︒∠︒∠1207.572407.57050U V Uc V Ub V ax U 、y U 、z U 为机端普通PT ⎪⎪⎩⎪⎪⎨⎧︒∠︒∠︒∠1207.572407.5708.42U V Uc V Ub V aa I 为机端CT ⎪⎪⎩⎪⎪⎨⎧︒∠00905Ia Ic IbAUr 为开口三角形电压,加4V 。