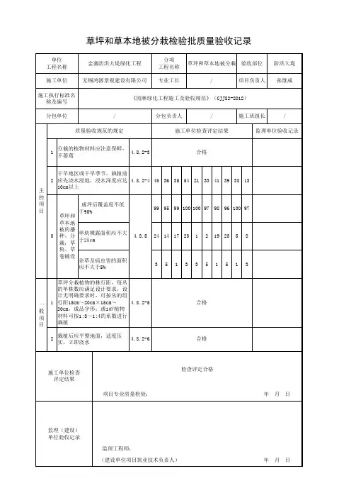
植草砖面层检验批质量验收记录 市政质检·0·14(0002)
- 格式:xls
- 大小:31.00 KB
- 文档页数:1
植草砖面层检验批质量验收记录植草砖作为一种新型环保材料,广泛应用于城市绿化、园林景观等领域。
为保证植草砖施工质量,需进行检验批质量验收记录,以下是一份验收记录范例,供参考:建设单位:XXX工程有限公司施工单位:XXX建筑施工有限公司验收日期:2024年X月X日一、项目概况1.工程名称:XXX小区绿化工程2.施工地点:XXX小区XX号楼XXX庭院3.施工内容:植草砖面层铺设二、质量验收人员3.验收人员:XXX、XXX、XXX三、验收依据2.《植草砖技术规范》3.相关图纸、合同和规范要求四、质量验收内容1.植草砖材料质量验收(1)植草砖外观质量:检查植草砖表面是否平整,无裂缝、破损、明显污渍等情况。
(2)植草砖尺寸:测量植草砖的长度、宽度、厚度是否符合设计要求。
(3)植草砖抗压强度:进行植草砖的抗压试验,检验其抗压强度是否达到标准要求。
(4)其他:根据需要进行其他植草砖材料的质量验收。
2.植草砖面层铺设质量验收(1)基层处理:检查基层是否平整、无松动和破损,并测量基层的高程、坡度是否符合设计要求。
(2)植草砖铺设:检查植草砖的铺设情况,如施工工艺、搭接、边缘修整是否符合规范要求。
(3)接缝处理:检查植草砖接缝是否整齐、均匀,并检验接缝材料的使用情况和粘接效果。
(4)排水系统:检查排水系统的设置情况,如雨水口、排水溢流口是否合理安装,能否有效排水。
(5)其他:根据需要进行其他植草砖面层铺设的质量验收。
五、质量验收结果1.植草砖材料质量:经检验,植草砖材料外观平整、无破损、裂缝、明显污渍等问题,尺寸和抗压强度达到设计要求。
2.铺砖质量:经检查,植草砖基层处理平整、无松动和破损,植草砖铺设工艺、搭接、边缘修整符合规范要求,接缝整齐、均匀,排水系统设置合理,能有效排水。
3.结论:植草砖面层质量达到设计要求,通过本次质量验收。
六、质量整改意见1.事项:XXX问题。
解决对策:XXX整改措施。
责任人:XXX。
完成期限:XXX年XX月XX日。
植草砖检验报告简介植草砖是一种新型的绿化材料,由塑料材料制成,具有良好的透水性和透气性,广泛应用于城市绿地、公园、道路和家庭庭院的草坪绿化中。
本文将通过对植草砖进行检验,评估其适用性和质量。
材料及方法检验样品本次检验的样品为植草砖,样品规格为30cm × 30cm × 5cm,总共收集了10块样品作为检验对象。
检验项目本次检验主要包括以下项目:1.外观检验:包括颜色、表面平整度和砖体形状等方面的评估。
2.抗压强度:通过压力试验仪对植草砖进行压力测试,评估其抗压能力。
3.透水性能:通过实验室通量测试,评估植草砖的透水性能。
4.透气性能:采用气流法对植草砖进行透气性测试。
5.环境适应性:评估植草砖在不同环境条件下的适应性,包括耐酸碱、耐高温和耐冻融性能等。
检验结果外观检验经过外观检验,发现样品的颜色均匀一致,不存在明显色差。
表面平整度良好,无明显凸起或凹陷。
砖体形状规整,边角齐整。
因此,样品在外观方面符合要求。
抗压强度对样品进行抗压强度测试,测试结果如下:样品编号抗压强度(MPa)1 5.62 6.13 5.54 5.95 6.36 5.77 5.88 6.09 5.410 5.6从测试结果可以看出,样品的抗压强度均在5.4 MPa至6.3 MPa之间,符合相关标准要求。
透水性能透水性能是植草砖的重要指标之一,通过实验室通量测试,评估植草砖的透水性能。
测试结果如下:样品编号透水率(mm/s)1 9.82 9.63 9.94 9.55 9.76 10.17 9.48 9.79 9.810 10.2从测试结果可以看出,样品的透水率均在9.4 mm/s至10.2 mm/s之间,符合相关标准要求。
透气性能透气性能的测试采用气流法进行,测试结果如下:样品编号透气性(L/m²/s)1 1302 1353 1404 1385 1326 1367 1338 1379 13910 134从测试结果可以看出,样品的透气性能均在130 L/m²/s至140 L/m²/s之间,符合相关标准要求。