【CN209985950U】一种全自动发酵罐清洗系统【专利】
- 格式:pdf
- 大小:658.00 KB
- 文档页数:9
(19)中华人民共和国国家知识产权局(12)实用新型专利(10)授权公告号 (45)授权公告日 (21)申请号 201920295390.8(22)申请日 2019.03.08(73)专利权人 上海健康医学院地址 201318 上海市浦东新区周祝公路279号(72)发明人 李婷婷 乔徐馨 于彬 胡骏深 吴其磊 董国超 (74)专利代理机构 北京纪凯知识产权代理有限公司 11245代理人 陆惠中 王永伟(51)Int.Cl.B01D 1/00(2006.01)B01D 1/30(2006.01)(54)实用新型名称一种方便清洗的发酵液浓缩装置(57)摘要本实用新型涉及发酵液技术领域,且公开了一种方便清洗的发酵液浓缩装置,包括装置本体、连接块、控制装置、储存器皿、固定块、连接轴、U型基座、伸缩杆、封盖、清洗电机、横杆、清洗块、延长杆、撑板、活动杆、回力弹簧和支撑架,所述装置本体的左侧固定连接有连接块,所述连接块的顶部固定连接有控制装置,所述装置本体的顶部放置有储存器皿,所述装置本体的右侧固定连接有固定块,所述固定块的正面和背面均固定连接有连接轴,所述连接轴的外部活动连接有U型基座,所述U型基座的底部固定连接有伸缩杆,所述伸缩杆的底部固定连接有封盖。
该方便清洗的发酵液浓缩装置,实现了方便清洗的目的,使用更加方便、省力。
权利要求书1页 说明书3页 附图1页CN 209790885 U 2019.12.17C N 209790885U权 利 要 求 书1/1页CN 209790885 U1.一种方便清洗的发酵液浓缩装置,包括装置本体(1)、连接块(2)、控制装置(3)、储存器皿(4)、固定块(5)、连接轴(6)、U型基座(7)、伸缩杆(8)、封盖(9)、清洗电机(10)、横杆(11)、清洗块(12)、延长杆(13)、撑板(14)、活动杆(15)、回力弹簧(16)和支撑架(17),其特征在于:所述装置本体(1)的左侧固定连接有连接块(2),所述连接块(2)的顶部固定连接有控制装置(3),所述装置本体(1)的顶部放置有储存器皿(4),所述装置本体(1)的右侧固定连接有固定块(5),所述固定块(5)的正面和背面均固定连接有连接轴(6),所述连接轴(6)的外部活动连接有U型基座(7),所述U型基座(7)的底部固定连接有伸缩杆(8),所述伸缩杆(8)的底部固定连接有封盖(9),所述封盖(9)的内部固定连接有清洗电机(10),所述清洗电机(10)的输出轴固定连接有横杆(11),所述横杆(11)远离清洗电机(10)输出轴的一端固定连接有清洗块(12),所述清洗电机(10)的输出轴固定连接有延长杆(13),所述延长杆(13)的顶部固定连接有撑板(14),所述撑板(14)与清洗块(12)相粘接,所述清洗块(12)的内侧固定连接有活动杆(15),所述活动杆(15)远离清洗块(12)的一端固定连接有回力弹簧(16),所述回力弹簧(16)与清洗电机(10)的输出轴固定连接,所述支撑架(17)与储存器皿(4)活动连接。
专利名称:一种方便清洗的发酵罐
专利类型:实用新型专利
发明人:段楠,王阳,赵金海,杨希山,常存,隋月梅,马雪松,章力申请号:CN201720461070.6
申请日:20170428
公开号:CN206843450U
公开日:
20180105
专利内容由知识产权出版社提供
摘要:本实用新型公开了一种方便清洗的发酵罐,包括电机、传动轴、无菌轴封和进水管,所述电机在发酵罐的正上方,所述传动轴通过无菌轴封固定连接在发酵罐顶端的中心,所述空心轴的上方设有进水装置,所述进水装置的下方设有清洁盘,所述清洁盘内部开有两条对称的流水槽Ⅰ,且流水槽Ⅰ的下方设有若干个打通的流水孔Ⅰ,向清洁盘清洗注入洗涤液时,电机带动轴转动,轴再带动清洁盘转动,清洁盘的流水槽Ⅰ和流水孔Ⅰ可以将洗涤液均匀的甩到清洁盘以下的发酵缸缸体上,搅拌装置中设置的流水槽Ⅱ和流水孔Ⅱ,可以将洗涤液滴向下方设备上,消除洗涤死角;综上所述,本实用新型一种方便清洗的发酵罐可以快速的清洁发酵罐内部的杂质。
申请人:段楠
地址:150000 黑龙江省哈尔滨市道外区大新街副62-3号C栋3单元6楼3号
国籍:CN
代理机构:北京轻创知识产权代理有限公司
代理人:杨立
更多信息请下载全文后查看。
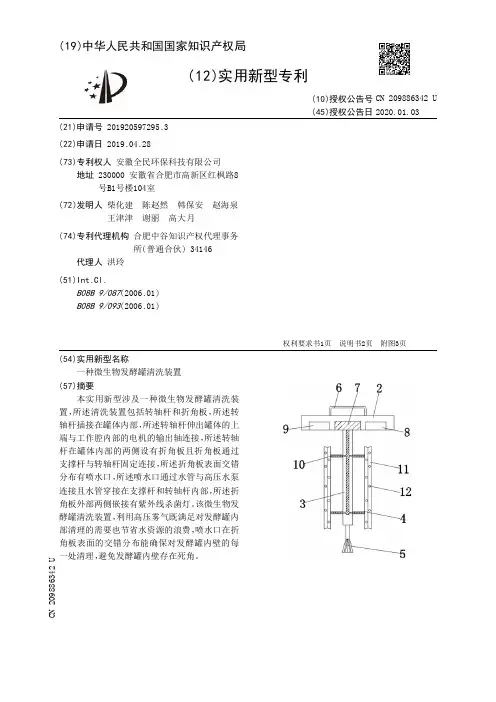
(19)中华人民共和国国家知识产权局(12)实用新型专利(10)授权公告号 (45)授权公告日 (21)申请号 201920597295.3(22)申请日 2019.04.28(73)专利权人 安徽全民环保科技有限公司地址 230000 安徽省合肥市高新区红枫路8号B1号楼104室(72)发明人 柴化建 陈赵然 韩保安 赵海泉 王津津 谢丽 高大月 (74)专利代理机构 合肥中谷知识产权代理事务所(普通合伙) 34146代理人 洪玲(51)Int.Cl.B08B 9/087(2006.01)B08B 9/093(2006.01)(54)实用新型名称一种微生物发酵罐清洗装置(57)摘要本实用新型涉及一种微生物发酵罐清洗装置,所述清洗装置包括转轴杆和折角板,所述转轴杆插接在罐体内部,所述转轴杆伸出罐体的上端与工作腔内部的电机的输出轴连接,所述转轴杆在罐体内部的两侧设有折角板且折角板通过支撑杆与转轴杆固定连接,所述折角板表面交错分布有喷水口,所述喷水口通过水管与高压水泵连接且水管穿接在支撑杆和转轴杆内部,所述折角板外部两侧嵌接有紫外线杀菌灯。
该微生物发酵罐清洗装置,利用高压雾气既满足对发酵罐内部清理的需要也节省水资源的浪费,喷水口在折角板表面的交错分布能确保对发酵罐内壁的每一处清理,避免发酵罐内壁存在死角。
权利要求书1页 说明书2页 附图3页CN 209886342 U 2020.01.03C N 209886342U权 利 要 求 书1/1页CN 209886342 U1.一种微生物发酵罐清洗装置,所述发酵罐包括罐体(1)和工作腔(2),所述工作腔(2)位于罐体(1)上部,其特征在于:所述清洗装置包括转轴杆(3)和折角板(11),所述转轴杆(3)插接在罐体(1)内部,所述转轴杆(3)伸出罐体(1)的上端与工作腔(2)内部的电机(7)的输出轴连接,所述转轴杆(3)在罐体(1)内部的两侧设有折角板(11),所述折角板(11)通过支撑杆(4)与转轴杆(3)固定连接,所述电机(7)在工作腔(2)内部的一侧设有蓄电池(8),所述电机(7)在工作腔(2)内部的另一侧设有高压水泵(9),所述折角板(11)表面交错分布有喷水口(12),所述喷水口(12)通过水管(10)与高压水泵(9)连接且水管(10)穿接在支撑杆(4)和转轴杆(3)内部,所述折角板(11)外部两侧嵌接有紫外线杀菌灯(13)。
(19)中华人民共和国国家知识产权局(12)发明专利申请(10)申请公布号 (43)申请公布日 (21)申请号 201910655020.5(22)申请日 2019.07.19(71)申请人 菲德克(天津)环保科技有限公司地址 300384 天津市滨海新区华苑产业区梅苑路5号金座广场1910(72)发明人 王善杰 颜繁越 覃岚颖 葛鼎盛 张月平 蒋哲瑄 (74)专利代理机构 天津市尚仪知识产权代理事务所(普通合伙) 12217代理人 邓琳(51)Int.Cl.C12M 1/107(2006.01)C12M 1/02(2006.01)C12M 1/00(2006.01)B08B 9/08(2006.01)B08B 9/087(2006.01)(54)发明名称一种厌氧发酵罐自清洁系统及方法(57)摘要本发明公开了一种厌氧发酵罐自清洁系统及方法,所述系统包括搅拌机、浮渣排除系统和沉砂排除系统;所述搅拌机桨叶为柳叶形,以罐顶偏心垂直向下的方式安装于厌氧发酵罐内;所述浮渣排除系统包括浮渣排除装置、浮渣过滤机;所述浮渣排除装置内嵌于厌氧发酵罐;所述浮渣过滤机将所收集到的浮渣进行固液分离;所述沉砂排除系统包括底部刮砂机,砂泵和砂水分离器;所述底部刮砂机为双刮臂式,两刮臂为圆弧形,其长度与厌氧发酵罐底部半径相匹配;所述砂泵将厌氧发酵罐底部排砂孔内的沉砂泵送至砂水分离器;所述砂水分离器将沼液与厌氧发酵罐内产生的沉砂和固体物质分离。
本发明有效解决了厌氧罐清洁问题,保证了厌氧发酵长期稳定运行。
权利要求书2页 说明书5页 附图2页CN 110317718 A 2019.10.11C N 110317718A1.一种厌氧发酵罐自清洁系统,其特征在于,所述系统包括搅拌机、浮渣排除系统和沉砂排除系统;所述搅拌机桨叶为柳叶形,以罐顶偏心垂直向下的方式安装于厌氧发酵罐内;搅拌机慢速运行,促使厌氧发酵罐内浆液分层;所述浮渣排除系统包括浮渣排除装置、浮渣过滤机;所述浮渣排除装置内嵌于厌氧发酵罐,其包括收集缸和输送泵;所述浮渣过滤机位于厌氧发酵罐外,其将所收集到的浮渣进行固液分离;所述沉砂排除系统包括底部刮砂机,砂泵和砂水分离器;所述底部刮砂机为双刮臂式,两刮臂为圆弧形,其长度与厌氧发酵罐底部半径相匹配;所述砂泵将厌氧发酵罐底部排砂孔内的沉砂吸出并泵送至砂水分离器;所述砂水分离器将沼液与厌氧发酵罐内产生的沉砂和固体物质分离。
(19)中华人民共和国国家知识产权局(12)发明专利申请(10)申请公布号 (43)申请公布日 (21)申请号 202010817036.4(22)申请日 2020.08.14(71)申请人 安徽明龙酒业有限公司地址 239400 安徽省滁州市明光市桂花园开发区(72)发明人 姬茂云 王维全 (74)专利代理机构 合肥市科融知识产权代理事务所(普通合伙) 34126代理人 刘冉(51)Int.Cl.B08B 9/36(2006.01)B08B 13/00(2006.01)(54)发明名称一种全自动酒瓶清洗机(57)摘要本发明属于机械技术领域,尤其是一种全自动酒瓶清洗机,针对现有技术中的酒瓶清洗机能耗较高,不符合节能理念的技术问题,现提出以下方案,包括支撑平台,支撑平台上端中心处固定连接有电动机,电动机的输出轴贯穿支撑平台并固定连接有主动齿轮,支撑平台下端转动连接有多个与主动齿轮相啮合的从动齿轮,固定轴件上固定套接有固定环,固定环侧端通过连接键连接有支撑杆,支撑杆下端焊接有外桩头,外桩头靠近固定轴件的一端固定连接有第一清洗块,固定轴件下端焊接有内桩头,内桩头侧端固定连接有第二清洗块。
本发明通过设置的主动齿轮、从动齿轮、外桩头和内桩头,实现单机驱动,节能高效,且能够实现酒瓶内外的同时清洗,清洗效率更高。
权利要求书1页 说明书4页 附图4页CN 112090905 A 2020.12.18C N 112090905A1.一种全自动酒瓶清洗机,包括支撑平台(1),其特征在于,所述支撑平台(1)上端中心处固定连接有电动机(2),所述电动机(2)的输出轴贯穿支撑平台(1)并固定连接有主动齿轮(3),所述支撑平台(1)下端转动连接有多个与主动齿轮(3)相啮合的从动齿轮(4),且多个从动齿轮(4)以支撑平台(1)中心为圆心环绕分布,所述从动齿轮(4)下端固定连接有固定轴件,所述固定轴件上固定套接有固定环(7),所述固定环(7)侧端通过连接键连接有支撑杆(10),所述支撑杆(10)下端焊接有外桩头(11),所述外桩头(11)靠近固定轴件的一端固定连接有第一清洗块(12),所述固定轴件下端焊接有内桩头(17),所述内桩头(17)侧端固定连接有第二清洗块(18),所述固定轴件上套设有固定套(24),所述固定套(24)与固定轴件之间固定连接有轴承(15)。
专利名称:一种微生物发酵罐清洗机专利类型:发明专利
发明人:任启刚
申请号:CN201811294119.9
申请日:20181101
公开号:CN109622499A
公开日:
20190416
专利内容由知识产权出版社提供
摘要:本发明属于微生物发酵设备领域,尤其涉及一种微生物发酵罐清洗机。
本发明要解决的技术问题是提供一种降低人工成本、省时省力、能够有效清理发酵罐内部的附着物、便于清洗多种发酵罐的微生物发酵罐清洗机。
一种微生物发酵罐清洗机,包括有底板、万向轮、第一支架、第一滑块、齿条、第一电机、第一转轴、齿轮、第二支架、储液罐、盖板、液泵、抽液管、出液硬质管、伸缩软管、出液软管、第二电机、空心管、超声波发生器、连接电线、超声波能量转换棒和第二转轴;万向轮安装于底板底部。
本发明达到降低人工成本、省时省力、能够有效清理发酵罐内部的附着物、便于清洗多种发酵罐的效果。
申请人:广州市帮宝生物科技有限公司
地址:510000 广东省广州市高新技术产业开发区南翔二路1号501房之A05
国籍:CN
更多信息请下载全文后查看。
专利名称:一种酒厂发酵设备的清洗系统专利类型:实用新型专利
发明人:李克田
申请号:CN201920728808.X
申请日:20190520
公开号:CN210014082U
公开日:
20200204
专利内容由知识产权出版社提供
摘要:本实用新型涉及一种酒厂发酵设备的清洗系统,属于啤酒加工设备技术领域,包括高温热水罐、高温烧碱灌、低温烧碱罐、酸洗罐和消毒剂灌,高温热水罐、高温烧碱灌、低温烧碱罐、酸洗罐和消毒剂灌上均连通设置有支管,每根支管均与一根主管连通,支管上设置有单向阀,单向阀上设置有启闭转盘,每根支管均水平向前延伸且相互平行,每根支管均固定在一个支架上,支架上转动设置有转动杆,每个启闭转盘上均同轴设置有从动锥齿轮,转动杆上同轴设置有数量与从动锥齿轮的数量相同且与从动锥齿轮啮合的主动锥齿轮,支架上设置有用于驱动转动杆转动的驱动组件,本实用新型具有能同时将支管上的单向阀上的启闭转盘同时打开从而实现省时省力的优点。
申请人:成都金星啤酒有限公司
地址:611137 四川省成都市成都海峡两岸科技产业开发园蓉台大道
国籍:CN
更多信息请下载全文后查看。
(19)中华人民共和国国家知识产权局(12)实用新型专利(10)授权公告号 (45)授权公告日 (21)申请号 201920643546.7(22)申请日 2019.05.07(73)专利权人 厦门益力康生物科技有限公司地址 361000 福建省厦门市同安区工业集中区湖里园25号4、5楼(72)发明人 宋茂清 (51)Int.Cl.C12M 1/34(2006.01)C12M 1/00(2006.01)(54)实用新型名称一种发酵液预处理离心清液罐(57)摘要本实用新型公开了一种发酵液预处理离心清液罐,包括罐体、旋转装置,罐体上方左侧设置有进料口,罐体左侧外侧壁上设置有稀释液箱,稀释液箱下方的外侧壁上有固形物出口管,罐体右侧外侧壁上设置有清液出口管,清液出口管下方的罐体外侧壁上设置有单片机,单片机下方设置有定时器,罐体内右侧壁上设置有PH值传感器,本实用新型设计合理,通过旋转装置带动罐体高速转动,产生强大的离心力,发酵液在离心力的作用下达到高效分离的效果;滤网避免了罐内液体受到污染,保证发酵液的顺利发酵;而单片机有效实现了整个装置的自动化运行,减少人工成本的同时也使整个操作流程更加精确。
权利要求书1页 说明书2页 附图1页CN 209989398 U 2020.01.24C N 209989398U权 利 要 求 书1/1页CN 209989398 U1.一种发酵液预处理离心清液罐,包括罐体(1)以及所述罐体(1)上设置的旋转装置(15),其特征在于,所述罐体(1)上方左侧设置有进料口(14),所述罐体(1)左侧外侧壁上设置有稀释液箱(11),所述稀释液箱(11)与罐体(1)间设置有三号电动阀(10),所述稀释液箱(11)下方的外侧壁上有固形物出口管(9),所述固形物出口管(9)上设置有二号电动阀(8),所述罐体(1)右侧外侧壁上设置有清液出口管(3),所述清液出口管(3)上设置有一号电动阀(2),所述清液出口管(3)下方的罐体(1)外侧壁上设置有单片机(4),所述单片机(4)下方设置有定时器(6),所述罐体(1)内部右侧壁上设置有pH值传感器(5)。
(19)中华人民共和国国家知识产权局(12)发明专利申请(10)申请公布号 (43)申请公布日 (21)申请号 201810112857.0(22)申请日 2018.02.05(71)申请人 上海达和荣艺包装机械有限公司地址 201617 上海市松江区石湖荡镇闵塔路1098号(72)发明人 刘元群 (74)专利代理机构 北京维正专利代理有限公司11508代理人 洪敏 谢绪宁(51)Int.Cl.B65B 55/24(2006.01)B08B 9/32(2006.01)(54)发明名称一种罐体自动清理装置(57)摘要本发明涉及罐体清洁装置,特别是一种罐体自动清理装置,包括罐体依次经过的送料组件、第一旋转组件、清理组件、第二旋转组件,送料组件包括转动设置的送料盘以及设置于送料盘周缘的引导杆,将罐体放置于送料盘上,在引导杆的引导下进入第一旋转组件中,第一旋转组件中包括输送带以及定位气缸,罐体在输送带上移动至定位气缸之间,定位气缸的伸缩端设置有夹持并带动罐体转动旋转动力件,使得罐体的罐口朝下后并继续在输送带上移动至清理组件中,清理组件中设置有夹持罐体移动一组转动带,在转动带的下端设置向罐体中吹气的吹期间,实现对各类材质罐体清理的目的,最后进入第二旋转组件中转动罐体,使得罐体的罐口朝上,完成对罐体的清洁和运输。
权利要求书2页 说明书5页 附图4页CN 108328014 A 2018.07.27C N 108328014A1.一种罐体自动清理装置,其特征在于,包送料组件(1),包括送料座(2)、转动连接于所述送料座(2)上的送料盘(3)以及用于驱动所述送料盘(3)的送料驱动件,所述送料座(2)在所述送料盘(3)的周缘处固定连接有引导杆(5),所述引导杆(5)凸出于所述送料盘(3)顶面,所述引导杆(5)上具有送料出口;第一旋转组件(8),包括旋转座(9)、转动连接在所述旋转座(9)上的输送带(10)以及用于驱动所述输送带(10)的输送驱动件,所述输送带(10)的一端为输送入口,另一端为输送出口,所述输送带(10)的输送入口对准所述送料出口,所述旋转座(9)在所述输送带(10)的两侧分别固定连接有用于限定罐体在所述输送带(10)上位置的定位气缸(11),所述定位气缸(11)的伸缩端上固定连接有用于夹紧并旋转罐体的旋转动力件;清理组件(18),包括清理座(19)、多个转动连接在所述清理座(19)上的转动杆(20)以及用于驱动所述转动杆(20)的清理驱动件,多个所述转动杆(20)上转动连接有成对设置的转动带(21),所述转动带(21)的一端为转动入口,另一端为转动出口,所述转动带(21)的转动入口位于所述输送出口的上方,成对的所述转动带(21)用于夹紧并运送所述输送带(10)上的罐体,所述清理座(19)上在所述转动带(21)的下方设置有用于向罐体内吹气的吹气件(22),所述清理座(19)在所述吹气件(22)旁固定连接有吸尘件(23);与第一旋转组件(8)相同的第二旋转组件(24),所述第二旋转组件(24)的所述输送入口对准所述转动出口。
专利名称:一种新型酵母回收罐的清洗、充氧、搅拌装置专利类型:实用新型专利
发明人:刘刚,刘笃兵,刘汝海
申请号:CN201420493534.8
申请日:20140829
公开号:CN204211731U
公开日:
20150318
专利内容由知识产权出版社提供
摘要:一种新型酵母回收罐的清洗、供氧、搅拌装置,涉及发酵工程设备清洗、供氧、搅拌系统,采用立式结构,搅拌电机位于最顶端,连接有中空搅拌轴,在电机座处有一与中空搅拌轴相通的密闭腔。
密封腔上面采用机械密封,下端采用弹簧式端面密封与喷淋清洗系统阻隔,低压充氧时,弹簧端面密封处关闭,气体不进入喷淋清洗系统而通过中空搅拌轴到达罐体底部及搅拌桨叶处实现充氧;高压清洗时,弹簧端面密封处开启,气体不仅进入喷淋清洗系统还通过中空搅拌轴到达罐体底部及搅拌桨叶处实现对罐体内部的全面清洗。
此装置结构简单紧凑,拆卸及维修方便,制造成本低,搅拌均匀,充氧利用率及效率高,清洗彻底无死角等优点。
申请人:山东中德发酵技术有限公司,山东华德生物科技有限公司
地址:250101 山东省济南市历城区工业北路71号
国籍:CN
更多信息请下载全文后查看。
(19)中华人民共和国国家知识产权局(12)实用新型专利(10)授权公告号 (45)授权公告日 (21)申请号 201920560181.1(22)申请日 2019.04.23(73)专利权人 金川集团股份有限公司地址 737103 甘肃省金昌市金川路98号专利权人 兰州金川新材料科技股份有限公司(72)发明人 尹泷 闫世文 李珊 曲丽萍 (74)专利代理机构 甘肃省知识产权事务中心62100代理人 李琪(51)Int.Cl.B08B 5/02(2006.01)B08B 13/00(2006.01)B65D 90/00(2006.01)B65D 90/48(2006.01)(54)实用新型名称一种用于酸碱储罐液位计的自动清洗装置(57)摘要本实用新型属于清洗设备技术领域,具体涉及一种用于酸碱储罐液位计的自动清洗装置,包括控制装置、现场控制装置和清洗作业装置,控制装置包括控制室,放置在控制室内的操作机,与操作机连接的控制器机柜;现场控制装置包括氮气储罐,与氮气储罐通过管道连接的空气过滤器,空气过滤器两侧的管道上分别设有球阀和电磁阀,电磁阀与所述控制器机柜电性连接,控制器机柜内的时间继电器通过设置延时时间控制电磁阀的开合时间;清洗作业装置包括气源管,气源管一端与所述氮气储罐通过管道连接,另一端与清洗喷嘴连接,清洗喷嘴设在清洗管道内,本实用新型可通过控制氮气储罐和球阀使得氮气会沿着管道通过清洗喷嘴对液位计探头上的附着物进行吹洗。
权利要求书1页 说明书2页 附图2页CN 209985904 U 2020.01.24C N 209985904U权 利 要 求 书1/1页CN 209985904 U1.一种用于酸碱储罐液位计的自动清洗装置,其特征在于,所述的自动清洗装置包括控制装置(1)、现场控制装置(2)和清洗作业装置(3),所述的控制装置(1)包括控制室(11),放置在控制室(11)内的操作机(12),与操作机(12)连接的控制器机柜(13);所述现场控制装置(2)包括氮气储罐(21),与氮气储罐(21)通过管道连接的空气过滤器(22),空气过滤器(22)两侧的管道上分别设有球阀(23)和电磁阀(24),电磁阀(24)与所述控制器机柜(13)电性连接,控制器机柜(13)内的时间继电器通过设置延时时间控制电磁阀(24)的开合时间;所述清洗作业装置(3)包括气源管(31),气源管(31)一端与所述氮气储罐(21)通过管道连接,另一端与清洗喷嘴(35)连接,清洗喷嘴(35)设在清洗管道(34)内,清洗管道(34)两端分别连接有液位计(33)和酸碱储罐(4),液位计(33)的液位计探头(32)位于清洗管道(34)内,当控制器机柜(13)控制电磁阀(24)打开时,打开氮气储罐(21)和球阀(23)氮气会沿着管道通过清洗喷嘴(35)对液位计探头(32)上的附着物进行吹洗。
(19)中华人民共和国国家知识产权局(12)实用新型专利(10)授权公告号 (45)授权公告日 (21)申请号 201920415680.1(22)申请日 2019.03.29(73)专利权人 厦门烟草工业有限责任公司地址 361000 福建省厦门市海沧新阳工业区新阳路1号(72)发明人 陈韡 伍宇超 王骁 刘伟强 江晓敏 赖俊嘉 邱文凯 刘维韶 (74)专利代理机构 厦门龙格专利事务所(普通合伙) 35207代理人 钟毅虹(51)Int.Cl.B67C 7/00(2006.01)B08B 9/093(2006.01)(54)实用新型名称一种调制罐清洗密封盖体装置(57)摘要本实用新型公开一种调制罐清洗密封盖体装置,包括一面盖和一密封盖体,面盖与调制罐的罐口形状相匹配,其上设有上通孔。
密封盖体为中空状,由一安装腔体和一导流部组成;该安装腔体与所述面盖形状相适配,以使该面盖固定装设在该安装腔体中;所述导流部为锥形结构,于该导流部上设有下通孔,所述上通孔与下通孔相通,以供清洗喷头管路穿过,并伸入调制罐内进行清洗。
本实用新型调制罐清洗密封盖体装置用以解决现有调制罐进行清洗时因盖子密封性不够强,导致水花对设备造成损害,并且清洗后有水珠残留对下一批料液造成质量影响的问题。
权利要求书1页 说明书3页 附图3页CN 209989053 U 2020.01.24C N 209989053U权 利 要 求 书1/1页CN 209989053 U1.一种调制罐清洗密封盖体装置,其特征在于:包括一面盖(20)和一密封盖体(30);其中,面盖(20),与调制罐的罐口形状相匹配,其上设有上通孔(21);密封盖体(30),为中空状,由一安装腔体(31)和一导流部(32)组成;该安装腔体(31)与所述面盖(20)形状相适配,以使该面盖(20)固定装设在该安装腔体(31)中;所述导流部(32)为锥形结构,于该导流部(32)上设有下通孔(33),所述上通孔(21)与下通孔(33)相通,以供清洗喷头管路(10)穿过,并伸入调制罐内进行清洗。
(19)中华人民共和国国家知识产权局
(12)实用新型专利
(10)授权公告号 (45)授权公告日 (21)申请号 201920437295.7
(22)申请日 2019.04.02
(73)专利权人 广州市科立盈喷淋设备有限公司
地址 510000 广东省广州市白云区嘉禾街
下村五社第二工业区168号B栋一至二
楼
(72)发明人 李高飞
(74)专利代理机构 广州市深研专利事务所
44229
代理人 张喜安
(51)Int.Cl.
B08B 9/093(2006.01)
(54)实用新型名称一种全自动发酵罐清洗系统(57)摘要一种全自动发酵罐清洗系统,涉及清洗设备的技术领域,其包括机架、握把、升降机构以及摆动机构,摆动机构包括摆动组件、阻挡组件、铰接机构、连接柱以及限位机构,所述限位机构包括连接框、滑槽、弹簧以及两组限位组件,所述连接框的内设有滑槽,滑槽内设有弹簧,弹簧的两端分别连接有两组限位组件,所述限位组件包括滑块以及限位辊;该全自动发酵罐清洗系统能够对喷嘴进行快速摆动,进而是喷嘴能够对发酵罐内的不同的位置进行清洗,不需要工作人员过多的体力劳动,清洗彻底且方便,通过限位机构的作用,能够对不同直径的连接有喷嘴的水管进行限位夹持,能够对水管进行有效限位固定,在喷嘴
喷水的过程中也不容易从限位机构上分离。
权利要求书1页 说明书3页 附图4页CN 209985950 U 2020.01.24
C N 209985950
U
权 利 要 求 书1/1页CN 209985950 U
1.一种全自动发酵罐清洗系统,其特征在于:包括机架、握把、升降机构以及摆动机构,所述机架的一侧设有握把,机架的另一侧安装有升降机构,升降机构上安装有摆动机构,摆动机构包括摆动组件、阻挡组件、铰接机构、连接柱以及限位机构,所述摆动组件安装在升降机构上,摆动组件上连接有阻挡组件,阻挡组件的底部设有铰接机构,铰接机构的底部连接有连接柱,铰接机构的侧部连接有限位机构,所述限位机构包括连接框、滑槽、弹簧以及两组限位组件,所述连接框的内设有滑槽,滑槽内设有弹簧,弹簧的两端分别连接有两组限位组件,两组限位组件滑动连接于滑槽内,所述限位组件包括滑块以及限位辊,所述滑块的侧部连接于弹簧,滑块滑动连接于滑槽内,滑块中部铰接有限位辊,限位辊以滑槽的长度方向水平移动。
2.根据权利要求1所述的全自动发酵罐清洗系统,其特征在于:所述摆动组件包括支架、驱动机构、收集轴、导向轴A、导向轴B以及钢绳,所述支架安装在升降机构的输出端上,支架内设有驱动机构,驱动机构的输出端连接于收集轴,收集轴上缠绕有钢绳的一端,钢绳的另一端依次经过到导向轴A以及导向轴B,并最终与铰接机构连接,导向轴A安装在支架与阻挡组件的连接处,导向轴B安装在阻挡组件上。
3.根据权利要求2所述的全自动发酵罐清洗系统,其特征在于:所述阻挡组件包括圆板以及通孔,所述圆板的一侧固定安装在支架上,圆板与支架的连接处设有导向轴A,圆板的顶部设有导向轴B,所述圆板的远离机架的一侧设有数量为一个以上的通孔,一个以上的通孔均匀设置在圆板的边缘,圆板的底部固定连接有铰接机构。
4.根据权利要求3所述的全自动发酵罐清洗系统,其特征在于:所述铰接机构包括安装板、连接块、铰接部、连接板以及拉伸柱,所述安装板的顶部固定安装在圆板的底部,安装板的远离圆板的一侧设有连接块,连接块的底部设有铰接部,铰接部上铰接连接有连接板,连接板的一端设有与钢绳的末端连接的拉伸柱,连接板的另一端与连接框固定连接,连接板的底部固定连接于连接柱。
5.根据权利要求2所述的全自动发酵罐清洗系统,其特征在于:所述驱动机构为电机。
6.根据权利要求1所述的全自动发酵罐清洗系统,其特征在于:所述升降机构为气缸。
2。