产品编码规则[样板]
- 格式:docx
- 大小:16.78 KB
- 文档页数:5
产品条码编码规则范例
1.标识码(公司前缀):标识码指的是一个唯一的数字代码,用于标
识公司或组织的身份。
标识码由GS1分配给公司,它的长度可以是6位或
7位,不同长度的标识码可以表示不同规模的公司。
2.商品代码:商品代码是由公司自行定义和管理的,一般由数字构成。
商品代码的长度可以根据需要进行设定,但通常不宜过长,以免增加扫描
的难度。
3.校验码:校验码的作用是确保条码的准确性和完整性。
校验码的计
算方法是利用条码中其他数字的加权和来计算得出,以便在扫描时进行校验。
4.批次号:批次号是用于区分同一产品不同批次的标识,通常由一串
数字或字母构成。
批次号可以用于追溯产品的生产和流通情况,便于进行
质量追溯和召回。
在实际应用中,产品条码可以有多种编码规则,在不同的国家和地区
有着一定的差异。
例如,国际上常用的编码规则有UPC(美国统一产品编码)和EAN(欧洲商品编码)等。
这些编码规则主要有以下几个特点:
1.各国条码规则在标识码(公司前缀)的长度和数字编码的范围上可
能存在差异,因此需要根据自身情况进行选择。
2.条码的长度通常是固定的,不同的编码规则具有不同的长度要求。
3.条码的生成需要借助专用软件或硬件设备,以确保条码的准确性和
可读性。
总的来说,产品条码编码规则是一个复杂的系统,需要根据不同的行
业和需求进行定制。
它能够帮助企业实现对产品的唯一标识、追溯和管理,提高供应链的效率和可靠性,为消费者提供更好的商品信息和服务。
瑞源ERP产品编码规则
➢此编号由八位数字所组成,编写方法及所示如下:
□□□□□□□□
a b c d e f g h
a:代表产品系列:
A=无缝 B=有缝 C=有缝市场款 W=外厂来料加工款 E=无缝半成品 F=外购时装
b:代表产品性别:
1=男装 2=女装 3=男童装 4=女童装
c:代表产品类型,具体表达方式为:
1=文胸 2=裤子 3=套装 4=连体衣
5=上衣类6=背心类 7=裙子 8=特殊无缝产品d:代表产品二级类型,具体表达方式为:(结合旧编码的使用)
文胸: 1=吊带文胸 2=抹胸 3= 基础文胸 4=运动文胸 8=无缝文胸
9=调整文胸
裤子: 2=三角裤 3=T款裤 4=平脚裤 8=长裤 5=中T裤 6=妈妈裤 9=束裤
套装: 2 = 背心套装 3=棉套装 4=泳装套装 8=文胸套装 5=运动套装
6 = 裙套装 7=睡衣套
连体衣: 9=连体衣
上衣类: 6=短袖上衣 7=长袖上衣
背心类: 5 =无袖背心 6=吊带背心
裙子类: 3=连衣裙子 4=单件裙子
特殊无缝产品:1=帽子、头巾
e、f、g、h:代表每类产品的具体生产序号,由0001开始,每增加一个同类新品种依次往下编。
1.按新编码规则与旧编码的对照表具体如下:
新品出来时,对应产品类型,按大小顺序,编出对应的货号。
《产品编号规则》word版有限公司编号:QB/YF-003机电产品编制规则共6页第1页1目的为进行研发、技术与工艺设计、质量管理、精益生产管理等程序控制,按照质量管理体系及相关标准的要求,特对各类图册文档的编制及机电产品管理作出如下规范。
2范围本编制规则(程序)适用于本公司研发、技术与工艺设计、质量管理、精益生产管理等程序控制。
3术语和定义3.1类别代号(第1位数)0-9 / 表示机电产品的类别分类号。
3.2型号代号(第2、3、4位数)000-999 / 表示机电产品的型号分类号。
3.3系列代号(第5、6位数)00-99 / 表示机电产品的系列分类号。
3.4规格代号(第7.8位数)00-99 / 表示机电产品的规格分类号。
3.5色样代号(第9位数)0-9 / 表示机电产品的色样分类号。
3.6 设计类别型号代号(图号类第1、2、3、4位数)0000-9999 / 表示图册的部件分类号。
3.7 设计组件代号(图号类第5、6位数)00-99 / 表示图册的组件分类号3.8 设计零件代号(图号类第7、8位数)00-99 / 表示图册的零件分类号。
3.9色样代号(第9位数)0-9 / 表示图册的色样分类号。
4参数定义与编制规则4.1参数定义表示机电产品的类别/型号/部件/组件性能及设计值等。
4.2 动力编制规则4.2.1 类别/型号4.2.1.1 汽油机以汽缸数/冲程数/汽缸直径(毫米)/冷却方式(风冷F)/设计序号(0-9/A-Z)等表示。
4.2.1.2 柴油机以汽缸数/汽缸直径(毫米)/冷却方式(风冷F)/设计序号(0-9/A-Z)等表示。
有限公司编号:QB/YF-003机电产品编制规则共6页第2页.4.2.1.3 电动机以使用类别/研发型号/供电方式/设计序号(0-9/A-Z)等表示。
4.2.2 动力序列编号星号/企业代号/年号/月号/数量号/星号表示。
例如:☆TD20130800001☆, 表示永康市拓得科技有限公司在2013年8月份生产的第一台动力机。
产品编码规则范文以下是一个常见的产品编码规则,供参考:1.产品分类码:为了方便管理不同类型的产品,可以根据产品的特性、用途、材料等进行分类,并为每个分类赋予唯一的标识码。
例如,01表示电子产品,02表示家居用品,03表示服装等。
2.产品系列码:一些产品可能会有多个系列,每个系列有不同的特点或功能。
为了区分不同系列的产品,可以在产品编码中加入系列码。
例如0表示基础系列,1表示高级系列,2表示豪华系列等。
3.产品型号码:产品型号是唯一的,用来标识具体的产品规格和配置。
可以将产品型号编码规则分为字母+数字的组合。
字母部分表示产品的大类或属性,数字部分表示具体的规格或配置。
4.批次码:对于大批量生产的产品,为了追踪和管理,可以将产品按照批次进行编码。
每个批次可以有唯一的标识码,例如A001、A002等。
5.时间码:为了记录产品的生产时间或更新时间,可以在产品编码中加入时间信息。
例如,产品编码的后几位可以表示年份、月份、日期或生产顺序,以便更好地管理和追踪产品。
6.版本码:一些产品可能存在不同的版本,为了区分不同版本的产品,可以在产品编码中加入版本码。
例如,V1表示第一版,V2表示第二版等。
7.区域码:如果产品销售范围涉及多个地区或国家,可以在产品编码中加入区域码,用来标识产品销售的地区或国家。
8.终端码:一些产品会直接面向消费者销售,可以在产品编码中加入终端码,用来标识产品的销售渠道或终端。
以上是一些常见的产品编码规则,根据企业的具体需求和产品特点,也可以自行设计或添加其他编码规则。
在确定产品编码规则后,需要对相关人员进行培训和宣传,确保规则的合理性和正确性,并建立相应的产品编码管理制度,以确保编码的统一性和准确性。
同时,还需要建立相应的产品编码数据库,并通过信息系统进行管理和查询,以提高产品管理的效率和可靠性。
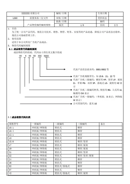
产品编码规则版本记录:1 目的使全体员工了解公司产品编码规则及编码中相应代码含义,便于产品编码的统一管理。
2 参考文件《产品标识和可追溯性控制程序》3 适用范围公司内部用于产品方面的所有整机、单机、包装、组件、原材料及外加工产品。
4 产品编码规则4。
1 产品编号构成(特征:第1位代码3)①②③④①前2位数字表示结构类别代码(整机、单机、包装)具体如下:30代表:整机31代表:单机32代表:包装XX代表:为可拓展码段,暂时留用。
②第3位数字表示名称类别代码(如:氧气机,呼吸机)具体如下:1代表:氧气机2代表:呼吸机X:为可拓展码段,暂时留用。
③第4、5位的XX表示第三分类号(例如:整机中的某种型号或组件中的某一特征)XX具体含义如下:oo机:XX代表最大流量,例如03代表3LPM,05代表5LPM.aa机:XX代表最大压力,例如20代表20cmH2O,25代表25cmH2O。
XX代表:为可拓展码段,暂时留用.④最后4位的XXXX表示产品设计序列号4.2 组件编号构成(特征:第1位代码为4)①②③④①前2位数字表示结构类别代码(组件)具体如下:40代表:生产组件41代表:售后组件XX代表:为可拓展码段,暂时留用。
②第3位数字表示名称类别代码,(如:oo,aa)具体如下:1代表:oo2代表:aaX:为可拓展码段,暂时留用.③第4、5位的XX表示第三分类号(例如:表示组件中的某一特征组件)01代表:oo机分子筛罐组件02代表:oo机储氧罐组件03代表:压缩机组件05代表:机加气控阀组件06代表:前壳组件07代表:后壳粘贴组件08代表:底座组件09代表:进气罐组件10代表:、排气罐组件11代表:罩壳组件21代表:风扇组件22代表:分子筛罐组件24代表:反吹管路组件25代表:线路板组件XX:为可拓展码段,暂时留用④最后4位的XXXX表示:序列号.4.3 原材料编码规则(特征:第1位代码为5,6或7)XX X XX XXXX (9位数字组成)①②③④①前2位数字表示结构类别代码(专用原材料,常规采购原材料或外协加工件)具体如下:50代表:专用原材料60代表:常规采购原材料70代表:外协加工原材料XX代表:为可拓展码段,暂时留用②前3位数字表示:原材料第一分类后更细化的第二分类序号501表示:oo机专用件;601表示:电器;602表示:超领核销;604表示:接头;605表示:塑料件;606表示:其它材料;具体实例如下:③前五位数字表示:更细化的第三分类序号50专用件细分如下:其它为可拓展码段,暂时留用;60常规采购原材料细分如下:其它为可拓展码段,暂时留用;70外协加工原材料细分如下:其它为可拓展码段,暂时留用;具体详细内容可参考《料代码清单》④最后4位的XXXX表示:序列号5 产品、组件和原材料编码举例例1:301030005表示:产品设计序列号为0005的3LPMoo机整机例2:301050020表示:产品设计序列号为0020的5LPMoo机整机例3:311030006表示:产品设计序列号为0006的3LPMoo机单机。
一、
产品编码原则 1、编码规则:
此次成品编码以最新版的人民价目表为基础,对每种产成品进行唯一性编码,码长10位。
规则如下:
2、型号段处理:
编码除依照价目表外,还需参照成品仓库月底结存表,对产品型号段进行细分,体现在产品流
3、编码举例:
成品 继电器 LR1-D 热继电器
LR1-D09308 3A 料件类型 产品大类 产品中类 产品小类 产品流水码
4、填零法:
此次对产品均采用统一格式编码,有部份产品分类少还未到流水码即到末级,此时采用中间填零的方法补充,满足10位要求,例如价目表第83页中产品TDGC2J-4K 编码如下:
5、字符:
产品名称和型号的录入中,中文用简体中文,标点符号、空格、英文、数字全部用半角。
二、编码分类对照表
第一码:料件类型
成品 调压器 TDGC2J(TDGC)TDGC2J-4K
后边的码位参照2004版人民价目表和成品结存表依次编码。
精品--
产品编码规则
为新的软件实行做出以下编码的改动一、市场编码
以前的编码是由:( 001 01 10 00001 )共12位数组成。
↓↓↓↓
(厂家号)(大类编码)(二级编码)(产品编码)
现在的编码改为:( 001 1 10 01 + 00 )
↓↓↓↓↓
(厂家号)(大类编码)(二级编码)(产品编码)(颜色代码)
单款单色SKU:001 1 10 01 八位
单款多色SKU:001 1 10 01+00(颜色)共十位
二、编码
以前的编码是由:( 1 10 001 )共6位数组成。
↓↓↓(大类编码)(二级编码)(产品编码)
现在的编码改为:( T01 (淘宝) 1 10 01 + 00 )↓↓↓↓↓(供应商)(大类编码)(二级编码)(产品编号)(颜色代码)单款单色SKU:T01 1 10 01 八位
单款多色SKU: T01 1 10 01+00(颜色)共十位
三、产品颜色由样品管理统一制定,如销售有新的颜色要与样管沟通再由样管统一添加。
五、附颜色表、分类表各一份。
精品--。
产品说明书编码规则1.引言本文档旨在规范产品说明书的编码规则,确保统一性和准确性。
编码规则将帮助我们更好地管理和识别产品说明书,提高工作效率。
本规则适用于所有产品说明书的编写和标识。
2.编码规则2.1 通用规则每份产品说明书应具有唯一的编码。
编码应由数字和字母组成,不区分大小写。
编码中不允许使用特殊字符或空格。
编码长度不得超过10个字符。
产品说明书的编码应与实际产品一致或相关。
2.2 分类编码为了更好地管理产品说明书,我们将根据产品的属性和类型进行分类编码。
以下是常见的分类编码:P:代表产品。
P:代表产品。
P:代表产品。
S:代表服务。
S:代表服务。
S:代表服务。
A:代表配件。
A:代表配件。
A:代表配件。
M:代表材料。
M:代表材料。
M:代表材料。
C:代表组件。
C:代表组件。
C:代表组件。
根据产品的具体分类,我们可以在上述分类编码后添加更具体的字母或数字,以进一步标识产品。
例如:PA:代表产品配件。
PA:代表产品配件。
PA:代表产品配件。
AC:代表组件材料。
AC:代表组件材料。
AC:代表组件材料。
SM:代表特定服务的材料。
SM:代表特定服务的材料。
SM:代表特定服务的材料。
2.3 日期编码我们建议在产品说明书的编码中包含日期信息,以标识其创建或更新时间。
日期编码可采用下列格式之一:___:年月日。
___:年月日。
例如:Pxxxxxxxx:产品说明书创建于2022年1月1日。
Pxxxxxxxx:产品说明书创建于2022年1月1日。
Pxxxxxxxx:产品说明书创建于2022年1月1日。
S220101:服务说明书创建于22年1月1日。
S220101:服务说明书创建于22年1月1日。
S220101:服务说明书创建于22年1月1日。
3.示例为了更好地理解编码规则的应用,我们提供以下示例:P12345:产品编号为12345的产品。
P12345:产品编号为12345的产品。
P12345:产品编号为12345的产品。
一、目的:
使全体员工了解公司产品编码规则及编码中相应代码含义,便于产品编码的统一管理;
二、适用范围:
公司内部所有出厂产品的编码;
三、产品编码规则:
□□□□□□□□□□□
机器编号【3位】
总装班组号【1位】
生产日期(年月日)【4位】
机型编号【3位】
1、机型编码:每种规格机型对应唯一编码(见附表)
第1位:不同系列产品编号
第2-3位:该系列下产品不同规格编号
2、生产日期编号:
第4位:年份(1,2,3,4,5,6,7,8,9,A,B,C,D,E,F,G,H,I,J,K….)(示例:17年为H,18年为I)
第5位:月份(1,2,3,4,5,6,7,8,9,A,B,C)(示例:A为10月份)
第6-7位:日期(正常10进制数字代表日期)
3、总装班组号:
第8位:P(彭连辉),S(宋永泉),G(郭习清),L(李宏亮),Z(郑恩选)
4、机器编号:
第9-11位:001,002….流水编号
5、举例说明:
编码:101H916P001 (第一个系列中第一种产品于2017年9月16日由彭连辉当日生产的该规格第一件产品)
附件:机型编码对照表。
一、【目的】
为了方便识别物料和成品,完善企业ERP信息管理。
二、【范围】
企业内部使用。
三、【权责】
编码规则一经制定,企业各单元部门严格遵守。
ERP实施有责任保持编码唯一性。
四、【产品编码】
1.1 物料编码规则
服饰生产物料分主料和辅料
编码由数字和字母组成:物料总类代码、主要属性代码、物料子类代码、流水号组成。
□□□□□□
流水号
物料子类代码
主要属性代码
物料总类代码
1.1.1 物料总类代码:主料分面布类等,辅料分标类、拉链、钮扣和装饰扣、配饰、包装、外协等。
1.1.2 主要属性代码:依物料属性表示,原则上不另外增加,不能分类的物料统一归于最后一
个代码。
1.1.3 流水号以001开始到999,若不够后才可以用字母a、b、c等延续。
1.1.4 物类编码分类统一规定,方便识别,物类子类代码不可分类过多,以表格中罗列的分类
为基准,如有增加按顺序编写。
1.2成品款号档案及部件编码规则
由款号、款名等组成,分类大货和样衣,样衣类分开发样、客户样。
1.2.1 款号:由客户国家和简称和款名组成,具有唯一性,增加后不可修改。
1.2.2 款名:使用中可以修改名字,款名是款号的附加说明。
1.2.3 批次:同一款号当年有出货批次不同,有第一批,第二批,第三批等,以款号-1,款号-2,款号-3表示。
1.3 ERP订单编码规则(自动)
说明:D1605-030订单名称前面D表示订单的类别,1605表示2016年5月份,030是顺序号。
玩具产品编码规则为规范公司产品名称同时能更好的对产品相关资料进行查询,现针对产品编号进行如下要求:总说明:产品编码为12位数字;由6个字段位组成,包括产品销售渠道(1位)、生产年份(1位)、产品形象(3位)、产品功能(2位)、产品特征(3位)、产品尺寸(2位)。
一、字段位详解如下:字段位一:代表产品销售渠道;内销及外销产品分别取不同编号(具体哪个渠道以销售人员初衷所定)编码位数为1位。
代码明细如下:内销:{网上销售:—1{实体销售:—2外销:{外销产品—3字段位二:代表年份,编码位数为1位。
例:2012年—2,2013年—3,每10年轮回一次。
字段位三:代表产品形象,编码位数为三位数。
如下表中老虎为3,则编码中具体为003,备注:057系列指不可分解的成套产品。
如一套风铃包括4种动物形象,而必须成套销售的。
字段位四:代表产品类型/功能/用途,编码为两位数,作为形象的一个附属字段,代码如下:注:每新增加一种流水编写即可字段位五:代表产品特征,编码为三位数字,因为同一个形象同一个系列会超过99款产品,所以取三位数为佳。
产品特征作为形象的一个附属字段,流水编写即可。
字段位六:代表产品尺寸,编码位数为两位,直接用产品尺寸表示,单位为厘米,如一款8cm的产品,编码为“08”,一款30cm的产品,在编码里面则表示为“30”,超过1m的产品编码定为“00”。
二、编号规则:为以上每个字段相加,如2012年3月开发一款内销网上销售尺寸为25cm熊手偶系列产品,则编码为120050900125本编号规则自2012年4月11日起开始执行,新开发产品统一按新编号规则执行。
原有的老产品下返单时,重新按新的编号规则进行编号,原编号自动作废。
一、产品编号登记的时间确定将产品加入公司经营范围后第一时间; 对于开发的新产品, 在决定开发后, 设计工作开始进行以前。
二、产品编号的制定规则产品编号是与产品有关的资料编号的基础. 每种产品都采用唯一的五位数字编号,产品编号的制定遵循以下原则:1、产品编号的前两位为该产品报关使用的8位商品编码的第3位和第4位。
例如:劈木机类产品报关使用的8位商品编码为8465 9600,此商品编码的第3位和第4位为65, 因此劈木机类产品的编号为65XXX。
2、对于8位商品编码第3位和第4位完全相同的两种产品, 其产品编号的前2位相同,通过产品编号的后3位进行区分,例如:劈木机类产品报关使用的8位商品编码为8465 9600,此商品编码的第3位和第4位为65;砂带/砂盘机类产品报关使用的商品编码为8465 9300, 此商品编码的第3位和第4位也为65。
通过产品编号的后3位对这两类产品进行区分,将劈木机类产品的编号设定为65500到65599;而砂带/砂盘机类产品的编号设定为65300到65499。
3、登记占用产品编号时, 尽量在两个相邻的产品编号之间留有一定的编号空间, 以便将来新产品出现后, 可以利用这些空白的编号,将新产品插入到产品编号表中适当的位置。
例如: 5吨37cm劈木机的产品编号为65560,与其相邻的5吨52cm劈木机的产品编号为65562,两者之间留有编号65561没有占用, 假设将来出现5吨45cm的一种新型劈木机,可以将产品编号65561分配其使用,这样保证了各种产品在产品编号表中的位置系统、合理.三、新产品临时编号1、对于可能进行开发的新产品, 在未决定正式开发以前, 暂时采用临时产品编号组织、保存有关资料。
临时产品编号为“1位大写英文字母P + 2位数字(8位商品编码第3位和第4位) + 2位数字顺序号“2、采用临时产品编号的新产品一旦决定开发,即确定其产品编号,并将有关资料转换为以正式产品编号为基础进行保存.四、产品编号的登记1、“外贸信息管理系统”正式实施以前, 暂时使用Excel表格形式手工登记。
一、【目的】
二、【范围】
三、【权责】
四、【产品编码】
4.1 零件编码规则
由11位数字组成:物料类别代码(2位)、零件属性代码(3位)、流水号(6位)组成。
□ □□□□□□口□□口
L__________________ 流水号
I ___________________________________ 零件属性代码
------------------------------------------- 物料类别代码
4.1.1物料类别代码:依物料材料特性用2位数表示。
4.1.2零件属性代码:依零件属性用3位数进行表示,第1位表示大类,第2、3位表示仪细类。
4.2成品及部件编码规则
由14位数字组成:物料类别代码(2位)、产品属性代码(3位)、产品设计顺序号(3位)、变型设计代码3位)、部件代码(3位)组成。
□□□□□□□□□□□□□口
「—匚二------------- 部件代码
变型设计代码设计顺序号(产品类别代码)
____________________________________ 产品属性代码
------------------------------------------- 物料类别代码
4.2.1物料类别代码:成品为 90-99的2位数以与零件代码进行区别。
4.2.2产品属性代码:依产品使用车辆种类及仪表属性用
3位数进行表示,第1位表示车辆种
类,第2、3位表示仪表功能属性。
4.2.4设计顺序号:在同一产品属性的产品中, 按产品的设计先后顺序,用两位阿拉伯数字(001 —999)表示。
4.2.5 变型设计代码
在原有产品中,当产品的主体结构、外形控制尺寸、硬件安装尺寸不变的前提下, 仅对某些局部形状、尺寸改变或某些参数作改变而构成一个相同系列不同机种的新产品 时,该新产品的型号应在原有产品型号的基础上编制变型设计代码,用两位阿拉伯数字 (001 — 999)表示。
A 、虽然产品的主体结构、外形控制尺寸、硬件安装尺寸均未变,但首次改变任何工作
参数;
B 、 软件性质的改变(如:总线);
C 、 正面可视区域的版面布置改变(如:屏板窗口的改变、表头数量的增减) ;
D 、 装饰圈的改变(如:装饰圈形状的改变、装饰圈颜色的改变)
;
E 、 接插件的改变(如:接插件的形状、大小的改变,各个端子的功能定义改变)
;
F 、复位杆的改变(如:复位杆位置的移动、复位杆数量的增减长度或形状改变)
;
G 指针的改变(如:指针形状的改变、 长度的改变、导光形式的改变、
颜色的改变)
H 、 改变工作参数(软件内容的改变、速比的改变、量程的改变、磁钢极数的改变)
4游艇用 (Y )
001 002 003 004 -FP-
心,
005 :线束,
006 :档显,
007 :线路板部件, 008:电子时钟等。
里程机芯, 转速机芯 燃油表机芯
电子转速机
14温度表9其它(T )
I、软件内容的改变(烧录程序的改变);
J、改变面板的外观(量程的改变、颜色的改变)。
426部件代码:000代表总成固定不变,其余部件按3位流水号,不作硬性规定,推荐优先米用下表
4.3产品型号编制示例:
4.4 产品型号的归口与管理
4.4.1产品型号的编制由技质部归口,并指定专人管理和维护;
4.4.2技质部应建立《产品型号档案卡》,对公司所有产品的产品型号进行管理和备案保存。
五、【相关文件】
《文件与记录控制程序》
《产品质量先期策划控制程序》
六、【相关记录】
《产品型号档案卡》
编制:审核: 批准。