产品编码规则
- 格式:doc
- 大小:94.50 KB
- 文档页数:6
ERP产品及物料编码规则ERP是企业资源计划的缩写,是为了帮助企业管理各项资源,提高效率和盈利能力而开发的软件系统。
在ERP系统中,对产品及物料进行编码是非常重要的环节,它能够标识和管理企业的产品和物料,为企业的运营提供支持,并帮助企业实现更高的效率和准确性。
这里将详细介绍ERP产品及物料编码规则。
一、产品编码规则产品编码是根据产品的特征和属性进行编制的一套标识代码。
产品编码规则需要根据企业的实际情况和需求进行制定,但一般会采用以下原则:1.层次性原则:产品编码要有层次感,能够体现出产品的分类和组织结构。
一般会根据产品的大类、中类和小类进行编码,不同类别的产品有不同的编码段。
2.统一性原则:产品编码要在全企业范围内统一使用,避免出现重复和混淆。
编码需要在企业内部进行规范和管理,确保所有相关人员都能正确理解和使用。
3.可读性原则:产品编码要简洁明了,便于人员直观理解和记忆。
可以采用数字、字母和特殊字符进行编码,同时可以结合产品的关键特征进行编码。
4.扩展性原则:产品编码要考虑到企业未来的发展和新产品的增加。
编码规则应具备一定的扩展性,能够方便地添加新的编码段和位数。
物料编码是对企业的所有物料进行的编码,包括原材料、零部件、半成品和成品等。
物料编码规则可以参考产品编码规则,但需要根据物料的特点和用途进行适当的调整。
以下是物料编码规则的一些要点:1.层次性原则:物料编码也需要有层次感,能够区分不同的物料层级。
一般会根据物料的用途、类别和规格等进行编码。
不同级别的物料有不同的编码段。
2.统一性原则:物料编码要在全企业范围内统一使用,避免出现重复和混淆。
编码需要在企业内部进行规范和管理,确保所有相关人员都能正确理解和使用。
3.可读性原则:物料编码也要简洁明了,便于人员直观理解。
可以采用数字、字母和特殊字符进行编码,同时可以结合物料的关键特征和属性进行编码。
4.扩展性原则:物料编码也要考虑到企业未来的发展和新物料的增加。
产品编码规则产品编码规则是用于管理和标识不同产品的编码规则,是企业和贸易公司用以管理和查询商品信息的重要手段。
产品编码的设计不仅体现企业的管理能力,同时也是构成企业信息化系统的重要组成部分,它不仅反映了企业产品编码结构,还赋予了企业库存管理、财务统计等有价值的信息数据。
二、产品编码规则1、编码位数产品编码常用格式为有规律的字母、数字或字母和数字组合。
通常情况下,编码位数一般不少于10位,其中前6位按照企业产品编码结构设计,后4位根据实际情况随机编码。
2、编码规则(1)第一位代表款式,如服装款式采用“A、B、C、D”等字母;如家电款式采用“1、2、3、4”等数字;(2)第二位代表款式所属的大类,即款式的产品类别;(3)第三位代表货号,是为了区分属于同一大类的不同款号,比如服装中的衣款和裤款;(4)第四位代表颜色,以色彩为例,比如白色用W表示,灰色用G表示;(5)第五位按照款式中尺码进行编码,比如尺码大小用XS、S、M、L、XL等;(6)第六位以及后边的编码,则根据实际情况随机编码。
三、产品编码的重要性1、节省财务成本由于产品编码的明确性,对企业的财务管理节省了许多成本。
不仅可以使企业更快更准确地完成财务核算,而且还可以减少企业报销及仓储管理成本。
2、提高企业管理水平通过产品编码规则可以有效将企业的货品管理统一归类,可以提高企业的管理水平,减少混乱的成本,最终使企业的运作更加高效。
3、丰富企业历史数据产品编码规则也可以为企业提供历史数据,比如企业的采购历史,库存历史。
记录和收集这些数据可以为企业更好地未来发展提供参考依据。
四、总结从以上可以看出,产品编码规则对于企业来说非常重要,从企业财务管理、管理水平以及企业未来发展来说都有着非常重要的作用。
如果企业想要更好的发展,就要重视产品编码规则的设计和使用。
商品编码规则一、编码规则我们看前四位就能判断是哪类产品)按产品编码顺序按001-999编制。
通过商品流水号最后一位的单双数来区分男女性别:单数为[男士],双数为[女士]。
五、品类代码配件00A钱包;00B相机包;00C挎包001单肩包;002登山包;003公文包;004小圆桶包;005腰包;006旅行包;007手挽袋;008双肩背包;009CD 包010护大腿;011护小腿;012护腕;013护额;014护膝;015护指;016护踝;017护肘;018汗巾020太阳帽;021运动帽;022针织帽030针织围巾;031瑶粒围巾;035手套;036三件套;037两件套040长袜;041短袜;042毛圈袜050网球拍;051乒乓球;052羽毛球拍060足球;061排球;062篮球;063乒乓球070手带拍;071头带;072促销品097防臭剂;098多功能鞋垫;099其他五、品类代码鞋类200专业篮球;201训练篮球;202普通篮球;203复古篮球210专业跑鞋;211常规跑鞋;212轻便跑鞋;213马拉松跑鞋;214越野跑鞋;215登山鞋220乒乓鞋;221网球鞋230专业足球鞋;231足球训练鞋240综合训练250帆布鞋;251高底休闲鞋;252复古休闲鞋;253时尚休闲鞋;254商务休闲鞋;255沙滩凉鞋;256拖鞋260时尚板鞋;261复古板鞋299其他五、品类代码服装500背心;501马夹;505连帽卫衣;506单卫衣510V领长T ;511翻领长T;512圆领长T;513V领短T;514翻领短T;515圆领短T520单夹克;521经编夹克;522棉衣;525毛衣530单风衣;531经编风衣;532摇粒风衣;533长棉衣540薄棉衣;541厚棉衣;542中棉褛;543长棉褛550短羽绒服;551长羽绒服;552羽绒中褛;553羽绒长褛;558羽绒服560针织短套;561针织长套;562针织套裙;565篮球套服;566足球套服570单风衣套服;571经编套服;572摇粒套服;573长棉衣套服580短裤;581五分裤;582七分裤;583九分裤;584单长裤;585经编长裤;586摇粒长裤;587棉长裤;588针织长裤590网球裙;591经编棉衣;592摇粒棉衣;593针织休闲服;594经编棉裤;595摇粒棉裤;596摇粒棉套服;597经编棉套服;599其他。
产品编码规则版本记录:1 目的使全体员工了解公司产品编码规则及编码中相应代码含义,便于产品编码的统一管理。
2 参考文件《产品标识和可追溯性控制程序》3 适用范围公司内部用于产品方面的所有整机、单机、包装、组件、原材料及外加工产品。
4 产品编码规则4。
1 产品编号构成(特征:第1位代码3)①②③④①前2位数字表示结构类别代码(整机、单机、包装)具体如下:30代表:整机31代表:单机32代表:包装XX代表:为可拓展码段,暂时留用。
②第3位数字表示名称类别代码(如:氧气机,呼吸机)具体如下:1代表:氧气机2代表:呼吸机X:为可拓展码段,暂时留用。
③第4、5位的XX表示第三分类号(例如:整机中的某种型号或组件中的某一特征)XX具体含义如下:oo机:XX代表最大流量,例如03代表3LPM,05代表5LPM.aa机:XX代表最大压力,例如20代表20cmH2O,25代表25cmH2O。
XX代表:为可拓展码段,暂时留用.④最后4位的XXXX表示产品设计序列号4.2 组件编号构成(特征:第1位代码为4)①②③④①前2位数字表示结构类别代码(组件)具体如下:40代表:生产组件41代表:售后组件XX代表:为可拓展码段,暂时留用。
②第3位数字表示名称类别代码,(如:oo,aa)具体如下:1代表:oo2代表:aaX:为可拓展码段,暂时留用.③第4、5位的XX表示第三分类号(例如:表示组件中的某一特征组件)01代表:oo机分子筛罐组件02代表:oo机储氧罐组件03代表:压缩机组件05代表:机加气控阀组件06代表:前壳组件07代表:后壳粘贴组件08代表:底座组件09代表:进气罐组件10代表:、排气罐组件11代表:罩壳组件21代表:风扇组件22代表:分子筛罐组件24代表:反吹管路组件25代表:线路板组件XX:为可拓展码段,暂时留用④最后4位的XXXX表示:序列号.4.3 原材料编码规则(特征:第1位代码为5,6或7)XX X XX XXXX (9位数字组成)①②③④①前2位数字表示结构类别代码(专用原材料,常规采购原材料或外协加工件)具体如下:50代表:专用原材料60代表:常规采购原材料70代表:外协加工原材料XX代表:为可拓展码段,暂时留用②前3位数字表示:原材料第一分类后更细化的第二分类序号501表示:oo机专用件;601表示:电器;602表示:超领核销;604表示:接头;605表示:塑料件;606表示:其它材料;具体实例如下:③前五位数字表示:更细化的第三分类序号50专用件细分如下:其它为可拓展码段,暂时留用;60常规采购原材料细分如下:其它为可拓展码段,暂时留用;70外协加工原材料细分如下:其它为可拓展码段,暂时留用;具体详细内容可参考《料代码清单》④最后4位的XXXX表示:序列号5 产品、组件和原材料编码举例例1:301030005表示:产品设计序列号为0005的3LPMoo机整机例2:301050020表示:产品设计序列号为0020的5LPMoo机整机例3:311030006表示:产品设计序列号为0006的3LPMoo机单机。
有限公司 技术文件产品编码规则1. 目的和适用范围为了规范产品的一致性,完善公司产品编码制度,特制定本规则,本规则规定了摩托车、零部件等产品的编码编制方法。
本规则适用于本公司从接收至生产、交付的所有环节的产品。
2. 职责2.1 研发部负责此规则的修订,完善。
2.2 其他部门按此规则使用产品编码。
3. 具体编码说明 3.1 整车成品编码说明。
3.1.1 整车成品编码由下列两种情况组成: 3.1.1.1 车型的型号组成,具体分解如下:HJ 125 T - A设计序号 类型代号 发动机名义排量品牌代号各组成部分说明:a. 品牌代号:HJ 代表; HD 代表,依此类推。
b. 发动机名义排量:此部分为车型所配发动机的名义排量,如50、125等。
c. 类型代号:此部分为车型所属分类状态,省略不写的表示普通车;T 表示踏板车;QT 表示二轮轻便踏板车;J 表示警车等。
d. 设计序号:公司设计车型的顺序代号,序号为1时省略。
3.1.1.2 车型的型号+状态代码组成,如HJ125-4-ZY ,表示HJ125-4车型的追云款,HJ100-4-XL ,表示HJ100-4车型的有行李箱状态等等。
3.2 发动机成品编码说明。
3.2.1发动机编码由下列几部分组成:编号:版本号:1修改号:0 受控标记: 第1页 共6页H 157FMI-2 - 00 00 0 00拓展位其他状态代码颜色状态代码发动机款式代码发动机型号品牌代码各组成部分说明:a. 品牌代码:H代表;D代表,依此类推。
b. 发动机型号:按现有机型型号表示,此部分为8位数,不足时以0在机型型号前补齐,如157FMI表示为00157FMI,依此类推。
c. 发动机款式代码:见附录1《发动机款式代码表》。
d. 颜色状态代码:见附录2《颜色状态代码表》。
e. 其他状态代码:见附录3《其他状态代码表》。
f. 拓展位:用于以后的发展。
3.3 零部件编码说明。
3.3.1 零部件编码由下列三部分组成:×××××- ×××××- ×××××拓展位其他状态代码颜色状态代码零件厂商代码改型序号代码设计序号发动机代码品牌代码零部件代码第一部分说明:a. 零部件代码:统一使用五位数代码。
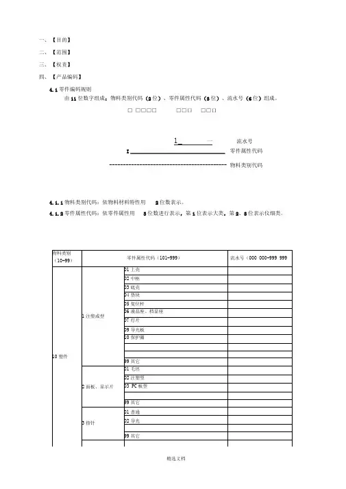
一、【目的】二、【范围】三、【权责】四、【产品编码】4.1零件编码规则由11位数字组成:物料类别代码(2位)、零件属性代码(3位)、流水号(6位)组成。
□ □□□□□□口□□口1_ 一流水号I__________________________________ 零件属性代码------------------------------------------- 物料类别代码4.1.1物料类别代码:依物料材料特性用2位数表示。
4.1.2零件属性代码:依零件属性用3位数进行表示,第1位表示大类,第2、3位表示仪细类。
4.2成品及部件编码规则由14位数字组成:物料类别代码(2位卜产品属性代码(3位卜产品设计顺序号(3位卜变型设计代码3位)、部件代码(3位)组成。
□□□□□□□□□□□_□□口'―「1~------------- 部件代码------ ---- --------- 变型设计代码__________________________ 设计顺序号(产品类别代码)____________________________________ 产品属性代码----------------------------------------- 物料类别代码4.2.1物料类别代码:成品为90-99的2位数以与零件代码进行区别。
422产品属性代码:依产品使用车辆种类及仪表属性用3位数进行表示,第1位表示车辆种类第2、3位表示仪表功能属性。
4.2.4设计顺序号:在同一产品属性的产品中,按产品的设计先后顺序,用两位阿拉伯数字(001 —999)表示。
4.2.5变型设计代码在原有产品中,当产品的主体结构、外形控制尺寸、硬件安装尺寸不变的前提下, 仅对某些局部形状、尺寸改变或某些参数作改变而构成一个相同系列不同机种的新产品时,该新产品的型号应在原有产品型号的基础上编制变型设计代码,用两位阿拉伯数字(001 —999)表示。
玩具产品编码规则为规范公司产品名称同时能更好的对产品相关资料进行查询,现针对产品编号进行如下要求:总说明:产品编码为12位数字;由6个字段位组成,包括产品销售渠道(1位)、生产年份(1位)、产品形象(3位)、产品功能(2位)、产品特征(3位)、产品尺寸(2位)。
一、字段位详解如下:字段位一:代表产品销售渠道;内销及外销产品分别取不同编号(具体哪个渠道以销售人员初衷所定)编码位数为1位。
代码明细如下:内销:{网上销售:—1{实体销售:—2外销:{外销产品—3字段位二:代表年份,编码位数为1位。
例:2012年—2,2013年—3,每10年轮回一次。
字段位三:代表产品形象,编码位数为三位数。
如下表中老虎为3,则编码中具体为003,备注:057系列指不可分解的成套产品。
如一套风铃包括4种动物形象,而必须成套销售的。
字段位四:代表产品类型/功能/用途,编码为两位数,作为形象的一个附属字段,代码如下:注:每新增加一种流水编写即可字段位五:代表产品特征,编码为三位数字,因为同一个形象同一个系列会超过99款产品,所以取三位数为佳。
产品特征作为形象的一个附属字段,流水编写即可。
字段位六:代表产品尺寸,编码位数为两位,直接用产品尺寸表示,单位为厘米,如一款8cm的产品,编码为“08”,一款30cm的产品,在编码里面则表示为“30”,超过1m的产品编码定为“00”。
二、编号规则:为以上每个字段相加,如2012年3月开发一款内销网上销售尺寸为25cm熊手偶系列产品,则编码为120050900125本编号规则自2012年4月11日起开始执行,新开发产品统一按新编号规则执行。
原有的老产品下返单时,重新按新的编号规则进行编号,原编号自动作废。
产品编码规则为使产品编码更直观清晰,更容易区分并查找,新产品编码原则上共设五个字段:XX.XX.XX.XX.XXX产品类别供应商识别代码汽车品牌车型年份/配件(以上规则成套产品的代码的第四个字段使用“年份”,若该产品是该类产品的某个部件时,第四个字段使用“配件”代码“PT”)通用产品可以省去汽车品牌字段、车型字段以及年份字段,一级代码后面可增加子类别字段序号进行细分。
产品类别分为:1.导航一体机,一级代码:DH2.前(后)视行车记录仪,一级代码:DV3.单倒车摄像头,一级代码:VC4.360全景行车辅助,一级代码:3605.解码器,一级代码:JM6.大屏专用机,一级代码:ZY7.外观件,一级代码:W,序号:01(中网),02(脚踏板),03(扰流板),04(护板),05(包围套件),06(迎宾灯),07(轮毂),08(排气、尾喉)09(电动尾门)10(后视折叠镜),11。
(扩展)例如:中网一级代码为 W01,脚踏板一级代码为 W02 。
8.辅件,一级代码:FC,序号:01(地图卡)、02(触摸屏)、03(支架)、04(面框)、05(扩展)。
9.后座娱乐显示屏,一级代码:TZ10.功能选配模块,一级代码:M,序号:DX(DVD碟盒类),DH(导航),TV(电视),BT(蓝牙),CJ(手机互联)等。
例如:DVD碟盒类一级代码为:MDX11.精品类,一级代码:JP,序号:01(脚/坐垫),02(钥匙包/扣),03(抱枕),04(CD),05(车模),06(扩展)。
12.其它类,一级代码:QT汽车品牌分类为:奔驰,代码:MB;奥迪,代码:MD;沃尔沃,代码:VO;凯迪拉克,代码:CD;路虎,代码:LR;捷豹,代码:JG;宝马,代码:BM;雷克萨斯,代码:LS示例:奔驰新B/C一体机编码为:DH.MB.B.15.001奔驰新E中网编码为: W01.MB.E.15.002通用DVD单碟编码为: MDX.003以上示例中“001”“002”“003”为供应商代码。
一物一码编码规则
一物一码的编码规则通常由一串数字和字母组成,用以唯一标识一个物品或产品。
这些编码规则具有唯一性、可追溯性、防伪性等特点,方便对物品进行跟踪和管理。
一般来说,一物一码编码规则包括以下几个方面:
1.编码长度:一物一码的编码长度通常为12位或13位,其中包
括了国家码、厂家码和产品码。
2.编码结构:一物一码的编码结构通常由以下几个部分组成,分
别是国家码、厂家码、产品码和校验码。
其中,国家码和厂家
码是固定的,分别表示不同国家和生产厂家,而产品码则是唯
一的,表示具体的物品或产品。
校验码则是用来校验整个编码
是否正确的。
3.编码唯一性:一物一码编码的规则要求每一个物品的编码必须
是唯一的,不能出现重复。
这有助于确保物品的唯一性和可追
溯性。
4.编码可读性:一物一码编码应易于人工阅读和录入,同时也方
便机器识别和解析。
在设计和制定编码规则时,需要考虑到这
些因素,以确保编码的可读性和易用性。
5.编码稳定性:一物一码的编码规则必须稳定,不能频繁变动。
这有助于保持编码的唯一性和可追溯性,同时也有利于降低管
理和维护成本。
6.防伪性:一物一码的编码规则通常采用一定的技术手段,以提
高编码的防伪性能。
例如,可以采用加密算法对编码进行加密
处理,以防止被伪造或篡改。
总的来说,一物一码的编码规则需要根据具体的应用场景和需求来制定,以确保编码的唯一性、可追溯性、防伪性等特点的实现。
同时,也需要考虑到编码的可读性和易用性,以及管理和维护成本等因素。
一、目的:
使全体员工了解公司产品编码规则及编码中相应代码含义,便于产品编码的统一管理;
二、适用范围:
公司内部所有出厂产品的编码;
三、产品编码规则:
□□□□□□□□□□□
机器编号【3位】
总装班组号【1位】
生产日期(年月日)【4位】
机型编号【3位】
1、机型编码:每种规格机型对应唯一编码(见附表)
第1位:不同系列产品编号
第2-3位:该系列下产品不同规格编号
2、生产日期编号:
第4位:年份(1,2,3,4,5,6,7,8,9,A,B,C,D,E,F,G,H,I,J,K….)(示例:17年为H,18年为I)
第5位:月份(1,2,3,4,5,6,7,8,9,A,B,C)(示例:A为10月份)
第6-7位:日期(正常10进制数字代表日期)
3、总装班组号:
第8位:P(彭连辉),S(宋永泉),G(郭习清),L(李宏亮),Z(郑恩选)
4、机器编号:
第9-11位:001,002….流水编号
5、举例说明:
编码:101H916P001 (第一个系列中第一种产品于2017年9月16日由彭连辉当日生产的该规格第一件产品)
附件:机型编码对照表。
商品编码规则1.规则一1)原文规则一的原文是:“类、章及分章的标题,仅为查找方便而设;具有法律效力的归类,应按品目条文和有关类注和章注确定,如品目、类注或章注无其他规定,按以下规则确定。
”2)解释与应用规则一说明了三个问题:1ST,类、章及分章的标题对商品归类不具有法律效力;2ND,具有法律效力的归类依据是品目条文、类注和章注。
3RD,归类时应按顺序运用归类依据,即先品目条文,其次是注释,最后是归类总原则。
也就是说只有在前级依据无法确定该商品归类时,才能使用下一级依据,各级依据矛盾时,应以前级为准。
●例1 牛尾毛应归入05.11。
●因查阅类、章标题,牛尾毛应归入第5章其他动物产品,查看品目条文未见牛尾毛列名,似应归入05.11其他未列名的动物产品,但是再查阅第5章章注四得知马毛包括牛尾毛,故牛尾毛庄按列名产品马毛归入05.11。
●牛尾毛●参阅类、章标题名称属其他动物产品第5章●0511税目中未提到牛尾毛按其他未列名的动物产品●查阅第5章章注四,马毛包括牛尾毛●故归入税号0511.9940●2.规则二●1)原文●“(一)品目所列货品,应视为包括该项货品的不完整品或未制成品,只要在进口或出口时该项不完整品或未制成品具有完整品或制成品的基本特征,还应视为包括该项货品的完整品或制成品(或按本款可作为完整品或制成品归类的货品)在进口或出口时的未组装件或拆散件。
”●“(二)品目中所列材料或物质,应视为包括该种材料或物质与其他材料或物质混合或组合的物品。
品目所列某种材料或物质构成的货品,应视为包括全部或部分该种材料或物质构成的货品。
由一种以上材料或物质构成的货品,应按规则三归类。
”●2)解释与应用●规则二(一)有条件地将不完整品、未制成品和散件包括在品目所列货品范围之内,仅适用于第七类到二十一类。
对于不完整品和未制成品,必须具有相应完整品或制成品的基本特征。
不完整品是指这个物品还不完整,还缺少一些东西,如汽车少了一个轮胎仍按汽车归。
商品编码规则范文一、条形码编码规则条形码是一种广泛应用于商品识别和追踪的编码方式。
常用的条码类型包括UPC、EAN和ISBN。
这些条码都是由国际条码协会(GS1)制定和管理的,它们具有一定的编码规则。
UPC(Universal Product Code):UPC码是在美国广泛使用的商品编码。
它由12位数字组成,其中前6位是厂商代码,后5位是商品代码,最后一位是校验码。
EAN(European Article Number):EAN码是在欧洲和大部分国际市场使用的商品编码。
它由13位数字组成,其中前3位是国家代码,后9位是厂商和商品代码,最后一位是校验码。
ISBN(International Standard Book Number):ISBN码是用于图书出版物的商品编码。
它由13位数字组成,其中包含国家、出版社和书号等信息。
二、自定义编码规则除了条形码,商家还可以根据自身需求制定自定义的商品编码规则。
1.通用编码规则-数字编码:可以使用一串数字来表示商品,例如001、002、003等。
这种方式简单直观,但对于大型企业和复杂产品线可能不够灵活。
-字母编码:可以使用一串字母来表示商品,例如A、B、C等。
字母编码常用于对商品进行简单分类和排序。
2.分层编码规则分层编码规则将商品按照层级进行编码,可以更加清晰地表示商品的属性和关系。
例如,一个3级编码规则可以包含以下信息:大类-小类-子类-商品。
3.组合编码规则组合编码规则可以将多个编码方式结合起来,用于表示不同的商品属性。
例如,一个组合编码规则可以由数字、字母和符号组成,其中数字表示商品分类,字母表示颜色,符号表示尺码。
三、编码规则的设计原则1.唯一性:每个商品编码都应该是唯一的,避免重复和混淆。
2.可读性:编码应该简单易读,方便人工输入和浏览。
3.可扩展性:编码规则应该考虑未来的增量增加和变化,方便管理和维护。
4.易识别:编码应该具备一定的可识别性,让人一目了然地判断商品的属性和分类。
中国的商品编码标准商品编码是指用一组阿拉伯数字标识商品的过程,这组数字称为商品编码。
它是按照一定的编码规则进行标识的。
商品编码的标准通常包含以下方面:1. 类别编码:类别编码是指按照商品的大类进行标识的编码。
例如,食品可以分为饮料、乳制品、肉类、蔬菜等类别。
类别编码可以帮助企业快速识别商品所属的大类,方便进行分类管理和统计。
2. 品种编码:品种编码是指按照商品的品种进行标识的编码。
同一类商品中,不同的品种对应的编码也不同。
例如,在饮料类别中,可乐、雪碧、芬达等不同品种的饮料都有各自的编码。
3. 规格编码:规格编码是指按照商品的规格进行标识的编码。
商品的规格包括重量、尺寸、容量等。
通过规格编码,可以快速识别商品的具体规格和尺寸,方便进行采购和库存管理。
4. 质量编码:质量编码是指按照商品的质量等级进行标识的编码。
同一类商品中,不同质量等级的商品对应的编码也不同。
通过质量编码,可以快速识别商品的质量等级,方便进行质量控制和销售管理。
5. 序列编码:序列编码是指按照商品的生产序列进行标识的编码。
同一批次生产的产品,即使类别、品种、规格都相同,其序列号也可能不同。
序列编码可以帮助企业追踪产品的生产批次和生产日期,方便进行质量控制和产品追溯。
6. 其他信息编码:除了上述几个方面的编码外,商品编码还可能包含其他相关信息,如生产厂家、进口商、产品标准号等。
这些信息对于企业进行采购、销售和库存管理都有重要意义。
总之,中国的商品编码标准是一个综合性的标准体系,包含了多个方面的信息标识。
通过使用统一的商品编码标准,可以帮助企业实现高效的产品管理、库存管理和销售管理。
同时,也有助于提高企业的信息化水平和数据质量。
产品货号编码规则
以下是 6 条关于产品货号编码规则的内容:
1. 嘿,你知道吗?产品货号编码规则就像是给每个产品发了一张独特的身份证!比如说,一个玩具的货号可能是 ABC123,这里的 ABC 就能代表它是玩具类,123 就是它的特定编号呀。
这样不就能快速清楚地识别每个产品啦?这多重要呀,不是吗?
2. 产品货号编码规则呀,那可是让一切井井有条的关键呢!就好像是在一个大仓库里给每个物品安排一个固定的位置。
举个例子,衣服的货号可以按款式、颜色来编码,当你找那件红色连衣裙时,一看到编码就知道在哪儿能找到了,多方便呀!你难道不觉得这很神奇吗?
3. 哇哦,产品货号编码规则呀,那简直就是商家和顾客的好帮手!就像是给产品画了一幅清晰的导航图。
比如一款电子产品,它的货号带有特定的标识,让人们一下子就能知道它的功能特点,这是不是超牛的呀?
4. 哎呀,产品货号编码规则可别小看了呀!它就如同是奏响产品管理的美妙乐章。
比如一组家具,通过货号编码能清楚知道是哪个系列、哪种风格的,简直太棒了对不对?
5. 嘿呀,产品货号编码规则那可是有大学问的呢!好比是给产品排兵布阵,各就各位。
像是食品的货号,能明确显示出它的类别和批次,这对质量把控多重要呀,你想想是不是?
6. 产品货号编码规则呀,这可是个厉害的玩意儿!它就像给产品穿上了一件标记清晰的外衣。
你想想看,一个数码产品,有了特定的货号编码,瞬间就和其他的区分开来了,多了不起啊!所以呀,一定要重视产品货号编码规则呀!
我的观点结论就是:产品货号编码规则对于产品管理和识别真的太重要啦,我们一定要好好去了解和运用它呀!。
第五位:代码值:1-9,代表波段,表示如下:代码 1 2 3 4 5 6 7 8 9含义春1 春2 夏1 夏2 秋1 秋2 冬1 冬2 全季第六、七位:代码值:01-99,代表大类,如茄克、西服,表示含义请见附表一;第八、九位:代码值:01-99,代表中类,如薄茄克、厚茄克,表示含义请见附表二;第十、十一、十二位:001-999,代表产品流水号;2.2 颜色号(第13位-第15位)代表含义:第十三、十四、十五位:代表值:001-999,代表颜色,请见附表三;2.3 尺码(第16位-第18位)代表含义:第十六、十七位:代表尺码,具体尺码对照表请见附表四;第十八位:第十八位为服装体型(型)代码。
定义表示如下:(CM)体型代码Y A B C体型/胸围与腰围之差数22-17 16-12 11-7 6-2附件一:服装大类与中类编码对照表品牌:七匹狼男装、蓝标、圣沃斯大类编码中类编码大类编码中类编码茄克类01单茄克01衬衫类05长袖商务衬衫01 双面茄克02 长袖休闲衬衫02 一手长茄克03 短袖商务衬衫03 休闲单西04 短袖休闲衬衫04 皮衣05 T恤类06 长袖T恤01毛衣类02 薄毛衫01 短袖T恤02 厚毛衫02外套类07羽绒01 毛背心03 棉装02西服类03 套西01 尼克服03 正装单西02 风衣04裤子类04西裤01 派克05 休闲裤02 大衣06牛仔裤03线衫08 长袖线衫01短裤04 短袖线衫02线衫背心03品牌:七匹狼女装大类编码中类编码大类编码中类编码茄克类01茄克01 衬衫类05 蓋袖07 皮衣02 公主袖08 背心03T恤类06长袖01 休闲单西04 短袖02毛衫类02粗针01 无袖03 常规针02 插袖04 细针03 蓋袖05 超细针04 九分06西服类03套西01 七分07 正装单西02 五分08 背心03外套类棉服01裤类04 小直筒0107羽绒02 直筒02 大衣03 大直筒03 派克04 微喇04 风衣05 大喇叭05线衫08长袖线衫01 小脚裤06 短袖线衫02衬衫类05 长袖01 线衫背心03 短袖02裙子09长裙01 九分03 短裙02 七分04 及膝裙03 五分05 迷你裙04 无袖06 连衣裙05 品牌:七匹狼童装大类编码中类编码大类编码中类编码茄克类01茄克01 衬衫类05 长袖衬衫01 皮衣02 短袖衬衫02 背心03T恤类06长袖T恤01 休闲单西04 短袖T恤02背心03毛衫类02 厚毛衫01外套类07 棉服01薄毛衫02 羽绒02西服类03 正装单西01 派克03 套西02 大衣04 马甲03 风衣05 休闲裤01 长裙01 牛仔裤02 短裙02裤类04 西裤03 裙子09 及膝裙03 短裤04 迷你裙04连衣裙05品牌:所有品牌组别:配饰品大类编码中类编码大类编码中类编码服饰配饰01箱类01精品配饰02眼镜类01 包类02 手表类02 钱夹类03 饰品类03 腰带类04鞋子类05袜子类06内裤类07内衣类08领带09围巾类10手套类11帽子类12品牌:所有品牌组别:生活用品大类编码中类编码大类编码中类编码化妆用品01清洁化妆品01家居用品家居用品0404家俱01基础化妆品02 卫浴用品02美容化妆品03 橱房用品03 文化用品02 办公用品01 护理用品04书籍02 雨具05音像制品03 烟具06家纺用品03 家居服01 酒具07 床品02 茶具08 毛巾03 咖啡具09 地毯04 杯子10 枱布05 工艺品11挂饰品12摆饰品13。
产品编码规则
版本记录:
1 目的
使全体员工了解公司产品编码规则及编码中相应代码含义,便于产品编码的统一管理。
2 参考文件
《产品标识和可追溯性控制程序》
3 适用范围
公司内部用于产品方面的所有整机、单机、包装、组件、原材料及外加工产品。
4 产品编码规则
4.1 产品编号构成(特征:第1位代码3)
①前2位数字表示结构类别代码(整机、单机、包装)
具体如下:
30代表:整机
31代表:单机
32代表:包装
XX代表:为可拓展码段,暂时留用。
②第3位数字表示名称类别代码(如:氧气机,呼吸机)
具体如下:
1代表:氧气机
2代表:呼吸机
X:为可拓展码段,暂时留用。
③第4、5位的XX表示第三分类号(例如:整机中的某种型号或组件中的某一
特征)
XX具体含义如下:
oo机:XX代表最大流量,例如03代表3LPM,05代表5LPM。
aa机:XX代表最大压力,例如20代表20cmH2O,25代表25cmH2O。
XX代表:为可拓展码段,暂时留用。
④最后4位的XXXX表示产品设计序列号
4.2 组件编号构成(特征:第1位代码为4)
①前2位数字表示结构类别代码(组件)
具体如下:
40代表:生产组件
41代表:售后组件
XX代表:为可拓展码段,暂时留用。
②第3位数字表示名称类别代码,(如:oo,aa)
具体如下:
1代表:oo
2代表:aa
X:为可拓展码段,暂时留用。
③第4、5位的XX表示第三分类号(例如:表示组件中的某一特征组件)
01代表:oo机分子筛罐组件
02代表:oo机储氧罐组件
03代表:压缩机组件
05代表:机加气控阀组件
06代表:前壳组件
07代表:后壳粘贴组件
08代表:底座组件
09代表:进气罐组件
10代表:、排气罐组件
11代表:罩壳组件
21代表:风扇组件
22代表:分子筛罐组件
24代表:反吹管路组件
25代表:线路板组件
XX:为可拓展码段,暂时留用
④最后4位的XXXX表示:序列号。
4.3 原材料编码规则(特征:第1位代码为5,6或7)
XX X XX XXXX (9位数字组成)
①②③④
①前2位数字表示结构类别代码(专用原材料,常规采购原材料或外协加工件)
具体如下:
50代表:专用原材料
60代表:常规采购原材料
70代表:外协加工原材料
XX代表:为可拓展码段,暂时留用
②前3位数字表示:原材料第一分类后更细化的第二分类序号
501表示:oo机专用件;
601表示:电器;
602表示:超领核销;
604表示:接头;
605表示:塑料件;
606表示:其它材料;
具体实例如下:
③前五位数字表示:更细化的第三分类序号
50专用件细分如下:
其它为可拓展码段,暂时留用;
60常规采购原材料细分如下:
其它为可拓展码段,暂时留用;
70外协加工原材料细分如下:
其它为可拓展码段,暂时留用;具体详细内容可参考《料代码清单》
④最后4位的XXXX表示:序列号
5 产品、组件和原材料编码举例
例1:301030005
表示:产品设计序列号为0005的3LPMoo机整机
例2:301050020
表示:产品设计序列号为0020的5LPMoo机整机
例3:311030006
表示:产品设计序列号为0006的3LPMoo机单机
例4:312250016
表示:产品设计序列号为0016,最高压力为25cmH2O的aa机单机
例5:701270008
表示:“外协加工原材料”中“一级外协加工类”中的“报警模块”例6:401020004
表示:oo机中某一生产组件
例7:501020004
表示:“专用原材料”中的“机械加工类原材料”中的某中原材料。