产品编码规则_
- 格式:doc
- 大小:173.00 KB
- 文档页数:7
产品编码规则产品编码规则是用于管理和标识不同产品的编码规则,是企业和贸易公司用以管理和查询商品信息的重要手段。
产品编码的设计不仅体现企业的管理能力,同时也是构成企业信息化系统的重要组成部分,它不仅反映了企业产品编码结构,还赋予了企业库存管理、财务统计等有价值的信息数据。
二、产品编码规则1、编码位数产品编码常用格式为有规律的字母、数字或字母和数字组合。
通常情况下,编码位数一般不少于10位,其中前6位按照企业产品编码结构设计,后4位根据实际情况随机编码。
2、编码规则(1)第一位代表款式,如服装款式采用“A、B、C、D”等字母;如家电款式采用“1、2、3、4”等数字;(2)第二位代表款式所属的大类,即款式的产品类别;(3)第三位代表货号,是为了区分属于同一大类的不同款号,比如服装中的衣款和裤款;(4)第四位代表颜色,以色彩为例,比如白色用W表示,灰色用G表示;(5)第五位按照款式中尺码进行编码,比如尺码大小用XS、S、M、L、XL等;(6)第六位以及后边的编码,则根据实际情况随机编码。
三、产品编码的重要性1、节省财务成本由于产品编码的明确性,对企业的财务管理节省了许多成本。
不仅可以使企业更快更准确地完成财务核算,而且还可以减少企业报销及仓储管理成本。
2、提高企业管理水平通过产品编码规则可以有效将企业的货品管理统一归类,可以提高企业的管理水平,减少混乱的成本,最终使企业的运作更加高效。
3、丰富企业历史数据产品编码规则也可以为企业提供历史数据,比如企业的采购历史,库存历史。
记录和收集这些数据可以为企业更好地未来发展提供参考依据。
四、总结从以上可以看出,产品编码规则对于企业来说非常重要,从企业财务管理、管理水平以及企业未来发展来说都有着非常重要的作用。
如果企业想要更好的发展,就要重视产品编码规则的设计和使用。
一、产品编号登记的时间确定将产品加入公司经营范围后第一时间;对于开发的新产品,在决定开发后,设计工作开始进行以前;二、产品编号的制定规则产品编号是与产品有关的资料编号的基础;每种产品都采用唯一的五位数字编号,产品编号的制定遵循以下原则:1、产品编号的前两位为该产品报关使用的8位商品编码的第3位和第4位;例如:劈木机类产品报关使用的8位商品编码为84659600,此商品编码的第3位和第4位为65,因此劈木机类产品的编号为65XXX;2、对于8位商品编码第3位和第4位完全相同的两种产品,其产品编号的前2位相同,通过产品编号的后3位进行区分,例如:劈木机类产品报关使用的8位商品编码为84659600,此商品编码的第3位和第4位为65;砂带/砂盘机类产品报关使用的商品编码为84659300,此商品编码的第3位和第4位也为65;通过产品编号的后3位对这两类产品进行区分,将劈木机类产品的编号设定为65500到65599;而砂带/砂盘机类产品的编号设定为65300到65499;3、登记占用产品编号时,尽量在两个相邻的产品编号之间留有一定的编号空间,以便将来新产品出现后,可以利用这些空白的编号,将新产品插入到产品编号表中适当的位置;例如:5吨37cm劈木机的产品编号为65560,与其相邻的5吨52cm劈木机的产品编号为65562,两者之间留有编号65561没有占用,假设将来出现5吨45cm的一种新型劈木机,可以将产品编号65561分配其使用,这样保证了各种产品在产品编号表中的位置系统、合理;三、新产品临时编号1、对于可能进行开发的新产品,在未决定正式开发以前,暂时采用临时产品编号组织、保存有关资料;临时产品编号为“1位大写英文字母P+2位数字8位商品编码第3位和第4位+2位数字顺序号“2、采用临时产品编号的新产品一旦决定开发,即确定其产品编号,并将有关资料转换为以正式产品编号为基础进行保存;四、产品编号的登记1、“外贸信息管理系统”正式实施以前,暂时使用Excel表格形式手工登记;产品编号表存放于共享文档中,业务人员应及时在此表中登记已经占用的5位数编号,以免不同人员分别制定新编号时互相冲突;登记使用新的5位产品编号前,需确定拟使用的编号没有被他人占用;2、“外贸信息管理系统”正式实施以后,使用”外贸信息管理系统”登记产品编号,录入产品信息;”外贸信息管理系统”自动核对拟登记的产品编号的前2位和商品编码的第3位和第4位是否相符,并且避免重号的现象发生;自动完成临时产品编号的升级,资料转换等;。
一、产品编码生成规则软件产品编码=产品分类+专业类别+专业+产品流水号+语言+产品属性+产品属性流水号资源产品编码分为父编码和子编码,父编码同软件产品编码,子编码如下:资源产品子编码=产品分类+专业类别+专业+产品流水号+语言+产品属性+产品属性流水号+资源类型产品流水号:指每个产品的编号,编号规则取决于同一专业录入系统的顺序。
产品属性流水号:➢标准产品的产品属性流水号固定为00➢定制产品的产品属性流水号依次为01,02,03……➢DEMO产品的产品属性流水号固定为90➢代理产品的产品属性流水号固定为91➢外购产品的产品属性流水号固定为92➢合作开发产品的产品属性流水号固定为93资源类型说明:✧2D动画 DA✧3D动画 DB✧微课 SA✧宣传片 SB✧课堂实录SC✧课程标准WA✧教学设计WB✧教学大纲WC✧教学课件WD✧教学案例WE✧习题作业WF✧电子教材WG✧试题试卷WH✧教案WI✧实训手册WJ✧实训指导书WK✧教师手册WL✧学生手册WM✧其他文档资源WN✧图片TA●标准产品如国泰安导游全景模拟实训平台软件、国泰安导游英语情景教学实训系统软件、国泰安导游考试系统软件这三款软件的产品编码。
产品分类为软件SD,专业类别为旅游类TR,专业为旅游管理TM,产品流水号分别为001,002,003,语言为中文简体SC,产品属性为标准US,则产品编码依次为SD-TRTM-001-SC-US-00,SD-TRTM-002-SC-US-00,SD-TRTM-003-SC-US-00。
●定制产品如国泰安智慧校园易管理平台软件产品编码:SD-INEM-001-SC-US-00其定制产品有:①开封文化旅游智慧校园易管理平台软件产品编码:SD-INEM-001-SC-UC-01②湖南石油智慧校园易管理平台软件产品编码:SD-INEM-001-SC-UC-02●DEMO(演示产品、预研产品)国泰安ZSpace平台VR产品体验包产品编码:SD-DEDE-001-SC-UD-90●代理产品NewtonsPark产品编码:SD-ABCD-001-EN-UA-91●外购产品YYYY产品编码:SD-ABCD-001-SC-UP-92●合作开发产品XXXX产品编码:SD-ABCD-001-SC-UT-93●资源类产品XXXX父编码:RS-ABCD-001-SC-US-00子编码:动画:RS-ABCD-001-SC-US-00-DA微课:RS-ABCD-001-SC-US-00-SA单独宣传片类的素材:RM-ABCD-002-SC-US-00-SB二、产品编码用途因产品编码是产品的身份证件,则可通过产品编码搜索某一产品有多少版本,有多少个衍生产品(定制产品、DEMO、合作开发等)。
商品编码规则一、编码规则我们看前四位就能判断是哪类产品)按产品编码顺序按001-999编制。
通过商品流水号最后一位的单双数来区分男女性别:单数为[男士],双数为[女士]。
五、品类代码配件00A钱包;00B相机包;00C挎包001单肩包;002登山包;003公文包;004小圆桶包;005腰包;006旅行包;007手挽袋;008双肩背包;009CD 包010护大腿;011护小腿;012护腕;013护额;014护膝;015护指;016护踝;017护肘;018汗巾020太阳帽;021运动帽;022针织帽030针织围巾;031瑶粒围巾;035手套;036三件套;037两件套040长袜;041短袜;042毛圈袜050网球拍;051乒乓球;052羽毛球拍060足球;061排球;062篮球;063乒乓球070手带拍;071头带;072促销品097防臭剂;098多功能鞋垫;099其他五、品类代码鞋类200专业篮球;201训练篮球;202普通篮球;203复古篮球210专业跑鞋;211常规跑鞋;212轻便跑鞋;213马拉松跑鞋;214越野跑鞋;215登山鞋220乒乓鞋;221网球鞋230专业足球鞋;231足球训练鞋240综合训练250帆布鞋;251高底休闲鞋;252复古休闲鞋;253时尚休闲鞋;254商务休闲鞋;255沙滩凉鞋;256拖鞋260时尚板鞋;261复古板鞋299其他五、品类代码服装500背心;501马夹;505连帽卫衣;506单卫衣510V领长T ;511翻领长T;512圆领长T;513V领短T;514翻领短T;515圆领短T520单夹克;521经编夹克;522棉衣;525毛衣530单风衣;531经编风衣;532摇粒风衣;533长棉衣540薄棉衣;541厚棉衣;542中棉褛;543长棉褛550短羽绒服;551长羽绒服;552羽绒中褛;553羽绒长褛;558羽绒服560针织短套;561针织长套;562针织套裙;565篮球套服;566足球套服570单风衣套服;571经编套服;572摇粒套服;573长棉衣套服580短裤;581五分裤;582七分裤;583九分裤;584单长裤;585经编长裤;586摇粒长裤;587棉长裤;588针织长裤590网球裙;591经编棉衣;592摇粒棉衣;593针织休闲服;594经编棉裤;595摇粒棉裤;596摇粒棉套服;597经编棉套服;599其他。
有限公司 技术文件产品编码规则1. 目的和适用范围为了规范产品的一致性,完善公司产品编码制度,特制定本规则,本规则规定了摩托车、零部件等产品的编码编制方法。
本规则适用于本公司从接收至生产、交付的所有环节的产品。
2. 职责2.1 研发部负责此规则的修订,完善。
2.2 其他部门按此规则使用产品编码。
3. 具体编码说明 3.1 整车成品编码说明。
3.1.1 整车成品编码由下列两种情况组成: 3.1.1.1 车型的型号组成,具体分解如下:HJ 125 T - A设计序号 类型代号 发动机名义排量品牌代号各组成部分说明:a. 品牌代号:HJ 代表; HD 代表,依此类推。
b. 发动机名义排量:此部分为车型所配发动机的名义排量,如50、125等。
c. 类型代号:此部分为车型所属分类状态,省略不写的表示普通车;T 表示踏板车;QT 表示二轮轻便踏板车;J 表示警车等。
d. 设计序号:公司设计车型的顺序代号,序号为1时省略。
3.1.1.2 车型的型号+状态代码组成,如HJ125-4-ZY ,表示HJ125-4车型的追云款,HJ100-4-XL ,表示HJ100-4车型的有行李箱状态等等。
3.2 发动机成品编码说明。
3.2.1发动机编码由下列几部分组成:编号:版本号:1修改号:0 受控标记: 第1页 共6页H 157FMI-2 - 00 00 0 00拓展位其他状态代码颜色状态代码发动机款式代码发动机型号品牌代码各组成部分说明:a. 品牌代码:H代表;D代表,依此类推。
b. 发动机型号:按现有机型型号表示,此部分为8位数,不足时以0在机型型号前补齐,如157FMI表示为00157FMI,依此类推。
c. 发动机款式代码:见附录1《发动机款式代码表》。
d. 颜色状态代码:见附录2《颜色状态代码表》。
e. 其他状态代码:见附录3《其他状态代码表》。
f. 拓展位:用于以后的发展。
3.3 零部件编码说明。
3.3.1 零部件编码由下列三部分组成:×××××- ×××××- ×××××拓展位其他状态代码颜色状态代码零件厂商代码改型序号代码设计序号发动机代码品牌代码零部件代码第一部分说明:a. 零部件代码:统一使用五位数代码。
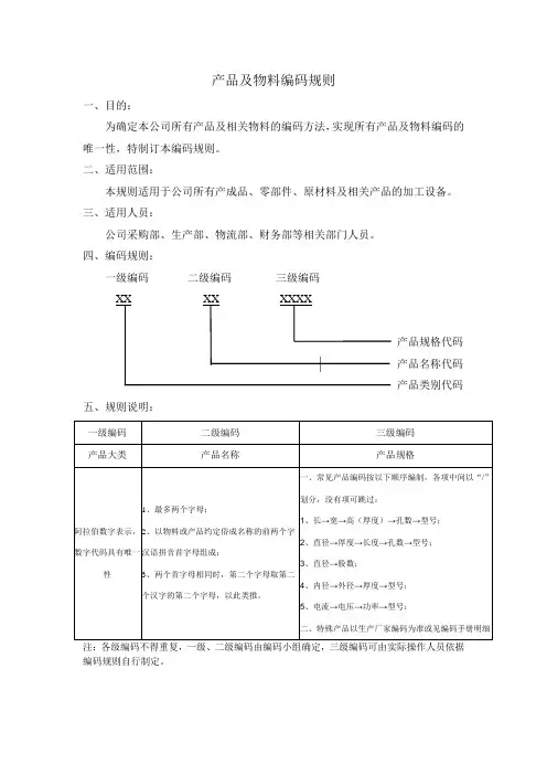
产品及物料编码规则
一、目的:
为确定本公司所有产品及相关物料的编码方法,实现所有产品及物料编码的唯一性,特制订本编码规则。
二、适用范围:
本规则适用于公司所有产成品、零部件、原材料及相关产品的加工设备。
三、适用人员:
公司采购部、生产部、物流部、财务部等相关部门人员。
四、编码规则:
一级编码 二级编码 三级编码
XX XX XXXX
产品规格代码 产品名称代码 产品类别代码
五、规则说明:
注:各级编码不得重复,一级、二级编码由编码小组确定,三级编码可由实际操作人员依据编码规则自行制定。
一级编码
二级编码 三级编码 产品大类 产品名称 产品规格
阿拉伯数字表示,数字代码具有唯一性 1、最多两个字母;
2、以物料或产品约定俗成名称的前两个字
汉语拼音首字母组成;
3、两个首字母相同时,第二个字母取第二
个汉字的第二个字母,以此类推。
一、常见产品编码按以下顺序编制,各项中间以“/”
划分,没有项可跳过:
1、长→宽→高(厚度)→孔数→型号;
2、直径→厚度→长度→孔数→型号;
3、直径→股数;
4、内径→外径→厚度→型号;
5、电流→电压→功率→型号;
二、特殊产品以生产厂家编码为准或见编码手册明细。
产品型号编码规则产品型号编码规则是为了识别和管理不同型号的产品而设立的一套规则。
通过统一的编码规则,可以方便地对产品进行分类、查询和跟踪,提高产品管理的效率和准确性。
下面是一个较为完整的产品型号编码规则的示例,具体内容可以根据实际情况进行调整和修改。
1.产品类型代码产品型号的第一部分是产品类型代码,用于标识产品所属的类型。
例如,A代表电子产品,B代表机械产品,C代表化学产品等。
通过产品类型代码可以对产品进行初步分类,便于后续的管理和查询。
2.系列代码产品型号的第二部分是系列代码,用于标识产品所属的系列或产品族。
同一系列的产品通常具有相似的特征和功能。
系列代码可以由字母或数字组成,例如,01代表高端系列,02代表中端系列,03代表低端系列等。
3.功能代码产品型号的第三部分是功能代码,用于标识产品的主要功能或特征。
功能代码可以由字母或数字组成,例如,01代表基本功能,02代表增强功能,03代表高级功能等。
4.规格代码产品型号的第四部分是规格代码,用于标识产品的具体规格或配置。
规格代码可以由字母或数字组成,例如,01代表小型规格,02代表中型规格,03代表大型规格等。
5.特殊代码产品型号的最后一部分是特殊代码,用于标识产品的特殊属性或特点。
特殊代码可以由字母或数字组成,例如,01代表防水特性,02代表防尘特性,03代表抗震特性等。
总结:产品型号编码规则是一种方便管理和识别不同型号产品的规范。
通过统一的编码规则,可以对产品进行分类、查询和跟踪,提高产品管理的效率和准确性。
编码规则可以包括产品类型代码、系列代码、功能代码、规格代码和特殊代码等部分,具体内容可以根据实际情况进行调整和修改。
产品说明书编码规则1.引言本文档旨在规范产品说明书的编码规则,确保统一性和准确性。
编码规则将帮助我们更好地管理和识别产品说明书,提高工作效率。
本规则适用于所有产品说明书的编写和标识。
2.编码规则2.1 通用规则每份产品说明书应具有唯一的编码。
编码应由数字和字母组成,不区分大小写。
编码中不允许使用特殊字符或空格。
编码长度不得超过10个字符。
产品说明书的编码应与实际产品一致或相关。
2.2 分类编码为了更好地管理产品说明书,我们将根据产品的属性和类型进行分类编码。
以下是常见的分类编码:P:代表产品。
P:代表产品。
P:代表产品。
S:代表服务。
S:代表服务。
S:代表服务。
A:代表配件。
A:代表配件。
A:代表配件。
M:代表材料。
M:代表材料。
M:代表材料。
C:代表组件。
C:代表组件。
C:代表组件。
根据产品的具体分类,我们可以在上述分类编码后添加更具体的字母或数字,以进一步标识产品。
例如:PA:代表产品配件。
PA:代表产品配件。
PA:代表产品配件。
AC:代表组件材料。
AC:代表组件材料。
AC:代表组件材料。
SM:代表特定服务的材料。
SM:代表特定服务的材料。
SM:代表特定服务的材料。
2.3 日期编码我们建议在产品说明书的编码中包含日期信息,以标识其创建或更新时间。
日期编码可采用下列格式之一:___:年月日。
___:年月日。
例如:Pxxxxxxxx:产品说明书创建于2022年1月1日。
Pxxxxxxxx:产品说明书创建于2022年1月1日。
Pxxxxxxxx:产品说明书创建于2022年1月1日。
S220101:服务说明书创建于22年1月1日。
S220101:服务说明书创建于22年1月1日。
S220101:服务说明书创建于22年1月1日。
3.示例为了更好地理解编码规则的应用,我们提供以下示例:P12345:产品编号为12345的产品。
P12345:产品编号为12345的产品。
P12345:产品编号为12345的产品。
XXXX有限公司
质量、有害物质、环境及职业健康安全管理支持文件
产品出厂编号编码规则
(Product ID码)
受控状态拟制
文件编号审核
版本号批准
持有者
部门
发放编号
2015年1月20日发布2015年1月20日实施
文件修改记录
1、目的
为确保公司基础资料编码的规范性、唯一性及准确性,特制定出厂产品序列号编制规则。
1.1、出厂产品序列号编制原则
生产部出厂产品序列号原则由14位编码组合而成,分成 3 阶,每阶之间无间隔。
XXXXXXXXXXXXXX
第1-7 位:取订货责任确认书客户订单编码数字位,例如GX1304001,第1-7位则取1304001;
第8-9 位:取订货责任确认书中序号位,用两位数字表示,例如序号位为1,则第8-9位为01;
第10-14 位:此五位为流水号,代表产品个数,例如第1个产品,则第10-14位为00001;
举例:15011080200012
指销售订单号是GX1501108,订货信息表中序号是02的产品,流水号是第12个产品。
产品编码规则+最全1. 产品编码的重要性产品编码是对产品进行分类和标识的重要手段。
它有助于统一管理产品信息、提高产品溯源能力、加强产品质量控制,同时也方便了产品的交流和销售。
因此,制定合理的产品编码规则对于企业管理以及产品市场推广都具有重要意义。
2. 产品编码的基本原则制定产品编码规则时,应遵循以下几个基本原则:2.1 易于理解和记忆产品编码应尽量简明扼要,易于理解和记忆。
可以采用字母、数字或符号等组合形式,使得用户能够迅速理解产品所属的类别和特征。
2.2 唯一性和识别性每个产品编码都应具有唯一性和识别性,不重复不混淆。
通过编码可以准确识别产品的不同属性和参数,以便进行准确的产品管理和追踪。
2.3 可扩展性和灵活性产品编码规则应具备可扩展性和灵活性,能够适应企业发展和产品更新换代的需求。
在制定编码规则时,应考虑到未来可能出现的新产品,并留有扩展空间。
3. 产品编码规则的设计要点3.1 分级分类根据产品的种类和属性,可以将编码进行分级分类。
比如,可以根据产品的用途、材料、规格等因素进行分类编码,使得产品编码更加细致和准确。
3.2 统一标识在产品编码中,可以设置统一的标识符,以便于区分产品编码和其他字符编码。
比如,在编码的开头或结尾处加入特定的字符,如"_"、"-"、"# "等。
3.3 属性编码针对产品的不同属性,可以通过编码方式进行标识。
比如,可以使用数字或字母表示产品的不同规格、颜色、尺寸等属性。
同时,可以设置特定的编码规则,确保属性编码的准确性和可读性。
4. 产品编码规则的示例以下是一个简单的产品编码规则的示例:- 第一级分类:A、B、C 表示产品的用途分类- 第二级分类:01、02、03 表示产品的材料分类- 第三级分类:001、002、003 表示产品的规格分类根据上述编码规则,如果一个产品属于用途分类 A、材料分类02、规格分类 003,那么它的编码可以是:A。
产品编码管理制度一、总则为了规范和统一产品的编码管理工作,提高产品编码管理的规范化和科学化水平,降低管理成本和风险,制定本管理制度。
二、管理范围适用于公司所有产品的编码管理工作。
三、管理原则1. 统一性:所有产品的编码必须按照统一的规则进行管理,避免重复和混淆。
2. 唯一性:每个产品必须有一个唯一的编码,用以区分不同的产品,确保信息的准确性和可追溯性。
3. 体系化:建立完善的编码管理体系,包括编码规则、编码申请流程、编码分配、编码审核等。
四、编码规则公司产品编码包括产品类别编码、系列编码、版本编码和批次编码,具体规则如下:1. 产品类别编码:根据产品的不同类别进行编码,如A类产品、B类产品、C类产品等。
2. 系列编码:根据产品不同系列进行编码,如A1系列、A2系列、B1系列等。
3. 版本编码:根据产品不同版本进行编码,如V1.0、V2.0、V3.0等。
4. 批次编码:根据产品的生产批次进行编码,保证产品的生产和销售过程可以追溯到具体的批次。
五、编码管理流程1. 编码申请:产品编码由产品部门统一申请,必须提供产品的相关信息和分类,由专门的编码管理人员审核和分配编码。
2. 编码分配:编码管理人员根据产品的特性和规则进行编码分配,确保每个产品都有唯一的编码。
3. 编码存档:对所有的产品编码进行存档管理,确保编码的完整性和准确性。
4. 编码更新:对产品进行版本更新或者系列扩展时,需要对产品的编码进行更新和调整,确保编码的及时性和准确性。
5. 编码使用:所有产品及相关信息必须使用规定的编码,不能随意更改或者错用编码。
六、编码管理责任1. 产品部门负责产品编码的申请和信息提供,确保申请信息的准确性和完整性。
2. 编码管理人员负责对产品编码进行分配和存档管理,确保编码的唯一性和完整性。
3. 相关部门负责产品编码的使用和管理,确保产品信息和编码的准确性和一致性。
七、编码管理监督公司内设编码管理监督部门,负责对产品编码管理工作进行监督和检查,确保规定的编码管理制度得到贯彻执行。
一、基本概念商品条码标识系统商品条码标识系统的应用最早是从食品、日用百货等快速消费品在零售POS系统自动结算开始的,目前广泛应用于全球的贸易、物流、生产、医药、建材、产品溯源、电子商务等领域得到广泛应用,已成为全球通用的商务语言。
编码中心以商品条码为核心技术,在全国范围内建立了农产品追溯、中药材追溯、医药零售与物流、植入性医疗器械追溯与监管等20多个应用示范。
零售商品是指在零售端通过POS扫描结算的商品。
其条码标识由全球贸易项目代码(GTIN)及其对应的条码符号组成。
零售商品的条码标识主要采用EAN/UPC条码。
一听啤酒、一瓶洗发水和一瓶护发素的组合包装都可以作为一项零售商品卖给最终消费者。
非零售商品是指不通过POS扫描结算的用于配送、仓储或批发等操作的商品。
其标识代码由全球贸易项目代码(GTIN)及其对应的条码符号组成。
非零售商品的条码符号主要采用采用ITF-14条码或UCC/EAN-128条码,也可使用EAN/UPC条码。
一个装有24条香烟的纸箱、一个装有40箱香烟的托盘都可以作为一个非零售商品进行批发、配送。
物流单元条码是为了便于运输或仓储而建立的临时性组合包装,在供应链中需要对其进行个体的跟踪与管理。
通过扫描每个物流单元上的条码标签,实现物流与相关信息流的链接,可分别追踪每个物流单元的实物移动。
物流单元的编码采用系列货运包装箱代码(SSCC-18)进行标识。
一箱有不同颜色和和尺寸的12件裙子和20件夹克的组合包装,一个含有40箱饮料的托盘(每箱12盒装)都可以视为一个物流单元。
商品条码是由一组规则排列的条、空及其对应代码组成,是表示商品特定信息的标识。
厂商识别代码是指国际通用的商品标识系统中表示厂商的唯一代码,是商品条码的重要组成部分。
商品代码是指包含厂商识别代码在内的对零售商品、非零售商品、物流单元、位置、资产及服务进行全球惟一标识的一组数字代码。
零售商品代码与条码是指以满足零售扫描结算为主要目的,而为商品单元编制的代码和条码标识。
红双喜编码规则红双喜编码规则一、引言红双喜是中国著名的烟草品牌之一,其产品以其独特的编码规则而闻名。
本文将详细介绍红双喜的编码规则,包括产品编码、生产日期编码和批次编码等方面的内容。
二、产品编码规则1. 红双喜的产品编码由10位数字组成,分为三个部分:前两位表示产品系列,中间四位表示产品型号,最后四位表示包装形式。
2. 产品系列:红双喜有多个系列,每个系列都有一个独特的编号。
“01”代表经典系列,“02”代表高端系列。
3. 产品型号:每个系列下有多个不同型号的产品,每个型号都有一个独特的编号。
“0001”代表经典系列中的第一个型号,“0002”代表经典系列中的第二个型号。
4. 包装形式:同一个产品型号可以有不同的包装形式,每种形式都有一个独特的编号。
“0001”代表盒装,“0002”代表软包。
三、生产日期编码规则1. 红双喜采用年月日三位数字表示生产日期。
其中年份采用后两位表示,月份和日期分别使用两位数字表示。
2. 生产日期编码位于产品编码之后,共占用6位数字。
产品编码为“010*******”,生产日期为“210101”表示该产品于2021年1月1日生产。
四、批次编码规则1. 红双喜的批次编码由8位数字组成,用于标识同一批次的产品。
2. 批次编码位于生产日期编码之后,共占用8位数字。
产品编码为“0100010001210101”,批次编号为“00000001”表示该产品属于第一个批次。
五、其他注意事项1. 红双喜的编码规则在不同的系列和型号之间存在差异,请在购买时仔细核对。
2. 编码规则可能会随着时间的推移而发生变化,请以最新的官方规定为准。
3. 编码规则仅适用于红双喜品牌烟草产品,其他品牌的烟草产品可能有不同的编码规则。
六、总结红双喜的编码规则是其独特之处之一,通过对产品、生产日期和批次进行编号,方便了消费者购买和追溯。
本文详细介绍了红双喜的编码规则,包括产品编码、生产日期编码和批次编码等方面的内容。
公司产品编码管理规则公司产品编码管理是指对公司的产品进行编码管理,以便于对产品进行追踪、管理和销售。
在公司日常运营中,产品编码管理起着重要的作用,它可以帮助公司管理各类产品、方便出库入库,提高库存管理效率,减少错误和漏洞。
下面将就公司产品编码管理规则进行详细的阐述。
一、产品编码的建立原则1.唯一性原则:每个产品应该拥有唯一的编码,以避免混淆和错误。
2.简洁性原则:产品编码应该尽量简洁易懂,方便人们理解和记忆。
3.逻辑性原则:产品编码应该根据产品的特征和属性进行建立,方便产品分类和管理。
4.可扩展性原则:产品编码应该具备一定的可扩展性,以适应产品线的扩展和公司的发展。
二、产品编码的建立方法1.层次化编码:将产品编码划分为不同的层次,以便于根据产品特征进行分类管理。
例如,将产品编码划分为一级编码代表产品大类,二级编码代表产品系列,三级编码代表产品型号,四级编码代表产品规格等。
2.数字编码:采用数字进行编码,数字的大小和顺序可表示产品的特定属性或顺序。
例如,将产品编码的前三位表示产品的大类,接着的两位表示产品的系列,再接着的两位表示产品的型号,最后两位表示产品的规格。
3.字母编码:采用字母进行编码,字母的排列组合可以表达产品的特征或属性。
例如,将产品编码的第一个字母表示产品的大类,接着的两个字母表示产品的系列,再接着的两个字母表示产品的型号,最后两个字母表示产品的规格。
三、产品编码管理的规范1.建立产品编码管理制度:公司应该建立详细的产品编码管理制度,明确产品编码的建立原则、方法和规范。
2.设立产品编码管理部门:公司应该设立专门的产品编码管理部门,负责产品编码的建立、维护和管理。
3.对产品编码进行定期审核和更新:公司应该定期对产品编码进行审核和更新,确保产品编码的准确性和有效性。
4.严格执行产品编码管理规定:员工应该严格执行产品编码管理规定,不得私自更改或混淆产品编码。
5.建立产品编码数据库:公司应该建立产品编码数据库,将产品编码信息进行集中管理,以便于快速查询和使用。
商品编码规则1.规则一1)原文规则一的原文是:“类、章及分章的标题,仅为查找方便而设;具有法律效力的归类,应按品目条文和有关类注和章注确定,如品目、类注或章注无其他规定,按以下规则确定。
”2)解释与应用规则一说明了三个问题:1ST,类、章及分章的标题对商品归类不具有法律效力;2ND,具有法律效力的归类依据是品目条文、类注和章注。
3RD,归类时应按顺序运用归类依据,即先品目条文,其次是注释,最后是归类总原则。
也就是说只有在前级依据无法确定该商品归类时,才能使用下一级依据,各级依据矛盾时,应以前级为准。
●例1 牛尾毛应归入05.11。
●因查阅类、章标题,牛尾毛应归入第5章其他动物产品,查看品目条文未见牛尾毛列名,似应归入05.11其他未列名的动物产品,但是再查阅第5章章注四得知马毛包括牛尾毛,故牛尾毛庄按列名产品马毛归入05.11。
●牛尾毛●参阅类、章标题名称属其他动物产品第5章●0511税目中未提到牛尾毛按其他未列名的动物产品●查阅第5章章注四,马毛包括牛尾毛●故归入税号0511.9940●2.规则二●1)原文●“(一)品目所列货品,应视为包括该项货品的不完整品或未制成品,只要在进口或出口时该项不完整品或未制成品具有完整品或制成品的基本特征,还应视为包括该项货品的完整品或制成品(或按本款可作为完整品或制成品归类的货品)在进口或出口时的未组装件或拆散件。
”●“(二)品目中所列材料或物质,应视为包括该种材料或物质与其他材料或物质混合或组合的物品。
品目所列某种材料或物质构成的货品,应视为包括全部或部分该种材料或物质构成的货品。
由一种以上材料或物质构成的货品,应按规则三归类。
”●2)解释与应用●规则二(一)有条件地将不完整品、未制成品和散件包括在品目所列货品范围之内,仅适用于第七类到二十一类。
对于不完整品和未制成品,必须具有相应完整品或制成品的基本特征。
不完整品是指这个物品还不完整,还缺少一些东西,如汽车少了一个轮胎仍按汽车归。
产品编码规则_
————————————————————————————————作者:————————————————————————————————日期:
商品编码管理制度
文件编号:QPL - 001版本:B01
页次:第3页,共5页(不含封面)
编码规则(20040517)
一、为建立良好的数据管理系统,作数据掌握、分析、统计及运用,首先需订立
一个健全的条码基制,而订立条码的原则必须具有其唯一性及永久性。
唯一性:
同种规格同种产品同一价格对应同一个产品代码,同种产品不同规格应对应不同的产品代码。
根据商品的不同性质,如颜色、尺码等,赋予不同的商品代码。
永久性:
商品代码一经分配,就不再更改,并且是终身制的,当此种商品不再生产
时,其对应的商品代码只能搁置起来,不得重复起用再分配给其他的商品。
现建议采用CODE128A制式条码,此制式条码可容纳最多23个数位,符合
公司现在及将来发展之需要。
由于有关商品附带资料太多,不可能把所有
相关的资料一并在条码上体现出来,所以在条码上只可放最有代表性之资
料在内。
条码必须与相关的POS零售管理软件一并使用,才能发挥其应有的功能。
二、系统商品SKU构成(SKU代表该产品的唯一编码)。
2.1、SKU=商品款号(9位)+颜色号(3位)+号型码(3位)组成。
代码 1 2 3 4 5 6 7 8 9 10 11 12 13 14 15 定义品牌年份季度品类部类流水号颜色尺码/号型
2 4
3 1 0 1 0 0 1 0 0 1
4 8 A 例:与狼共舞
2004年
秋男装茄克黑色 48A 以上例子其SKU为:24310100100148A;
商品简介为:与狼共舞2004年秋季男茄克黑色中码A型版。
商品编码管理制度
文件编号:QPL - 001版本:B01
页次:第4页,共5页(不含封面)
2.2、商品代码对应表
第一位为品牌代码。
定义表示如下:
代码 1 2 3 4 5 6 7 品牌七匹狼与狼共舞马克华菲港士龙S/J 第二位为年份代码。
如:2004年取4。
定义表示如下:
代码 4 5 6 7 8 9 0 1 2 3 年份2004 2005 2006 2007 2008 2009 2010 2011 2012 2013 第三位为季度代码。
如:春季为1等,定义表示如下:
代码 1 2 3 4 5 6 7 季度春夏秋冬春夏秋冬四季
第四位为产品类别代码。
定义表示如下:
代码 1 2 3 4 5 6 品类男装女装男鞋女鞋中性童装
第五、六位为部类代码。
定义表示如下:
代码0 1 0 2 0 3 0 4 0 5 0 6 0 7 部类茄克类毛衣类西装类裤子类衬衫类T恤类羽绒类代码0 8 0 9 1 0 1 1 1 2 1 3 1 4 部类棉服类皮衣类风衣类派克类外套类裙子类牛仔类代码 1 5 1 6 1 7 18-25
部类皮毛一体内裤类内衣类待用
代码 2 6 27-29 3 0 3 1
部类礼品类待用正装鞋休闲鞋代码 3 2 3 3 3 4 3 5 3 6 3 7 3 8 部类包类眼镜类帽子类腰带类袜子类毛巾类围巾类代码 3 9 4 0 41-50 51 52-59 60
部类领带类手表类待用化妆品类待用酒类
代码
部类
商品编码管理制度
文件编号:QPL - 001版本:B01
页次:第5页,共5页(不含封面)
第七、八、九位为产品流水码。
定义表示如下:
即按产品编码顺序从001----999编。
第十、十一、十二位为颜色代码。
定义表示参照《色号对照表》。
第十三、十四位为服装尺码(号)代码。
西装尺码定义表示如下:(按男装国家标准GB1335.1---1999制定)
代码 4 0 4 2 4 4 4 6 4 8 5 0 5 2 5 4 号型155/76A 160/80A 165/84A 170/88A 175/92A 180/96A 185/100A 190/104A 茄克、T恤、毛衫、休闲衬衫、棉服、派克、羽绒服、风衣尺码定义表示如下:代码 4 4 4 6 4 8 5 0 5 2 5 4 5 6 5 8 号型155/76A 160/80A 165/84A 170/88A 175/92A 180/96A 185/100A 190/104A XS S M L XL XXL XXXL XXXXL 传统衬衫(正装)尺码定义表示如下:
代码 3 5 3 6 3 7 3 8 3 9 4 0 4 1 4 2 号型150/72A 155/76A 160/80A 165/84A 170/88A 175/92A 180/96A 185/100A
裤子尺码定义表示如下:
代码 2 4 2 5 2 6 2 7 2 8 2 9 3 0 3 1 号型155/60A 155/64A 160/68A 160/70A 165/72A 165/74A 170/76A 170/80A
代码 3 2 3 3 3 4 3 5 3 6 3 8 4 0 4 2 号型175/82A 175/84A 180/86A 180/90A 185/92A 185/98A 185/102A 185/108A 鞋类尺码定义表示如下:
代码 3 6 3 7 3 8 3 9 4 0 4 1 4 2 4 3 内衣、内裤尺码定义表示如下:(引用标准:GB/T6411—1997)5·5系列
代码40 42 44 46 48 50 52
号型155/80A 160/85A 165/90A 170/95A 175/100A 180/105A 185/110A
商品编码管理制度
文件编号:QPL - 001版本:B01
页次:第6页,共5页(不含封面)
均码类尺码定义表示如下:(含无法以号/型表示的产品)如:皮带、围巾、毛巾、眼镜、笔等等。
代码9 9 A
第十五位为服装体型(型)代码。
定义表示如下:(CM)
体形代码Y A B C 体型/胸围与腰围之差数22~17 16~12 11~7 6~2
附件:《色系编码表》
备注:
1、该编码规定适用七匹狼、七匹狼SJ、与狼共舞、港士龙。
2、该编码规则一经颁布,任何人不可擅自更改,如需更改需由资讯部统一颁布。
资讯部货品部生管部营销中心。