通风风道漏风及漏光检测记录表
- 格式:doc
- 大小:27.00 KB
- 文档页数:1
工程名称:阳光大酒店
编号:
本表由施工单位填报,建设单位、施工单位、城建档案馆各保存一份。
工程名称:阳光大酒店
编号:
本表由施工单位填报,建设单位、施工单位、城建档案馆各保存一份。
工程名称:阳光大酒店
编号:
本表由施工单位填报,建设单位、施工单位、城建档案馆各保存一份。
工程名称:阳光大酒店
编号:
本表由施工单位填报,建设单位、施工单位、城建档案馆各保存一份。
工程名称:阳光大酒店
编号:
本表由施工单位填报,建设单位、施工单位、城建档案馆各保存一份。
风管漏光检测报验申请表工程名称:阳光大酒店
风管漏光检测记录
编号:
本表由施工单位填报,建设单位、施工单位、城建档案馆各保存一份。
风管漏光检测报验申请表工程名称:阳光大酒店
风管漏光检测记录
编号:
本表由施工单位填报,建设单位、施工单位、城建档案馆各保存一份。
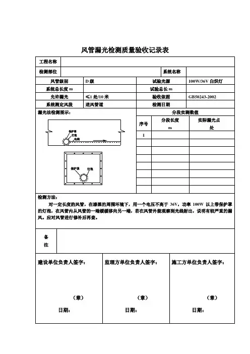
风管漏光检测质量验收记录表工程名称检测部位系统名称风管级别D级试验光源100W/36V白炽灯系统总长度m 试验总长m允许漏光≤1处/10米验收依据GB50243-2002 系统测定风段送风管道检测日期漏光法检测图示:分段实测数值序号分段长度m实际漏光点处1检测方法:对一定长度的风管,在漆黑的周围环境下,用一个电压不高于36V,功率100W以上带保护罩的灯泡,在风管内从风管的一端缓缓移向另一端,若在风管外能观察到光线射出,说明有较严重的漏风。
应对风管进行修补后再查。
备注建设单位负责人签字:(章)日期:监理方单位负责人签字:(章)日期:施工方单位负责人签字:(章)日期:工程名称国药集团容生制药有限公司质检中心改造项目检测部位质检中心一层技术夹层通风管道系统名称JK1-1 风管级别C级、D级试验光源100W/36V白炽灯系统总长度m 25.4m 试验总长m 25.4m 允许漏光≤1处/10米验收依据GB50243-2002 系统测定风段回风管道检测日期漏光法检测图示:分段实测数值序号分段长度m实际漏光点处1 25.4检测方法:对一定长度的风管,在漆黑的周围环境下,用一个电压不高于36V,功率100W以上带保护罩的灯泡,在风管内从风管的一端缓缓移向另一端,若在风管外能观察到光线射出,说明有较严重的漏风。
应对风管进行修补后再查。
备注建设单位负责人签字:(章)日期:监理方单位负责人签字:(章)日期:施工方单位负责人签字:(章)日期:工程名称国药集团容生制药有限公司质检中心改造项目检测部位质检中心四层技术夹层通风管道系统名称JK4-1 风管级别C级试验光源100W/36V白炽灯系统总长度m 16.5m 试验总长m 16.5m 允许漏光≤1处/10米验收依据GB50243-2002 系统测定风段送风管道检测日期漏光法检测图示:分段实测数值序号分段长度m实际漏光点处1 16.5检测方法:对一定长度的风管,在漆黑的周围环境下,用一个电压不高于36V,功率100W以上带保护罩的灯泡,在风管内从风管的一端缓缓移向另一端,若在风管外能观察到光线射出,说明有较严重的漏风。
风管漏风检测记录范例风管漏风检测记录范例如下:
风管漏风检测记录
●工程名称: XXXX图书馆通风与空调工程
●系统名称: 一层空调系统
●试验压力(Pa): 500
●施工单位: X0xX空调集团有限公司
●单位面积允许漏风量(m3/h): 5.997
●工作压力(Pa): 500
●检测日期: (具体日期)
●执行标准: DB23/719-2003
●检测面积(M2): 71
检测分段图示: (此处应插入风管分段图示) 分段实测数值:
●分段编号: 1
●项目:分段表面积
●数值:16.5
●试验压力(Pa): 500
●实际漏风量(m3/h): 52
●分段编号: 2
●项目:分段表面积.
●数值: 20
●试验压力(Pa): 500
●实际漏风量(m3/): 45
●分段编号: 3
●项目:分段表面积
●数值: 17.5
●试验压力(Pa): 500
●实际漏风量(m3/M): 77
●分段编号: 4
●项目:分段表面积.
●数值: 18.5
●试验压力(Pa): 500
●实际漏风量(m3/h): 80
记录人: (签名)
请注意,上述范例是一个模拟的风管漏风检测记录,其中的数值和数据仅用于示例目的。
在实际应用中,应根据具体的工程情况和实际检测数据进行填写。
序号123456789101112
系统允许漏风量(m 3/㎡·h)7
4050070
500
339.1送风系统30500134.5189.35005段试验日期工作压力(Pa)试验压力(Pa)XX 干休所系统总面积(㎡)200风管漏风检测记录
表C6-40
工程名称试验总面积(㎡)
****/4/10
本表由施工单位填写并保存。
签
字栏
XXX
编号系统名称建设(监理)单位
XXX
施工单位XXX
检测结论:
275
系统检测分段数
实际漏风量(m 3/h)试验压力(Pa)分段表面积
(㎡)
检测区段图示:
分段实测数值
500105.345500222.9520XXX
实测系统漏风量(m 3/㎡·h)
平均值4.95
检测结果符合设计要求和《通风与空调工程施工质量验收规范》(GB50243-2002)规定。
专业技术负责人
专业质检员XX 工程公司
专业工长。
通风风道漏风及漏光检测记录表
工程名称: 分部分项工程名称及编号:
系统名称: 风管名称:
检查方法: 年 月 日
洁净度级别 管风部位 风管断面 长*宽 (mm) 漏风点编号 漏风点位置 附图和说明
检
查
意
见
工长或技术负责人: 施工员:
建设单位: (公章) 年 月 日 代表(签章): 建设单位: (公章)
年 月 日
代表(签章):
注:风管名称指送风管或回风管;风管部位指干管、支干管或支管。