旋流式燃烧器工作原理
- 格式:pptx
- 大小:731.01 KB
- 文档页数:3
旋流及w火焰煤粉燃烧技术概述及解释说明1. 引言1.1 概述旋流及火焰煤粉燃烧技术作为一种先进的能源利用方式,在工业生产和能源行业中扮演着重要角色。
该技术通过优化燃烧过程,实现了对煤粉的高效利用,提高了能源利用效率,降低了环境污染。
本文将对旋流及火焰煤粉燃烧技术的概念、原理及应用进行详细阐述,并分析其在能源行业和工业生产中的主要应用领域和优势。
1.2 文章结构本文共分为五个部分。
引言部分介绍了旋流及火焰煤粉燃烧技术的背景与意义,并概括了文章整体结构。
第二部分对旋流及火焰煤粉燃烧技术进行综述,包括旋流燃烧技术和火焰煤粉燃烧技术的简介。
第三部分详细解释了这两种技术的原理。
第四部分分析了它们在能源行业和工业生产中的主要应用领域和优势。
最后的结论部分对本文进行总结,并展望了旋流及火焰煤粉燃烧技术的发展前景。
1.3 目的本文旨在系统地介绍旋流及火焰煤粉燃烧技术,解释其原理,并探讨其在能源行业和工业生产中的应用领域和优势。
通过分析这些信息,我们可以更好地认识到这两种技术对于提高能源利用效率和降低环境污染的重要性,以及它们在不同领域中的应用潜力。
这将有助于推动这些技术的进一步发展与应用,促进能源可持续发展和工业生产的可持续性。
2. 旋流及火焰煤粉燃烧技术概述2.1 旋流燃烧技术简介旋流燃烧技术是一种高效的煤粉燃烧方式,通过将进入锅炉内的空气和煤粉快速旋转并混合,形成一个稳定、均匀且强大的旋涡。
这种旋涡可以有效地使空气和煤粉充分混合,提高了其燃烧效率和传热效果。
同时,旋流还有助于防止锅炉内部温度不均匀和结焦等问题的发生,提高了锅炉的稳定性和可靠性。
2.2 火焰煤粉燃烧技术简介火焰煤粉燃烧技术是一种将细粒度的颗粒质料进行完全氧化的高效方法。
在该技术下,通过喷射空气或者其他氧化剂进入反应室,在高温下使得颗粒质料迅速着火并产生火焰。
这种过程中释放出来的能量被用来加强反应,并且通过适当的调节机制可以使燃烧反应达到最佳状态。
旋流器作用及工作原理旋流器是一种常见的工业设备,广泛应用于化工、冶金、环保、食品等行业。
它的主要作用是通过旋转运动将流体分离成不同密度或粒径的组分,从而实现固液或液液的分离。
旋流器的工作原理涉及流体力学、旋转运动和离心力等方面的知识,下面将从这些方面详细介绍旋流器的作用和工作原理。
一、旋流器的作用1. 分离固液旋流器通过高速旋转将流体产生离心力,使得固体颗粒沿着离心力的方向移动,从而实现固体颗粒和液体的分离。
这种机理主要适用于粒径较大的固液混合物,能够有效地实现固液分离,例如在污水处理、煤矿洗选等领域得到广泛应用。
2. 分离液液当两种密度不同的液体混合在一起时,旋流器可以利用其旋转及离心力的作用,使得密度较大的液体靠近旋流器的内壁,密度较小的液体则位于内部,从而实现两种液体的分离。
这种机理主要适用于石油、化工等行业中的液液分离过程。
3. 分级分选在一些颗粒物料的生产过程中,旋流器还可以通过调节旋流器的结构和操作参数,使得物料根据密度或粒度的不同分级分选,实现不同物料的分离和提纯。
二、旋流器的工作原理1. 流体力学原理在旋流器内部,流体首先进入旋流器的入口,随后会在旋流器内形成高速旋转的涡流。
这一过程通过旋转强制流体产生离心力,使得流体中的固体颗粒或者不同密度的液体产生分离。
2. 旋转运动旋流器内部通常设置有旋流器锥形底部的中心芯、入口管和旋流室等部分,以实现流体受到旋转影响而沿着不同的轨道进行分离。
3. 离心力通过旋流器的高速旋转,产生的离心力会使得固体颗粒或不同密度的液体受到向外的分离力,从而实现固液或液液的分离。
离心力的大小与旋流器的结构、旋转速度以及流体密度等因素有关。
三、旋流器的应用领域1. 石油和天然气行业在石油和天然气的开采和加工过程中,旋流器常用于沉降、分级分选和液液分离,例如用于天然气中的液液分离、油水分离等。
2. 化工行业在化工工艺中,旋流器可用于液液分离、固液分离、分级分选等工艺过程,例如在某些催化剂的提取和再生过程中有广泛应用。
高效中心给粉旋流煤粉燃烧技术随着对环境保护要求的不断提高,煤炭燃烧技术也在不断创新和改进。
高效中心给粉旋流煤粉燃烧技术作为一种新兴的燃烧技术,在煤改气方面具有重要的意义。
本文将对高效中心给粉旋流煤粉燃烧技术进行详细介绍。
高效中心给粉旋流煤粉燃烧技术是一种高效的燃烧方式,其核心思想是通过旋流燃烧方式实现煤粉的完全燃烧,提高燃烧效率和减少燃烧产物的排放。
该技术的基本原理是将煤粉与空气进行混合,并在旋流燃烧器中形成旋流,使煤粉与空气充分混合和燃烧,从而达到高效燃烧的目的。
高效中心给粉旋流煤粉燃烧技术具有以下几个特点。
首先,该技术能够实现煤粉的完全燃烧,减少煤粉的燃烧残渣,提高燃烧效率。
其次,通过旋流燃烧器的设计和优化,可以实现煤粉和空气的充分混合,使燃烧更加均匀和稳定。
此外,该技术还可以有效地控制燃烧过程中产生的氮氧化物和二氧化硫等污染物的排放,具有较好的环保性能。
高效中心给粉旋流煤粉燃烧技术的应用范围非常广泛。
首先,在工业领域,该技术可以应用于锅炉、热风炉等燃烧设备中,提高燃烧效率和能源利用率。
其次,在电力行业,该技术可以应用于火电厂的燃烧系统中,提高发电效率和减少污染物排放。
此外,该技术还可以应用于煤改气项目中,将煤炭转化为天然气,实现能源的清洁利用。
高效中心给粉旋流煤粉燃烧技术在实际应用中取得了显著的效果。
通过对燃烧过程的优化和控制,可以实现煤粉的高效燃烧,提高能源利用率。
与传统的燃烧方式相比,该技术具有更高的燃烧效率和更低的污染物排放。
同时,该技术的应用还可以降低能源消耗,减少对煤炭等化石能源的需求,具有重要的经济和环境效益。
在未来的发展中,高效中心给粉旋流煤粉燃烧技术还有进一步的改进和创新空间。
首先,可以通过对旋流燃烧器的结构和参数进行优化,提高燃烧效率和稳定性。
其次,可以进一步研究和应用先进的燃烧控制技术,实现煤粉燃烧过程的精细化控制。
此外,还可以结合其他清洁能源技术,如燃料电池和太阳能等,实现多能源的综合利用。
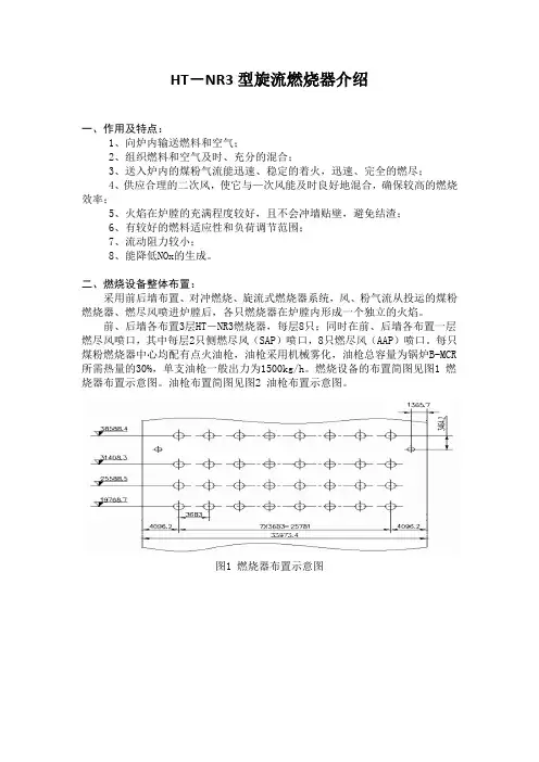
HT-NR3型旋流燃烧器介绍一、作用及特点:1、向炉内输送燃料和空气;2、组织燃料和空气及时、充分的混合;3、送入炉内的煤粉气流能迅速、稳定的着火,迅速、完全的燃尽;4、供应合理的二次风,使它与—次风能及时良好地混合,确保较高的燃烧效率;5、火焰在炉膛的充满程度较好,且不会冲墙贴壁,避免结渣;6、有较好的燃料适应性和负荷调节范围;7、流动阻力较小;8、能降低NOx的生成。
二、燃烧设备整体布置:采用前后墙布置、对冲燃烧、旋流式燃烧器系统,风、粉气流从投运的煤粉燃烧器、燃尽风喷进炉膛后,各只燃烧器在炉膛内形成一个独立的火焰。
前、后墙各布置3层HT-NR3燃烧器,每层8只;同时在前、后墙各布置一层燃尽风喷口,其中每层2只侧燃尽风(SAP)喷口,8只燃尽风(AAP)喷口。
每只煤粉燃烧器中心均配有点火油枪,油枪采用机械雾化,油枪总容量为锅炉B-MCR 所需热量的30%,单支油枪一般出力为1500kg/h。
燃烧设备的布置简图见图1 燃烧器布置示意图。
油枪布置简图见图2 油枪布置示意图。
图1 燃烧器布置示意图图2 油枪布置示意图每台磨煤机带 1 层中的 8 只燃烧器。
燃烧器层间距为 5.8198m,燃烧器列间距为 3.683m,上层燃烧器中心线距屏底距离约为 22.3m,下层燃烧器中心线距冷灰斗拐点距离约为 3.381m。
最外侧燃烧器中心线与侧墙距离为 4.0962m,燃尽风距最上层燃烧器中心线距离为7.1501m。
燃烧器配风分为一次风、内二次风和外二次风,分别通过一次风管,燃烧器内同心的内二次风、外二次风环形通道在燃烧的不同阶段分别送入炉膛。
其中内二次风为直流,外二次风为旋流。
三、燃烧器的结构1、煤粉燃烧器的结构煤粉燃烧器主要由一次风弯头、煤粉浓缩器、燃烧器喷嘴、稳焰环、内二次风装置、外二次风装置(含调风器、执行器)及燃烧器壳体等零部件组成。
(图3“燃烧器结构示意图”,图4“现场安装好后的燃烧器喉口部位”)。
直流燃烧器与旋流燃烧器常见故障分析与处理直流燃烧器的形状窄长,布置在炉膛四角,托电一期锅炉为直流燃烧器由六组燃烧器喷出的气流在炉膛中心形成一个切圆。
直流燃烧器喷出的一、二次风都是不旋转的直射气流,喷口都是狭长形。
旋流燃烧器是利用其能使气流产生旋转的导向结构,使出口气流成为旋转射流,托电二期锅炉为轴向叶轮式旋流燃烧器,前后三层对冲燃烧。
燃烧器有一根中心管,管中可插油枪。
中心管外是一次风环通道,最外圈是二次风环形通道。
这种燃烧器对锅炉负荷变化的适应性好,并能适应不同性质的燃料的燃烧要求,且其结构尺寸较小,对大容量锅炉的设计布置位置较为方便。
故障现象:(1)炉膛燃烧吊焦。
(2)燃烧器入口插板门漏粉。
(3)燃烧器出口浓向分流板磨损严重。
(4)燃烧器外壳有裂纹。
原因分析:(1)没有按设计煤种供应燃料,造成燃料中灰分的ST温度过低,炉膛热负荷过高,炉膛出口烟道截面太小,喷燃器调整不当,炉膛门孔关闭不严,墙式吹灰器失灵,炉膛出口受热面管排不平整,造成受热面结焦。
(2)火焰中心偏向#1角,阻塞了喷口面积,使#1角阻力增大,发生结渣。
(3)插板门安装不合适。
法兰连接螺栓松动。
(4)一次风流速过高。
(5)燃烧器材料与设计不符。
处理方法:(1)严格按照设计煤种要求合理配煤。
适当调整喷燃器摆动角度。
加强炉膛吹灰,经常检查使炉膛各门孔关闭严密。
修后炉膛出口受热面管排平整。
(2)检查#1角燃烧器角度是否与其它三个角一致。
(3)运行中测量各台磨风速,调整到合适的流量。
(4)利用临修、小修传动燃烧器入口二次风各挡板门是否开度一致。
(5)利用临修、小修重新调整插板门安装位置并对法兰连接螺栓重新进行热紧。
(6)利用临修、小修重新更换浓向分流板。
(5)用补焊钢板的方法对有裂纹的燃烧器外壳进行加固。
防范措施:(1)加强点检,发现问题及时分析并做响应的调整。
(2)利用停炉仔细检查燃烧器四周及内部,发现问题及时处理。
(3)检查磨煤机出口分离器调节挡板是否有损坏的。
HT-NR3型旋流燃烧器介绍一、作用及特点:1、向炉内输送燃料和空气;2、组织燃料和空气及时、充分的混合;3、送入炉内的煤粉气流能迅速、稳定的着火,迅速、完全的燃尽;4、供应合理的二次风,使它与—次风能及时良好地混合,确保较高的燃烧效率;5、火焰在炉膛的充满程度较好,且不会冲墙贴壁,避免结渣;6、有较好的燃料适应性和负荷调节范围;7、流动阻力较小;8、能降低NOx的生成。
二、燃烧设备整体布置:采用前后墙布置、对冲燃烧、旋流式燃烧器系统,风、粉气流从投运的煤粉燃烧器、燃尽风喷进炉膛后,各只燃烧器在炉膛内形成一个独立的火焰。
前、后墙各布置3层HT-NR3燃烧器,每层8只;同时在前、后墙各布置一层燃尽风喷口,其中每层2只侧燃尽风(SAP)喷口,8只燃尽风(AAP)喷口。
每只煤粉燃烧器中心均配有点火油枪,油枪采用机械雾化,油枪总容量为锅炉B-MCR 所需热量的30%,单支油枪一般出力为1500kg/h。
燃烧设备的布置简图见图1 燃烧器布置示意图。
油枪布置简图见图2 油枪布置示意图。
图1 燃烧器布置示意图图2 油枪布置示意图每台磨煤机带 1 层中的 8 只燃烧器。
燃烧器层间距为 5.8198m,燃烧器列间距为 3.683m,上层燃烧器中心线距屏底距离约为 22.3m,下层燃烧器中心线距冷灰斗拐点距离约为 3.381m。
最外侧燃烧器中心线与侧墙距离为 4.0962m,燃尽风距最上层燃烧器中心线距离为7.1501m。
燃烧器配风分为一次风、内二次风和外二次风,分别通过一次风管,燃烧器内同心的内二次风、外二次风环形通道在燃烧的不同阶段分别送入炉膛。
其中内二次风为直流,外二次风为旋流。
三、燃烧器的结构1、煤粉燃烧器的结构煤粉燃烧器主要由一次风弯头、煤粉浓缩器、燃烧器喷嘴、稳焰环、内二次风装置、外二次风装置(含调风器、执行器)及燃烧器壳体等零部件组成。
(图3“燃烧器结构示意图”,图4“现场安装好后的燃烧器喉口部位”)。
旋流燃烧器工作原理
旋流燃烧器是一种喷嘴结构特殊的燃烧器,其工作原理基于旋流现象和快速混合燃料与氧气。
旋流燃烧器内部包含一个中心喷嘴,燃料和氧气从该喷嘴内部喷射出来。
除喷嘴之外,还有一个圆形腔室与喷嘴相连接。
当燃料和氧气从喷嘴射出时,它们以高速进入腔室。
在腔室中,喷射的气流将会形成一个旋转的涡流。
由于喷射速度较高,涡流具有较大的动能,使燃料和氧气迅速混合,并形成一个稳定的燃烧区域。
在涡流中,由于旋流的强烈对流效果,燃料和氧气的混合程度大大提高,从而实现高效燃烧。
此外,涡流的形成还能增加燃烧区域的表面积,进一步提高燃烧效率。
另外,旋流燃烧器还具有良好的涡流稳定性。
当燃烧区域的湍流流向发生变化时,涡流可以自我调节并保持相对稳定的旋转状态,保证燃料和氧气的充分混合和燃烧。
总之,旋流燃烧器通过利用涡流的旋转和对流效应,实现燃料和氧气的高效混合和稳定燃烧,从而提高燃烧效率和能源利用率。
燃烧器得作用燃烧器就是煤粉炉燃烧设备得主要组成部份,它得作用就是把煤粉与燃烧所需得空气送入炉膛,合理地组织煤粉气流,并良好地混合,促使燃料迅速而稳定地着火与燃烧。
一个良好得燃烧器应具备得确良基本条件就是:(1)一二次风出口截面应保证适当得一二次风风速比;(2)出口气流有足够得扰动性,使气流能很好地混合;(3)煤粉气流得扩散角,能在一定范围内任意调节, 以适应煤种变化得需要;(4)沿出口截面煤粉得分布应均匀;(5)结构应简单、紧凑,通风阻力应小。
旋流式燃烧器1、旋流式燃烧器得工作原理旋流式燃烧器由圆形喷口组成,燃烧器中装有各种型式得旋流发生器(简称旋流器)。
煤粉气流或者热空气通过旋流器时,发生旋转,从喷口射出后即形成旋转射流。
利用旋转射流,能形成有利于着火得高温烟气回流区,并使气流强烈混合。
射出喷口后在气流中心形成回流区,这个回流区叫内回流区。
内回流区卷吸炉内得高温烟气来加热煤粉气流,当煤粉气流拥有了一定热量并达到着火温度后就开始着火,火焰从内回流区得内边缘向外传播。
与此同时,在旋转气流得外围也形成回流区,这个回流区叫外回流区。
外回流区也卷吸高温烟气来加热空气与煤图 4-19 旋转气流粉气流。
由于二次风也形成旋转气流,二次风与一次风得混合比较强烈,使燃烧过程连续进行,不断发展,直至燃尽。
2、旋流式燃烧器得类型按照旋流器得结构,旋流式燃烧器可分为蜗壳式、轴向叶片式、切向叶片式三大类,常用得有以下几种:旋流式燃烧器蜗壳式轴向叶轮式切向叶片式单蜗壳式双蜗壳式三蜗壳式单调风双调风3、双调风旋流式燃烧器双调风旋流式燃烧器就是在单调风燃烧器得基础上发展出来得。
双调风式燃烧器就是把燃烧器得二次风通道分为两部份,一部份二次风进入燃烧器得内环形通道,另一部份二次风进入燃烧器得外环形通道。
在内环形通道中装有旋流叶片,旋流叶片就是可动得,通过传动装置可使叶片同步转动,调节叶片得旋转角度,能改变二次风得旋流强度,使燃烧保持稳定。
旋流燃烧器的工作原理
旋流燃烧器是一种常用于工业燃烧应用的设备,其工作原理由以下几个步骤组成:
1. 燃料和氧气的混合:燃料通常通过喷嘴或喷管以一定速率喷入旋流燃烧器的中央区域,氧气则从周围环境进入。
在旋流燃烧器内部,燃料和氧气会被剪切和混合,并形成一个紊流的气体环境。
2. 旋流效应:在旋流燃烧器内部,通过设计特殊的结构,使燃料和氧气形成旋转的气体流动。
这种旋流的效应有助于增加燃料和氧气的混合程度,并提供更好的燃烧条件。
3. 燃烧反应:当燃料和氧气混合在一起,并达到一定的温度和压力时,燃烧反应会发生。
燃料分子和氧气分子相互碰撞和反应,产生燃烧产物,如二氧化碳、水蒸气和废气。
4. 燃烧稳定性:旋流燃烧器的设计通过优化旋流效应,有助于产生稳定的燃烧。
这种稳定性可以确保燃烧反应持续进行,同时最大限度地减少不完全燃烧和产生有害物质的风险。
总之,旋流燃烧器通过将燃料和氧气混合并形成旋转的气体流动,在一定的温度和压力下促使燃烧反应发生,从而实现有效、稳定的燃烧过程。
锅炉|孔乙己:你知道旋流燃烧器分几种吗?电力百科第 38 期:燃烧器1 旋流式燃烧器旋流式燃烧器是其出口气流是旋转射流。
气流旋转的情况有两种, 一种是一次风粉气流和二次风都旋转, 一种是二次风旋转而一次风为直流。
按促使气流旋转的旋流部件的形式分, 一般有蜗壳型旋流燃烧器和叶片型旋流燃烧器两类。
蜗壳型旋流燃烧器又可以分为双蜗壳型旋流燃烧器和单蜗壳型旋流燃烧器两种。
1 .1 双蜗壳型旋流燃烧器双蜗壳型旋流燃烧器的一二次风均利用在蜗壳中的流动而产生旋转, 两股射流的旋转方向相同。
大蜗壳中是二次风, 小蜗壳中是一次风。
燃烧器中心有一中心管, 可以在管中设置油喷嘴。
二次风进口处装有舌形挡板, 用来调整二次风的旋流强度。
由于一二次风都是旋转气流, 因此在进入燃烧室后就扩散成为空心锥环状气流。
在气流的卷吸作用下, 空心锥的内外表面部会受到高温烟气的加热。
这种燃烧器旋流强度的调节幅度小, 当煤种变化时可能会因火焰位置不好调整而容易结渣。
另外, 一二次风的阻力大, 煤粉在一次风气流中的分布不均匀, 也是这种燃烧器的不足之处。
1 .2 单蜗壳型旋流燃烧器单蜗壳型旋流燃烧器的一次风为直流, 二次风气流利用蜗壳产生旋转后沿环状通道进入燃烧室。
一次风由中心风管进入燃烧室, 在一次风出口处装有一个蘑菇形扩散锥, 扩散锥后产生的回流区有助于煤粉气流的着火。
扩散锥可通过手轮和拉杆前后移动, 从而改变一次风粉气流的扩散角度, 但扩散锥处于高温烟气回流区, 容易结渣或烧坏。
1 .3 叶片型旋流燃烧器轴向可动叶片型旋流燃烧器。
它的一次风为直流, 二次风是旋转的。
这种燃烧器的中心有一根中心风管, 中心风管外是一次风的环形通道, 中心风管内可以设置油喷嘴。
二次风气流在通过二次风叶轮时受轴向叶片的引导而产生旋转。
二次风叶轮可通过调整机构沿轴向移动, 从而调整二次风的旋流强度。
二次风通道是一个环锥形的套筒, 二次风叶轮也是环锥形的, 叶轮装在套筒内。
现代燃气漩涡原理一、燃气漩涡概述燃气漩涡是一种利用高速旋转的气流产生强烈的离心力和剪切力来实现混合、燃烧和增压的设备。
它广泛应用于工业领域,如燃气轮机、锅炉、发电机组等。
二、漩涡器结构漩涡器通常由进口管道、旋转体和出口管道三部分组成。
其中,旋转体是漩涡器的核心部件,它由多个叶片组成,通过高速旋转产生强大的离心力和剪切力。
三、漩涡器工作原理当气体通过进口管道进入漩涡器时,首先经过螺旋形导流板,使气体产生一个螺旋形运动。
接着进入旋转体,在高速旋转的作用下,气体受到强大的离心力和剪切力,从而形成一个空气环流,并使空气分子发生撞击和摩擦。
这种撞击和摩擦使空气分子之间发生能量交换,从而实现了混合和增压效果。
四、漩涡器优点1.高效:漩涡器的高速旋转能够产生强大的离心力和剪切力,使气体混合更加充分,燃烧效率更高。
2.节能:漩涡器能够增加气体压力,降低了系统所需的压缩功率,从而实现了节能效果。
3.稳定:漩涡器具有良好的稳定性和可靠性,可以在长时间内保持高效运行。
4.适应性强:漩涡器适用于多种不同类型的气体,具有很强的适应性。
五、漩涡器应用领域1.燃气轮机:漩涡器广泛应用于燃气轮机中,通过增加空气流量和压力来提高燃料燃烧效率和功率输出。
2.发电机组:漩涡器可以提高锅炉燃料的利用率,并减少排放物质对环境的影响。
3.工业生产:漩涡器可以在化工、冶金、制药等领域中提高反应速度和混合均匀度。
六、总结漩涡器作为一种重要的工业设备,在现代工业生产中发挥着重要的作用。
通过高速旋转的气流产生强烈的离心力和剪切力,实现了气体混合、燃烧和增压等效果。
漩涡器具有高效、节能、稳定和适应性强等优点,在燃气轮机、发电机组和工业生产等领域有着广泛的应用。
星星之火灶王商用中餐节能灶技术报告0引言为了贯彻实施《中华人民共和国节约能源法》,提高燃气器具的能源利用效率,2006年以来国家陆续发布了燃气器具领域的几项能源效率标准,相信此举必定为燃气器具生产企业节能技术进步,培养消费者形成节约消费理念,使用节能环保型产品起到极大的推动作用。
近几年我国能源形势日趋紧张,国家积极倡导建设节约型社会,开发、研制、使用节能环保型燃气器具已成为行业及消费者的共同期望。
目前,中餐灶燃烧集中采用缓燃烧技术,常规包括非预混式燃烧和预混式燃烧两种方式,其中前者在商用燃气灶方面的使用普及率大约在90%以上,后者则不足10%,两者在技术层面上各有利弊。
星星之火灶王采用当今世界领先的分层次燃烧理论设计。
分层次燃烧技术是在预混式与非预混式两种常规燃烧方式基础之上发展并取得突破的新型燃烧方式,星星之火灶王借鉴了航天器、汽车发动机等高层次技术领域的设计理念,回避了两种传统燃烧方式的缺点,并发展延伸了目前燃烧器的多种优点,于2009年以“旋风燃气燃烧器”名称取得国家实用新型发明专利(专利号ZL 2008 2 0132928.5)。
1.中餐节能灶的构造中餐节能灶的构造,如图1所示。
(描述中餐节能灶的构造,使用图1中的序号及名称)。
01-预混器;02-上燃室;03-下燃室;04-火种管接头;05-火种铜管;06-火种限位开关;07-火种开关;08-火种圈;09-火种喷嘴;10-火种铜管;11-燃气喷嘴;12-固定板;13-螺栓;14-燃气管;15-链条;16-被动链轮轴架;17-风板;18-燃气限位开关;19-主动齿轮;20-燃气开关;21-限位风板;22-风板管总成。
图1 星星之火中餐节能灶构造图2.星星之火中餐灶燃烧器的工作过程2.1旋流燃烧器理论燃气有效燃烧所必须的首要条件是使它们与燃烧所需空气充分混合,燃气和空气的混合过程也是决定燃烧过程性质的一个重要因素。
例如有焰燃烧,其火焰长度、宽度以及它的温度分布等特性将主要取决于燃气与空气的混合。