分级及分级设备
- 格式:pptx
- 大小:4.34 MB
- 文档页数:37
设备分级管理规定一、分级标准:A级:设备一旦出现故障可能会引起生产停产,如:纯化水系统、空气压缩系统、净化空调系统、灌装机;B级:主要用于特殊过程、关键工序,对产品质量有重要影响且操作较复杂的仪器设备或主要的检验仪器设备;C级:在其它环节中使用,对产品质量有轻微影响且操作较简单的设备或一般的检验仪器设备。
D级:辅助类的仪器设备,如:震荡器等。
二、各级别注意事项:A级:此类设备要有独立的操作规程进行指导使用、维护保养,并按照相对应的操作规程要求进行保养维护和使用记录的填写;没有特殊要求的设备填写《A级设备使用记录》;维护保养填写《维护保养记录》;内容如下:•保养频次为六个月进行一次,由设备维护人员进行,设备操作人员协助。
•清扫、检查、调整电器部分,检查电器接触是否良好,接线是否牢固;•彻底清洁、擦拭设备内外表面和死角部,清除表面活动毛刺,无污物;•检查、调整必要的零件,调整各部件的间隙,更换易损件;•检查紧固件和操纵装置,做到齐全可靠;•清洗油杯、油管、油标,检查油质,按规定加油,做到油路畅通,油标醒目;•排除故障,消除隐患,必要时对设备局部拆卸检查,调整和修复。
B级:此类设备要有独立的操作规程指导使用;并按照相对应的操作规程进行保养维护和使用记录的填写,没有特殊要求的设备按照《B级设备使用记录》进行日常使用记录,维护保养填写《维护保养记录》。
内容如下:•设备的B级维护保养为每年进行一次,由设备维修人员进行,设备操作人员协助。
B级维护保养需完成A级维护保养的全部内容;•检查传动系统,修复、更换磨损器件;•检查电机,更换润滑油,检查电机绝缘;•整理电器线路,做到线路整齐安全,接地线符合规定;•更换新油,消除漏油;•对设备进行部分解体检查,调整、修复和更换必要的零部件。
注:设备操作人员、设备维修人员在对设备实施维护保养后,应如实填写《设备维护保养记录》。
C级:此类设备根据操作的复杂程度评估是否需单独编写操作规程,对于其中结构简单且需长时间连续使用或者频繁使用的设备,如温湿度计、压差计、容量瓶、移液器等,不需要填写保养记录级使用记录,其它的按照《设备日常保养及使用记录》说明进行保养和日常使用记录的填写。
设备分类分级管理制度一、总则为规范和管理企业设备的使用和保管,加强对设备的监督和保养,提高设备的利用率和寿命,制定本制度。
二、设备分类根据用途和性质,企业设备分为生产设备、辅助设备和办公设备三类。
1.生产设备:指直接参与产品生产的设备,包括生产线、机床、起重设备等。
2.辅助设备:指协助生产设备工作的设备,包括压缩空气设备、冷却设备、运输设备等。
3.办公设备:指用于企业办公和管理的设备,包括电脑、打印机、传真机等。
三、设备分级管理为了更好地管理企业设备,要根据设备的重要性和价值分级管理,制定以下管理标准:1.重要性分级根据设备对生产经营的重要程度,设备分为A级、B级和C级三个等级。
A级设备:对生产经营具有重要影响,一旦损坏会导致生产中断或影响产品质量;B级设备:对生产经营有一定影响,一旦损坏会对生产进度有所影响;C级设备:对生产经营影响较小,一旦损坏可通过其他设备替代。
2.价值分级根据设备的价值和使用寿命,设备分为高价值设备、中价值设备和低价值设备三个等级。
高价值设备:设备价值较高,一般为生产设备和关键辅助设备;中价值设备:设备价值适中,一般为一般辅助设备和办公设备;低价值设备:设备价值较低,一般为低价值办公设备和附属设备。
四、设备管理责任1.设备管理员每台设备由设备管理员负责管理,设备管理员对设备的使用、保养和维护负有责任。
设备管理员应具备相关技术和管理知识,定期检查设备状态,及时维修保养,确保设备正常运转。
2.设备保养设备管理员应定期制定设备保养计划,包括设备清洁、润滑、紧固等工作,定期检查设备损坏和磨损部件,及时更换和修复。
对于重要设备,还需制定专项保养计划,定期进行大修和设备升级。
3.设备维修设备管理员应及时对设备出现的故障进行维修,对于无法维修的设备应及时报废或更换。
维修过程中必须按规定的流程和标准进行,确保设备维修质量。
4.设备安全管理设备管理员应对设备操作人员进行培训和考核,确保设备操作规范和安全。
设备分级制度规范1.目的:通过制定分类办法对设备进行有效的分类管理,根据设备的不同等级,制定不同设备的巡检、维护保养、维修等方案,合理的安排人力将有限的资源(人力、财力和物力)应用于最重要的设备上,降低维修成本,提高设备管理水平。
2.范围:有限公司现场所有设备。
3.职责:3.1.工程部经理:负责根据《设备分类管理标准及办法》对现场不同类别的设备进行相应的,巡检、维护、维修和管理办法;有责任和义务参与对设备的分类评估。
3.2.工程部全体员工:负责对新上设备和变更设备进行重新分类评估;负责定期对所有设备进行重新分类评估,并对设备分类清单进行更新;负责根据设备不同分类制定相应的巡检、维护、维修和管理办法;3.3.生产部:有责任和义务参与设备的分类讨论,并及时提供本工序的设备变更情况。
4.程序:4.1设备分级:4.1.1等级划分:根据设备对生产、质量、成本、安全和环保等方面影响的重要程度,将宁波工厂的设备分为: A1、A2、A3、B1、B2、B3、C1、C2、C3、D1、D2、D3、E1、E2、E3、F1、F2、F3;共18个等级。
4.1.2分级评定标准环境分为三级,一级:影响到北仑以上地区。
二级:影响到开发区。
三级:影响到公司内部。
安全分为三级,一级:有生命危险。
二级:有伤残风险。
三级:有工伤。
生产分为三级,一级:全厂停产。
二级:一条以上生产线。
三级:一条以上生产线。
产品质量,一级:客户退货。
二级:赔偿客户。
三级:公司内部发现。
设备,一级:维修成本10W元以上,二级1W至10W元,三级1W元以下。
成本,一级:50W以上,二级:10W至50W,三级10W以下。
4.1.3分级方法:A1级:环境,安全,生产,产品质量,设备,成本均有风险且其中至少一项在一级。
A2级:环境,安全,生产,产品质量,设备,成本均有风险且其中至少一项在二级。
A3级:环境,安全,生产,产品质量,设备,成本均有风险且其中至少一项在三级。
19设备分级保养制度一、概述为了确保设备的正常运行和延长设备的使用寿命,制定设备分级保养制度是必要的。
本制度旨在对公司内的各类设备进行分类管理和定期保养,以达到保障设备安全、提高设备效率的目的。
二、设备分类根据设备的类型、重要性和使用频率,将设备分为三个级别,分别为A级、B级和C级。
1.A级设备:指对公司生产或经营具有重要性、必须处于正常运行状态的设备,一旦发生故障将对公司业务产生重大影响的设备。
如主要生产设备、关键仪器、领导办公设备等。
2.B级设备:指对公司生产或经营有一定重要性,但发生故障对公司影响较小的设备。
如辅助生产设备、分析测试仪器、一般办公设备等。
3.C级设备:指对公司生产或经营影响较小,一旦发生故障也不会对公司业务产生严重影响的设备。
如办公文具、劳保用品等。
三、设备保养周期1.A级设备保养周期:1)每天保养:对设备进行日常清洁、润滑、检查等简单保养工作,确保设备的正常运行。
2)每周保养:对设备进行更为彻底的检查和维护,包括更换易损件、校准仪器、清洗过滤器等。
3)每月保养:对设备进行全面检查和维护,对设备进行大修、更换关键部件等。
2.B级设备保养周期:1)每周保养:对设备进行日常的清洁、润滑、检查等工作,确保设备的正常运行。
2)每月保养:对设备进行更为彻底的维护和检查,包括更换易损件、校准仪器、清洗过滤器等。
3.C级设备保养周期:1)每月保养:对设备进行日常的清洁、润滑、检查等工作,确保设备的正常运行。
2)每季度保养:对设备进行更为全面的维护和检查,包括更换易损件、校准仪器等。
四、保养记录和报告为了确保设备保养工作的有效性和跟踪设备状况,每次保养都需要记录和报告。
具体要求如下:1.保养记录:1)记录保养的日期、保养人员、保养内容等。
2)记录保养过程中发现的异常情况,以及处理和解决方法。
2.保养报告:1)定期编制设备保养报告,包括保养情况、设备状态评估等。
2)报告中应包括对设备的改进建议和维修需求。
机器设备分级管理制度1. 简介本制度旨在规范和管理公司内的机器设备使用,并设置不同级别的管理权限,以提高使用效率和保障设备的安全性。
2. 设备分级为方便管理和控制,将公司内的机器设备分为三个级别:2.1 一级设备一级设备指的是公司核心生产设备或关键运营设备,如生产线主机、数据中心服务器等。
只有经过相关资质认证的员工才可访问和操作该类设备。
2.2 二级设备二级设备指的是辅助生产和运营的设备,如电脑、复印机、打印机等。
所有公司员工都可访问和操作该类设备,但需要遵守相关使用规范和操作流程。
2.3 三级设备三级设备指的是日常办公使用的设备,如电话、传真机、咖啡机等。
所有公司员工都可访问和操作该类设备,但需要根据实际需求和用途合理使用。
3. 设备管理权限为了保障设备安全和合理使用,根据设备级别设置不同的管理权限:3.1 一级设备管理权限只有经过特定培训和授权的员工才能使用一级设备,并需通过身份验证和访问密码来访问设备系统。
对于涉及机密信息的设备,还需签署保密协议。
3.2 二级设备管理权限所有公司员工都可以使用二级设备,但需要遵守设备使用规范和操作流程。
对于特殊访问权限的需求,需提出申请并获得相关部门批准。
3.3 三级设备管理权限所有公司员工都可使用三级设备,但需要根据实际需求和用途合理使用,避免浪费和损坏设备。
4. 设备使用规范为了保障设备的正常运行和延长使用寿命,所有员工需遵守以下设备使用规范:- 不得擅自更改设备设置和参数;- 避免使用未经授权的软件或程序;- 定期检查设备状况并及时报修故障设备;- 妥善保管设备和相关配件,避免丢失或损坏;- 离岗时及时关闭设备,节约能源和降低安全风险。
5. 处罚和违规处理对于违反设备使用规范的行为,将依据公司相关规定进行处理,包括但不限于下列方式:- 警告和口头教育;- 暂停设备使用权限;- 记入个人档案并影响晋升评价;- 根据情节严重性,可能会引起纪律处分或法律追究。
设备等级划分制度1. 划分标准设备等级的划分主要依据以下几个标准:1.1 功能根据设备的功能来划分等级,包括设备的用途、特点等。
例如,将设备分为生产设备、实验设备、办公设备等不同功能的设备。
1.2 性能考虑设备的性能指标来划分等级,包括设备的速度、精度、稳定性等。
根据性能指标的不同,可以将设备分为高性能设备、中性能设备、低性能设备等等。
1.3 安全性考虑设备的安全性来划分等级,包括设备的风险程度、安全防护措施等。
将设备分为高安全性设备、中安全性设备、低安全性设备等不同级别。
2. 等级划分根据以上标准,将设备划分为以下等级:2.1 一级设备一级设备是最高级别的设备,具备最先进的技术和最高的性能指标。
一级设备通常用于关键的生产过程或需要高精度和高稳定性的实验。
2.2 二级设备二级设备是中等级别的设备,具备较高的功能和性能。
二级设备通常用于常规的生产过程或需要一定精度和稳定性的实验。
2.3 三级设备三级设备是最低级别的设备,具备基本的功能和性能。
三级设备通常用于简单的生产过程或不需要高精度和高稳定性的实验。
3. 管理措施为了有效管理不同等级的设备,需要采取相应的管理措施:3.1 认证和审批对于一级设备,需要进行认证和审批,确保其性能和安全性达到要求。
3.2 定期检测和维护对于所有等级的设备,都应进行定期检测和维护,确保其正常运行,提高设备的可靠性和稳定性。
3.3 限制使用权限根据设备的等级,对使用设备的人员进行权限限制,确保设备的安全性和保密性。
4. 监督和评估对设备的等级划分和管理措施进行监督和评估,及时发现问题并进行改进。
以上是设备等级划分制度的主要内容,通过该制度的实施,可以有效管理和利用不同等级的设备,提高生产效率和安全性。
设备分级与重点设备管理制度一、设备分级为了更好地管理设备,提高设备的稳定性和可靠性,我们需要对设备进行分级管理。
设备分级要按照设备等级、设备重要性等要素进行划分,一份完整的设备分级表应包括设备名称、编号、设备等级、设备重要性、设备位置、负责人等信息。
1.设备等级设备等级是对设备质量和技术水平的综合评定。
针对不同类型的设备,应制定相应的等级标准。
设备等级通常分为三个级别:•一级设备:技术水平、性能指标较高的设备,使用寿命长,维护保养比较容易,价格也比较昂贵。
一般采用国产知名品牌或进口品牌的设备。
•二级设备:技术水平、性能指标中等的设备,使用寿命较长,价格相对比较低廉。
一般采用国产名牌或合资小品牌的设备。
•三级设备:技术水平、性能指标不高,适用于一些比较简单的工作,使用寿命较短,较为容易出故障。
价格比较低廉。
一般采用国产普通品牌或进口低档品牌的设备。
2.设备重要性设备重要性是对设备在生产运营中的重要性和紧急程度进行评价。
设备重要性通常分为三个级别:•A级设备:关乎生产方式和生产工艺的核心设备,一旦出现故障,会导致生产停滞。
•B级设备:生产运营关键的设备,一旦出现故障,有可能导致生产线停机,影响生产进度。
•C级设备:对生产运营轻微影响的设备,一旦出现故障,虽然不会影响整个生产线,但依然需要及时处理。
二、重点设备管理制度重点设备是指设备等级和设备重要性均较高的设备,对于生产运营具有非常重要的意义。
重点设备管理制度的实施将有助于提高重点设备的稳定性和可靠性,有效预防事故发生。
1.设备台账对于所有的重点设备,需要建立相应的设备台账。
设备台账是一个重要的管理工具,主要包括设备名称、编号、厂家、型号、投产日期等信息。
并应按照设备分级表中的等级和重要性进行标识。
2.设备维护计划对于重点设备应制定细化的维护计划。
设备维护计划应根据设备的不同等级和重要性,确定维护频次和维护内容。
在执行维护计划的过程中,应注意准确记录维护过程中的设备运行状态和维护内容。
设备分级管理方案为进一步做好设备检维修及故障分析处理工作,加大各级技术人员参与设备技术管理的深度,在综合考虑设备重要程度、故障影响范围及故障发生频次、维修技术难度等因素的基础上,公司决定实施设备分级(A/B/C三级)管理,即公司技术质量部级、车间技术组级和班组技术员级,并对各级技术人员赋予相应的管理职责,具体如下:一、分级原则按照设备重要程度总体划分原则:A级设备:关键设备(跨专业设备),在主流程上不可旁路或无备用一旦出现故障影响重大必须立即抢修的设备,直接造成装置停工、降量、循环的设备和影响全厂稳定运行的公用工程设备.B级设备:主要设备(本专业一级设备),在主流程上可旁路或有备用一旦出现故障影响较大必须立即抢修的设备,对生产流程造成局部影响的设备.C级设备:一般设备(本专业二级设备),在非主流程上可旁路或有备用一旦出现故障影响不大允许在一段时间内修复的设备。
按照设备重要程度各专业内部大体划分原则:机修专业:机>泵>阀电气专业:3000KW以上电机>250KW以上电机>250KW以下电机仪表专业:联锁回路>控制回路>显示回路静设备专业:高压设备>中压设备>低压设备按照设备关注程度大体划分原则:无备用设备>有备用设备高故障率设备>低故障率设备无维修经验设备>有维修经验设备二、设备分级按照以上分级原则,将全厂设备分为A、B、C三级,详见附表.三、管理职责A级设备的技术负责人为技术质量部专业工程师,技术质量部专业工程师为生产保运部的生产组织提供技术支持,专业工程师负责组织制定和审批A级设备故障处理及检维修施工方案;负责定期组织A级设备状态巡检和分析诊断,组织A级设备开机条件确认;负责组织A级设备运行状态评价,编制A级设备运行状态评价报告;负责组织A级设备故障分析,编制A级设备故障分析报告,监督检查A级设备故障处理及检维修施工方案执行情况,检验维修效果,负责审查B级设备故障分析报告;负责停检、维修、抢修期间A级设备的技术、质量管理.B级设备的技术负责人为各车间技术组技术员,车间技术员为车间生产主任的生产组织提供技术支持,车间技术员负责制定A级设备故障处理及检维修施工方案,负责方案交底,负责组织制定和审批B级设备故障处理及检维修施工方案;负责参与A级设备状态巡检和分析诊断,定期组织B级设备状态巡检和分析诊断,组织B级设备开机条件确认;负责参与A级设备运行状态评价,组织B级设备运行状态评价,编制B级设备运行状态评价报告;负责参与A级设备故障分析,组织B级设备故障分析,编制B级设备故障分析报告,监督检查B级设备故障处理及检维修施工方案执行情况,检验维修效果,负责审查C级设备故障分析报告;负责停检、维修、抢修期间A、B级设备的技术、质量管理。
设备分类分级管理办法为进一步推进设备的精细化管理,明确设备管理的责任目标,加强重点关键设备的受控力度,提高管理效率,制定本办法。
本办法主要对设备的分类分级管理进行了具体的要求,公司所有设备均应按本办法进行分类分级管理。
设备的分类公司设备按A、B、C三类进行分类,分类的方法是根据该设备的重要性和对生产系统的影响。
分类原则如下:一、A类设备是指该设备损坏后,对人员、生产系统或其他重要设备的安全构成严重威胁或直接导致环境严重污染的设备。
二、B类设备是指该设备损坏或在自身和备用设备均失去作用的情况下,会直接导致装置的操作性、安全性、可靠性、经济性降低或导致环境污染的设备;本身价值昂贵且故障检修周期或备件采购(或制造)周期较长的设备.三、C类设备是指不属于A类、B类的设备.分类的方法:可采用直接指定法和公式判定法两种方法。
直接指定法:依据设备对公司生产影响的重要程度和设备价值直接进行指定。
A类设备的确定应主要依据该方法.公式判定法:对单位所属的设备进行综合分析,按照规定的项目进行打分评类。
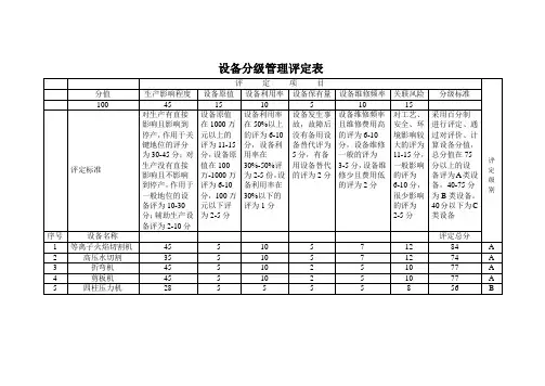
规定的项目包括:生产影响程度、价值大小、设备利用率、设备保有量、维修难度、检修频次、配件供应及关联风险(工艺、安全、环保).B类、C类设备的划分应主要依据该办法.具体评定方法如下:采用百分制进行评定,通过评价,计算设备分值,总分值在75分以上的设备评为A类设备,40~75分为B类设备,40分以下为C类设备。
评定时依据下表项目和内容进A类设备为重点关键设备,是各级设备部门管理的重点,为公司重点特护对象,要求设备技术档案必须齐全完整,设备投用前必须制定设备的润滑方案,操作及维护人员必须经培训考核后上岗,落实设备的“四定”(定人、定岗、定机、定责)工作,严格执行设备润滑监测制度和设备点检制度,开展设备动态监测技术,实现以状态监测为基础的预防知性维护和修理,确保设备完好高效运行.定期开展设备的评价工作,对设备的技术状况、运行状态和发展趋势进行定性分析.设备发生故障和事故,必须第一时间报告设备主管部门,随时进行处理.B类设备为主要生产设备,应建立必要的设备技术档案,定期开展润滑油品检测,视单位情况开展设备状态监测工作,设备修理和维护采取预防性维护和定期修理的方式进行,保证设备完好运行。
设备分类管理规定一、目的为进一步推进设备的精细化管理,明确设备管理的责任目标,在设备管理方面分清主次,突出重点,又能兼顾一般,降低企业生产成本,提高企业生产效率,充分发挥现有设备最大效能,提高管理效率,制定本规定。
二、适用范围适用于公司所有在用的生产设备分类,各车间应根据本规定对设备进行分级分类。
三、术语(一)A类设备(关键设备):指设备发生故障后对安全、生产、质量、维修和成本等因素影响重大的设备。
例如:在主装置上不可旁路或无备用、出现故障影响重大必须立即抢修的设备;直接造成一个或多个生产车间(厂)停工、降量、循环的设备;影响全厂稳定运行的公用工程设备。
(二)B类设备(重要设备):指发生故障后对以上安全、生产、质量、维修和成本等因素有一定的影响。
例如:在主装置上可旁路或有备用、出现故障影响较大必须立即抢修的设备;对主生产装置造成局部影响的设备。
(三)C类设备(一般设备):指发生故障后对安全、生产、质量、维修和成本等因素影响较小的设备。
例如:在配套装置上可旁路或有备用、出现故障影响不大,允许在一段时间内修复的设备。
四、设备分类原则(一)直接判定原则凡是以下三种情形时可直接判定为关键设备:1.发生故障后,对安全、生产系统造成重大影响的设备;2.电力系统的高压变电站、高压配电室、高压电机;3.锅炉、压力容器(II、In类)、深冷空分系统。
(二)专业划分原则1.机修专业:机>泵>阀;2.电气专业:100OKW以上电机>250KW以上电机>250KW以下电机;3.仪表自控专业:联锁回路>控制回路>显示回路;4.静设备专业:高压设备>中压设备>低压设备。
(三)按照设备关注程度划分原则1.无备用设备>有备用设备;2.专用设备>通用设备;3.高故障率设备>低故障率设备;4.无维修经验设备>有维修经验设备。
(四)综合评价标准参考设备可靠性、维修性、经济性和备件周期因素综合判定设备分类。
关联A、B、C类设备供电设备、仪表系统对应设备分类级别进行判定。
设备分级管理责任制度一、前言为了保障公司生产设备的安全和稳定性,规范设备管理过程,制定设备分级管理责任制度。
二、适用范围本制度适用于公司全体员工、设备管理员和设备使用者,包括办公设备、生产设备、实验室设备等所有设备。
三、设备分级管理1.设备分类所有设备按照安全和稳定性等级进行分类,分为I、II、III三个等级。
•I级设备:对人身安全、生产环境和产品质量风险较小的设备,如电脑、打印机、传真机等。
•II级设备:对人身安全、生产环境和产品质量风险较大的设备,如搅拌机、豆浆机等。
•III级设备:对人身安全、生产环境和产品质量风险非常大的设备,如压力容器、高压机械等。
2.设备使用规定•所有员工必须按照设备等级使用设备,禁止跨级使用设备。
•设备管理员必须确保所负责设备的分级准确、清晰,不得随意调整设备的等级。
•设备管理员必须按照设备使用说明书正确操作设备,如使用的设备属于II、III级,需经过相应的培训和考核后方可使用。
•设备使用者必须按照设备使用说明和设备管理员培训的内容正确使用设备,对不熟悉的设备需要向设备管理员咨询并经过培训后再使用。
3.设备维护保养•设备管理员必须定期检查设备的安全和稳定性,并记录检查结果,如存在问题,及时上报并维修。
•设备管理员必须按照设备使用说明书和维修保养手册进行设备的维护和保养,如对维修保养内容不清楚需要咨询厂家或专业人员。
•设备使用者必须按照设备管理员提供的设备维护和保养方案按时实施,如存在问题需要及时上报并进行维修。
四、责任分工•公司领导:负责制定和审批设备分级管理责任制度,并对实施情况进行监督和检查。
•设备管理员:负责设备的安全、稳定性评定和设备分级,设备维护保养、检查和记录。
•设备使用者:负责按照设备分级和使用规定正确使用设备,并按照设备使用说明和设备管理员提供的设备维护保养方案按时实施。
五、附则1.本制度应按照国家法律法规和公司的相关管理制度执行。
2.发现违反本制度的行为,应及时上报公司领导并进行处理。
设备分级管理及实施细则一、目的:保持设备完好、充分发挥现有设备效能、全优化服务于生产。
二、管理总则:1、对公司设备进行分级管理。
2、增强操作人员对设备的保护保养意识。
3、加强对电、钳维修人员的管理,使设备维修工作上台阶。
三、实施内容:1、设备的分级管理:1)设备的分级管理范围划分:(1)、公司直属设备:a、W11SNC-120×3200水平下调式三辊卷板机。
b、HQCS4000×12000FP(E)数控火焰/等离子切割机。
c、PD4050/3型龙门移动式数控钻铣床。
d、CQ5240C/4双柱立式车床。
e、两台QD50/10T双钩桥式起重机。
f、B81120A板材边缘刨床g、FV3233数控加工中心(2)、生产科管属设备:a、CA5116EX10/5单柱立式车床。
b、四台Z3080X25摇臂钻床。
c、Q11-20X2500剪板机。
d、W11-30X3000三辊卷板机。
e、B81090A刨边机。
f、Q1FB-250单臂油压机。
g、六台CZ-5X5焊接操作机。
两台CZ5X7-1堆焊专用机。
四台CZ20-4X6焊接操作机。
h、四台PT80E管板全自动TIG机。
i、两台T0A77管/管板全自动机头。
j、32/8T桥式吊车。
30/5T桥式吊车。
15/3T桥式吊车。
10T单梁吊车。
两台20/5T桥式吊车。
三台10T桥式吊车。
2)分级管理的原则:①公司直属设备、生产科管属设备、生产单位管辖设备为特级、重点,要紧分三级管理。
②特级、重点设备在生产中占有重要地位,起着主导作用,均属于保护与管理的重点,实施双向管理,重点保护(即生产科与生产单位共同管理)。
③各单位要有一名负责人主管设备管理工作,建立以岗位责任制为核心的专管成线,群管成网的设备管理体制。
④特级、重点设备要实行点检制度(日常点检,定期点检),掌握设备技术状态,使用诊断技术,实行状态监测、维修及早发现特殊,做好预防措施。
3)设备管理体系图:2、设备的使用、保护1)使用:a、操作人员在独立使用设备前,须对其进行设备的结构、性能、技术规范、保护常识与安全操作规程等技术理论教育及实际操作技能培训,经考试合格发给设备操作证后方可凭证独立操作。
设备完好分级标准及设备完好率的计算(1)设备完好标准是设备处于完好技术状态的检查根据,也是计算设备完好率的基础与前提。
那么设备完好标准是怎样定义的呢?各地、各部门为了考核企业设备的完好率,规定了设备完好标准。
一、级别:①一级完好设备,②二级完好设备,③不完好设备二、项目标准1、基础一级:基础稳固,无腐蚀、倾斜、裂缝,连接牢靠,无松动断裂和脱落现象二级:基础稳固,无腐蚀、倾斜、裂缝,连接牢靠,无松动断裂和脱落现象不完好:有腐蚀、倾斜、裂缝、松动、断裂和脱落现象2、结构一级:结构完整,零部件齐全,磨损、腐蚀和变形均在允许范围内二级:结构、零部件基本完整齐全,虽有部门缺陷但不影响安全运行不完好:不完整齐全,并已影响安全运行3、润滑一级:润滑良好,没有油、水、气等介质的跑、冒、滴、漏现象二级:润滑基本完好,无严重跑、冒、滴、漏现象不完好:有严重跑、冒、滴、漏现象4、计量仪表和防护装置一级:计量仪表灵敏可靠,安全防护装置齐全二级:主要计量仪表和安全防护装置齐全可靠不完好:不齐全可靠5、设备精度和运行效能一级:运行正常,设备精度达到公称能力,即原出厂技术要求二级:运行正常,设备精度能符合工艺技术要求不完好:运行已不正常,不能满足工艺技术要求注:五个项目中只要有一项出现不完好设备状况,则为不完好设备。
近几年,不少企业又依照企业标准的格式制定了企业设备完好标准,为确定与核算设备完好率提供了更科学合理的依据。
同时企业都确定设备完好率为企业中所有完好生产设备占全部生产设备之比重。
其计算公式为:设备完好率=(完好生产设备台数/全部生产设备台数)×100%由此可见:要准确核算设备完好率,设备管理员就必须首先制定自己企业各种生产设备的完好标准,这样才能有依据其进行认真检查和考核。
这就是说,设备完好标准是衡量设备质量的唯一依据,也是企业设备管理的基本依据。
没有标准你无法检查和考核设备的完好,就象你不知道北京在东还是在西,你就无法达到。