CQC认证业务范围分类表及说明
- 格式:doc
- 大小:682.00 KB
- 文档页数:33
认证业务范围分类表及说明
备注:
1) 对于带“*”的, CNAS有强制性见证要求,通常在见证评审后予以认可;
2)需要时,对于不带“*”的,CNAS可实施见证评审.
3)“*"标在大类代码上,表示该大类中任意见证一个小类,该大类中其他小类可不
再见证;
4)“*"标在中类代码上,表示该中类中任意见证一个小类,该中类中其他小类可不再见证;
5)“*"标在小类代码上,表示该小类须见证;
6)在02、28、31(大类)中,有关中类或小类见证的说明:
a)在02大类中,02。
01。
00/02.02.00/02。
03.00等3个小类,任意见证1个小
类,其他2个小类可不再见证;
b) 在28大类中,28。
02。
01/28.02。
02小类,任意见证1个小类,另1个小类可不再见证;
c)在31大类中,31。
04和31.05中的3个小类,任意见证1个小类,其他2个小类可不再见证;31.06和31。
07中的2个小类,任意见证1个小类,其他1个小类可不再见证。
CQC认证范围及认证规则灯、照明设备及其附件大类小类产品名称认证种类认证类别号认证规则灯、照明设备及其附件灯具、照明装置的零件管形荧光灯灯座和启动器座安全00400111-465423-2009管形荧光灯灯座和启动器座安全认证规则钨丝灯用直流/交流电子降压转换器安全与电磁兼容00400812-465421-2009_钨丝灯用直流交流电子降压转换器安全与电磁兼容认证规则高频冷启动管形放电灯(霓虹灯)用电子换流器和变频器安全与电磁兼容00401212-465422-2009高频冷启动管形放电灯(霓虹灯)用电子换流器和变频器安全与电磁兼容认证照明电器附件安全00400400400511-46542 4-2009 照明电器附件安全认证规则杂类灯座安全004007CQC11-46 5425-201 0_杂类灯座安全认证规则灯具、灯座等36V及以下灯具安全010014 11-46531照明装置0100150100164-2009 36V及以下灯具安全认证规则半灯具安全01002211-46531 1-2009 半灯具安全认证规则灯具和灯具用电源导轨系统安全010001010002010003010004010006010007010008010009010010010011010012010013CQC12-465313-2010_灯具和灯具用电源导轨系统安全与电磁兼容认证规则道路照明灯具系统节能701033CQC31-46 5391-201 0_道路照明灯具系统节能认证规则钨丝灯用特低电压照明系统安全01002411-465312-2009钨丝灯用特低电压照明系统安全认证规则放电灯紫外线杀菌灯安全010023a~cCQC13-465136-2010 紫外线杀菌灯认证规则普通照明用自镇流荧光灯节能70140131-465131-2009普通照明荧光灯节能认证规则普通照明用双端荧光灯节能70140231-46513 2-2009_普通照明用双端荧光灯节能认证规则单端荧光灯节能70140331-46513 3-2009 单端荧光灯节能认证规则高压钠灯节能70140431-46513 4-2009 高压钠灯节能认证规则金属卤化物灯节能70140531-465135-2009物灯节能认证规则电光源安全 01001701001801001901002001002111-465101-2009_电光源安全认证规则LED灯照明产品普通照明用自镇流LED灯安全与电磁兼容010025CQC12-465138-2010_普通照明用自镇流LED灯安全与电磁兼容认证规则反射型自镇流LED灯节能701411CQC31-465137-2010_反射型LED灯节能认证规则LED道路隧道照明产品节能 701409CQC31-46 5392-201 0_LED道路隧道照明产品节能认证规则LED筒灯节能 701410CQC31-46 5315-201 0_LED筒灯节能认证规则。
质量管理体系认证业务范围分组与分级
注:
1)对于带“* ”的;CNAS有强制性见证要求;通常在见证评审后予以认可;
2)需要时;对于不带“ *”的;CNAS可实施见证评审。
3)“ * ”标在大类代码上;表示该大类中任意见证一个小类;该大类中其他小类可不再见证;
4)“ * ”标在中类代码上;表示该中类中任意见证一个小类;该中类中其他小类可不再见证;
5)“ * ”标在小类代码上;表示该小类须见证;
6)在02、28、31 (大类)中;有关中类或小类见证的说明:
a)在02大类中;02.01.00/02.02.00/02.03.00 等3个小类;任意见证1个小类;其他2个小类可不再见证;
b)在28大类中;28.02.01/28.02.02 小类;任意见证1个小类;另1个小类可不再见证;
c)在31大类中;31.04和31.05中的3个小类;任意见证1个小类;其他2个小类可不再见证;31.06 和31.07中的2个小类;任意见证1个小类;其他1个小类可不再见证。
7)CQC勺专业小类仅作为人员评定的依据;对于网上所报审核材料仍用原CNAS勺专业小类。
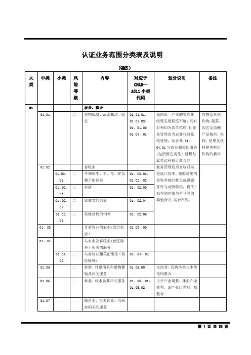
认证业务范围分类表及说明(QMS)大中类小类风内容对应于划分说明备注类险CNAB-AG11等小类代码级01农业、渔业01.01二谷物栽培、蔬菜栽培、园01.01.01,我国第一产业的集约化谷物及其他艺01.01.02,经营发展程度不细,同时作物,蔬菜、01.01.03右列均为农学范畴,且业园艺及苗圃01.04.01务管理也为农业行政系产品栽培,果统管理,故合并。
物、坚果及饮01.04.01 与农业相关的料和香料用服务(包括园艺美化)过作物的栽培程与此类过程相近故合并01.02畜牧业业务管理均为畜牧或动01.02.二牛和奶牛、羊、马、驴及01.02.01,检部门管理,按照常见的01骡子的饲养01.02.02畜牧养殖的特点或设施01.02.二养猪01.02.03条件与动物检疫,将牛 /03奶牛的养殖与羊马等的01.02.二家禽类的饲养01.02.04养殖合并,其余不变。
0401.02.二其他动物的饲养01.02.050501.03含畜牧业的农业(混合农01.03.00业)01.04与农业及畜牧业(兽医除外)相关的服务01.04.二与畜牧业相关的服务 ( 兽01.04.0202医除外 )01.05二狩猎、狩猎用具和猎物繁01.05.00未改变,仅将小类与中类殖及相关服务代码整合01.06二林业、伐木及其相关服务01.06.01,由于产业调整,林业产业01.06.02转型,该产业门类粗,故整合。
01.07捕鱼业、鱼类饲养;与渔业相关的服务大中类小类风内容对应于划分说明备注类险等CNAB-AG11小类代码级01.07.二捕鱼业(海洋捕鱼除外)、01.07.01,由于产业调整,近海和内01鱼类的饲养、与渔业相关01.07.02,河渔产减少且产业化程服务01.07.03度不高,以养殖及服务为主,但产业链不细,故整合。
01.07.一海洋捕鱼业01.07.01由于产业调整,近年兴起02海洋捕鱼业,根据 CQC人力资源特点,风险较高,故单独细分。
cqc标志认证范围CQC标志认证范围CQC标志认证是指中国质量认证中心(CQC)对产品、服务、管理体系等进行认证的一种标志。
CQC标志认证范围广泛,包括电子、机械、化工、建材、食品、医疗器械、环保、能源等多个领域。
下面我们就来详细了解一下CQC标志认证的范围。
1. 电子领域CQC标志认证在电子领域的范围包括电子元器件、电子设备、电子材料等。
其中,电子元器件包括电容器、电阻器、电感器、晶体管、二极管、集成电路等;电子设备包括电视机、音响、电脑、手机、数码相机等;电子材料包括半导体材料、电子陶瓷材料、电子玻璃材料等。
2. 机械领域CQC标志认证在机械领域的范围包括机床、起重机械、工程机械、农业机械、纺织机械等。
其中,机床包括数控机床、普通机床等;起重机械包括桥式起重机、门式起重机、塔式起重机等;工程机械包括挖掘机、装载机、推土机等;农业机械包括拖拉机、收割机、播种机等;纺织机械包括纺纱机、织布机等。
3. 化工领域CQC标志认证在化工领域的范围包括化工原料、化工制品、化工设备等。
其中,化工原料包括有机化学原料、无机化学原料等;化工制品包括塑料制品、橡胶制品、涂料、颜料等;化工设备包括反应釜、蒸馏塔、干燥设备等。
4. 建材领域CQC标志认证在建材领域的范围包括水泥、混凝土、砖瓦、玻璃、陶瓷等。
其中,水泥包括普通硅酸盐水泥、矿渣水泥、高性能混凝土等;混凝土包括预制混凝土构件、混凝土管等;砖瓦包括红砖、空心砖、保温砖等;玻璃包括平板玻璃、中空玻璃等;陶瓷包括卫生陶瓷、建筑陶瓷等。
5. 食品领域CQC标志认证在食品领域的范围包括食品添加剂、食品包装材料、食品机械等。
其中,食品添加剂包括防腐剂、色素、香料等;食品包装材料包括塑料包装、纸质包装等;食品机械包括食品加工机械、食品包装机械等。
6. 医疗器械领域CQC标志认证在医疗器械领域的范围包括医用电器、医用材料、医用设备等。
其中,医用电器包括心电图机、血压计、血糖仪等;医用材料包括一次性注射器、一次性手套等;医用设备包括手术台、手术灯等。
认证业务范围分类表及说明
备注:
1) 对于带“*”的, CNAS有强制性见证要求,通常在见证评审后予以认可;
2)需要时,对于不带“*”的,CNAS可实施见证评审。
3)“*”标在大类代码上,表示该大类中任意见证一个小类,该大类中其他小类可不
再见证;
4)“*”标在中类代码上,表示该中类中任意见证一个小类,该中类中其他小类可不再见证;
5)“*”标在小类代码上,表示该小类须见证;
6)在02、28、31(大类)中,有关中类或小类见证的说明:
a) 在02大类中,02.01.00/02.02.00/02.03.00等3个小类,任意见证1个小类,其他2个小类可不再见证;
b) 在28大类中,28.02.01/28.02.02小类,任意见证1个小类,另1个小类可不再见证;
c) 在31大类中,31.04和31.05中的3个小类,任意见证1个小类,其他2个小类可不再见证;31.06和31.07中的2个小类,任意见证1个小类,其他1个小类可不再见证。
认证业务范围分类表及说明
(QM$
备注:
1)对于带“ *”的,CNAS有强制性见证要求,通常在见证评审后予以认可;
2)需要时,对于不带“ * ”的,CNAS^实施见证评审。
3)“ * ”标在大类代码上,表示该大类中任意见证一个小类,该大类中其他小类可不
再见证;
4)“ * ”标在中类代码上,表示该中类中任意见证一个小类,该中类中其他小类可不
再见证;
5)“*”标在小类代码上,表示该小类须见证;
6)在02、28、31 (大类)中,有关中类或小类见证的说明:
a)在02大类中,02.01.00/02.02.00/02.03.00 等3个小类,任意见证 1个小类,其他2个小类可不再见证;
b)在28大类中,28.02.01/28.02.02 小类,任意见证1个小类,另1个小类可不再
见证;
c)在31大类中,31.04和31.05中的3个小类,任意见证1个小类,其他2个小类可不再见证;31.06和31.07中的2个小类,任意见证1个小类,其他1个小类可不再见证。
CQC认证产品目录1. 什么是CQC认证?CQC(中国质量认证中心)是中国国家认可委员会(CNCA)颁发的认证,是中国市场的强制性认证之一。
CQC认证用于验证产品是否符合中国国家标准及相关技术规范,以确保产品的质量、性能和安全性。
CQC认证是在国内市场销售产品的必要条件之一,也是企业获取市场准入的重要认证之一。
2. CQC认证的产品范围CQC认证的产品范围非常广泛,几乎涵盖了各个行业的产品。
下面是一些常见的CQC认证产品的范围:2.1 电子与信息技术产品•电力电子设备和系统•信息技术设备和系统•广播电视发射设备和系统•通信终端设备•家用和类似用途的电子和电气设备•安全和控制设备2.2 机电产品•机械和辅助设备•纺织和服装机械•电气工业设备•电力变压器和设备•铁路、道路交通设备2.3 建筑材料与产品•火灾报警系统•监控和控制系统•家具•窗帘、卷帘和百叶窗•电线和电缆•建筑玻璃和玻璃制品2.4 食品及相关产品•食品和饮料•食品添加剂•食品包装材料•食品加工机械设备2.5 化妆品•化妆品及化妆品原料2.6 能源•太阳能热水器•燃气具和燃油燃气具•电力仪表和电能计量装置2.7 玩具•儿童玩具3. CQC认证的流程CQC认证的流程主要包括以下几个步骤:3.1 申请准备•确定产品的认证类别和技术规范•准备包括产品技术规范、测试报告等必要的文件3.2 测试和评估•将产品送往CQC认证实验室进行测试•CQC认证机构对产品进行评估,包括文件评审和实地审核3.3 认证决定•CQC认证机构根据测试和评估结果做出认证决定3.4 认证证书•如认证通过,CQC认证机构颁发认证证书3.5 监督检查•CQC认证机构会对持证企业进行定期监督检查,确保产品的质量和符合标准要求4. CQC认证对企业的重要性CQC认证对企业非常重要,具有以下几个方面的意义:4.1 增强产品竞争力CQC认证可以证明产品符合中国国家标准和技术规范,增强企业产品的竞争力。
宁波达诺检测技术有限公司- 国内最专业的3C 认证服务机构达诺检测 版权所有CQC 业务范围一、 授权承担国家强制性产品认证( CCC )工作。
二、 CQC 标志认证:认证类型涉及产品安全、性能、环保、有机产品等,认证范围包括百余种产品。
三、 管理体系认证:主要从事ISO9001质量管理体系、ISO14001环境管理体系、OHSMS18001职业健康安全管理体系、QS9000 质量体系、TL9000和HACCP 认证等业务。
四、 作为国际电工委员会电工产品合格与测试组织(IECEE )的中国国家认证机构( NCB ),从事颁发和认可国际多边认可CB 测试证书工作,其证书被 43 个国家和地区的 59 个国家认证机构所认可。
五、 作为国际认证联盟( IQNet )的成员, CQC 颁发的IS09001 证书和ISO14001 证书将能获得联盟内其他 33 个国家和地区的 36 个成员机构的认可。
六、 认证培训业务:作为经中国认证人员与培训机构国家认可委员会(CNAT )认可的中国最早的认证培训机构,承担国内外各类认证培训业务。
CQC 的宗旨、原则与管理体系“公正规范,诚信高效,优质科学,创新卓越”是CQC 开展认证工作的指导方针。
客观、独立和公正是CQC 认证工作的基本原则。
CQC 遵循非歧视性的方针和工作程序。
针对运作和/或活动中所引发的责任和风险,建立了充足的认证风险基金以承担与CQC 有关的认证责任。
CQC 是不以营利为目的的认证机构,不接受社会各方任何形式的经济赞助,财务实行独立核算,有稳定的财务状况和良好的财务监督机制。
CQC 及其各级人员和所有参与认证过程的委员会都不受可能影响认证结论的任何商业、财务和其它方面的压力。
可以在广泛的认证领域和专业范围为相关方提供满意的服务。
CQC 遵守国家认证认可相关法律法规和各相关方的要求及规范,内部建立运行完整的质量管理体系,通过保证公正性的组织结构,确保CQC 以高度的诚信实施认证业务。
CQC认证业务X围分类表与说明(QMS)备注:一、见证的要求:* ...................................... 一1)对于带“ "的,AB有强制性见证要求,通常在见证评审后予以认可;2)需要时,对于不带“ ”的,AB可实施见证评审。
*..3)“”标在大类代码上,表示该大类中任意见证一个小类,该大类中其他小类可不再见证;上_______ _____________ _____ 4)“”标在中类代码上,表示该中类中任意见证一个小类,该中类中其他小类可不再见证;A5)“”标在小类代码上,表示该小类须见证;6)在02、28、31 (大类)中,有关中类或小类见证的说明:a)在02大类中,02.01.00/02.02.00/02.03.00等3个小类,任意见证1个小类,其他2个小类可不再见证;b)在28大类中,28.02.01/28.02.02小类,任意见证1个小类,另1个小类可不再见证;c)在31大类中,31.04和31.05中的3个小类,任意见证1个小类,其他2个小类可不再见证;31.06和31.07中的2个小类,任意见证1个小类,其他1个小类可不再见证。
二、风险等级说明:1、划分的原则:AB强制见证的要求、认可规则中确定的特殊行业、CQC历来确定的高风险行业、行业典型过程的复杂程度和技术难度、CQC审核人力资源现状、近年披露的行业状况等等。
2、风险分为4级:特级、1级、2级、3级,其中:一特级:风险特别高级,将整个行业运营不规X、技术难度特别大、CQC人力资源特别不充分的行业。
拟将矿山、烟花、炸药等划为特级风险。
同时设定从事特级风险的审核人员的专业条件为专业学历且15年以上的专业工作经历;-1级:风险高级,拟将AB要求强制见证、行业典型过程复杂、近年披露问题较多的行业划为1级。
同时设定对1级风险行业的审核人员的要求同AB要求的“特殊行业”;-2级:一般风险级,其审核人员的管理同AB要求的“一般行业”;-3级:无风险或风险较低级,对少量无风险或风险很低的行业划分为该级别,拟考虑对3级风险的审核可以不需要专业审核员或技术专家。
CQC标志认证范围001 电子产品及元器件002 家用电器配件003 电器附件004 照明电器附件005 电动工具及附件006 中小型电机及配件007 医疗仪器008 家用电器009 商用机械010 照明电器011 电线电缆012 低压电器013 汽车零部件014 摩托车零部件015 轮胎类016 玻璃类017 电力系统继电保护及自动化装置018 水泵019 电能表020 低压成套设备及配件021 高压设备及电器022 发电机组024 光伏(PV)类产品025 机动车产品026 持3C证书电线电缆产品CQC质量标志认证027 实验用测控仪器设备028 土方机械及其零件103 纺织品108 建筑产品109 卫生洁具110 水泥产品116 机械产品118 办公设备(性能)123 防雷产品125 音视频产品(性能)126 轻型电动车辆及其附件127 电动汽车及其附件129 轴承产品130 “限制使用有毒有害物质”认证RoHS Certificatio... 134 非金属材料及零部件性能标志认证135 铅酸电池CQC标志认证138 学生用品140 限制使用多环芳烃(PAHs)认证160 金属焊接、切割及热处理设备资源节约(节能节水)认证范围701001 计算机701002 单路输出式交流-直流和交流-交流外部电源701003 微型计算机用开关电源701004 传真机701005 打印机701006 数字式多功能办公设备701007 复印机701008 显示器701009 扫描仪701033 道路照明灯具系统701042 服务器701108 电缆桥架701101 电缆桥架701103 电力金具701104 低压配电节电器701106 不间断电源701107 风机、泵类负载变频调速节电装置701201 容积式空气压缩机701203 通风机701202 中小型三相异步电动机701204 清水离心泵701205 三相配电变压器701206 电脑控制高速平缝缝纫机701208 离心耐腐蚀泵701207 密集绝缘型母线槽701209 电源插座和转换器701210 三相永磁同步电动机701211 油浸式电力变压器701212 交流接触器701213 小功率电动机701301 家用微波炉701302 储水式电热水器701303 家用自动电饭锅701304 家用电磁灶701305 单元式空气调节机701306 冷水机组701307 溴化锂吸收式冷水机组701308 饮水机701309 多联式空调(热泵)机组701310 水源热泵机组701311 彩色电视广播接收机701313 家用电冰箱701314 房间空气调节器701315 家用燃气快速热水器和燃气采暖热水炉701316 转速可控型房间空气调节器701317 空调用制冷压缩机701318 商业或工业用及类似用途的空气源热泵热水机701319 交流电风扇节能产品701320 计算机和数据处理机房用单元式空气调节机701321 平板电视701322 数字电视接收器(机顶盒)701323 商用开水器701324 商用电磁灶701401 普通照明用自镇流荧光灯701402 普通照明用双端荧光灯701403 单端荧光灯701404 高压钠灯701405 金属卤化物灯701406 管型荧光灯镇流器701407 高压钠灯镇流器701408 金属卤化物灯用镇流器701409 LED道路/隧道照明产品701410 LED筒灯701411 反射型自镇流LED灯701412 普通照明用非定向自镇流LED灯701501 建筑门窗701502 中空玻璃701507 铝合金建筑型材701508 无机绝热制品701601 汽车701701 微型水力发电设备702101 太阳热水系统702102 燃气灶具702103 家用吸油烟机702104 数字投影机704001 水嘴704002 整体浴室704003 水箱配件704004 水资源管理系统704005 便器冲洗阀704006 淋浴器704007 便器704008 工业洗衣机704009 淋浴房704010 洗衣粉704011 花洒704013 液体洗涤剂704014 织物漂洗产品704015 旋转式滗水器704016 格栅除污机704018 反渗透海水淡化装置704019 中空纤维超滤膜组件704020 再生水利用装置704021 冷却塔704022 水暖用内螺纹连接阀门704023 空冷式换热器704024 管材704026 2-膦酸基-1,2,4-三羧基丁烷704027 丙烯酸-丙烯酸酯类共聚物704028 异噻唑啉酮衍生物704029 IC卡冷水水表704030 氨制冷装置用淋水式冷凝器704031 蝶阀704033 给、排水及污水管道用接口密封圈704034 旋转式喷头704035 滴灌带(管)704036 轻小型喷灌机704037 电动大型喷灌机704038 自动清洗网式过滤器704039 非旋转式喷头环保认证范围703001 室内装饰装修材料人造板及其制品703002 水性涂料703003 室内装饰装修材料溶剂型木器涂料703004 粘合剂703006 室内装饰装修材料壁纸703007 陶瓷砖703008 包装用降解聚乙烯薄膜703009 一次性可降解餐饮具703100 紧凑型荧光灯703010 资源综合利用型建筑装饰材料703012 洗涤剂类产品703013 橱柜703014 消耗臭氧层物质(ODS)替代产品703016 室内装饰装修材料地毯、地毯衬垫及地毯胶粘剂703017 室内装饰装修材料混凝土外加剂703018 聚乙烯吹塑农用地面覆盖薄膜703021 再生纸制品703023 消毒剂703028 卫生杀虫剂703029 建筑装修材料天然石材环保产品703031 格栅除污机703032 刮泥机703033 吸泥机703034 供水排水用铸铁闸门703035 旋转式滗水器703036 行车式提板刮渣刮砂机703037 旋流式沉砂除砂系统703038 气浮水处理设备703039 曝气机703040 带式浓缩脱水一体机703041 固体废物填埋场专用聚乙烯土工膜703042 水处理用溶药搅拌设备703043 供排水用螺旋提升泵703044 湿式烟气脱硫除尘净化塔703045 卧式螺旋卸料沉降离心机703046 离心式污水泵703047 垃圾滚筒筛703048 离心式潜污泵703049 纯水机703050 生活垃圾焚烧炉703051 医疗废物焚烧炉703052 反渗透水处理设备703053 冷热饮水机703054 水处理剂703057 超滤水处理设备703058 潜水搅拌机703059 电除尘器703060 袋式除尘器703061 厢式压滤机和板框压滤机703062 潜水轴、混流泵703063 源水(地表水)净化设备703064 活性炭净水器环保产品703065 饮食业油烟净化设备环保产品703066 生物接触氧化法污水净化器环保产品703067 离子交换设备环保产品703068 玻璃钢集水槽环保产品703069 工况法汽车排放测试系统环保产品703070 隔声设备703071 吸声设备703072 消声设备703073 曝气器703074 食品包装/容器类产品纸和生物降解材料制品703075 食品包装/容器类产品复合材料制品703077 食品包装/容器类产品塑料制品703078 食品包装/容器类产品不饱和聚酯玻璃钢制品703079 食品包装/容器类产品陶瓷制品703084 家用电冰箱703086 家用燃气快速热水器和燃气采暖热水炉703096 家具703097 鞋703098 纺织品、服装703099 空气净化器702101 太阳热水系统702102 燃气灶具702103 家用吸油烟机702104 数字投影机702201 电脑控制高速平缝缝纫机。
CQC认证业务范围分类表及说明
(QMS)
备注:
一、见证的要求:
1) 对于带“*”的, CNAB有强制性见证要求,通常在见证评审后予以认可;
2)需要时,对于不带“*”的,CNAB可实施见证评审。
3)“*”标在大类代码上,表示该大类中任意见证一个小类,该大类中其他小类可不
再见证;
4)“*”标在中类代码上,表示该中类中任意见证一个小类,该中类中其他小类可不再见证;
5)“*”标在小类代码上,表示该小类须见证;
6)在02、28、31(大类)中,有关中类或小类见证的说明:
a) 在02大类中,02.01.00/02.02.00/02.03.00等3个小类,任意见证1个小类,其他2个小类可不再见证;
b) 在28大类中,28.02.01/28.02.02小类,任意见证1个小类,另1个小类可不再见证;
c) 在31大类中,31.04和31.05中的3个小类,任意见证1个小类,其他2个小类可不再见证;31.06和31.07中的2个小类,任意见证1个小类,其他1个小类可不再见证。
二、风险等级说明:
1、划分的原则:CNAB强制见证的要求、认可规则中确定的特殊行业、CQC历来确定的
高风险行业、行业典型过程的复杂程度和技术难度、CQC审核人力资源现状、近年
披露的行业状况等等。
2、风险分为4级:特级、1级、2级、3级,其中:
-特级:风险特别高级,将整个行业运营不规范、技术难度特别大、CQC人力资源
特别不充分的行业。
拟将矿山、烟花、炸药等划为特级风险。
同时设定从事特级风
险的审核人员的专业条件为专业学历且15年以上的专业工作经历;
-1级:风险高级,拟将CNAB要求强制见证、行业典型过程复杂、近年披露问题较
多的行业划为1级。
同时设定对1级风险行业的审核人员的要求同CNAB要求的“特
殊行业”;
-2级:一般风险级,其审核人员的管理同CNAB要求的“一般行业”;
-3级:无风险或风险较低级,对少量无风险或风险很低的行业划分为该级别,拟
考虑对3级风险的审核可以不需要专业审核员或技术专家。
三、业务范围划分的说明
1、业务范围/专业划分的原则:
-考虑延续性,减少重复专业评定的工作量的原则。
为此,本次划分与原来的85%
左右相同;
-兼顾认证的专业支撑的可行性、保证认证质量与审核可操作性的原则。
但这一点
还需进一步提升和优化。
-与CNAB的认证业务范围划分框架(CNAB-AG11)对应原则;
-行业、过程、产品的相关性的原则,同时在风险分析的基础上,进行整合或细分;
-CQC市场特点和人力资源特点相结合的原则。
2、根据CQC市场的特点和近年来我国经济格局的发展,有以下变化:
-新增01.07.02海洋捕鱼业、17.09.02焊接加工、29.12进出口贸易、39.09.02
展览业。
另外,在07.02中明确了纸质包装,在12.05.01中明确了烟花炮竹,在
15.06.01中增加了磨具以区分磨具与其它工具(17类)的不同,在23.02中仍然
增加了徽章。
-因为中国与西欧相比,服务业发育还不够,服务业的细分也赶不上欧洲。
同时服
务业出身的审核员在整个审核人员队伍中的比重也不大,服务业的认证工作还处于
上升阶段,因此对服务业的划分不必如NACE/SIC一样细化,所以对服务业的整合
较大,以便于服务业认证工作的开展。