工厂供电课程设计任务书-04
- 格式:doc
- 大小:55.50 KB
- 文档页数:3
《工厂供电》课程设计一、课程设计的目的通过本次设计环节的实际训练,加深学生对该课程基础知识和基本理论的理解和掌握,巩固课堂上所学的理论,培养学生综合运用所学知识的能力,使之在理论分析、设计、计算、制图、运用标准和规范、查阅设计手册与资料等方面得到初步训练,促进学生养成严谨求实的科学态度。
使学生掌握电力系统初步设计的方法和识读能力。
二、课程设计基本要求1、通过对“工业企业配电系统的设计(部分)”,使学生掌握工业企业供电初步设计的步骤、内容的方法;2、了解供电设计相关的国家标准、规程、规范以及电气接线图的绘制方法;3、方案的确定在满足供电负荷等级要求的前提下技术合理,经济、结线简单;工程设计准确,元件和设备选型合理。
三、课程设计内容1、查阅、收集设计相关资料;参考典型设计,查阅设备相关参数2、进行负荷计算,短路计算等相关计算;利用需用系数法计算需用负荷,利用标么值进行短路计算3、设计电气系统接线;参考典型接线方式,设计接线方案并进行经济比较4、电气设备选择;按正常工作条件进行选择5、电气设备校验;按短路条件进行校验6、继电保护选择、整定计算;设计保护方案,计算定值,进行灵敏度校验7、绘制图表;要求规范绘图8、完成课程设计报告。
四、课程设计报告格式要求1、课程设计报告封面由学院统一模板印制,文档用A4纸、画图用2号图纸(两张A4纸加起来叫A3纸,就是三号图,两张A3纸加起来就叫二号图)完成。
2、课程设计报告编排结构:封面;目录;任务书;正文部分;结束语;附图(如电气主接线图、继电保护二次回路原理及展开图)参考文献(书写格式);作者1,作者2. 书名.(版次). 出版地:出版社,出版年份.3、书写要求工整,图表要求规范。
五、成绩的考核、评定学生课程设计成绩按“优”、“良”、“中”、“及格”、“不及格”五级评分。
具体分配比例如下:1.方案技术经济合理占总成绩40%;2.工程计算的准确占总成绩30%;3.说明书条理分明、详实10%;4.图纸规范20%。
课程设计报告课设名称:院:专业:班级:学号:学生姓名:指导教师:职称:年月日《工厂供电》课程设计任务书一、设计目的:该课程设计是《工厂供电》课程学习的实践性质的教学内容,是一个重要的实践性教学环节。
其目的是培养学生照明、动力或变电所等实际工程的设计能力,学习CAD画图能力。
具体如下:1、通过课程设计加深对本课程基本知识的理解,提高综合利用本课程知识的能力;2、掌握本课程工程设计的主要内容、步骤和方法;3、提高制图能力,学会应用有关设计资料进行设计计算的方法;4、提高独立分析问题,解决问题的能力,逐步增强对实际工程的认识理解。
二、设计题目:某锅炉房配电设计三、设计内容:1、确定锅炉房计算负荷,编制负荷总表。
2、拟定供配电方案拟定配电箱接线方案,并选择元件和设备的型号规格。
3、选择各线路的导线型号规格及敷设方式。
4、进行动力工程和照明工程的必要计算。
5、绘制系统图和平面图等必要的图纸。
四、设计要求:1、按照国家标准GB50052-95《供配电系统设计规范》,及GB50054-95《低压配电设计规范》及相关锅炉房设计的规范,进行供配电设计.做到"安全,可靠,优质,经济"的基本要求.并处理好局部与全局,当前与长远利益的关系,以便适应今后发展的需要,同时还要注意电能和有色金属的节约等问题.2、设计说明书应包括设计题目,方案论证,负荷计算,设备及导线的选择等.3、设计说明书要求方案可行,计算方法正确,图纸规范无误,条理清楚,语言通顺.4、图纸内容为锅炉房配电系统图和平面图.五、有关说明:1、某地一商住楼,需设置两台2.8MW和2.1MW的锅炉取暖,本工程是给锅炉房的动力,照明工程配电。
具体内容如下:锅炉房是30*6*5m(各房间大小如建筑底图),其内放置两台常压锅炉和三台循环水泵,其中,两台锅炉根据工艺要求各配置一台5.5KW的电动机拖动鼓风机,三台循环水泵各配置一台37KW的电动机,两台盐泵各配置一台4KW的电动机。
电气与电子信息工程学院供配电工程课程设计报告设计题目:姓名:专业:班级:学号:起止时间:地点:指导教师:完成时间:年月日供配电工程课程设计任务书(4)一、设计题目某电力金具厂供配电系统电气部分初步设计 二、设计目的及要求通过本课程设计:熟悉供配电系统初步设计必须遵循的原则、基本内容、设计程序、设计规范等,锻炼工程设计、技术经济分析比较、工程计算、工具书使用等能力,并了解供电配电系统前沿技术及先进设备。
要求根据用户所能取得的电源及本厂用电负荷的实际情况,并适当考虑到工厂生产的发展,按照安全可靠、技术先进、经济合理的要求,选择配变电所主结线方案及高低压设备和进出线,确定车间变电所主变压器的台数与容量、类型。
最后按要求写出设计说明书,绘出设计图样。
三、设计依据 1、工厂负荷情况该厂主要生产交直流220V 及其以上电力金具,金具产品有悬锤线夹、耐张线夹、联结金具、接续金具、保护金具、拉线金具、T 接金具、设备线夹、母线固定金具等。
下设:铸造、铸铝、锻压、铜铝焊接、硅胶绝缘、护罩、绝缘材料、挤压、冲压、热处理、金工等车间等车间及其他辅助设施。
工厂各车间负荷情况见附表。
该厂大部分车间为三班制,少数车间为两班或一班制,年最大有功负荷利用小时数为4800h 。
该厂属二级负荷,负荷情况见附表。
2、供电电源情况从某35/10kV 变电站提供电源,用双回10kV 架空线向工厂供电,此站距厂4km ;变电站短路数据:()MVA S max .k 2403=,()MVA S min .k 1303=。
当地供电部门要求工厂:①过电流保护整定时间不大于 1.0s ;②在工厂10kV 电源侧进行电能计量;③功率因数应不低于0.90。
3.工厂自然条件年最高气温39℃,年平均气温23℃,年最低气温-5℃, 年最热月平均最高气温33℃,年最热月平均气温26℃,年最热月地下0.8m 处平均温度25℃.主导风向为南风,年雷暴日数52。
平均海拔22m ,地层以砂粘土为主。
--石家庄铁道大学电气与电子工程学院课程设计(论文)任务书专业班级: 电1201-4学生姓名: 张桂芳指导教师(签名): 杜立强一、课程设计(论文)题目某制药厂 10KV 变电站电气部分的设计二、本次课程设计(论文)应达到的目的工厂供电课程设计是在《供电技术》课程学完结束后的一次教学实践环节。
课程设计是实践教学环节的重要组成部分,其目的是通过课程设计加深学生对课程基本知识的理解,提高综合运用知识的能力,掌握本课程的主要内容、工程设计或撰写论文的步骤和方法。
围绕课本内容培养学生独立进行工业供电系统和建筑供电系统电气部分设计计算能力,包括供电系统设计计算能力和电力设备选择能力。
培养学生理论联系实际的能力,加强供电专业知识的认识水平。
锻炼和培养学生分析和解决电力供电专业技术问题的能力和方法。
三、本次课程设计(论文)任务的主要内容和要求(包括原始数据、技术参数、设计要求等)1、设计依据1)电源和环境条件:由石家庄热电集团热电四厂 10KV 双回路供电,正常情况下,一路工作,一路备用。
热电四厂10kv 出线母线短路容量为 200MVA,该路线路长为:架空线采用高压架空绝缘线 LYJ—3ⅹ150mm2,o 长度 1.2km,引至厂区北边,然后换用 YJLV22 型高压交联聚乙烯电缆直埋至高压配电室内。
热电四厂 10kV 母线的定时限过电流保护装置整定为 1.2 秒。
酵母生产厂变电所内设有两台变压器,容量待选。
2)其它条件石家庄供电局要求在 10KV 电源进线处装设计量电费的专用仪表,要求厂总负荷的月平均功率因数不低于 0.92。
当地最热月平均最高气温为 35℃`。
总配电所周围无严重粉尘和腐蚀性气体。
3)负荷资料----序号 1 2 3 4 5 6 7 8 9 10 11 12 13用电单位名 称制冷站 空压站 干燥 压榨成型设备容量工作 (KW)1332备用 (KW)需要 系数KX0.83800.8550.8150.75功率 因数 cos φ 0.80.80.80.75真空包装400.75 0.75搅拌水泵房及水 处理真空过滤14.5 90 300.75 0.75 0.75 0.75 0.7 0.75酵母离心900.65 0.75试验室200.6 0.75照明500.85 0.6办公楼400.6 0.6宿舍楼1000.6 0.6计算系数 tgφ0.75 0.75 0.75 0.88 0.88 0.88 0.88 0.88 0.88 0.88 1.33 1.33 1.332、设计内容 1)、负荷分级及负荷计算 2)、无功功率补偿 3)、主变压器台数和容量、类型的选择 4)、变电所主接线方案的设计 5)、短路电流的计算 6)、变电所一次设备的选择与校验 7)、变电所进出线的选择与校验 3、书面报告格式及内容要求:----1)、说明书的格式要符合相关规定。
工厂供电课程设计任务图一、教学目标本课程的教学目标是使学生掌握工厂供电的基本原理和技能,包括电力系统的基本组成部分、电力传输和分配的原理、电气设备的选型和安装、电力系统的保护和控制等。
学生应能够理解并应用相关的公式和概念,进行简单的电力系统设计和分析。
此外,学生还应掌握基本的实验技能,能够进行电力系统的实验操作和数据分析。
在情感态度价值观方面,学生应认识到电力系统在现代工业中的重要作用,增强对电力系统的兴趣和责任感。
二、教学内容本课程的教学内容主要包括电力系统的基本原理、电力传输和分配的原理、电气设备的选型和安装、电力系统的保护和控制等。
具体包括以下几个方面的内容:1.电力系统的基本组成部分和电力传输的基本原理;2.变电站和配电站的设计和运行原理;3.电动机的选型和安装,包括电动机的启动、制动和调速;4.电力系统的保护和控制原理,包括过电流保护、差动保护、接地保护等;5.电力系统的实验操作和数据分析。
三、教学方法本课程的教学方法包括讲授法、讨论法、案例分析法和实验法等。
通过多种教学方法的综合运用,激发学生的学习兴趣和主动性,提高学生的学习效果和实践能力。
具体方法如下:1.讲授法:通过教师的讲解,使学生掌握电力系统的基本原理和概念;2.讨论法:通过小组讨论,使学生深入理解并应用电力系统的相关知识;3.案例分析法:通过分析实际案例,使学生了解电力系统的实际应用和问题解决方法;4.实验法:通过实验操作和数据分析,使学生掌握电力系统的实验技能和数据分析方法。
四、教学资源本课程的教学资源包括教材、参考书、多媒体资料和实验设备等。
教学资源的选择和准备应能够支持教学内容和教学方法的实施,丰富学生的学习体验。
具体资源如下:1.教材:选用权威、实用的电力系统教材,作为学生学习的基础资料;2.参考书:提供相关的电力系统参考书籍,拓展学生的知识面;3.多媒体资料:制作多媒体课件和教学视频,帮助学生形象直观地理解电力系统的原理和应用;4.实验设备:准备电力系统的实验设备,供学生进行实验操作和数据分析。
工厂供电技术课程设计一、教学目标本课程的教学目标是使学生掌握工厂供电技术的基本原理和应用,培养学生对电力系统的认识和理解,提高学生解决实际工程问题的能力。
具体目标如下:1.知识目标:(1)掌握电力系统的基本概念、组成和特点;(2)了解工厂供电系统的配置、设计和运行原则;(3)熟悉电力线路、变压器、开关设备等主要设施的原理和应用;(4)学习电力系统保护、自动化和节能技术。
2.技能目标:(1)能够分析电力系统的运行状况,判断故障原因;(2)具备设计简单工厂供电系统的能力;(3)熟练使用相关仪器仪表,进行电力系统的调试和维护;(4)掌握电力系统保护装置的配置和调整方法。
3.情感态度价值观目标:(1)培养学生对电力工程的热爱和敬业精神;(2)增强学生对安全生产的认识,提高安全意识;(3)培养学生具备节能环保意识,关注可持续发展。
二、教学内容本课程的教学内容主要包括以下几个部分:1.电力系统的基本概念、组成和特点;2.工厂供电系统的配置、设计和运行原则;3.电力线路、变压器、开关设备等主要设施的原理和应用;4.电力系统保护、自动化和节能技术;5.电力系统的调试和维护方法;6.电力系统案例分析。
三、教学方法为实现教学目标,将采用以下教学方法:1.讲授法:传授电力系统的基本概念、原理和应用;2.案例分析法:分析实际工程案例,提高学生解决实际问题的能力;3.实验法:动手实践,熟悉电力系统的运行和维护;4.讨论法:分组讨论,培养学生的团队合作意识和沟通能力。
四、教学资源为实现教学目标,将准备以下教学资源:1.教材:《工厂供电技术》;2.参考书:电力系统相关著作;3.多媒体资料:电力系统运行演示视频、动画等;4.实验设备:电力线路、变压器、开关设备等实验装置。
教学资源将贯穿整个教学过程,支持教学内容和教学方法的实施,丰富学生的学习体验。
五、教学评估本课程的教学评估将采用多元化的评价方式,全面、客观地评价学生的学习成果。
工厂供电课程设计(共5篇)第一篇:工厂供电课程设计工厂供电课程设计题目:10KV变电站设计——二级负荷防雷接地保护学院:电气工程学院专业班级:姓名:学号:指导老师:摘要:电力系统防雷是供配电工程的重要保护措施,如果发生雷击事故,将造成大面积的停电,严重影响社会生产和人们生活。
供配电系统的防雷保护应从工程设计阶段就认真加以考虑,根据各地的实际情况,采取切实可行的防雷方案,本文简要介绍供配电系统的防雷保护。
雷的设备主要有接闪器和避雷器。
其中,接闪器就是专门用来接受直接雷击(雷闪)的金属物体。
接闪的金属称为避雷针。
接闪的金属线称为避雷线,或称架空地线。
接闪的金属带称为避雷带。
接闪的金属网称为避雷网。
避雷器是用来防止雷电产生的过电压波沿线路侵入变配电所或其它建筑物内,以免危及被保护设备的绝缘。
避雷器应与被保护设备并联,装在被保护设备的电源侧。
当线路上出现危及设备绝缘的雷电过电压时,避雷器的火花间隙就被击穿,或由高阻变为低阻,使过电压对大地放电,从而保护了设备的绝缘。
避雷器的型式,主要有阀式和排气式等。
关键词:架空线防雷保护、变电所(配电所)防雷保护、接地保护目录1、前言.....................................................................5 1.1 10kv变电所简介................................................5 1.2 变压器简介......................................................5 1.2.1 变压器的工作原理.................................5 1.2.2 变压器的分类 (5)1.2.3 变压器故障类型 (6)2、电力负荷计算.........................................................6 2.1电力负荷计算的内容..........................................6 2.2通过电力负荷计算的选择 (6)3、供电线路及变压器台数的选择....................................6 3.1供电线路的选择................................................6 3.2变压器台数的选择.............................................6 3.2.1变压器台数选择的原则..............................6 3.2.2变压器台数选择及原因 (6)4、变电所主接线的选择................................................6 4.1几种接线方式的比较.......................................6 4.1.1单母线接线 (7)4.1.1.1单母线不分段接线........................7 4.1.1.2单母线分段接线...........................7 4.1.2双母线接线 (7)4.1.3桥形接线 (7)4.1.3.1内桥接线.................................8 4.1.3.2外桥接线.................................8 4.2 主接线的选择及原因 (8)5、继电保护装置 (8)6、变压器的保护............................................................8 6.1瓦斯保护.........................................................9 6.1.1轻瓦斯保护................................................9 6.1.2重瓦斯保护................................................9 6.2电流速断保护...................................................9 6.3过电流保护......................................................9 6.4过负荷保护 (9)7、防雷与接地保护…………………………………………………9 7.1变电所的防雷保护………………………………………9 7.1.1变电所遭受雷击的来源及解法…………………10 7.1.2变电所装设避雷针的原则………………………10 7.1.3避雷针与电气设备之间防雷最小距离的确定…10 7.1.4 装设避雷针的有关规定…………………………11 7.2、电力线路的防雷保护.......................................12 7.2.1 输电线路的防雷保护.................................12 7.2.2 配电线路的防雷保护.................................13 7.2.3 电力电缆线路的防雷保护...........................14 7.3、电气设备与电子设备的防雷保护........................15 7.3.1变电所设备的防雷与接地 (15)7.3.2.计算机、通讯等自动化设备的防雷接地......17 7.4、防雷的管理措施 (18)7.4.1 加强线路的维护.................................18 7.4.2 抓线路管理的源头..............................18 结束语.....................................................................19 主接线图 (21)1、前言本次课程设计是继《工厂供电》课程之后一个重要的实践性教学环节,通过把理论知识运用于实践,加深对这门课程的理解和掌握其精髓,通过实践巩固理论知识,实现理论与实践的完美结合,为今后解决实际问题及毕业设计打下坚实的基础。
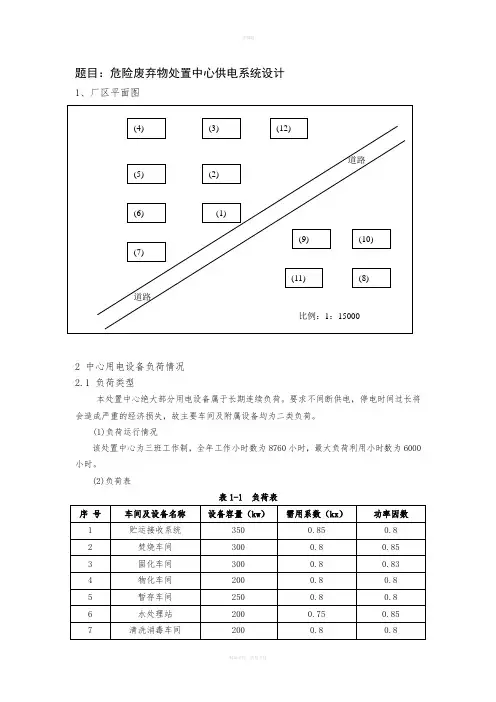
题目:危险废弃物处置中心供电系统设计1、厂区平面图2 中心用电设备负荷情况2.1 负荷类型本处置中心绝大部分用电设备属于长期连续负荷。
要求不间断供电,停电时间过长将会造成严重的经济损失,故主要车间及附属设备均为二类负荷。
(1)负荷运行情况该处置中心为三班工作制,全年工作小时数为8760小时,最大负荷利用小时数为6000小时。
(2)负荷表表1-1 负荷表任务组合方案2.2 电源情况(1)该处置中心西北方向10KM处有一个10KV电压等级双回路线路提供电源,其出口短路容量为180MVA。
(2)供电电源要求功率因数大于0.90。
2.3 供电电价为两部电价(1)基本电价:按变压器容量计算,4元/KVA;(2)电度电价:10KV供电时电价为0.80元/Kwh2.4 气象及其他资料(1)最热月份平均气温32.2度(2)冻土层厚度0.7m(3)最热月份平均地温27.3度(4)地下水位1.5m(5)土地性质粘土(6)海拔高度 1021.3m(7)主导风向西北(冬),东南(夏)(8)年雷暴日 27.3日3.1设计内容和要求(1)确定全部计算负荷。
(2)确定主变电所的结构形式、变压器的台数及容量。
(3)确定供电系统及供电形式。
(4)计算短路电流并选择主要电器设备。
(5)确定无功功率补偿装置及其容量。
(6)确定变电所的接地装置。
3.2 设计成果(1)设计说明书。
(2)变电所的一次与二次系统图。
3.3 设计步骤(1)负荷的计算根据给出的负荷明细表,确定全厂的计算负荷。
(2)方案选择根据给出的供电电源、供电的技术指标和经济指标,提出可能的供电方式(3种),并加以比较与选择。
其中技术指标以供电可靠性、灵活性、安全性为主要内容。
(3)补偿方式选择无功补偿的方式,确定无功补偿的设备、个数及其控制,根据计算,确定补偿后的变压器容量,根据变压器容量选择变压器。
(4)短路电流的计算在方案论证的条件下,确立最佳方案后,做出初步设计,根据初步设计的主接线图,确定短路点,并计算三相短路电流。
工厂供电课程设计任务书一、目的本课程设计是完成工厂供电课程教学计划后的一个重要实践性教学环节,是对该门课程内容的综合运用和提高。
二、任务本次课程设计尽可能地结合生产实际来进行,选题多样化,以围绕工厂变电所电气部分工程设计为主,选用了合适的现实工程设计题材和拟订符合工程实际的教学性题材,内容符合本专业培养目标。
设计任务确定为对某工厂变电所确定电气主接线,并进行电气设备的选择。
设计题目为1-12,见题目附件。
鉴于参加课程设计的学生多,课题较少的情况,决定每2~3人1组,分工协作共同完成课题设计内容。
三、设计内容设计的内容有: 电气主接线确定,负荷计算,短路电流计算,变压器选择,高压断路器,隔离开关,母线等设备的选择。
四、设计要求为规范设计,本次设计对设计说明书及图纸等作了如下基本要求:(1)设计说明书学会用简练的工程技术语言编写技术文件是设计的目的之一,说明书的编写大体上可按设计内容,分章、节、项写出设计的依据、条件、过程、方法、结果等,文字简明扼要,字迹清楚,结论明确,各种数据,尽量利用表格,以期一目了然,最少在3000字。
(2)设计计算书它是设计过程中各种主要计算的编集,可作为设计说明书的附件,应显示出各计算项目的计算条件,计算方法,计算过程和计算结果,作为成果数据的要列表以便查用。
根据设计内容,计算书中至少有短路电流计算和设备选择校验计算的内容。
(3)设计图纸各电气元件一律使用标准图例和代号,讲究图面布局美观整洁,应使用AtuoCAD来绘制。
根据设计内容,要求作出变电所电气主接线图。
五、成绩评定根据学生完成的课程设计成果和课程设计答辩的情况,结合在设计过程中个人学习积极性的发挥综合评定成绩,本次设计成绩基本评定为优(20%)和良(80%)。
六、 设计时间及进程安排1、设计时间:2014年5月19日至2014年5月30日 2、进程安排: 答疑时间:见附表,地点为民主楼319#七、参考文献▪ 1、供配电技术 唐志平主编 电子工业出版社 ▪ 2、工厂供电 刘介才编 机械工业出版社 ▪ 3、工厂供电 黄纯华编 天津大学出版社▪ 4、工厂供配电技术 何首贤编 中国电力出版社指导教师:廖国华附件:题目。
本科生课程设计课程:工厂供电专业:电气工程及其自动化班级:电气12级本(1)班学号:**********名:**指导教师:***完成日期: 2014/12/26前言供配电技术,就是研究电力的供应及分配问题。
电力,是现代工业生产、民用住宅、及事业单位的主要能源和动力,是现代文明的物质技术基础。
没有电力,就没有国民经济的现代化。
现代社会的信息和网络化,都是建立在电气化的基础之上的。
因此,电力供应如果突然中断,则将对这些用电部门造成严重和深远的影响。
所以,作好供配电工作,对于保证正常的工作、学习、生活将有十分重要的意义。
供配电工作要很好的为用电部门及整个国民经济服务,必须达到以下的基本要求:(1)安全——在电力的供应、分配及使用中,不发生人身是故和设备事故。
(2)可靠——应满足电力用户对供电可靠性和连续性的要求。
(3)优质——应满足电力用户对电压质量及频率质量的要求。
(4)经济——应使供配电系统投资少、运行费用低,并尽可能节约电能和减少有色金属消耗量。
另外,在供配电工作中,还应合理的处理局部和全局,当前与长远的关系,既要照顾局部和当前利益,又要有全局观点,能照顾大局,适应发展。
1.设计要求根据金工车间的各个电器设备铭牌,以及运行的实际情况,按照安全可靠,经济合理,稳定运行的规定,合理的选择母线以及各个电气设备的绝缘,熔断器型号,合理分析,最终按要求写出设计报告,以及低电压配电线路图纸。
2.设计的依据井冈山大学机电工程学院金工车间电气设备:机床共12台其中2台万能外圆磨机床各15kW,1台摇臂车床7.3kW,1台立式车床8.7kW,4台万能升降台机床各16.5kW,4台卧轴矩台各6kW,14个风扇各0.38kW,35盏灯各0.105kW。
3.设计的任务(1)计算负荷(2)导线和电缆截面的选择计算(3)熔断器的选择(4)完成金工车间的电气安装接线图3.1计算负荷的方法需要系数法,是把用电设备的总设备容量乘以需要系数和同时系数,直接求出计算负荷的一种简便方法。
工厂供电 课程设计一、课程目标知识目标:1. 让学生掌握工厂供电系统的基本组成、工作原理及关键设备的功能。
2. 使学生了解工厂供电系统中涉及的电气参数,如电压、电流、功率等,并理解它们之间的关系。
3. 让学生掌握工厂供电系统的安全操作规程和日常维护知识。
技能目标:1. 培养学生运用所学的工厂供电知识,分析实际工程案例,并提出合理解决方案的能力。
2. 培养学生动手操作能力,能够进行简单的工厂供电系统线路连接和故障排查。
情感态度价值观目标:1. 培养学生对工厂供电领域的兴趣,激发他们学习相关知识的热情。
2. 培养学生的安全意识,让他们明白遵守操作规程的重要性,形成良好的工作习惯。
3. 引导学生关注能源问题,培养他们的环保意识和责任感。
本课程针对初中年级学生,结合学科特点、学生认知水平和教学要求,将课程目标分解为具体的学习成果。
通过本课程的学习,使学生不仅掌握工厂供电的基础知识,还能提高实际操作能力,培养安全意识和环保意识,为将来的学习和工作打下坚实基础。
二、教学内容1. 工厂供电系统概述:介绍工厂供电系统的基本组成、工作原理及各部分功能,对应教材第一章内容。
- 主要设备及其功能- 供电系统的分类及特点2. 工厂供电系统的电气参数:讲解电压、电流、功率等参数的定义、计算及相互关系,对应教材第二章内容。
- 电气参数的基本概念- 参数的计算方法及应用3. 工厂供电系统的安全操作与维护:阐述安全操作规程、日常维护方法及注意事项,对应教材第三章内容。
- 安全操作规程- 常见故障与排查方法- 日常维护技巧4. 实践操作:安排学生进行工厂供电系统的实践操作,提高动手能力,对应教材第四章内容。
- 线路连接与调试- 故障排查与处理5. 能源与环保:引导学生关注能源问题,培养环保意识,对应教材第五章内容。
- 能源消耗与节能措施- 环保政策与法规教学内容按照教材章节顺序进行组织,注重科学性和系统性。
在教学过程中,教师需根据学生的实际水平和进度,适时调整教学安排,确保学生能够掌握所学知识,达到课程目标。
工厂供配电技术课程设计任务书(一)设计题目X X机械厂降压变电所的电气设计(各组厂名自拟)(二)设计要求要求根据本厂所能取得的电源及本厂用电负荷的实际情况,并适当考虑到工厂的发展,按照安全可靠、技术先进、经济合理的要求,确定变电所的位置和型式,确定变电所主变压器的台数、容量与类型,选择变电所主接线方案及高低压设备和进出线,确定二次回路方案,选择整定继电保护,确定防雷和接地装置。
最后按要求写出设计说明书,绘出设计图纸。
(三)设计依据1、工厂总平面图,如图1所示(各组图不同)2、工厂负荷情况本厂多数车间为两班制,年最大负荷利用小时为4600 h ,日最大负荷持续时间为6 h 。
该厂除铸造车间、电镀车间和锅炉房属于二级负荷外,其余均属于三级负荷。
低压动力设备均为三相,额定电压为380伏。
电气照明及家用电器均为单相,额定电压为220伏。
本厂的负荷统计资料如表11-3所示。
表11-3 工厂负荷统计资料(各组不同,按照我给的数据)3、供电电源情况按照工厂与当地供电部门签定的供用电合同规定,本厂可由附近一条10KV的公用电源干线取得工作电源。
该干线的走向参看工厂总平面图。
该干线的导线型号为LGJ-150 ,导线为等边三角形排列,线距为2 m;干线首端(即电力系统的馈电变电站)距离本厂约8 km。
干线首端所装设的高压断路器断流容量为500 MV A。
此断路器配备有定时限过电流保护和电流速断保护,定时限过电流保护整定的动作时间为1.7 s。
为满足工厂二级负荷的要求,可采用高压联络线由邻近单位取得备用电源。
已知与本厂高压侧有电气联系的架空线路总长度为80 km,电缆线路总长度为25 km 。
4、气象资料本厂所在地区的年最高气温为38°C,年平均气温为23°C,年最低气温为-8°C,年最热月平均最高气温为33°C,年最热月平均气温为26 °C,年最热月地下0.8m 处平均温度为25°C,当地主导风向为东北风,年雷暴日数为20 。
电力工程课程设计任务书设计题目:XXX钢管加工厂变电所供配电设计一、设计目的熟悉电力设计的相关规程、规定,树立可靠供电的观点,了解电力系统,电网设计的基本方法和基本内容,熟悉相关电力计算的内容,巩固已学习的课程内容,学习撰写工程设计说明书,对变电所区域设计有初步的认识。
二、设计要求(1)通过对相应文献的收集、分析以及总结,给出相应项目分析,需求预测说明。
(2)通过课题设计,掌握电力系统设计的方法和设计步骤。
(3)学习按要求编写课程设计报告书,能正确阐述设计方法和计算结果。
(4)学生应抱着严谨认真的态度积极投入到课程设计过程中,认真查阅相应文献以及实现,给出个人分析、设计以及实现。
三、设计任务(一)设计内容1.总降压变电站设计(1)负荷计算(2)主结线设计:选主变压器及高压开关等设备,确定最优方案。
(3)短路电流计算:计算三相短路电流,计算结果列出汇总表。
(4)主要电气设备选择:主要电气设备选择及校验。
选用型号、数量、汇成设备一览表。
(5)主要设备继电保护设计:元件的保护方式选择和整定计算。
(6)配电装置设计:包括配电装置布置型式的选择、设备布置图。
(7)防雷、接地设计:包括直击雷保护、进行波保护和接地网设计。
2.车间变电所设计根据车间负荷情况,选择车间变压器的台数、容量,以及变电所位置的原则考虑。
3.厂区配电系统设计根据所给资料,列出配电系统结线方案,经过详细计算和分析比较,确定最优方案。
(二)设计任务1.设计说明书,包括全部设计内容,负荷计算,短路计算及设备选择(要求列表);2.电气主接线图。
四、设计时间安排查找相关资料(1天)、总降压变电站设计(3天)、车间变电所设计(2天)、厂区配电系统设计(1天)、撰写设计报告(2天)和答辩(1天)。
五、主要参考文献[1] 电力工程基础[2] 工厂供电[3] 继电保护.[4] 电力系统分析[5]电气工程设计手册等资料指导教师签字:年月日一. 原始资料 1. 工厂总平面图1某机械厂总平面图比例:1:20002345678910厂区大街大街大街工厂生活区生活区的负荷中心后厂门厂门公共电源干线邻厂北2.工厂负荷情况:本厂多数车间为两班制,年最大负荷利用小时数为4600h ,日最大负荷持续时间为6h 。
工厂供电课程设计任务书一设计题目某工厂降压变电所的电气设计二设计目的1、通过该变电所的设计培养学生综合运用所学的基础理论知识、基本技能和专业知识进行分析和解决实际问题的能力2、掌握中小型工厂供电系统设计计算和运行维护所必须的基本理论和基本技能3、掌握供配电设计的基本原则和方法,深刻理解“安全、可靠、优质、经济”的设计要求,为今后从事工厂供配电技术工作奠定一定的基础。
三设计要求1、选择变电所主接线方案(有能力的同学可用A3纸画出)2、确定变电所主变压器的台数和设备容量、类型3、选择高低压设备和进出线4、选择相应的保护装置四、设计依据1、工厂负荷情况本厂大多数车间为两班制,年最大负荷利用小时数3500h,日最大负荷持续时间为6h,该工厂铸造车间、电镀车间属于二级负荷,其余为三级负荷。
低注:生活区距供电所200m,生活区的照明负荷中含有家用电器。
2、供电电源情况本厂从附近一条10KW的公用电源干线取得工作电源,干线导线型号LGJ-150,导线为等边三角形排列,线距1m,干线首端(电力系统的馈电变电站)距离本厂8km。
干线首段断路器容量为400MV A。
此断路器配备有定时限过流保护和电流速断保护,定时限过电流保护动作时间为1.7S。
为满足工厂二级负荷要求,采用长度为20 Km架空线路取得备用电源。
已知与本厂高压侧有电气联系的架空线路总长为80Km,电缆线路总长度为25Km。
变电所最大负荷时功率因数不低于0.9。
气象资料:年最高气温38℃,年最低气温-8℃,年平均气温23℃,年最热月平均气温33℃,年最热月地下0.8m处平均温度为25℃年雷暴日数为20日。
五、设计任务1、负荷计算和无功功率补偿(列出负荷计算表)2、主变压器台数、容量和类型的选择3、变电所主接线方案设计(画出主接线图)4、短路电流计算(详细的计算过程)5、变电所一次设备(主要指变压器,低压两侧隔离开关,高压断路器等设备)的选择与校验6、选择整定继电保护装置7、防雷保护和接地装置的设计六、设计报告格式要求1、课程设计报告使用统一封皮,文档用A4纸2、课程设计报告编排顺序封皮-前言-目录-任务书-负荷计算和无功功率补偿-主变压器台数、容量和类型的选择-变电所主接线方案设计-短路电流计算-变电所一次设备的选择与校验-选择整定继电保护装置-防雷保护和接地装置的设计-结束语-参考文献工厂供电课程设计报告姓名:学号:班级:指导教师:完成时间:。
西安建筑科技大学课程设计(论文)任务书
专业班级:学生姓名:指导教师(签名):
一、课程设计(论文)题目
某110KV变电所一次系统设计
二、本次课程设计(论文)应达到的目的
工厂供电课程设计是在《工厂供电》课程学完结束后的一次教学实践环节。
课程设计是实践教学环节的重要组成部分,其目的是通过课程设计加深学生对课程基本知识的理解,提高综合运用知识的能力,掌握本课程的主要内容、工程设计或撰写论文的步骤和方法。
围绕课本内容培养学生独立进行工业供电系统和建筑供电系统电气部分设计计算能力,包括供电系统设计计算能力和电力设备选择能力。
培养学生理论联系实际的能力,加强供电专业知识的认识水平。
锻炼和培养学生分析和解决电力供电专业技术问题的能力和方法。
三、本次课程设计(论文)任务的主要内容和要求(包括原始数据、技术参数、设计要求等)
1、设计依据
1)变电所的类型
该变电所为110KV终端变电所,进线端电压为110KV线路一条,35KV出线4条,10KV出线5条。
其中:110KV兴城线与朝阳变电所相连,35KV线路有:镇南线---送电至双发乡,镇里线---送电至卫星牧场,朝阳线---送朝阳部分负荷,永胜线---送电至卫星牧场。
10KV线路分为:城西线、城南线、城东线、城北线、镇北线。
正常运行方式为110KV朝阳线送电,35KV四条线路,35KV分段接线,镇里线及10KV单母线接线,所用电源两个,一个由10KV母线带出线的10KV所用变,另一个是35KV所用变,由35KV镇里线母线带出。
2)变电所所处的地理位置
变电所位于城市工业区附近,交通运输方便,变电所所处的地域及自然条件变电所位于省界大庆市肇洲县,海拔400M,地势平坦,公路交通方便,无污染源,夏季最高温度零上36度,冬季最低气温为-20度,年平均气温为零上15度,最大风速为20M/S,覆冰厚度为5MM,土壤电阻率为〈500Ω,冻土厚度为1.3M,主导风向:夏季为东南风,冬季为西北风。
3)负荷资料
有一处为二类负荷,容量为2500KVA,其余为三类负荷,其中工业负荷比重较大,容量总和为15000KVA,10KV侧有5条出线,线损率为10%,进线长度为20KM,其负荷统计如下:
4)系统资料
变电所有一回110KV进线,进线长度为20KM,系统的基准容量S j=100MVA,系统在最大运行方式下,系统电抗标幺值X max=0.04,系统在最小运行方式下系统电抗标幺值X min=0.06。
规划年限为10年,年负荷增长率5%。
2、设计内容
1)、负荷计算
2)、无功功率补偿
3)、主变压器台数和容量、类型的选择
4)、变电所主接线方案的设计
5)、短路电流的计算
6)、变电所一次设备的选择与校验
7)、变电所进出线的选择与校验
3、书面报告格式及内容要求:
1)、说明书的格式要符合《西安建筑科技大学本科课程设计(论文)管理规定(试行)》的规定。
2)、说明书的内容应包括设计内容的七部分要点,说明书正文要求在20页左右。
四、应收集的资料及主要参考文献:
1、《工厂供电》机械工业出版社刘介才编著
2、《发电厂变电所电气设备》中国电力出版社卢文鹏,吴佩雄主编
3、《供配电技术》电子工业出版社唐志平主编
4、《工业企业供电课程设计及实验指导书》冶金工业出版社王建南主编
五、审核批准意见
教研室主任(签字)。