预制构件模板工程检验批质量验收记录表
- 格式:docx
- 大小:19.85 KB
- 文档页数:1
装置式构造施工查验批质量查收记录表
GB50204-2002
(Ⅱ)
020106单位(子单位)工程名称
分部(子分部)工程名称查收部位
施
工单位项目经理施工履行标准名称及编号
施工质量查收规范的规定
监理(建
设)单位
施工单位检查评定记录
查收
记录
主1
预制构件进场检查第条
控
2
预制构件的连结第条项
3
目接头和拼缝的混凝
土强度第条
1
预制构件支承地点
和方法第条
一2
安装控制标记第条
般3
项
预制构件吊装第条
目4
第条
暂时固定举措和地点校订
5
第条
接头和拼缝的质量
要求
专业工长(施工员) 施工班组长
施工单位检查评定结果
项目专业质量检查员: 年 月 日
监理(建设)单位查收结论
专业监理工程师:(建设单位项目专业技术负责人)
:
年 月 日。
检验批质量验收记录表索引目录土方开挖工程检验批质量验收记录表GB50202-2002土方回填工程检验批质量验收记录表GB50202-2002排桩墙支护工程检验批质量验收记录表(重复使用钢板桩)GB50202-2002(Ⅰ)排桩墙支护工程检验批质量验收记录表(混凝土板桩)GB50202-2002(Ⅱ)降水与排水工程检验批质量验收记录表GB50202-2002混凝土灌注桩(钢筋笼)工程检验批质量验收记录表GB50202-2002地下连续墙工程检验批质量验收记录表GB50202-2002锚杆及土钉墙支护工程检验批质量验收记录表GB50202-2002加筋水泥土桩墙支护工程检验批质量验收记录表GB50202-2002沉井与沉箱工程检验批质量验收记录表GB50202-2002钢或混凝土支撑工程检验批质量验收记录表GB50202-2002灰土地基工程检验批质量验收记录表GB50202-2002砂和砂石地基检验批质量验收记录表GB50202-2002土工合成材料地基工程检验批质量验收记录表GB50202-2002粉煤灰地基工程检验批质量验收记录表GB50202-2002强夯地基工程检验批质量验收记录表GB50202-2002振冲地基工程检验批质量验收记录表GB50202-2002砂桩地基工程检验批质量验收记录表GB50202-2002预压地基工程检验批质量验收记录表GB50202-2002高压喷射注浆地基工程检验批质量验收记录表GB50202-2002土和灰土挤密桩复合地基检验批质量验收记录表GB50202-2002注浆地基检验批质量验收记录表GB50202-2002水泥粉煤灰碎石桩复合地基工程检验批质量验收记录表GB50202-2002夯实水泥土桩复合地基工程检验批质量验收记录表GB50202-2002水泥土搅拌桩地基工程检验批质量验收记录表GB50202-2002GB50202-2002GB50202-2002混凝土预制桩(钢筋骨架)工程检验批质量验收记录表GB50202-2002混凝土预制桩工程检验批质量验收记录表GB50202-2002钢桩(成品)工程检验批质量验收记录表GB50202-2002(Ⅰ)010404单位(子单位)工程名称分部(子分部)工程名称验收部位施工单位项目经理分包单位分包项目经理施工执行标准名称及编号施工质量验收规范的规定施工单位检查评定记录监理(建设)单位验收记录主控项目1 钢桩外径或断面尺寸:桩端桩身±0.5%D±1D 2 矢高<1/1000L一般项目1 长度(mm)+102 端部平整度(mm)≤23 H钢桩的方正度h>300h<300T+T´≤8T+T´≤6 4 端部平面与桩中心线的倾斜值(mm)≤2施工单位检查评定结果专业工长(施工员)施工班组长项目专业质量检查员:年月日监理(建设)单位验收结论专业监理工程师:(建设单位项目专业技术负责人):年月日GB50202-2002GB50208-2002水泥砂浆防水层检验批质量验收记录表GB50208-2002GB50208-2002GB50208-2002GB50208-2002GB50208-2002GB50208-2002GB50208-2002GB50208-2002。
工程检验批质量验收记录表51. 引言工程检验批质量验收记录表5是用于记录工程项目中的第五批次检验和验收过程的质量相关信息。
本文档将详细介绍记录表的填写要求和相关注意事项。
2. 检验批基本信息2.1 项目名称填写工程项目的名称。
2.2 批次编号填写本次检验批的编号。
2.3 检验日期填写检验完成的日期。
3. 检验内容在表格中按照要求填写本次检验批的检验内容,并标明具体的验收标准。
检验内容验收标准部位1 标准1部位2 标准2……部位n 标准n4. 检验结果根据实际检验情况,填写本次检验的结果。
4.1 合格填写合格的检验项数目。
4.2 不合格填写不合格的检验项数目。
4.3 未验收填写未验收的检验项数目。
5. 不合格情况记录对于不合格的检验项,按照以下要求进行记录。
5.1 不合格部位填写不合格的具体部位。
5.2 不合格描述对不合格部位进行详细描述。
5.3 处理措施填写针对不合格部位所采取的处理措施。
5.4 责任追究填写对于不合格部位责任的追究情况。
6. 验收意见根据本次检验批的结果,填写相关的验收意见。
6.1 合格率计算本次检验批的合格率。
6.2 验收结论根据合格率,填写本次检验批的验收结论。
7. 附件如有必要,可以在此处列出附件的名称和相关信息。
8. 签名8.1 项目负责人填写项目负责人的姓名和日期。
8.2 监理工程师填写监理工程师的姓名和日期。
8.3 施工单位负责人填写施工单位负责人的姓名和日期。
9. 结束语工程检验批质量验收记录表5是确保工程项目质量的关键文档之一。
通过按照本文档的要求填写记录表,可以有效记录和管理工程项目的检验和验收过程,促进工程质量的提升和控制。
注意:本文档仅为示例,实际填写工程检验批质量验收记录表5时,请根据具体项目的要求进行相应的调整和修改。
建筑工程施工质量验收资料(TJ:土建部分)档号档案馆代号案卷题名编制单位编制日期密级保管期限共卷第卷江苏省建设工程质量监督站编印目录工程概况TJ1。
1复核人:填表人:工程项目施工管理人员名单T J1.2施工现场质量管理检查记录T J1.3施工组织设计、施工方案审批表T J1。
4注:附施工组织设计、施工方案.技术交底记录T J1.5注:本记录一式两份,一份交接受交底人,一份存档。
开工报告T J1.6工程竣工报告T J1。
7图纸会审、设计变更、洽商记录汇总表T J2。
1注:图纸会审、设计变更、洽谈商记录附后.图纸会审、设计变更、洽商记录T J2..1.1设计交底记录T J2..1。
2工程定位测量、放线验收记录T J2.。
2钢材合格证和复试报告汇总表T J2.。
3。
1技术负责人:质量检查员:水泥出厂合格证、复试报告汇总表T J2..3.2技术负责人:质量检查员:砖(砌块)检验报告汇总表T J2。
.3.3技术负责人: 质量检查员:混凝土外加剂(及其它材料)产品合格证、出厂检验报告和进场复验报告汇总表T J2。
.3.4技术负责人:质量检查员:防水和保温材料合格证、复试报告汇总表T J2。
.3.5技术负责人:质量检查员:(其它)建筑材料合格证、复试报告汇总表T J2.。
3。
6技术负责人:质量检查员:混凝土试块试压报告汇总表T J2。
4。
1技术负责人:质量检查员:注:1、F eu,I—-第I组混凝土抗压强度代表值。
2、不同验收批的混凝土、标准养护和与结构实体同条件养护的混凝土应分别汇总评定。
试验报告分别附本汇总表后.混凝土强度评定T J2.。
4.2技术负责人:质量检查员: 年月日结构实体混凝土强度评定T J2..4.3技术负责人: 质量检查员:年月日注:同条件养护试件强度按GBJ107的规定确定后,宜取1.10的折算系数。
砂浆强度汇总评定表T J2。
.4。
4钢筋连接试验报告、焊条(剂)合格证汇总表T J2.。
预制构件模板安装检验批质量验收记录注:本表内容的填写需依据《现场验收检验批检查原始记录》。
本检验批质量验收的规范依据见本页背面。
填写说明一、填写依据1 《混凝土结构工程施工质量验收规范》GB50204-2015。
2 《建筑工程施工质量验收统一标准》GB50300-2013。
二、检验批划分混凝土结构工程采用的材料、构配件、器具及半成品应按进场批次进行检验。
属于同一工程项目且同期施工的多个单位工程,对同一厂家生产的同批材料、构配件、器具及半成品,可统一划分检验批进行验收。
如:模板安装,可根据柱、梁、板、墙,按楼层或结构伸缩缝进行划分。
三、GB50204-2015规范摘要主控项目4.2.1 模板及支架用材料的技术指标应符合国家现行有关标准的规定。
进场时应抽样检验模板和支架材料的外观、规格和尺寸。
检查数量:按国家现行相关标准的规定确定。
检验方法:检查质量证明文件,观察,尺量。
4.2.2 现浇混凝土结构模板及支架的安装质量,应符合国家现行有关标准的规定和施工方案的要求。
检查数量:按国家现行相关标准的规定确定。
检验方法:按国家现行有关标准的规定执行。
4.2.3 后浇带处的模板及支架应独立设置。
检查数量:全数检查。
检验方法:观察。
4.2.4 支架竖杆和竖向模板安装在土层上时,应符合下列规定:1 土层应坚实、平整,其承载力或密实度应符合施工方案要求;2 应有防水、排水措施;对冻胀性土,应有预防冻融措施;3 支架竖杆下应有底座或垫板。
检查数量:全数检查。
检验方法:观察;检查土层密实度检测报告、土层承载力验算或现场检测报告。
一般项目4.2.5 模板安装质量应符合下列规定:1 模板的接缝应严密;2 模板内不应有杂物、积水或冰雪等;3 模板与混凝土的接触面应平整、清洁;4 用作模板的地坪、胎膜等应平整、清洁,不应有影响构件质量的下沉、裂缝、起砂或起鼓;5 对清水混凝土及装饰混凝土构件,应使用能达到设计效果的模板。
检查数量:全数检查。
建筑工程施工质量验收资料(TJ:土建部分)档 号 档案馆代号 案 卷 题 名编 制 单 位编 制 日 期密 级 保管期限共 卷 第 卷江苏省建设工程质量监督站编印目 录工 程 概 况 ❆☺复核人填表人工程项目施工管理人员名单 ❆☺施工现场质量管理检查记录 ❆☺开工日期:施工组织设计、施工方案审批表 ❆☺注:附施工组织设计、施工方案。
技 术 交 底 记 录 ❆☺注:本记录一式两份,一份交接受交底人,一份存档。
开 工 报 告❆☺ 建设单位工 程 竣 工 报 告 ❆☺图纸会审、设计变更、洽商记录汇总表 ❆☺ 注:图纸会审、设计变更、洽谈商记录附后。
图纸会审、设计变更、洽商记录 ❆☺ 设 计 交 底 记 录 ❆☺工程定位测量、放线验收记录 ❆☺ 钢材合格证和复试报告汇总表 ❆☺ 技术负责人: 质量检查员:水泥出厂合格证、复试报告汇总表 ❆☺ 技术负责人: 质量检查员:砖(砌块)检验报告汇总表 ❆☺ 技术负责人: 质量检查员:混凝土外加剂(及其它材料)产品合格证、出厂检验报告和进场复验报告汇总表❆☺ 技术负责人: 质量检查员:防水和保温材料合格证、复试报告汇总表 ❆☺ 技术负责人: 质量检查员:(其它)建筑材料合格证、复试报告汇总表 ❆☺ 技术负责人: 质量检查员:混凝土试块试压报告汇总表 ❆☺ 工程名称:技术负责人: 质量检查员:注: 、☞♏◆ ✋——第✋组混凝土抗压强度代表值。
、不同验收批的混凝土、标准养护和与结构实体同条件养护的混凝土应分别汇总评定。
试验报告分别附本汇总表后。
混 凝 土 强 度 评 定❆☺ 单位工程:。
123456789101第9.2.1条2第9.2.2条3第9.2.3条123456789101第9.2.4条+10,-5+5,-10±5+15,-103
宽度、 高(厚)度±5L/750且≤20
L/1000且≤20
12345678910105
+10,-5
6预留孔5
7预留洞15
+5,-3
+10,-5
9对角线差10
10表面平整度5
11预应力构 件预留孔 道位置3
L/750
L/1000等进行验收。
分包项目经理工程名称
施工单位
施工执行标准名称及编
号分包单位
监理(建设)单位
验收结论年 月 日监理工程师 (建设单位项目技术负责人):施工单位检查
评定结果
项目专业质量检查员:年 月 日板、墙板、柱、梁梁、墙板、薄腹梁、桁架12翘曲板墙板
中心线位置
螺栓位置螺栓外露长度板梁、柱、墙板、薄腹梁、桁架板、墙板一般项目
规范规定 施工单位检查评定记录中心线位置中心线位置8主筋保护 层厚度5预埋件装配式结构预制构件工程检验批质量验收记录
主控项目
一般项目
1.1.9砼-16-1
施工单位检查评定记录板、梁、柱、墙板、薄腹梁、桁架梁、柱、板2
4长
度
侧 向弯曲板、梁柱墙板、薄腹梁、桁架墙、板薄腹梁、桁架预制构件的标识
外观质量及严重缺陷
结构性能、安装、使用功能的尺寸偏差
预制构件外观质量及一般缺陷
规范规定规范规定 (mm)验收部位项目经理专业工长施工班组长施工单位检查评定记录监理(建设)单位 验收记录。
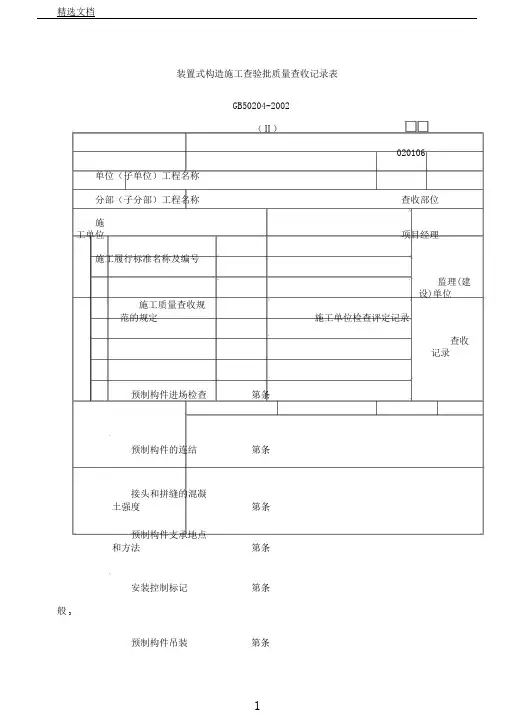
装配式结构施工检验批质量验收记录
GB-50204-2002 020106□□
注:本表由施工项目专业质量检查员填写,监理工程师组织项目专业质量(技术)负责人等进行验收。
郑州市重点建设工程质量监督中心监制
主楼游泳池地沟盖板钢筋绑扎、模板安装报验申请表工程名称:河南省省直体育活动中心编号:
郑州市重点建设工程质量监督中心监制
隐蔽工程检查验收记录GJ0.1—2—5
GB50300—2001
施工单位项目技术负责人:质量检查员:施工员:
郑州市重点建设工程质监中心监制
模板安装工程检验批质量验收记录表(一)
GB50204-2002 020101□□
注:本表由施工项目专业质量检查员填写,监理工程师组织项目专业质量(技术)负责人等进行验收。
郑州市重点建设工程质量监督中心监
制。
通用表格A01 施工现场质量管理检查记录A02 检验批质量验收记录A03 分项工程质量验收记录A04 分部(子分部)工程质量验收记录A05 单位(子单位)工程质量竣工验收记录A06 单位(子单位)工程质量控制资料核查记录A07 单位(子单位)工程安全和功能检验资料核查及主要功能抽查记录A08 单位(子单位)工程观感质量检查记录A02-301 单位(子单位)工程观感质量检查记录A02-302 混凝土小型空心砌块砌体工程检验批质量验收记录A02-303 石砌体工程检验批质量验收记录A02-304 配筑砌体工程检验批质量验收记录A02-305 填充墙砌体工程检验批质量验收记录A01施工现场质量管理检查记录编号:开工日期:工程名称施工许可证(开工证)建设单位项目负责人设计单位项目负责人监理单位总监理工程师施工单位项目经理项目技术负责人序号项目内容1 现场质量管理制度2 质量责任制3 主要专业工种操作上岗证4 分包方资质一对分包单位的管理制度5 施工图审查情况6 地质勘察资料7 施工组织设计、施工方案及审批8 施工技术标准9 工程质量检验制度10 搅拌站及计量设置11 现场材料、设备存放与管理12检查结论:总监理工程师:建设单位代表:年月日注:1、本表由施工单位填写报监理单位。
总监理工程师检查并做出检查结论。
2、检查结论中需要整改的内容由施工单位以附页复报。
3、完成后,原件存监理单位复印件交施工单位。
A02检验批质量验收记录编号:工程名称大泽碧桂园山湖湾二区二期高层洋房室内消防工程分项工程名称室内消防安装工程检验批部位一号楼1层施工单位广东建安消防机电工程有限公司开平分公司专业工长项目经理阮建军监理单位江门市新会区冈州工程建设监理有限公司总监理工程师分包单位分包单位负责人施工班组长施工依据标准建筑给水排水及采暖工程施工质量验收规范(GB50242-2002)主控项目质量验收规范的规定施工单位检验评定记录或结果监理(建设)单位验收记录结果备注123456789一般项目12345678施工单位检验评定结果班组长或专业工长:质检员或项目技术负责人:年月日年月日监理(建设)单位验收结论监理工程师:建设单位代表:年月日分项工程质量验收记录编号:工程名称结构类型检验指数施工单位项目经理::项目技术负责人分包单位项目经理::项目技术负责人序号检验批部位、区段施工单位检查评定结果监理建设单位验收结论备注1234567891011121314151617检查结论项目专业技术负责人:年月日验收结论监理工程师:建设单位项目专业技术负责人:年月日分部(子分部)工程质量验收记录编号:工程名称结构类型层数施工单位项目经理::项目技术负责人分包单位项目经理::项目技术负责人序号分项工程名称检验批数施工单位检查评定结果验收意见12345678质量控制资料安全和功能检验(检测)报告观感质量验收验收单位分包单位项目经理:日期:施工单位项目经理:日期:勘察单位项目负责人:日期:设计单位项目负责人:日期:建设单位项目负责人:日期:监理单位总监理工程师:日期:单位(子单位)工程质量竣工验收记录编号:工程名称结构类型层数/建筑面积施工单位技术负责人开工日期项目经理项目技术负责人竣工日期序号项目验收记录验收结论1 分部工程共分部经查分部符合标准要求分部2 质量控制资料核查共项,经审查,符合要求项3 安全和主要使用功能核查及抽查结果共核查项符合要求项。
预制构件检验批质量验收记录1. 引言预制构件在建筑和工程领域中扮演着重要的角色,其质量直接影响到整个工程的安全性和稳定性。
为了确保预制构件的质量达到预期要求,进行质量验收成为不可或缺的步骤。
本文档将记录预制构件检验批的质量验收过程。
2. 验收目的本次预制构件检验批的质量验收旨在确认预制构件是否符合相关标准和规范的要求,同时评估其可用性和安全性。
通过验收,可以提前发现和纠正潜在的质量问题,确保工程的顺利进行。
3. 验收范围本次预制构件检验批的质量验收范围包括但不限于以下几个方面:- 预制构件的尺寸和形状是否符合设计要求;- 预制构件的材质和强度是否符合相关标准;- 预制构件的表面质量和外观是否符合要求;- 预制构件的连接方式和安装是否符合规范;- 预制构件的功能性能是否符合设计要求。
4. 验收准备工作在进行预制构件检验批的质量验收前,需要进行如下准备工作:- 准备验收记录表格,记录各个检验项目的名称、要求和实际情况;- 组织验收人员,并明确各人员的职责和任务;- 检查验收所需的设备和工具是否齐备,如测量工具、试验设备等;- 确保预制构件已经就位,并提供相应的安全措施。
5. 验收步骤5.1 检查尺寸和形状首先,对预制构件的尺寸和形状进行检查,包括长度、宽度、高度等方面。
通过使用测量工具,对比设计要求,确定预制构件是否符合规定的尺寸范围。
5.2 检验材质和强度对预制构件的材质和强度进行检验,通过取样进行物理和化学测试,确定材质的组成和强度是否符合标准要求。
同时,可以对预制构件进行负荷试验,评估其承载能力和稳定性。
5.3 检查表面质量和外观对预制构件的表面质量和外观进行检查,包括光洁度、平整度、色彩等方面。
通过目视检查和使用相关测试仪器,评估预制构件的整体外观是否符合设计要求。
5.4 检验连接方式和安装对预制构件的连接方式和安装进行检验,确保连接紧密稳固,符合相关规范。
检查搭接、焊接、螺栓连接等方式,评估其可靠性和安全性。