监理工程师检查记录表填充墙砌体工程(GB50203-2011)
- 格式:doc
- 大小:201.50 KB
- 文档页数:5
1砌体结构工程施工质量验收规范(GB 50203-2011)2014年11月26日主讲人:程志规范主要修订内容本次经修订后的规范工162个条文和3个附录,较原规范增加了18个条文和2个附录规范更名为《砌体结构工程施工质量验收规范》砌体材料补充砼多孔砖、砼实心砖、预拌砂浆、蒸压加气砼砌块专用砂浆增加墙体砌筑时应设置皮数杆增加正常施工条件下砖砌体、小砌块砌体及石砌体每日砌筑高度的规定增加砌体结构工程检验批的划分规定增加“一般项目”检测值的最大超差只为允许偏差值的1.5倍的规定根据现行国家标准《建筑工程施工质量验收统一标准》GB50300的修订内容,修改了分项工程检验批各项抽检项目最新样本容量的规定,替代原规范条文抽检检验批的百分数(一般规定为10%)抽取的方法补充砂中有害物质的种类及限制增加不同砌体所用砌筑砂浆稠度的规定统一现场拌制的水泥砂浆、水泥混合砂浆的使用时间水泥砂浆替换同强度等级水泥混合砂浆时应重新确定砂浆强度等级的规定根据结构可靠度原则,按照现行国家标准《建筑结构可靠杀鸡标准》中“质量验收标准宜在统计理论的基础上制定”的规定,以及《建筑工程施工质量验收统一标准》对计量抽样的主控项目合格水平的要求,修改了砌筑砂浆的合格验收条件增加用于室内的石材应经放射性检验;挡土墙厚度规定;毛石与实心砖组合墙的砌筑规定;毛石砌体与实心砖砌体相接、转角处的砌筑规定;毛石砌体灰缝厚度规定补充配筋砌体中钢筋设置部位应符合设计要求;钢筋安装位置允许偏差及检验方法;受力钢筋连接方式应符合设计要求的规定增加填充墙砖、小砌块强度等级的进场复验要求增加蒸压假期砼砌块砌筑时含水率的规定;蒸压加气砼砌块采用薄灰砌筑发的施工要求;填充墙与框架柱、剪力墙、梁之间的连接构造按设计的脱开方法和不脱开方法进行施工增加填充墙与主题结构件连接钢筋采用植筋方法时锚固拉拔力检测及验收规定修改轻骨料砼小型空心砌块或蒸压加气砼砌块墙体底部砌筑其他块体或现浇砼坎台的规定修改冬期施工中同条件养护砂浆试块的留置数量及实验龄期的规定删除冻结法施工;浆氯盐砂浆发纳入外加剂法强制性条文做了部分删减。
《砌体结构工程施工质量验收规范》GB50203-2011广西建设工程质量安全监督总站2013年11月表格修编目录砌体基础子分部工程质量验收记录 (1)砌体结构子分部工程质量验收记录 (3)砖砌体工程检验批质量验收记录 (5)混凝土小型空心砌块砌体工程检验批质量验收记录 (7)石砌体工程检验批质量验收记录 (10)填充墙砌体工程检验批质量验收记录 (12)配筋砌体工程检验批质量验收记录 (14)砌体基础子分部工程质量验收记录收统一标准》(GB50300-2001)第5.0.6条处理的情况。
砌体基础子分部工程资料检查表2. 工程地质勘察报告、地基验槽记录在无支护土方或有支护土方子分部工程质量验收中检查;3.有关钢材和混凝土的资料,是指配筋砌体、地梁等的钢筋和混凝土资料;4.验收时,若混凝土试块和砂浆试块未达龄期,各方可先验收除混凝土强度和砂浆强度之外的其它内容。
待试块强度试验数据得出后,达到设计要求则验收有效;达不到要求,处理后重新验收。
砌体结构子分部工程质量验收记录注:“经核定符合规范要求项”是指初验未通过的项目,按《建筑工程施工质量验收统一标准》(GB50300-2001)第5.0.6条处理的情况。
砌体子分部工程资料检查表2. 有关钢材和混凝土的资料,是指配筋砌体、构造柱、芯柱的钢筋和混凝土资料。
3. 验收时,若砂浆试块未达龄期,各方可验收除砂浆强度外的其它内容。
待砂浆强度试验数据得出后,达到设计要求则验收有效;达不到要求,处理后重新验收。
4.钢筋工程检验批已含隐蔽验收,不必另做隐蔽工程检查验收记录。
须做隐蔽工程检查验收的是诸如埋入管线之类。
砖砌体工程检验批质量验收记录砖砌体工程检验批质量验收记录GB50203-2011桂建质020301(010701)附表注:检验批质量合格的判定标准:⑴主控项目的质量经检验全部合格;⑵一般项目的合格点率达到80%及以上或偏差值在允许偏差范围以内。
混凝土小型空心砌块砌体工程检验批质量验收记录GB50203-2011桂建质020302□□□混凝土小型空心砌块砌体工程检验批质量验收记录注:检验批质量合格的判定标准:⑴主控项目的质量经检验全部合格;⑵一般项目的合格点率达到80%及以上或偏差值在允许偏差范围以内。
1 总则为加强建筑工程的质量管理,统一砌体结构工程施工质量的验收,保证工程质量,制定本规范。
本规范适用于建筑工程的砖、石、小砌块等砌体结构工程的施工质量验收。
本规范不适用于铁路、公路和水工建筑等砌石工程。
砌体结构工程施工中的技术文件和承包合同对施工质量验收的要求不得低于本规范的规定。
本规范应与现行国家标准《建筑工程施工质量验收统一标准》GB50300配套使用。
砌体结构工程施工质量的验收除应执行本规范外,尚应符合国家现行有关标准的规定。
2 术语砌体结构:由块体和砂浆砌筑而成的墙、柱作为建筑物主要受力构件的结构。
是砖砌体、砌块砌体和石砌体结构的统称。
配筋砌体:由配置钢筋的砌体作为建筑物主要受力构件的结构。
是网状配筋砌体柱、水平配筋砌体墙、砖砌体和钢筋混凝土面层或钢筋砂浆面层组合砌体柱(墙)、砖砌体和钢筋混凝土构造柱组合墙和配筋小砌块砌体剪力墙结构的统称。
块体:砌体所用各种砖、石、小砌块的总称。
小型砌体:块体主规格的高度大于115mm而又小于380mm的砌块,包括普通混凝土小型空心砌块、轻骨料混凝土小型空心砌块、蒸压加气混凝土砌块等。
简称小砌块。
产品龄期:烧结砖出窑;蒸压砖、蒸压加气混凝土砌块出釜;混凝土砖、混凝土小型空心砌块成型后至某一日期的天数。
蒸压加气混凝土砌块专用砂浆:与蒸压加气混凝土性能匹配的,能满足蒸压加气混凝土砌块施工要求和砌体性能的砂浆,分适用于薄灰砌筑法的蒸压加气混凝土砌块粘结砂浆;适用于非薄灰砌筑法的蒸压加气混凝土砌块砌筑砂浆。
预拌砂浆:由专业生产厂家生产的湿拌砂浆或干混砂浆。
施工质量控制等级:按质量控制和质量保证若干要素对施工技术水平所作的分级。
瞎缝:砌体中相邻块体间无砌筑砂浆,又彼此接触的水平缝或竖向缝。
假缝:为掩盖砌体灰缝内在质量缺陷,砌筑砌体时仅在靠近砌体表面处抺有砂浆,而内总无砂浆的竖向灰缝。
通缝:砌体中上下皮块体搭接长度小于规定数值的竖向灰缝。
相对含水率:含水率与吸水率的比值。
中华人民共和国国家标准砌体结构工程施工质量验收规范GB50203—2011主编部门:陕西省住房和城乡建设厅批准部门:中华人民共和国住房和城乡建设部施行日期:2 0 1 2 年 5 月 1 日中华人民共和国住房和城乡建设部公告第936号关于发布国家标准《砌体结构工程施工质量验收规范》的公告现批准《砌体结构工程施工质量验收规范》为国家标准,编号为GB50203-2011,自2012年5月1日起实施。
其中,第4.0.1(1、2)﹑5.2.1﹑5.2.3﹑6.1.8﹑6.1.10﹑6.2.1﹑6.2.3﹑7.1.10﹑7.2.1﹑8.2.1﹑8.2.2﹑10.0.4条(款)为强制性条文,必须严格执行。
原《砌体工程施工质量验收规范》GB 50203-2002同时废止。
本规范由我部标准定额研究所组织中国建设工业出版社出版发行。
中华人民共和国住房和城乡建设部 2011年2月18日1 总则1.0.1为加强建筑工程的质量管理,统一砌体结构工程施工质量的验收,保证工程质量,制定本规范。
1.0.2本规范适用于建筑工程的砖、石、小砌块等砌体结构工程的施工质量验收。
本规范不适用于铁路、公路和水工建筑等砌石工程。
1.0.3砌体工程施工中采用的工程技术文件、承包合同文件对施工质量验收的要求不得低于本规范的规定。
1.0.4本规范应与国家标准《建筑工程施工质量验收统一标准》GB50300配套使用。
1.0.5砌体结构工程施工质量的验收除应执行本规范外,尚应符合国家现行有关标准的规定。
2 术语2.0.1砌体结构由块体和砂浆砌筑而成的墙、柱作为建筑物主要受力构件的结构。
是砖砌体、砌块砌体和石砌体结构的统称。
2.0.2配筋砌体由配置钢筋的砌体作为建筑物主要受力构件的结构。
是网状配筋砌体柱、水平配筋砌体墙、砖砌体和钢筋混凝土面层或钢筋砂浆面层组合砌体柱(墙)、砖砌体和钢筋混凝土构造柱组合墙和配筋小砌块砌体剪力墙结构的统称。
2.0.3块体砌体所用各种砖、石、小砌块的总称。
《砌体结构工程施工质量验收规范》GB50203-2011广西建设工程质量安全监督总站2013年11月表格修编目录砌体基础子分部工程质量验收记录 (1)砌体结构子分部工程质量验收记录 (3)砖砌体工程检验批质量验收记录 (5)混凝土小型空心砌块砌体工程检验批质量验收记录 (7)石砌体工程检验批质量验收记录 (10)填充墙砌体工程检验批质量验收记录 (12)配筋砌体工程检验批质量验收记录 (14)砌体基础子分部工程质量验收记录收统一标准》(GB50300-2001)第5.0.6条处理的情况。
砌体基础子分部工程资料检查表2. 工程地质勘察报告、地基验槽记录在无支护土方或有支护土方子分部工程质量验收中检查;3.有关钢材和混凝土的资料,是指配筋砌体、地梁等的钢筋和混凝土资料;4.验收时,若混凝土试块和砂浆试块未达龄期,各方可先验收除混凝土强度和砂浆强度之外的其它内容。
待试块强度试验数据得出后,达到设计要求则验收有效;达不到要求,处理后重新验收。
砌体结构子分部工程质量验收记录注:“经核定符合规范要求项”是指初验未通过的项目,按《建筑工程施工质量验收统一标准》(GB50300-2001)第5.0.6条处理的情况。
砌体子分部工程资料检查表2. 有关钢材和混凝土的资料,是指配筋砌体、构造柱、芯柱的钢筋和混凝土资料。
3. 验收时,若砂浆试块未达龄期,各方可验收除砂浆强度外的其它内容。
待砂浆强度试验数据得出后,达到设计要求则验收有效;达不到要求,处理后重新验收。
4.钢筋工程检验批已含隐蔽验收,不必另做隐蔽工程检查验收记录。
须做隐蔽工程检查验收的是诸如埋入管线之类。
砖砌体工程检验批质量验收记录砖砌体工程检验批质量验收记录GB50203-2011桂建质020301(010701)附表注:检验批质量合格的判定标准:⑴主控项目的质量经检验全部合格;⑵一般项目的合格点率达到80%及以上或偏差值在允许偏差范围以内。
混凝土小型空心砌块砌体工程检验批质量验收记录GB50203-2011桂建质020302□□□混凝土小型空心砌块砌体工程检验批质量验收记录注:检验批质量合格的判定标准:⑴主控项目的质量经检验全部合格;⑵一般项目的合格点率达到80%及以上或偏差值在允许偏差范围以内。
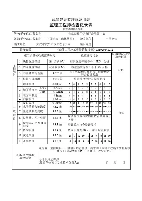
加气混凝土砌块填充墙分项工程检验批质量监理验收方法宗良《砌体结构工程施工质量验收规范》GB50203-2011,自2012年5月1日起实施。
现以规范附录表 A.0.1-5“填充墙砌体工程检验批质量验收记录”表为例,讨论加气混凝土砌块填充墙检验批质量的监理验收方法。
一、验收依据GB50203-2011《砌体结构工程施工质量验收规范》(以下简称‘新规范’);后植锚固筋拉拔、水泥、砌块、砂浆试块或粘合剂的检测报告;砂浆强度实体检测报告。
二、验收方法㈠检验批合格的标准:1.主控项目应全部符合新规范的规定;2.一般项目应有80%及以上的抽检处符合新规范的规定;有允许偏差的项目,最大超差值为允许偏差的1.5倍;3.具有完整的施工操作依据、质量检查记录。
“施工操作依据”不是验收规范也不是国家质量标准,这里应填写企业标准的名称及编号(详见GB50300-20011《建筑工程施工质量验收统一标准》)。
企业标准(操作工艺、工艺标准、工法等)是在国家规范的基础上,由企业制订的用来培训工人,技术交底及规范工人班组的操作规程。
企业标准应有批准人、批准时间、执行时间、标准名称及编号并按规定备案。
现在国家规范的质量标准已经较高,如果制定企业标准,那么其质量要求必须高于国家规范。
验收表格中的“施工执行标准名称及编号”指的就是企业标准,没有标准的可以不填。
关于这个问题,笔者在长期的工程监理实践中发现,真正的国企施工单位和极个别的上市建筑公司有企业标准,浙江东南某大城市的什么“特级”或“一级”私营建筑企业均没有制定企业标准。
如果严格按第3条要求来验收那么一般工程都不合格,所以监理人员在验收时都是将这一条用国家标准来替代的。
“质量检查记录”指砌筑前的轴线复核记录、隐蔽工程验收记录、施工日记及各种检测报告。
质量检查记录是实物验收的前提。
㈡检验批的划分方法:加气混凝土砌块填充墙检验批的划分应符合下列规定:1.所用材料类型及同类型材料的强度等级相同;2.不超过250m3砌体;3.主体结构砌体一个楼层;填充墙砌体量少时可多个楼层合并,如当下流行的“毛坯房”只有外墙和少量的内墙,是可以多层合并为一个批验收的。