(完整版)监理抽检记录表
- 格式:doc
- 大小:326.01 KB
- 文档页数:17
监理工程师检查记录表混凝土施工检验批
《混凝土结构工程施工质量验收规范》 GB50204-2002
专业监理工程师:
1 外观质量 第8.2.1条
2 过大尺寸偏差处理及验收
第831条
1 外观质量一般缺陷
第8.2.2条
2
轴线位置 (mm ) 基础
15
:独、立基础 10
墙、柱、梁
8
剪力墙
5
3
垂直度 (mm )
层咼
< 5m 8
> 5m
10
全高(H )
H/1000 且 w
30
4
标咼
(mm ) 层咼 ± 10
全高
± 30
5 截面尺寸
+8, -5
6
电梯井
井筒长、宽对定位中 心线(mm )
+25, 0
井筒全高(H )垂直 度(mm ) H/1000 且 w
30
7 表面平整度(mm ) 8
8 预埋设施中 心线位置 (mm ) 预埋件 10
预埋螺栓
5
预埋管 5
9 预留洞中心线位置(mm ) 15
监理单位检查评定记录 质量验收规范的规定
般 项 目
监理工程师意见:
主
控 项
目 单位(子单位)工程名称 云南艺术家园区建设项目B 地块 分部(子分部)工程名称
验收部位 施工单位十四冶建设集团云南第四建筑安装工程有限公司
项目经理
验收标准及规范 日期:。
监理项目质量监督检查记录表-山西移动生产基地工程
1. 检查概况
本次检查时间为 2021 年 5 月 1 日,检查人员为技术监督员王先生、项目经理
李女士和施工单位负责人张先生。
检查地点为山西移动生产基地工程现场。
检查过程中,应检查的两项工程均已完成,具体检查情况如下。
2. 检查内容
2.1 基础工程
1.地面平整度
检查结果:地面平整度符合规范要求,无裂缝、起泡、沉降等现象。
2.基础墙体及地下室防水
检查结果:基础墙体和地下室防水工程进行了质量把关,未出现渗漏、漏水等
现象。
2.2 主体结构
1.垂直度和水平度
检查结果:该工程的垂直度和水平度均符合规范要求,无明显倾斜和歪曲现象。
2.钢筋混凝土结构
检查结果:钢筋混凝土结构的密实度、水泥砂浆的配合比、预应力张拉、抗裂
等工序均符合规范要求,无张拉失误,水泥砂浆的塌落度、坚硬度等符合标准。
3. 检查
经过本次检查,山西移动生产基地工程的基础工程和主体结构的完工情况均符
合施工图设计要求和国家相关规范和标准。
但是为了保证工程的质量,我们建议施工单位在后续的工程施工过程中,加强现场管理,规范自检和互检程序,及时发现和解决问题,确保工程的质量和安全。
项目监理组检查记录表简介项目监理组检查记录表是用于记录项目施工过程中监理组对施工现场的检查记录的文档。
通过检查记录表,可以加强对施工现场的管理和监督,进一步提高施工质量。
检查时间检查日期检查时间2021/10/10 9:00-11:002021/11/15 14:00-17:00检查内容施工安全环境•检查施工现场的围挡是否完整,是否设置警示标志;•检查施工用电是否安全,是否使用防护设施;•检查施工现场是否存在明火、易燃易爆等危险情况;•检查监理人员是否佩戴安全帽,并进行了安全教育。
施工进度•检查施工进度是否符合计划,是否存在进度滞后的情况;•核对施工单位的施工计划,确认每个工序的完成时间;•检查施工现场的施工队伍是否充足;•了解施工现场的材料供应情况,是否满足施工需要。
施工质量•检查施工现场的施工质量是否符合设计要求;•检查施工过程中是否存在质量问题,并提出整改意见;•对重要的工序,进行复核检查,确保质量符合标准;•核对完工的工程质量验收情况。
检查结果检查内容检查日期检查结果整改意见施工安全环境2021/10/10 通过无施工进度2021/10/10 通过无施工质量2021/10/10 不通过检查到 xxx 工序出现质量问题,建议 xxx 部门尽快整改施工安全环境2021/11/15 不通过检查到施工现场存在危险行为,要求 xxx 部门加强安全管理施工进度2021/11/15 通过无施工质量2021/11/15 通过无通过监理组的检查,可以及时发现施工现场存在的问题,并及时提出整改意见。
同时,监理组的检查也起到了对施工单位的督促和推动作用,有助于保障项目的顺利完成。
但也要注意,监理组不是施工单位的兼职管理人员,应该遵循公正、客观、科学的原则进行检查,不得干涉施工单位的正常经营。
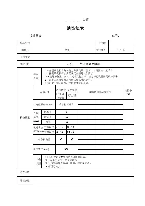
检表目录一、路基工程01、路基填筑前地基清理现场质量检验表²²²²²²²²²²²²²²²²²²²²²²²²²²²²²²²²²²²²²²²²²检表4.2.2-102、土方路基现场质量检验表²²²²²²²²²²²²²²²²²²²²²²²²²²²²²²²²²²²²²²²²²²²²²²²²²²²²²检表4.2.203、石方路基现场质量检验表²²²²²²²²²²²²²²²²²²²²²²²²²²²²²²²²²²²²²²²²²²²²²²²²²²²²²检表4.3.204、砂垫层软基处理现场质量检验表²²²²²²²²²²²²²²²²²²²²²²²²²²²²²²²²²²²²²²²²²²²²²²检表4.4.2-105、袋装砂井、塑料排水板软基处理现场质量检验表²²²²²²²²²²²²²²²²²²²²²²²²²²²²²²²²检表4.4.2-206、碎石桩(砂桩) 软基处理现场质量检验表²²²²²²²²²²²²²²²²²²²²²²²²²²²²²²²²²²²²²²²检表4.4.2-307、粉喷桩软基处理现场质量检验表²²²²²²²²²²²²²²²²²²²²²²²²²²²²²²²²²²²²²²²²²²²²²²检表4.4.2-408、加筋工程土工合成材料现场质量检验表²²²²²²²²²²²²²²²²²²²²²²²²²²²²²²²²²²²²²²²²检表4.5.2-109、隔离工程土工合成材料现场质量检验表²²²²²²²²²²²²²²²²²²²²²²²²²²²²²²²²²²²²²²²²检表4.5.2-210、过滤排水工程土工合成材料现场质量检验表²²²²²²²²²²²²²²²²²²²²²²²²²²²²²²²²²²²检表4.5.2-311、防裂工程土工合成材料现场质量检验表²²²²²²²²²²²²²²²²²²²²²²²²²²²²²²²²²²²²²²²检表4.5.2-412、水泥搅拌桩软基处理现场质量检验表²²²²²²²²²²²²²²²²²²²²²²²²²²²²²²²²²²²²²²²²²检表4.4.2-4二、排水工程01、管节预制现场质量检验表²²²²²²²²²²²²²²²²²²²²²²²²²²²²²²²²²²²²²²²²²²²²²²²²²²²²²检表5.2.202、管道基础及管节安装现场质量检验表²²²²²²²²²²²²²²²²²²²²²²²²²²²²²²²²²²²²²²²²²²²²检表5.3.203、检查(雨水)井砌筑现场质量检验表²²²²²²²²²²²²²²²²²²²²²²²²²²²²²²²²²²²²²²²²²²²²检表5.4.204、土沟现场质量检验表²²²²²²²²²²²²²²²²²²²²²²²²²²²²²²²²²²²²²²²²²²²²²²²²²²²²²²²²²²检表5.5.205、浆砌排水沟现场质量检验表²²²²²²²²²²²²²²²²²²²²²²²²²²²²²²²²²²²²²²²²²²²²²²²²²²²²检表5.6.206、盲沟现场质量检验表²²²²²²²²²²²²²²²²²²²²²²²²²²²²²²²²²²²²²²²²²²²²²²²²²²²²²²²²²²检表5.7.207、排水泵站(沉井)现场质量检验表²²²²²²²²²²²²²²²²²²²²²²²²²²²²²²²²²²²²²²²²²²²²²²检表5.8.2三、挡土墙、防护及其他砌筑工程01、砌体挡土墙现场质量检验表²²²²²²²²²²²²²²²²²²²²²²²²²²²²²²²²²²²²²²²²²²²²²²²²²²检表6.2.2-102、干砌挡土墙现场质量检验表²²²²²²²²²²²²²²²²²²²²²²²²²²²²²²²²²²²²²²²²²²²²²²²²²²检表6.2.2-203、悬臂式和扶臂式挡土墙现场质量检验表²²²²²²²²²²²²²²²²²²²²²²²²²²²²²²²²²²²²²²²²检表6.3.204、筋带现场质量检验表²²²²²²²²²²²²²²²²²²²²²²²²²²²²²²²²²²²²²²²²²²²²²²²²²²²²²²²²检表6.4.2-105、锚杆、拉杆现场质量检验表²²²²²²²²²²²²²²²²²²²²²²²²²²²²²²²²²²²²²²²²²²²²²²²²²²检表6.4.2-206、面板预制现场质量检验表²²²²²²²²²²²²²²²²²²²²²²²²²²²²²²²²²²²²²²²²²²²²²²²²²²²²检表6.4.2-307、面板安装现场质量检验表²²²²²²²²²²²²²²²²²²²²²²²²²²²²²²²²²²²²²²²²²²²²²²²²²²²²检表6.4.2-408、锚杆、锚碇板和加筋土挡土墙总体现场质量检验表²²²²²²²²²²²²²²²²²²²²²²²²²²²²²²检表6.4.2-509、墙背填土现场质量检验表²²²²²²²²²²²²²²²²²²²²²²²²²²²²²²²²²²²²²²²²²²²²²²²²²²²²检表6.6.210、抗滑桩现场质量检验表²²²²²²²²²²²²²²²²²²²²²²²²²²²²²²²²²²²²²²²²²²²²²²²²²²²²²²²²检表6.7.211、锚喷防护现场质量检验表²²²²²²²²²²²²²²²²²²²²²²²²²²²²²²²²²²²²²²²²²²²²²²²²²²²²²²检表6.8.212、锥、护坡现场质量检验表²²²²²²²²²²²²²²²²²²²²²²²²²²²²²²²²²²²²²²²²²²²²²²²²²²²²²²检表6.9.213、浆砌砌体现场质量检验表²²²²²²²²²²²²²²²²²²²²²²²²²²²²²²²²²²²²²²²²²²²²²²²²²²²²²检表6.10.2-114、干砌片石现场质量检验表²²²²²²²²²²²²²²²²²²²²²²²²²²²²²²²²²²²²²²²²²²²²²²²²²²²检表6.10.2-215、导流工程现场质量检验表²²²²²²²²²²²²²²²²²²²²²²²²²²²²²²²²²²²²²²²²²²²²²²²²²²²²²²检表6.11.216、石笼防护现场质量检验表²²²²²²²²²²²²²²²²²²²²²²²²²²²²²²²²²²²²²²²²²²²²²²²²²²²²²²检表6.12.2四、路面工程01、水泥混凝土面层现场质量检验表²²²²²²²²²²²²²²²²²²²²²²²²²²²²²²²²²²²²²²²²²²²²²²²检表7.2.202、沥青混凝土面层和沥青碎(砾)石面层现场质量检验表²²²²²²²²²²²²²²²²²²²²²²²²²²²²²检表7.3.203、沥青贯入式面层和(或上拌下贯式面层)现场质量检验表²²²²²²²²²²²²²²²²²²²²²²²²²²²检表7.4.204、沥青表面处治面层现场质量检验表²²²²²²²²²²²²²²²²²²²²²²²²²²²²²²²²²²²²²²²²²²²²²检表7.5.205、水泥土基层和底基层现场质量检验表²²²²²²²²²²²²²²²²²²²²²²²²²²²²²²²²²²²²²²²²²²²检表7.6.206、水泥稳定粒料基层和底基层现场质量检验表²²²²²²²²²²²²²²²²²²²²²²²²²²²²²²²²²²²²²检表7.7.207、石灰土基层和底基层现场质量检验表²²²²²²²²²²²²²²²²²²²²²²²²²²²²²²²²²²²²²²²²²²²检表7.8.208、石灰稳定粒料基层和底基层现场质量检验表²²²²²²²²²²²²²²²²²²²²²²²²²²²²²²²²²²²²²检表7.9.209、石灰、粉煤灰土基层和底基层现场质量检验表²²²²²²²²²²²²²²²²²²²²²²²²²²²²²²²²²²²检表7.10.210、石灰、粉煤灰稳定粒料基层和底基层现场质量检验表²²²²²²²²²²²²²²²²²²²²²²²²²²²²²检表7.11.211、级配碎(砾)石基层和底基层现场质量检验表²²²²²²²²²²²²²²²²²²²²²²²²²²²²²²²²²²²检表7.12.212、填隙碎石(矿渣)基层和底基层现场质量检验表²²²²²²²²²²²²²²²²²²²²²²²²²²²²²²²²²检表7.13.213、路缘石铺设现场质量检验表²²²²²²²²²²²²²²²²²²²²²²²²²²²²²²²²²²²²²²²²²²²²²²²²²²²检表7.14.214、路肩现场质量检验表²²²²²²²²²²²²²²²²²²²²²²²²²²²²²²²²²²²²²²²²²²²²²²²²²²²²²²²²²检表7.15.2五、桥梁工程01、桥梁总体现场质量检验表²²²²²²²²²²²²²²²²²²²²²²²²²²²²²²²²²²²²²²²²²²²²²²²²²²²²²²检表8.2.2注:表中检查项目、规定值或允许偏差和检查方法及频率,与《公路工程质量检验评定标准》(JTGF80-2004)中相应工序质量检验表中的检查项目、规定值或允许偏差和检查方法及频率相同。
41.平行检验记录(监理)●JZLB5 平行检验记录表平行检验记录表工程名称:编号:填写、使用说明●(1)平行检验的对象基本分为设备、材料、工序三大类,如属设备方面的检验项目,在设备前的□框中打√,并在下面“设备”的相应栏目中填写有关信息,其他“材料”和“工序”栏目中打斜线即可。
如属材料或工序方面的检验项目,以此类推填写。
如有些检验对象不好明确区分是否属于设备、材料、工序时,按工序填写,有关基本信息可填入“其他”栏目中。
(2)“检验结论”填写检验后得出的最终结论,一般为合格或不合格。
(3)本表主要用于监理单位或委托专业检验单位现场检验后无正式检验报告的情况下使用,如委托专业检验单位检验后出具有正式检验报告,以该正式报告为准,不再填写该记录表。
●需要平行检验的项目1.土方回填工程监理抽检记录注:1.本表适用于变电所工程中对土石方工程质量的检查。
2.主控项目共检查项,其中项满足设计和规范要求;一般项目共计检查点,合格点,合格率为:。
检查人(签字):检查时间:年月日2.构支架杯形基础模板安装监理抽检记录注:1.本表适用于变电所工程中对构支架基础模板安装工程质量的检查。
2.主控项目共检查项,其中项满足设计和规范要求;一般项目共计检查点,合格点,合格率为:。
检查人(签字):检查时间:年月日3.设备基础模板安装监理抽检记录注:1.本表适用于变电所工程中设备基础模板安装工程质量的检查。
2.主控项目共检查项,其中项满足设计和规范要求;一般项目共计检查点,合格点,合格率为:。
检查人(签字):检查时间:年月日4.建筑物基础模板安装监理抽检记录工程名称:编号:注:1.本表适用于变电所工程建筑物中对模板安装工程质量的检查。
2.主控项目共检查项,其中项满足设计和规范要求;一般项目共计检查点,合格点,合格率为:。
检查人(签字):检查时间:年月日5.构、支架(设备)基础混凝土工程监理抽检记录2.主控项目共检查项,其中项满足设计和规范要求;一般项目共计检查点,合格点,合格率为:。
监理抽检记录范文一、项目基本信息项目名称:XXX工程监理单位:XXX监理有限公司施工单位:XXX施工有限公司抽检日期:XXXX年XX月XX日二、抽检人员及工具抽检人员:(1)XXX,(2)XXX,(3)XXX工具:测量尺、放大镜、电子秤、取样工具等三、抽检范围本次抽检主要针对XXX工程的关键节点和质量环节进行抽查。
四、抽检内容及结果1.施工质量抽检(1)地基工程:抽检地点:XXX区域抽检内容:钢筋网布设是否符合要求、回填土压实度抽检结果:钢筋网布设符合要求,回填土压实度达到工程要求。
(2)结构工程:抽检地点:XXX区域抽检内容:混凝土强度、施工节点连接质量抽检结果:混凝土强度符合设计要求,施工节点连接质量良好。
2.施工工序抽检(1)砌筑工序:抽检地点:XXX楼栋XXX层抽检内容:砖块使用是否符合规范、砌筑质量抽检结果:砖块使用符合规范,砌筑质量达到工程质量要求。
(2)抹灰工序:抽检地点:XXX楼栋XXX层抽检内容:表面平整度、抹灰厚度抽检结果:表面平整度符合要求,抹灰厚度符合规范。
3.建筑装饰抽检(1)油漆涂料:抽检地点:XXX房间抽检内容:油漆涂料颜色、附着力抽检结果:油漆涂料颜色与设计一致,附着力良好。
(2)瓷砖装饰:抽检地点:XXX房间抽检内容:瓷砖大小、瓷砖间距抽检结果:瓷砖大小符合要求,瓷砖间距均匀。
五、抽检人员评语本次抽检结果显示,大部分工程节点和质量环节都符合要求,部分工序存在细节问题,需及时整改。
整体来看,施工单位在XXX工程方面有一定的掌控能力,质量得到了较好的保证。
六、整改要求1. xxx环节存在的问题,施工单位应根据监理提出的整改意见,及时整改并报监理单位验收。
2.对于未通过的工序,监理单位将进行追踪检查,确保整改到位,以保证工程质量。
七、其他事项1.抽检过程中,与施工单位保持了良好的沟通与合作,施工单位配合了监理单位的抽检工作。
2.监理单位在抽检过程中做到了公正、客观和准确,并及时向施工单位提出了意见和建议。
抽检表1 施工放样抽检记录表承包单位:工程名称:合同号:监理单位:桩号及部位:编号:测量:记录:计算:日期:年月日抽检表2 平整度检测表施工单位:合同号:监理单位:编号:抽检表3 压实度抽检表施工单位:合同号:监理单位:编号:抽检表5 回弹弯沉检测表施工单位:合同号:抽检表6 浆砌排水沟(边沟、截水沟)施工质量抽检表施工单位:合同号:监理单位:编号:抽检表7浆砌砌体施工质量抽检表施工单位:合同号:监理单位:编号:抽检表8 一字墙或八字墙抽检表施工单位:合同号:监理单位:编号:抽检表9 钢筋加工与安装抽检表施工单位:合同号:监理单位:编号:抽检表10 钢筋网片加工与安装抽检表施工单位:山西老区建设有限公司合同号:监理单位:山西一通监理咨询有限公司编号:抽检表11 混凝土小型构件预制质量抽检表施工单位:合同号:监理单位:编号:抽检表12 锥、护坡施工质量抽检表施工单位:合同号:监理单位:编号:抽检表13 基础施工质量检查抽检表施工单位:合同号:监理单位:编号:抽检表14 扩大基础质量抽检表施工单位:合同号:监理单位:编号:抽检表15 钻(挖)孔灌注桩施工质量抽检表施工单位:合同号:监理单位:编号:抽检表16 承台(系梁)施工抽检表施工单位:合同号:监理单位:编号:抽检表17 墩、台身施工抽检表施工单位:合同号:监理单位:编号:抽检表18 混凝土墩、台帽或盖梁施工抽检表施工单位:合同号:监理单位:编号:抽检表19 挡块施工质量抽检表施工单位:合同号: 监理单位: 编 号:抽检表20 支座安装抽检表施工单位:山西老区建设有限公司合同号:抽检表21 梁(板)预制施工质量抽检表施工单位:合同号:监理单位:编号:抽检表22 后张法预应力筋的加工和安装质量检查抽检表施工单位:合同号:监理单位:编号:抽检表23 梁(板)安装质量抽检表施工单位:合同号: 监理单位: 编 号:抽检表24 桥面铺装施工抽检表施工单位:合同号:监理单位:编号:抽检表25 伸缩缝安装施工质量抽检表施工单位:合同号:监理单位:编号:抽检表26 混凝土防撞护栏(墙)施工质量抽检表施工单位:合同号:监理单位:编号:抽检表27 搭板施工质量检查抽检表施工单位:合同号:监理单位:编号:抽检表28 桥梁总体布置抽检表施工单位:合同号:监理单位:编号:抽检表29 桥面防水层施工质量检查抽检表施工单位:合同号:监理单位:编号:抽检表30 隧道路面施工质量检查抽检表施工单位:合同号:监理单位:编号:抽检表31 支座垫石施工质量抽检表施工单位:合同号:监理单位:编号:抽检表32 土沟施工质量抽检表施工单位:合同号:监理单位:编号:抽检表33 柱或双壁墩身施工质量抽检表施工单位:合同号:监理单位:编号:抽检表34 砂垫层施工质量抽检表施工单位:合同号:监理单位:编号:抽检表35 小型构件安装质量抽检表施工单位:合同号:监理单位:编号:抽检表36 钻(挖)孔桩成孔质量抽检表施工单位:合同号:监理单位:编号:抽检表37 片石混凝土施工质量检查抽检表施工单位:合同号:监理单位:编号:抽检表38 湿接缝(头)、横隔板施工质量抽检表施工单位:合同号:监理单位:编号:抽检表39 基础开挖自检表施工单位:合同号:监理单位:编号:抽检表40 模板制作与安装抽检表施工单位:合同号:监理单位:编号:抽检表41 水泥混凝土面层现场质量抽检表施工单位:合同号:监理单位:编号:抽检表42 沥青混凝土面层和沥青碎石面层现场质量抽检表施工单位:合同号:监理单位:编号:抽检表43 水稳碎石底基层(冷再生)现场质量抽检表施工单位:合同号:监理单位:编号:抽检表44 水泥稳定碎石基层和底基层现场质量抽检表施工单位:合同号:监理单位:编号:抽检表45 路缘石铺设现场质量抽检表施工单位:合同号:监理单位:编号:。
监理工程师检查记录表(d1)监理工程师检查记录表(D1)尊敬的领导:我是一名监理工程师,根据工作需要,对所监理的工程进行了详细检查,并记录在下面的表格中。
通过这次检查,我对工程的进展和质量有了更深入的了解。
1. 工程基本信息工程名称:XXX工程开工日期:XXXX年XX月XX日竣工日期:XXXX年XX月XX日建设单位:XXX公司施工单位:XXX公司监理单位:XXX公司2. 工程概况本次检查主要围绕工程的质量、安全、进度、材料等方面展开。
在现场巡查中,我发现施工方在质量控制方面表现良好,遵循相关标准和规范进行施工。
工程进展顺利,目前已完成XX%的工程量,预计能按时完成。
3. 质量检查我对工程的质量进行了细致的检查,包括混凝土浇筑质量、钢筋绑扎质量、地基处理质量等。
通过抽查样本和实地观察,发现质量问题较少,施工方严格按照设计图纸和工程规范进行施工,质量符合要求。
4. 安全检查工程安全是施工过程中的重中之重。
我对现场的安全措施、施工操作规范等进行了检查。
施工方在安全方面做得较好,设置了必要的安全警示标志,操作人员佩戴了必要的安全防护用具,施工过程中的安全事故较少发生。
5. 进度检查工程进度的控制是保证工程按时完成的重要保障。
我对工程进度进行了详细的检查,发现施工方合理安排施工工序,各工序之间协调顺畅,目前工程进度与计划进度基本一致。
6. 材料检查在工程施工中,材料的质量直接关系到工程的质量和安全。
我对工程材料的购进、储存、使用等环节进行了检查。
施工方认真选择材料,材料质量符合要求,并按照规范进行使用和储存。
7. 问题整改在检查过程中,我发现了一些问题,包括施工过程中的细节问题、安全隐患等。
我立即与施工方沟通,并要求其立即整改。
施工方积极响应,迅速处理了存在的问题,确保了工程质量和安全。
8. 合作与建议在与施工方和建设单位的合作中,我感受到了他们的积极性和配合度。
他们对我的检查提出了宝贵的意见和建议,使我对工程的监理工作有了更深入的理解。