技术负责人岗位职责与质量管理责任书
- 格式:doc
- 大小:16.00 KB
- 文档页数:4
技术负责人岗位责任制是针对技术团队和项目的管理岗位所制定的责任制度。
技术负责人作为团队的核心,负责技术策划、技术管理和项目推进等工作。
下面将结合技术负责人的职责、要求和能力以____字的篇幅详细介绍技术负责人岗位的责任制。
一、技术负责人的职责1. 负责技术策划和项目规划技术负责人要对项目进行整体规划和设计,在项目启动前制定详细的技术路线和技术方案,并根据项目进展情况进行调整和优化。
技术负责人需要考虑项目的规模、技术难度以及人力资源等因素,确保项目能够顺利进行并按时交付。
2. 选用适当的技术方案技术负责人需要根据项目需求和团队现有的技术实力,选用适合的技术方案。
同时,技术负责人需要关注行业的最新技术动态,不断学习和研究新技术,并确定是否采用这些新技术来提高项目的技术实力和竞争力。
3. 指导团队开发工作技术负责人需要指导团队成员的工作,包括需求分析、架构设计、编码实现及测试等环节。
要做好团队成员的技术培训工作,提高团队整体的技术水平。
同时,技术负责人还需要协调不同团队之间的合作,确保项目进展顺利。
4. 技术难点攻关技术负责人要负责项目中的技术难点攻关工作,解决技术问题,确保项目能够按时完成。
技术负责人需要积极主动地参与团队的技术讨论和决策,并提供专业的技术建议和解决方案。
在遇到技术问题时,技术负责人需要主动调动资源,找到合适的解决方法。
5. 质量控制和技术监督技术负责人要负责项目的质量控制和技术监督工作,确保项目交付的质量和可靠性。
技术负责人需要制定相应的质量管理制度和流程,监督团队按照规定的流程进行开发工作,并检查代码的质量和稳定性。
同时,技术负责人还需要定期组织技术评审和代码检查,及时发现和解决问题。
6. 技术团队建设技术负责人要负责技术团队的建设和管理工作,包括团队人员的招聘、培训和绩效考核等。
技术负责人需要根据团队的需求和项目的要求,制定合适的人员配置方案,并组织团队成员之间的合作与沟通。
此外,技术负责人还需要关注团队成员的职业发展,为他们提供相应的培训和发展机会。
技术负责人责任书作为技术负责人,我将承担以下责任:1. 技术战略规划与执行制定公司技术发展战略,并确保其与公司整体发展战略相符。
领导技术团队,制定年度技术工作计划,并监督执行情况。
负责技术项目的管理,确保项目按时交付,并达到质量要求。
2. 技术团队建设与管理开展团队绩效评估和培训计划,激发团队成员的积极性和创造力。
定期组织团队建设活动,提升团队凝聚力和合作精神。
负责招聘、选拔和培养技术人才,确保团队的技术实力与发展需求相符。
3. 技术质量控制确保软件开发过程符合规范和最佳实践,并推动团队持续改进。
设立合适的质量指标和评价体系,监控项目的技术质量和进度。
及时处理和解决项目中的技术问题,确保项目能够按时交付。
4. 技术风险管理预测和评估技术风险,并制定相应的风险应对策略。
监测技术市场动向,及时调整公司技术规划以应对市场变化。
调查和研究新技术,评估其对公司业务发展的潜在影响,并推动其落地应用。
5. 技术合作与管理建立和维护与合作伙伴的良好关系,促进技术合作和资源共享。
协调内外部技术资源,确保合作项目的顺利进行和达成预期目标。
参与并推动技术标准的制定和落实,提升公司的技术竞争力。
6. 信息安全管理制定和执行信息安全策略,确保公司和客户数据的安全性。
定期进行安全漏洞扫描和风险评估,及时采取措施修复漏洞。
提高员工的信息安全意识,加强对信息安全的培训和教育。
以上责任书仅为负责人岗位的基本要求,我将全面负责技术部门的工作,并努力推动公司技术能力的提升和创新实践的推广。
作为技术负责人,我深知责任重大,将以身作则,勇于担当,为公司的发展做出积极贡献。
技术负责人岗位职责
技术负责人岗位职责1
一、任职资格:
1、大专以上学历,50岁以下;
2、5年以上工作经验,能常驻____区域工作;
3、责任心强,具备较高的水利工程专业技术水平和丰富的现场经验,有较强的管理能力,能编制各种技术方案,执水利工程高级工程师证,有水利水电专业建造师执业资格证者优先。
二、岗位职责:
1、负责整个办事处的技术管理和指导工作,贯彻执行国家颁布的施工验收规范、质量验收标准,组织实施项目质量管理制度;
2、组织编制项目施工组织设计、施工技术方案,负责授权范围内各类施工技术方案的审核与审批;
3、组织并会同项目部技术人员进行工程的图纸会审工作,技术核定工作;
4、负责审核项目部上报的分部或分项工程施工方案;
5、组织工程中间验收,结构与竣工验收及工程备案工作;
6、完成办事处领导交办的其他相关工作等。
技术负责人岗位职责2
1、具有工民建、结构、土木工程、工程管理类相关专业,大专以上学历,中级以上职称;
2、对图纸、施工工序熟悉,对现场质量和安全控制有一定经验,能够解决技术问题;
3、具备五年以上配套小区、大型广场及景观、绿化、市政施工经验;
4、能够熟练使用CAD制图及办公软件,能够深化设计方案,编制施工专项方案;
5、责任心强、沟通能力强,能吃苦耐劳;
6、有较强的团队合作精神;为人诚信,能够承受工作压力;
7、能接受外地项目施工派遣。
项目技术负责人质量管理职责(精选5篇)第一篇:项目技术负责人质量管理职责项目技术负责人质量管理职责项目技术负责人在项目经理和企业技术负责人的领导下,对项目的工程质量负技术责任。
一、严格执行国家工程质量技术标准、规范的各项有关规定。
二、编制施工组织设计,专项施工技术方案和施工措施,并及时上报企业有关部门和技术领导批准,从技术上对工程质量给予可靠保证。
三、编制或组织(视项目规模)技术交底文件,组织对作业班组的技术质量交底。
四、检查施工组织设计、施工方案、技术措施、技术质量交底的落实情况。
五、参加项目内部质量检查工作。
六、参加项目分段工程质量验收工作。
七、参加工程质量事故调查,分析技术原因,制定事故处理的技术方案及防范措施。
编制:审批:项目****年**月**日第二篇:项目质量管理负责人职责项目质量管理负责人职责1.项目部质量管理负责人负责项目部质量管理工作的具体实施,贯彻落实质量管理工作的方针、政策和法律、法规,健全质量管理机构,制定并完善工作质量的规章制度。
2.负责根据项目质量目标制定实现目标的措施和办法,开展ISO9000质量管理工作。
3.在项目经理、总工的主持下组织协调有关部门和人员对项目部和人员对项目的施工组织设计、分项工程施工方案、施工工艺、质量保证措施等进行审核、论证。
4.发生工程质量事故,应立即赶赴现场,召集有关部门和相关责任人,按照“三不放过”原则,进行调查处理,并按规定及时上报。
5.组织交流,推光工程质量工作的典型经验,表彰先进,开展先进工作,提高全员质量意识。
6.协助项目经理、总工实施三级质量管理责任制,抓好项目质量管理工作。
第三篇:项目技术负责人职责项目技术负责人职责1.对本项目的质量管理和工程质量负全面责任;协助项目经理贯彻落实公司的质量方针、质量目标。
2.认真贯彻执行国家的有关规范、验收标准和上级部门规定的制度、措施,监督施工人员履行质量职责,对工程施工进行指导和监督。
3.负责编制施工组织设计和质量计划及重要的施工措施和施工方案,负责向施工人员进行交底,对施工过程进行检查。
技术负责人岗位职责与质量管理责任书技术负责人岗位职责与质量管理责任书一、岗位职责1、订立技术进展战略和规划,负责技术管理和研发计划的订立、执行和评估,确保技术工作依照公司进展战略和目标有序推动,全面提升公司技术本领和市场竞争力。
2、建立并优化研发流程和质量管理体系,推动技术标准和流程不断完善和提高,研发项目、产品的质量管控和持续改进,确保研发成果符合市场需求和公司战略方向。
3、领导技术团队,建设高效团队,聘请、培育优秀的技术人员,激发员工创新潜力,进行岗位管理、绩效考核和职业进展规划,确保技术团队具备可持续进展本领。
4、负责技术咨询和技术支撑,针对公司业务需求和客户需求,供给专业的技术咨询和解决方案,保障产品稳定运行和客户充足度。
积极参加技术对接和技术合作,把握行业进展趋势和创新方向。
5、与其他部门紧密协作,推动业务和产品的整合,提高公司整体效率和效益。
积极参加公司各项会议,向公司领导汇报工作进展和业务成果。
二、质量管理责任书1、订立质量管理体系和流程,强化研发项目和产品的质量管控,确保产品符合国家标准和公司标准,提高客户充足度和产品质量竞争力。
2、进行研发项目质量风险评估,适时发觉和处理项目质量问题,建立完善的质量反馈机制和改进计划,确保项目按时按质完成并交付。
3、建立完善的产品质量管理体系,对产品的生产、成品检验、物流管理和售后服务进行全面监控和管理,防止质量问题对客户产生不良影响。
4、订立技术和质量相关的培训计划和培训工具,定期开展技术和质量培训,提高员工技能水平和服务质量,不断提高公司技术实力和核心竞争力。
5、参加订立公司质量政策和目标,依照质量政策和目标订立个人工作计划和绩效考核指标,积极推动公司质量文化建设和质量创新。
以上是技术负责人岗位职责与质量管理责任书的内容,本质上技术负责人是要推动公司技术进步和质量提高,确保公司在市场竞争中具有竞争优势和可持续进展本领。
技术负责人责任书尊敬的各位领导:本人拟任命为技术负责人,我深知这是一项充满责任和挑战的职责。
为了更好地履行职责,提高工作效率,保证项目的顺利进行,我愿意自愿承担以下责任:一、技术方案制定与实施作为技术负责人,我将与相关部门密切合作,制定项目的技术方案。
在技术方案的制定过程中,我将充分考虑项目的需求,评估技术可行性,并寻求创新的解决方案。
同时,我将负责技术方案的实施,协调各部门合作,确保项目按时完成。
二、技术人员管理与培养为了确保项目的顺利进行,我将负责组建和管理技术团队。
我将根据项目需求,招募合适的技术人员,并对团队成员进行培训和指导,提高他们的专业技能和团队协作能力。
我将积极激励团队成员,使他们充满工作热情和责任心。
三、技术风险评估与应对在项目的实施过程中,我将对可能出现的技术风险进行评估,并制定相应的风险应对策略。
我将与团队成员密切合作,及时解决技术问题,确保项目不受技术风险的影响,保证项目的顺利进行。
四、技术质量管理与提升我将负责制定并执行技术质量管理计划,确保项目的技术质量达到预期目标。
为了提升技术质量,我将对团队成员进行技术指导和培训,帮助他们提高工作水平和质量意识。
我将持续关注行业的发展动态,引进新技术,推动技术创新,提升项目的竞争力和市场价值。
五、安全管理与保障作为技术负责人,我将始终把安全放在首位。
我将负责制定和执行项目的安全管理方案,确保项目的安全进行。
我将提醒和教育团队成员遵守安全规定,加强安全意识,切实做好危险源的排查和管理,确保工作环境的安全和健康。
六、定期工作报告为了增强对工作的透明度,我愿意按时向相关领导、项目组织机构和项目团队报告工作进展情况。
我将如实反映项目的技术问题和困难,并提出改进措施,以期获得更好的工作效果。
七、保密责任在工作中,我将严守保密责任,保护项目的技术机密和商业机密。
我将制定和执行保密措施,防止技术信息的泄露和不正当使用,确保项目的安全性和可持续发展。
施工单位项目技术负责人技术质量责任书前言为了确保施工单位在项目实施期间参与并维护项目技术质量,特制定本技术负责人技术质量责任书。
本责任书旨在明确技术负责人的职责和权利,加强对项目技术质量的监督和管理,确保项目顺利实施。
一、技术负责人的职责1.技术负责人应全程参与项目的技术管理和技术质量控制工作,负责制定技术实施方案,并确保施工过程中的技术工作符合相关标准和规范。
2.技术负责人应对项目技术工作进行组织、协调和监督,确保项目按时按质完成。
3.技术负责人应及时了解项目进展情况,发现和解决技术难题和质量问题,并提出改进措施和建议。
4.技术负责人应确保施工过程中的技术文件、技术数据和技术记录的完整性和准确性。
5.技术负责人应为项目技术工作提供必要的技术支持和资源保障,确保项目技术工作的顺利进行。
6.技术负责人应做好项目技术工作的文档管理和归档,确保技术资料的安全和有效性。
7.技术负责人应定期向项目领导汇报项目技术进展情况及存在的问题,并提出相应的解决方案。
二、技术负责人的权利1.技术负责人有权对项目技术工作进行监督和检查,必要时可以对施工过程中的工程质量进行抽查和核验。
2.技术负责人有权对技术工作存在问题的环节提出批评和建议,并要求相关人员及时改正。
3.技术负责人有权要求项目管理部门和相关人员提供必要的协助和支持,保证项目技术工作的顺利进行。
4.技术负责人有权参与技术决策和技术文件的编制,确保技术决策的科学性和合理性。
5.技术负责人有权对项目技术方案进行修订和优化,以提高项目技术工作的效率和质量。
三、技术负责人的责任1.技术负责人应在项目实施过程中,严格按照国家有关技术标准和规范要求工作,确保项目技术工作的合法性和合规性。
2.技术负责人应积极组织技术培训和交流活动,提升团队成员的技术水平和综合素质。
3.技术负责人应在项目初期明确技术工作目标和要求,制定详细的技术实施计划,并对计划进行有效的跟踪和控制。
4.技术负责人应对技术工作中的失误和瑕疵承担责任,并及时采取纠正措施,防止质量问题的扩大和蔓延。
技术负责人岗位职责与质量管理责任书模板引言本岗位职责与质量管理责任书旨在规范技术负责人的工作职责和质量管理责任,确保企业技术工作的有序进行,提高产品和服务的质量,实现企业的经营目标。
技术负责人是企业的技术管理者,承当侧紧要的职责和责任,需要具备肯定的技术知识和管理本领。
本制度旨在明确技术负责人的岗位职责和质量管理责任,以提高企业的技术水平和服务品质。
一、技术负责人岗位职责1.负责订立和实施技术管理制度和流程,并监督和评估执行情况;2.研究行业技术动态,跟踪和应用新技术、新工艺,提出推动企业技术创新和升级的建议;3.负责编制技术规范、工艺流程和作业引导书,确保产品满足质量要求和客户需求;4.组织技术培训和知识共享活动,提高员工的技术水平和工作本领;5.实施技术风险管理,定期进行技术风险评估和掌控,并订立应对措施;6.负责技术资料的收集、整理和管理,保证其完整性和可读性;7.协调技术资源和项目进度,确保项目定时、按质量要求完成;8.参加产品设计和研发过程,供应技术支持和引导;9.搭配相关部门进行技术问题的处理和解决,确保及时有效。
二、质量管理责任1.负责建立和维护完满的质量管理体系,确保产品和服务符合相关法律法规和标准要求;2.促进质量文化建设,提高全员质量意识和参加度;3.引导和监督质量工作,确保流程的稳定性和可控性;4.负责组织质量审核、质量评估和质量改进活动,推动质量管理连续改进;5.建立质量指标和考核体系,确保质量目标的完成;6.确保质量信息及时有效地手记、分析和报告,及时发现和解决质量问题;7.协调处理与质量相关的客户投诉和纠纷,供应有效的解决方案;8.连续推动优质供应商的选择和评估,确保采购物料的质量稳定性;9.提倡绿色环保理念,推动节能减排和环境管理工作。
三、管理标准1.技术负责人应具备相关专业知识和技能,具备良好的团队管理和协调本领;2.技术负责人应保持学习和创新的精神,时刻关注行业动态,提升本身的技术水平;3.技术负责人应具备较强的沟通本领,能够与各相关部门进行有效的沟通和协调;4.技术负责人应具备较强的问题解决本领和应急处理本领,能够快速解决技术问题和应对突发情况;5.技术负责人应保守企业技术秘密,严格遵守相关保密规定。
技术负责人责任书技术负责人责任书引言作为技术负责人,我将承担起引领技术团队、推动项目的责任。
本文档旨在明确我的角色和责任,以确保项目的顺利进行和技术的稳定发展。
技术团队管理作为技术负责人,我将负责管理技术团队,并确保技术团队能够高效协作和顺利完成项目。
具体的职责包括但不限于:招聘与培养:负责招聘和培养技术团队成员,确保团队具备所需的技能和能力,以应对项目需求的不断变化。
分配和协调工作:根据项目需求和成员的能力,合理分配工作,并确保团队成员之间的协作和沟通顺畅。
提供指导和支持:为技术团队成员提供必要的指导和支持,帮助他们解决技术难题和提升技术能力。
定期评估绩效:定期评估技术团队成员的工作表现,并根据评估结果提供反馈和改进意见,以激励团队成员追求卓越。
技术架构规划作为技术负责人,我将负责制定和执行技术架构规划,确保系统能够满足项目需求和业务发展的要求。
具体的职责包括但不限于:确定技术栈和架构方向:根据项目需求和技术发展趋势,确定合适的技术栈和架构方向,以确保系统的可扩展性和可维护性。
技术选型和评估:对新技术和工具进行评估和选型,确保其适用于项目,并能够提升开发效率和系统性能。
系统设计和规范:根据项目需求和业务目标,负责系统的整体设计和规范制定,确保系统的稳定性和安全性。
技术风险管理:及时识别和评估技术风险,并制定相应的应对策略,以确保项目的顺利进行和系统的安全性。
技术质量与项目交付作为技术负责人,我将确保项目的技术质量和按时交付。
具体的职责包括但不限于:技术质量控制:负责制定和执行技术质量控制策略,确保项目的代码质量和系统的稳定性。
编码规范与审查:制定合理的编码规范,并进行代码审查,以减少潜在的技术风险和改进团队成员的编码能力。
接口与集成测试:确保项目的接口和集成测试覆盖面广,以确保系统各个组件的互操作性和稳定性。
项目交付管理:负责项目的技术交付和部署,确保按时按质地完成项目的交付工作。
技术创新与团队发展作为技术负责人,我将积极推动技术创新和团队发展,以保持团队的竞争力和持续创新能力。
技术负责人岗位职责与质量管理责任书一、岗位职责1. 领导和管理技术团队作为技术负责人,主要职责包括领导和管理技术团队,制定公司技术战略和技术发展计划,推进技术团队的能力提升和技术创新,确保技术方向与公司战略保持一致,并达成高效的协同。
在领导和管理技术团队中,我们需要培养一支有能力、有活力、有高素质的技术团队,并营造出一种互相尊重、合作共进的工作氛围,以满足公司的各种技术需求。
2. 制定和贯彻技术标准技术负责人还需要负责制定和贯彻技术标准,包括制定技术规范、标准流程、编码规范等。
制定这些标准的目的是为了提高技术质量、保证技术安全、缩短开发周期,同时也是为了更好地展示公司技术实力,最终实现公司的长期战略目标。
3. 技术咨询作为技术负责人,还需要对公司的技术问题给予咨询和指导,向公司高层汇报技术信息及问题,了解公司需求,及时采取措施,解决技术问题,同时保证高效完成公司任务。
二、质量管理责任书当担任技术负责人时,您要承担一定的质量管理责任,这一责任书包括以下方面:1. 制定和贯彻质量体系技术负责人应该制定和贯彻质量体系,监督公司的质量管理工作,保证公司的产品和服务符合质量标准和要求,同时,在持续改进质量的过程中积极反馈客户和员工的反馈。
2. 安全管理技术负责人需要注意公司的安全管理工作,防范各种安全风险,确保公司的技术设施、数据信息、公司财务等安全问题能够得到保障,及时防范发生劫持罢工等安全重大事件。
3. 告知和宣传质量标准技术负责人还需要告诉员工公司的质量标准,建立质量意识,在公司内部建立质量文化,督促各个部门加强质量控制,在持续改善质量体系的基础上,提高公司员工的工作质量,创造更为良好的生产环境。
4. 评价技术团队能力技术负责人还需要评价技术团队的能力,通过调查和定期的培训计划来提高员工的能力,鼓励员工提出任何相关问题,鼓励员工发挥最佳水平,及时解决工作中存在的技术问题。
5. 审查开发过程技术负责人需要审查代码审计计划、实施过程以及代码审计结果,确定项目开发周期并推进项目开发进度,在开发过程中监督开发人员的开发流程。
技术负责人岗位责任制
技术负责人是负责组织、协调和管理团队的技术岗位,其岗位责任主要包括以下几个方面:
1. 技术方向确定:负责根据业务需求和发展方向,确定团队的技术方向和发展策略。
2. 项目计划制定:负责根据项目需求,制定项目计划,并按照计划组织和协调团队成员进行开发、测试和上线工作。
3. 技术人员管理:负责技术团队的招聘、培训、分配、评估和晋升等工作,保持团队的稳定和高效运作。
4. 技术方案设计:负责对项目的技术方案进行设计和评审,确保技术方案的可行性和高效性。
5. 技术问题解决:负责解决技术团队在项目开发中遇到的技术问题,并提供相应的技术支持和解决方案。
6. 技术团队协作:负责协调和推动技术团队成员之间的合作,提高团队的工作效率和质量。
7. 技术风险管理:负责评估和管理项目的技术风险,采取相应的措施减少和控制风险。
8. 技术创新推动:负责推动团队的技术创新,引导团队成员进行技术学习和知识分享,提高团队的技术能力。
9. 技术标准制定:负责制定和维护技术开发和测试的标准和流程,并确保团队成员的遵守。
10. 与其他部门协作:负责与其他部门进行技术需求对接和沟通,协调解决跨部门的技术问题。
总之,技术负责人是团队的核心和关键岗位,需要具备较强的技术能力、管理能力和沟通能力,能够协调和推动团队的工作,确保项目的顺利进行和技术的稳定发展。
技术负责人责任书一、岗位职责作为技术负责人,我将承担以下职责:1. 设定技术发展的目标和方向,制定长期和短期的技术规划,并与公司战略保持一致。
2. 负责制定技术团队的组织架构,确保人员配置合理,能够满足公司的技术需求。
3. 负责技术团队的日常管理和指导工作,确保项目按时交付,并保持高质量。
4. 根据公司的业务需求,进行技术方案的制定和评估,提供可行的技术解决方案。
5. 跟踪和研究最新的技术发展趋势,保持对行业的敏感度,推动公司技术能力的不断提升。
6. 领导技术团队进行技术攻关,解决技术难题,确保技术项目的顺利实施。
7. 搭建和维护公司的技术平台,保障系统的正常运行和性能效果的优化。
8. 负责推动技术创新和技术重点项目的开展,提高公司的技术竞争力。
二、工作要求为了履行好我的岗位职责,我将努力做到以下几点:1. 具备深厚的技术功底和全面的技术知识,能够为团队提供技术指导和技术支持。
2. 具备良好的团队领导和管理能力,能够管理好技术团队,使其发挥出最大的潜力。
3. 具备良好的沟通和协调能力,能够与其他部门和团队进行有效的沟通和协作。
4. 具备良好的判断力和决策能力,能够在紧急情况下做出正确的决策并采取有效的行动。
5. 具备持续学习和创新的意识,能够保持与时俱进,并能推动公司的技术创新。
6. 具备高度的责任心和敬业精神,能够为公司的发展贡献自己的力量。
三、工作成果作为技术负责人,我将通过以下方式来展现我的工作成果:1. 完成公司制定的技术目标和规划,并确保项目按时交付。
2. 提供创新的技术解决方案,为公司的业务发展做出贡献。
3. 确保技术团队的工作高效有序,提高团队的工作效率和工作质量。
4. 推动公司的技术能力不断提升,提高公司在行业中的竞争力。
5. 推动技术创新和重点项目的开展,为公司带来新的机会和盈利点。
我将全力以赴,履行好我的职责,为公司的发展贡献自己的力量。
我也将不断学习和提升自己的能力,确保能够胜任这一重要职责。
XX项目技术负责人质量责任书尊敬的XX项目技术负责人:根据项目进展和我方的深入研究,我们认识到您作为技术负责人在项目质量保障方面的关键作用。
为确保项目的顺利进展和高质量的交付,我们希望您能承担起相关的责任,并立下以下质量责任书。
1. 技术规范和标准的遵守作为技术负责人,您需要全面了解并遵守项目相关的技术规范和标准。
这包括但不限于国家标准、行业标准以及公司内部制定的标准。
您应确保在项目开发过程中,所有技术工作都符合相关规范和标准的要求。
2. 项目需求的准确理解与分析作为技术负责人,您应当全面准确地理解项目的需求,并能够对需求进行合理的分析。
您需要与项目团队密切合作,确保需求的理解一致,并及时发现并解决需求中的潜在问题。
3. 技术解决方案的优化设计在项目的技术架构和解决方案设计阶段,您需要发挥自己的专业能力和经验,为项目提供最优的技术方案。
您的设计需要考虑项目要求、可行性、可维护性等多个方面,并确保技术解决方案的质量和可靠性。
4. 代码质量和开发规范的监督与管理作为技术负责人,您需要对项目团队的代码质量和开发规范进行有效监督和管理。
您需要确保编码风格统一、结构清晰、可读性强,并及时指出和纠正代码中的问题和不足。
5. 软件测试和质量保证的执行您需要确保项目中的软件测试工作得到充分的执行和监管。
您应与测试团队紧密配合,可根据项目需求制定测试计划并确保测试环境的准备。
您还需要确保软件缺陷的及时修复和质量问题的解决。
6. 进度管控和项目交付的保证作为技术负责人,您需要负责项目进度的管控和项目交付的保证。
您应当对项目的各个开发阶段进行合理安排,并与项目团队密切配合,确保项目按时交付并满足预期的质量标准。
以上责任事项并不是详尽无遗的,您作为XX项目技术负责人,还应根据具体情况灵活调整和承担更多的责任。
在签署本质量责任书之时,请您牢记以下原则:1. 真实诚信:您应当始终保持真实、诚信的态度,不做虚夸承诺或敷衍应付的行为。
项目技术负责人技术质量管理职责范文作为项目技术负责人,技术质量管理是我日常工作重要的职责之一。
我将通过以下方面来负责和管理项目的技术质量。
1. 技术方案的制定和评估在项目启动阶段,我将负责制定项目的技术方案,并对方案进行全面的评估。
我将与项目团队协商,确定项目需求和目标,然后根据项目的特点和需求,制定合理、可行的技术方案。
在评估阶段,我将详细分析方案中的技术难点、风险点,并制定相应的解决方案和应对措施,以确保项目能够按时、按质量要求完成。
2. 技术团队的组建和培养作为技术负责人,我将负责组建项目的技术团队,并对团队成员进行培训和指导。
我将根据项目的需求和技术要求,招募具备相应技术能力和经验的人员,并根据团队成员的实际情况制定培训计划,培养他们的技术能力和团队合作意识。
同时,我还将定期组织团队成员进行技术交流和学习,以保持团队的技术水平和竞争力。
3. 项目的技术质量控制和评估在项目的执行过程中,我将负责监督和控制项目的技术质量。
我将定期与项目团队进行沟通和交流,了解项目的进展和问题,并根据项目的具体情况,制定相应的技术质量控制措施。
例如,我将对项目的开发过程进行监督和检查,确保项目的代码质量和结构设计符合相关标准和规范。
同时,我还将对项目的功能和性能进行评估,确保项目的交付符合客户的要求和期望。
4. 技术风险的管理和应对在项目的执行过程中,我将负责管理和应对技术风险。
我将从技术角度分析项目中存在的风险,制定相应的应对措施和预案,并与项目团队共同执行。
例如,如果项目中存在技术难点或不确定因素,我将与团队成员一起进行技术研究和实验,寻找解决方案并进行验证。
同时,我还将与项目经理和其他相关人员密切合作,及时调整项目计划和资源分配,以应对和解决技术风险带来的影响。
5. 技术团队的绩效评估和提升作为技术负责人,我将负责对技术团队的绩效进行评估和提升。
我将根据团队成员的实际工作表现,以及项目的技术质量和进展情况,对团队成员进行绩效评估。
项目技术负责人技术质量管理职责范文一、管理标准1.1 技术质量管理目标项目技术负责人应确保项目技术质量实现以下目标:—项目技术方案的合理性和可行性;—技术文档的准确性和完整性;—建设过程中的技术准备和技术保障;—技术需求、设计、开发、测试等各阶段的技术质量掌控;—缺陷的及时处理和问题解决;—项目实施阶段的技术支持和后期维护。
1.2 技术质量管理职责项目技术负责人的技术质量管理职责包含以下几个方面:1.2.1 技术方案管理•负责订立项目技术方案,并确保其合理性和可行性;•确保项目技术方案符合公司技术规范和标准;•进行技术方案的评审和修改,并落实技术方案的执行。
1.2.2 技术文档管理•负责编写和维护项目的技术文档,包含需求文档、设计文档、测试文档等;•确保技术文档的准确性、完整性和规范性;•定期对技术文档进行更新和版本掌控。
1.2.3 技术准备与技术保障•确保项目所需的技术设备、工具和环境的准备和部署;•负责技术保障工作,包含网络安全、数据备份、应急响应等;•协调解决技术环境和设备故障,保障项目的顺利开展。
1.2.4 技术质量掌控•确定项目开发、测试等各阶段的技术质量掌控指标和标准;•监督和检查项目开发、测试等各阶段的技术质量,确保符合质量标准;•参加技术问题的分析和解决,及时排出技术障碍。
1.2.5 缺陷处理和问题解决•管理和协调项目过程中显现的缺陷和问题;•确保缺陷和问题得到及时记录、跟踪和解决;•分析缺陷和问题的根本原因,并提出改进措施。
1.2.6 技术支持和后期维护•供应项目实施阶段的技术支持,解答相关技术问题;•协调与用户和其他部门的技术沟通,保障项目的顺利实施;•负责项目交付后的技术维护工作,确保系统的稳定运行。
二、考核标准2.1 技术质量考核要素项目技术负责人的技术质量考核将以以下要素为基础:—技术方案的合理性和可行性;—技术文档的准确性、完整性和规范性;—技术准备和技术保障的有效性;—技术质量掌控的合理性和执行情况;—缺陷处理和问题解决的及时性和有效性;—技术支持和后期维护的质量和效果。
项目技术负责人岗位责任制1.对本项目施工现场内的各类防护设施负技术领导责任。
2.负责施工现场内使用的脚手架、龙门架、井字架及防护设施符合规范要求,在技术上给予保证。
3.负责编制脚手架、龙门架、井字架及防护设施的施工方案,并提供给作业班组长《安全防护技术措施》的详实文字资料。
4.负责组织领导安全、技术等部门人员对现场脚手架、龙门架、井字架及其它防护设施的验收工作,并在验收单上签字。
5.协组项目经理做好脚手架作业人员的安全、技术教育、培训工作。
6.负责发生事故后的组织抢救、上报、保护现场,参与事故调查及善后处理工作。
项目技术负责人岗位责任制(2)项目技术负责人(Technical Project Manager)是负责项目的技术方面工作的岗位,在项目中承担着重要的角色和责任。
以下是项目技术负责人的岗位责任制:1. 技术方案规划:负责制定项目的技术方案和架构,确保项目能够按时完成并满足质量要求。
2. 技术团队管理:组建和领导项目的技术团队,安排工作任务,确保团队成员的协同和配合,解决技术问题。
3. 技术需求分析:与业务部门沟通,理解和分析项目的技术需求,明确项目的技术目标和要求。
4. 风险评估和管理:及时发现和评估项目可能存在的技术风险,并提出相应的应对方案,确保项目的稳定运行。
5. 技术进度控制:制定项目的技术进度计划,监控项目的实施进展,及时发现并解决技术上的障碍和问题,确保项目按时交付。
6. 技术质量保障:负责确保项目的技术质量符合要求,在项目的各个阶段进行技术评审和质量检查,提出改进意见和措施。
7. 技术团队培养:指导和培养技术团队成员,提升技术团队的专业能力和素质,提供技术支持和指导。
8. 技术沟通协调:与其他相关部门和利益相关方进行技术沟通和协调,解决各方的技术需求和冲突,确保项目顺利进行。
9. 技术问题解决:负责解决项目中出现的技术问题和难题,提供技术支持和解决方案,确保项目的顺利进行。
仅供参考[整理] 安全管理文书
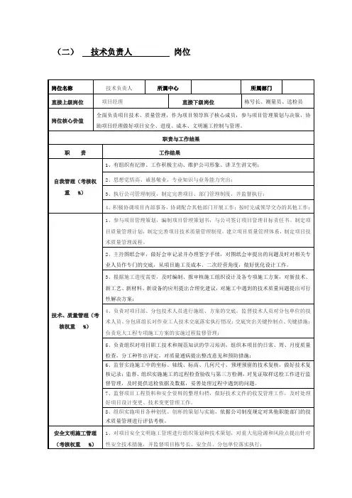
技术负责人岗位职责与质量管理责任书
日期:__________________
单位:__________________
第1 页共4 页
技术负责人岗位职责与质量管理责任书
技术负责人
1、负责项目部的施工技术管理工作;参加组织图纸会审,办理好相关手续,并及时发放到各个职能岗位。
2、负责施工组织设计、专项方案的编制、报审、评审、交底工作,并建立台账。
3、工程质量控制计划、预控措施的制定和项目部各项交底工作。
4、参与项目材料设备加工订货的数量、性能、进场时间的决策工作。
5、工程技术变更的洽谈与函件管理;变更内容当月必须画到相应的图纸上。
6、竣工资料的收集、整理、归档、保管;每月对项目资料检查一次并提出整改措施,必须有书面手续,杜绝同类问题或错误二次发生,如发现一次罚款500元,技术负责人200元,资料员300元。
7、负责工程计量、工具的检验;负责施工月进度计划的编制。
8、对专业分包单位的进行交底,并做好交底资料的收集整理。
9、执行《质量、环境、安全健康管理体系》相应的程序文件;解决项目相关的质量、安全技术问
题。
工作标准
1、保证项目质量、安全技术工作处于受控状态。
2、负责施工组织设计、专项方案的编制、报审、评审、交底工作,
第 2 页共 4 页
所编制的方案可操作性强。
3、负责工程质量控制计划、预控措施的制定,项目各项交底工作满足施工及主管部门资料需要。
4、项目材料及设备加工订货的数量、性能、进场时间提供与材料、设备的选型满足施工需要。
5、技术变更资料齐全,并能满足施工需要,项目部函件管理齐全有效。
6、竣工资料的收集及时,与施工同步,符合公司有关规定。
7、参加编制周、月质量、进度计划,发现问题及时回报。
8、对项目部各工种、专业分包单位的施工技术交底资料及时、准确、有效,并及时转交资料管理员归档。
9、认真执行贯标程序,工程资料满足主管部门检查及城建档案要求;及时解决项目部提出的技术问题,创QC成果奖一项。
10、参加项目材料、设备进场的验收,收集有关资,发现问题及时协助处理。
11、及时做好各项签证及核价工作,配合协调好业主、监理、上级主管部门检查验收工作。
12、负责施工组的日常工作,制定考核奖罚措施。
13、项目负责人因故离开工地,做好临时项目负责人工作。
第 3 页共 4 页
仅供参考[整理] 安全管理文书
整理范文,仅供参考!
日期:__________________
单位:__________________
第4 页共4 页。