高温高压锻钢球阀外形尺寸参数表
- 格式:docx
- 大小:36.92 KB
- 文档页数:3
液压阀门>>液压球阀>>高压球阀产品详细信息球阀系列价格供用户或设计院工程项目做预算一、阀门的选型步骤1.明确阀门在设备或装置中的用途,确定阀门的工作条件:适用介质、工作压力、工作温度等等。
2.确定与阀门连接管道的公称通径和连接方式:法兰、螺纹、焊接等。
3.确定操作阀门的方式:手动、电动、电磁、气动或液动、电气联动或电液联动等。
4.根据管线输送的介质、工作压力、工作温度确定所选阀门的壳体和内件的材料:灰铸铁、可锻铸铁、球墨铸铁、碳素钢、合金钢、不锈耐酸钢、铜合金等。
5.确定阀门的型式:闸阀、截止阀、球阀、蝶阀、节流阀、安全阀、减压阀、蒸汽疏水阀、等。
6.确定阀门的参数:对于自动阀门,根据不同需要先确定允许流阻、排放能力、背压等,再确定管道的公称通径和阀座孔的直径。
7.确定所选用阀门的几何参数:结构长度、法兰连接形式及尺寸、开启和关闭后阀门高度方向的尺寸、连接的螺栓孔尺寸和数量、整个阀门外型尺寸等。
8.利用现有的资料:阀门产品目录、阀门产品样本等选型适当的阀门产品。
二、阀门的选型依据1.所选用阀门的用途、使用工况条件和操纵控制方式。
2.工作介质的性质:工作压力、工作温度、腐蚀性能,是否含有固体颗粒,介质是否有毒,是否是易燃、易爆介质,介质的黏度等等。
3.对阀门流体特性的要求:流阻、排放能力、流量特性、密封等级等等。
4.安装尺寸和外形尺寸要求:公称通径、与管道的连接方式和连接尺寸、外形尺寸或重量限制等。
⑤对阀门产品的可靠性、使用寿命和电动装置的防爆性能等的附加要求。
(在选定参数时应注意:如果阀门要用于控制目的,必须确定如下额外参数:操作方法、最大和最小流量要求、正常流动的压力降、关闭时的压力降、阀门的最大和最小进口压力。
)根据上述选型阀门的依据和步骤,合理、正确地选型阀门时还必须对各种类型阀门的内部结构进行详细了解,以便能对优先选用的阀门做出正确的抉择。
管道的最终控制是阀门。
高温高压调节阀技术规范书1 总则1.1 本技术规范书适用于燃煤发电工程高温高压调节阀的设计、制造、试验、质量保证和验收。
1.2 本协议书中所提及的要求和供货范围都是最低限度的要求,并未对一切技术细节作出规定,也未充分地详述有关标准和规范的条文,但卖方保证提供符合本协议和工业标准的功能齐全的优质产品,满足国家有关安全、环保等强制性标准的要求。
1.3 卖方执行技术规范所列标准,有不一致时,按较高标准执行。
卖方在设备设计和制造中所涉及的各项规程、规范和标准必须遵循现行最新标准版本。
若卖方所提供的技术规范前后有不一致的地方,以更有利于设备安装运行、工程质量为原则,由买方确定。
在合同签订后,买方有权因规范、标准发生变化而提出一些补充要求,在设备投料生产之前,卖方在设计上予以修改,但价格不作调整。
1.4在签订合同之后,买方保留对本技术规范提出补充要求和修改的权利,卖方应承诺予以配合,具体项目和条件由双方共同商定。
1.5本工程采用KKS标识系统,卖方提供的技术资料(包括图纸)和设备的标识必须有KKS编码。
KKS的编制原则由买方提出,具体标识由卖方编制,编码范围包括卖方所供系统、设备、主要部件(包括分包和采购件)和构筑物等,由设计院统一协调。
1.6 卖方对供货范围内的成套设备负有全责,即包括分包(或对外采购)的产品。
分包(或对外采购)的主要产品制造商须征得买方的认可。
1.7卖方所提供的设备、阀门的接口应和买方的规格和材料一致,卖方应保证在现场没有任何异种钢和异径管的焊接问题,如有不一致,卖方提供过渡段。
卖方所提供的阀门口径最终应满足设计院要求,除调节阀外,不得采用缩小口径加大小头的方法。
1.8对于卖方配套的控制装置、仪表设备,卖方应考虑和提供与DCS控制系统的接口并负责与DCS控制系统的协调配合,直至接口完备。
1.9 合同签订后3个月,按本协议要求,卖方提出合同设备的设计、制造、检验/试验、装配、安装、调试、试运、验收、试验、运行和维护等标准清单给买方,买方确认。
球阀的规格型号球阀规格型号介绍球阀是一种常用的止回阀,具有结构简单,操作方便,密封性能好等特点,被广泛应用于各种流体管路中。
下面介绍几种常见的球阀规格型号。
1. Q41F-16P 球阀Q41F-16P 球阀是一种全通径球阀,适用于水、油、气等介质的流量控制。
该球阀采用全钢制结构,阀体和阀盖采用铸钢材料,密封面采用硬质合金材料,具有耐腐蚀、耐高温等特点。
该球阀的工作压力为16MPa,工作温度为-29℃~180℃。
2. Q347F-10P 球阀Q347F-10P 球阀是一种三通球阀,适用于输送油、气、水等介质的流量调节。
该球阀采用球体旋转控制流量,可以实现两个入口口径相等的管路与一个出口口径相等的管路之间的流量调节。
该球阀的材料主要是碳钢、不锈钢等,工作压力为10MPa,工作温度为-29℃~200℃。
3. Q347F-16P 球阀Q347F-16P 球阀是一种四通球阀,适用于输送油、气、水等介质的流量调节。
该球阀采用球体旋转控制流量,可以实现三个入口口径相等的管路与一个出口口径相等的管路之间的流量调节。
该球阀的材料主要是碳钢、不锈钢等,工作压力为16MPa,工作温度为-29℃~200℃。
4. Q41F-25P 球阀Q41F-25P 球阀是一种全通径球阀,适用于输送油、气、水等介质的流量控制。
该球阀采用全钢制结构,阀体和阀盖采用铸钢材料,密封面采用硬质合金材料,具有耐腐蚀、耐高温等特点。
该球阀的工作压力为25MPa,工作温度为-29℃~200℃。
5. Q347F-40P 球阀Q347F-40P 球阀是一种四通球阀,适用于输送油、气、水等介质的流量调节。
该球阀采用球体旋转控制流量,可以实现三个入口口径相等的管路与一个出口口径相等的管路之间的流量调节。
该球阀的材料主要是碳钢、不锈钢等,工作压力为40MPa,工作温度为-29℃~200℃。
除了以上几种球阀规格型号,还有许多其他型号的球阀,如高温球阀、电动球阀、气动球阀等。
球阀结构尺寸及重量之蔡仲巾千创作1:设计制造按GB12237-892:结构长度按GB12221-893:连接端:4:防火尺度按API6075:阀门检查和试验按JB/T9092-996:结构:全通径浮动球二体式7:主体资料:WCB CF8 CF8M 等8:密封资料:PTFE球阀尺寸及重量mm规格DN L H D W kg L H D W kg 1513078151403130103151403 2015084191604150112191604 2516095251801601233251806 32165150302501651503025010 4018015038300111801563830014 5020019051350152001725135020 6522019564350192201976435025 8025021576400272502227640030 1002802501025003832025310250040 1253202851246005840028612460065 1503603701528008140027515280085球阀、法兰球阀、铸钢球阀、不锈钢球阀三通分类及对焊三通、四通尺寸三通分为机械三通,沟槽异径三通,沟槽机械三通,普通三通;三通以制作方法划分可分为顶制三通,压制三通,锻制三通,对焊三通,铸造三通等一、三通分类三通分为机械三通,沟槽异径三通,沟槽机械三通,普通三通;三通以制作方法划分可分为顶制三通,压制三通,锻制三通,对焊三通,铸造三通等.三通按形状分有两种,等径三通和异径三通.等径三通就是三个口一样大小.异径三通就是一段主管加上一个小的分支管,显然,两个大的尺寸是主管,中间接出来的小尺寸就是支管. 在纯氧管线中,一般是有压力的.二、对焊三通、四通尺寸 GB12459。
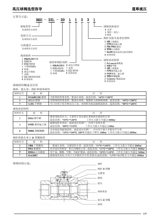
110通尊液压高压球阀选型指导材料代号材 料 应 用1 9SMnPb28K 碳钢 无特殊材料要求的一般油压系统,温度范围:-40°C~+200°C3 St52-3锻钢 有特殊材料要求的一般油压系统,规格较大的碳钢球阀,温度范围:-40°C~+200°C 4316Ti 不锈钢专门应用于化学和动力工业,对材料有较高耐腐蚀要求,温度范围:-60°C~+400°C球座密封材料材料代号材 料 应 用2 POM 聚甲醛 能承受较高压力,主要用于高压液压系统和无腐蚀性介质温度范围:-30°C~+100°C 工作压力最大不超过800bar 4 PTFE 聚四氟乙烯耐腐蚀性非常好,温度适应范围广,应用于各种介质温度范围:-60°C~+250°C 工作压力最大不超过120bar6PEEK 聚醚醚酮具有较好的耐腐蚀性,温度适应范围广,可应用于绝大多数化学介质温度范围:-50°C~+200°C, 200°C 时耐压下降至100bar 工作压力最大不超过800bar阀杆和接头体上O 型圈材料材料代号材 料应 用3 NBR 丁腈橡胶 一般液压系统,无腐蚀性介质,温度范围:-35°C~+100°C ,工作压力最大不超过800bar 5 FPM 氟橡胶 化学适应性较好,和乙丙橡胶互补,温度范围:-25°C~+200°C ,工作压力最大不超过800bar 6 EPDM 乙丙橡胶 用于氨、醋酸、甲醇,不耐矿物油,温度范围:-50°C~+150°C ,工作压力最大不超过500bar 7 KALREZ耐腐蚀性很好,可用于大多数化学介质,价格高,温度范围:-15°C~+315°C,压力不超过800bar阀杆 阀杆O 型圈 支撑垫 阀体 接头 球座密封接头O 型圈 球体球阀结构示意:。
高压锻造球阀高压锻造球阀外形及主要尺寸外形及主要尺寸外形及主要尺寸:: 一、产品结构及其特性说明高压锻造球阀是一种结构新颖,技术先进,性能可靠的高压管路上使用的球阀,适用于石油、化工、电力等企业部门输送水、蒸汽、油品及各种含腐蚀性气体、液体等介质的管道、储罐、容器设备上作启闭装置。
其特点是:1.阀门为全通道设计,流体阻力小。
2.阀门采用三体结构,拆装方便,便于现场维修、更换。
3.具有防火结构,可以保证在意外失火的情况下的密封可靠性,而且密封面不易被介质冲刷。
4.下装式阀杆及填料结构设计,防止阀杆脱落,体积小节约安装空间。
5.阀门的启闭力小,开关轻便。
二、性能及设计规范性能及设计规范::1. 公称压力等级: PN10.0、15.0、25.0(Mpa );ANSI 600、900、1500磅级2. 公称通径: DN15~50; 1/2"-2"3. 适用温度: -29~150℃4. 适用介质:碳钢:适用水 蒸气 油品等介质 不锈钢:酸、碱等腐蚀性介质5. 连结方式:焊接端按GB12224及ANSI B 16.25;螺纹连结按:GB7306及NPT三、压力验试:验收标准按JB/T9092及API 598PN(Mpa) CLASS(Lb)压力级10.015.0 25.0 600 900 1500 试验介质强度验试 15.0 22.5 37.5 15.5 22.5 38.5高压密封试验 11.016.527.511.516.528.2含有防锈剂的水气压密封试验0.6 空气四、主要外型尺寸及重量公称通径 尺寸(mm) 公称压力(in) mm L d D H W 1/2"15 165 14 22 52 130 3/4" 20 190 19 27 56 160 1" 25 216 25 34 67 160 11/4" 32 229 32 42 74 185 11/2" 40 241 38 48 88 185 PN10.0(Mpa)600 (Lb)2" 50 292 49 60 95 200 1/2"15 165 14 22 52 145 3/4" 20 190 19 27 56 175 1" 25 216 25 34 67 175 11/4" 32 229 32 42 74 200 11/2" 40 241 38 48 88 200 PN15.0(Mpa)900 (Lb)2" 50 292 49 60 95 250 1/2"15 216 12 22 55 150 3/4" 20 229 16 27 58 180 1" 25 254 21 34 70 180 11/4" 32 279 29 42 78 220 11/2" 40 305 34 48 92 250 PN25.0(Mpa)1500 (Lb)2"503684360101300。
高压液压球阀一、YJZQ高压液压球阀的详细资料:公司生产的球阀均保证开关5万次以上,本阀适用于液压系统管路中作接通和切断用,主阀采用优质锻钢件,表面进行发黑或镀铬处理。
外表美观,操作方便,密封性能可靠。
公称压力:31.5MPa试验压力:48MPa适用温度:-20℃~+80℃实用介质:矿物油、水、乙二醇、其他混合液体二、YJZQ高压液压球阀型号意义:三、YJZQ高压液压球阀外形尺寸:(图一)型号M(公制)G(英制)尺寸mmB H h h1L L2S L0YJZQ-J10N M18×1.53/8"32361872781427120YJZQ-J15N M22×1.51/2"35401987861630120YJZQ-J20N M27×23/4"485525961081841160YJZQ-J25N M23×21"5865301161162050160YJZQ-J32N M42×211/4"7684381411362260200YJZQ-J40N M48×211/2"8898451651482475250YJZQ-J50N M64×22"98110521801802685300 (图一)内螺纹球阀(图二)外螺纹球阀(图二)型号M尺寸mmD D1L L1H I L0YJZQ-J6W M16×1.51011133855814120 YJZQ-J8W M22×1.51416133855814120 YJZQ-J10W M24×1.51820154855816120 YJZQ-J15W M30×1.5222216691.56818120 YJZQ-J20W M36×22828174104.57218160 YJZQ-J25W M42×234352121138620160 YJZQ-J32W M52×2424023013010322200 YJZQ-J40W M64×2505025014712024250 YJZQ-J50W M72×2646029417012826300 YJZQ-J65W M85×3757035621615034350订货须知:一、①YJZQ高压液压球阀产品名称与型号②YJZQ高压液压球阀口径③YJZQ高压液压球阀是否带附件二、若已经由设计单位选定公司的YJZQ高压液压球阀型号,请按YJZQ高压液压球阀型号三、当使用的场合非常重要或环境比较复杂时,请您尽量提供设计图纸和详细参数,高压锻钢球阀高压对焊球阀保温球阀精小型三段式球阀意大利式超短型球阀法兰连接三通球阀塑料球阀不锈钢高温整体式球阀三段式高压法兰球阀美标金属硬密封球阀软密封球阀不锈钢美标固定球阀美标固定三段式球阀V型球阀Q347F蜗轮固定球阀金属硬密封球阀不锈钢三片式法兰球阀Q21F广式球阀高压锻打小型球阀阀门的性能强度性能阀门的强度性能是指阀门承受介质压力的能力。
QJH系列高压球阀
用户使用手册
浙江欧尼特阀门有限公司
QJH系列高压球阀
1、高压球阀QJH概述
高压球阀QJH主要用于高压液压管路中控制油液的流通和截止。
本球阀具有流阻小、密封性可靠、操作方便、外观精美等特点。
本球阀主要由阀体、球体、阀杆、手柄、密封装置组成。
阀体采用钢制锻件,表面镀铬处理。
2、高压球阀QJH型号说明
①名称代号:球芯截止阀
②压力等级:H-31.5MPa
③公称通径:6~65mm
④连接形式:WL-外螺纹连接式NL-内螺纹连接式F-法兰连接式B-板式连接
3、高压球阀QJH技术参数
公称压力:31.5MPa
适用介质:矿物油、水-乙二醇和乳化液
介质温度:-20℃~+62℃
4.外形尺寸。
工作温度高于100度球阀叫高温球阀。
一.工作温度在100摄氏度至200摄氏度的球阀,密封材料一般选PPL,阀体材料应选WCB,阀杆材料应选不锈铁,球体材料应选一般不锈钢<201>。
二.工作温度在250摄氏度至400摄氏度的球阀,密封材料应选硬密封或Y>。
阀体材料应选WCB,阀杆材料应选不锈铁,球体材料应选不锈钢<碳化>。
三.工作温度在400摄氏度至550摄氏度的球阀,密封材料应选硬密封或Y>。
阀体材料应选铬钼钢,球体材料应选铬钼钢,阀杆材料应选铬钼钢。
阀体材料技术性能表材料名称材料牌号[适用工况美国ANSI/ASTM标准中国GB标准铸件锻件铸件锻件使用温度℃主要适用介质碳素钢WCBA105ZG251125/20Mh-29—427水、蒸汽、空气及石油产品等合金钢WC1F1//-29—454蒸汽、石油产品等(主要用于高温高压阀)C5F5 ZGCr5Mo 2Cr5Mo -29—650WC6F11 ZG20CrMoV 15CrMo 12CrMoV -29—552WC9F22ZG15Cr1Mo1V12Cr1MoV25Cr2MoV20Cr1Mo1VA-29—595低温用碳素钢LCBLF1//-46—345蒸汽、石油产品等(主要用于低温阀)铬镍不锈钢CF8304ZG0Cr18Ni9TiZG0Cr18Ni12Mo2Ti0Cr19Ni90Cr18Ni12Mo2Ti-196—800硝酸类等腐蚀性介质铬镍钼不锈钢CF8M316-196—800醋酸类及尿素等腐蚀性介质铬镍超低碳不锈钢CF3304L00Cr19Ni11-196—425硝酸类等腐蚀性介质铬镍钼超低碳不锈钢CF3M316L00Cr17Ni14Mo2-196—455醋酸类及尿素等腐蚀性介质20N08020号合金CN7MB462ZG0Cr20Ni29Cu4Mo20Cr20Ni35Mo3Cu4Nb-196—450硫酸、磷酸、氢氟酸、稀盐酸(主要用于硫酸)40号合金CD-4MCuS32550ZG0Cr25Ni5Mo2Cu30Cr25Ni5Mo2Cu3-196—450磷酸、硫酸、磷酸盐(主要用于磷酸)Fnalium255蒙乃尔合金M-30CNo4400NiCu28-2.5-1.5-196—580氢氟酸、盐酸、硫酸、氯化特、苛性碱(主要用于氢氟酸)No4405 k400k500WCB碳钢ASTM A216无腐蚀性应用,包括水,油和气,温度范围:-30oC至+425oC LCB低温碳钢ASTM A352低温应用,温度低至-46oC不能用于温度高于+340oC的场合LC33.5%镍钢ASTM A352低温应用,温度低至-101oC不能用于温度高于+340oC的场合WC61.25%铬0.5%钼钢ASTM A217无腐蚀性应用,包括水,油和气,温度范围:-30oC至+593oCWC92.25铬ASTM A217无腐蚀性应用,包括水,油等级WC9和气,温度范围:-30oC至+593oCC55%铬0.5%钼ASTM A217轻度腐蚀性或侵蚀性应用及无腐蚀性应用,温度范围:-30oC至+649oCC129%铬1%钼ASTM A217轻度腐蚀性或侵蚀性应用及无腐蚀性应用,温度范围:-30oC至+649oCCA6NM(4)12%铬钢ASTM A487腐蚀性应用,温度范围:-30oC至+482oCCA15(4)12%铬ASTM A217腐蚀性应用,温度范围高达+704oCCF8M 316不锈钢ASTM A351腐蚀性或超低温或高温无腐蚀性应用,温度范围:-268oC至+649oC,温度+425oC以上要指定碳含量0.04%及以上CF8C347不锈钢ASTM A351主要用于高温,腐蚀性应用,温度范围:-268oC至+649oC,温度+540oC以上要指定碳含量0.04%及以上CF8304不锈钢ASTM A351腐蚀性或超低温或高温无腐蚀性应用,温度范围:-268oC至+649oC,温度+425oC以上要指定碳含量0.04%及以上CF3304L不锈钢ASTM A351腐蚀性或无腐蚀性应用,温度范围高达+425oCCF3M316L不锈钢ASTM A351腐蚀性或无腐蚀性应用,温度范围高达+454oCCN7M合金钢ASTM A351具有很好的抗热硫酸腐蚀性能,温度高达+425oCM35-1蒙乃尔ASTM A494可焊接等级。
液压阀门>>液压球阀>>高压球阀产品详细信息CJZQ系列高压球阀图形符号技术参数公称压力:31.5MPa适用介质:液压油Hydraulic Oil外形尺寸型号D1 D2 D3 L1 L2 L3 L4 L5 H □S CJZQ-H10L Ф9Ф20M27×1.5 100 62 14 2 105 86 □46 CJZQ-H15L Ф14Ф22M30×1.5 105 64 16 2 147 99 □52 CJZQ-H20L Ф18Ф28M36×2 121 74 18 2.5 185 108 □60 CJZQ-H25L Ф23Ф35M42×2 135 80 20 2.5 185 118.5 □70 CJZQ-H32L Ф30Ф40M52×2 160 96 22 2.5 240 137 □84 CJZQ-H40L Ф38 Ф45M60×2 180 106 24 2.5 240 148 □96 CJZQ-H50L Ф48Ф55M72×2 205 105 26 2.5 240 172 □120球阀系列价格供用户或设计院工程项目做预算一、阀门的选型步骤1.明确阀门在设备或装置中的用途,确定阀门的工作条件:适用介质、工作压力、工作温度等等。
2.确定与阀门连接管道的公称通径和连接方式:法兰、螺纹、焊接等。
3.确定操作阀门的方式:手动、电动、电磁、气动或液动、电气联动或电液联动等。
4.根据管线输送的介质、工作压力、工作温度确定所选阀门的壳体和内件的材料:灰铸铁、可锻铸铁、球墨铸铁、碳素钢、合金钢、不锈耐酸钢、铜合金等。
5.确定阀门的型式:闸阀、截止阀、球阀、蝶阀、节流阀、安全阀、减压阀、蒸汽疏水阀、等。
6.确定阀门的参数:对于自动阀门,根据不同需要先确定允许流阻、排放能力、背压等,再确定管道的公称通径和阀座孔的直径。
7.确定所选用阀门的几何参数:结构长度、法兰连接形式及尺寸、开启和关闭后阀门高度方向的尺寸、连接的螺栓孔尺寸和数量、整个阀门外型尺寸等。
高温高压锻钢球阀外形尺寸参数表
高温高压锻钢球阀是一种高品质、高性能的阀门产品,针对高温、高
压条件下的工业应用场合而设计制造。
作为一种核心阀门产品,高温
高压锻钢球阀的外形尺寸参数表是其重要的技术数据之一,下面就让
我们来详细了解此类阀门的输入参数表。
一、阀体尺寸
1.7500#~15000#高温高压锻钢球阀阀体外形尺寸表
规格 7500# 9000# 10500# 15000#
D 457 508 559 813
L 1525 1651 2032 2500
H 1270 1510 1550 1820
h1 362 365 380 410
h2 305 305 320 350
W 1350 1500 1500 1500
D1 216 270 324 413
T 127 140 165 203
W1 80 80 100 100
2.万向杆式高温高压锻钢球阀阀体外形尺寸表
规格 DN 15 20 25
32 40 50
D 140 150 160 180 200 230 280
L 130 140 150 180 200 230 290
H 115 120 125 140 160 190 200
h1 85 95 100 115 140 150 185
h2 35 35 40 45 50 60 70
W 300 300 300 300 320 320 360
D1 105 115 125 145 160 190 240
T 14 16 16 16 18 20 22
W1 120 120 120 120 150 150 150
二、阀座尺寸
1.7500#~15000#高温高压锻钢球阀阀座外形尺寸表
规格 7500# 9000# 10500# 15000#
D1 320 380 420 700
L1 146 162 200 267
H1 295 330 385 490
A 275 275 275 275
B 132 147 162 185
C 95 95 95 95
2.万向杆式高温高压锻钢球阀阀座外形尺寸表
规格 DN 15 20 25 32 40 50
D1 85 100 100 110 130 153
L1 46 49 54 62 65 77
H1 85 95 95 105 120 140
A 40 40 40 50 50 50
B 27 34 41 47 54 65
C 14 14 14 14 14 14
总结:
以上是高温高压锻钢球阀外形尺寸参数表的两个部分,需要根据实际使用需求进行选择。
在选择时,要结合使用要求和流体介质的性质,参考外形尺寸参数表等相关技术手册数据,使其在使用中能够体现出优秀的性能与可靠的安全性。