结构力学常用公式
- 格式:doc
- 大小:12.18 KB
- 文档页数:1
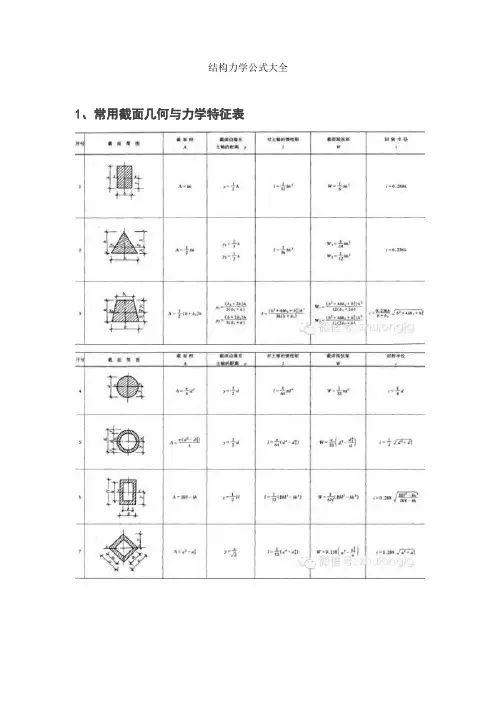
结构力学公式大全1、常用截面几何与力学特征表注:1.I称为截面对主轴〔形心轴〕的截面惯性矩〔mm4〕。
根本计算公式如下:2.W称为截面抵抗矩〔mm3〕,它表示截面抵抗弯曲变形能力的大小,根本计算公式如下:3.i称截面回转半径〔mm〕,其根本计算公式如下:4.上列各式中,A为截面面积〔mm2〕,y为截面边缘到主轴〔形心轴〕的距离〔mm〕,I为对主轴〔形心轴〕的惯性矩。
5.上列各项几何及力学特征,主要用于验算构件截面的承载力和刚度。
2、单跨梁的内力及变形表2.1 简支梁的反力、剪力、弯矩、挠度2.2 悬臂梁的反力、剪力、弯矩和挠度2.3 一端简支另一端固定梁的反力、剪力、弯矩和挠度2.4 两端固定梁的反力、剪力、弯矩和挠度2.5 外伸梁的反力、剪力、弯矩和挠度3.等截面连续梁的内力及变形表3.1 二跨等跨梁的内力和挠度系数注:1.在均布荷载作用下:M=表中系数×ql2;V=表中系数×ql;。
2.在集中荷载作用下:M=表中系数×Fl;V=表中系数×F;。
[例1] 二跨等跨梁l=5m,均布荷载q=11.76kN/m,每跨各有一集中荷载F=29.4kN,求中间支座的最大弯矩和剪力。
[解] MB支=〔-0.125×11.76×52〕+〔-0.188×29.4×5〕=〔-36.75〕+〔-27.64〕=-64.39kN·mVB左=〔-0.625×11.76×5〕+〔-0.688×29.4〕[例2] 三跨等跨梁l=6m,均布荷载q=11.76kN/m,求边跨最大跨中弯矩。
[解] M1=0.080×11.76×62=33.87kN·m。
3.2 三跨等跨梁的内力和挠度系数注:1.在均布荷载作用下:M=表中系数×ql2;V=表中系数×ql;。
2.在集中荷载作用下:M=表中系数×Fl;V=表中系数×F;。
掌握结构的承载能力极限状态和正常使用极限状态的基本公式
在工程结构力学中,结构的承载能力极限状态和正常使用极限状态可以用以下基本公式表示:
1. 承载能力极限状态:
承载能力极限状态是指结构在额定荷载下能够正常工作且不发生破坏的状态。
其表达式可以表示为:
F ≤ R
其中,F表示结构所受荷载的合力,R表示结构的承载能力。
2. 正常使用极限状态:
正常使用极限状态是指结构在正常工作条件下能够满足要求,但可能发生一些限制性破坏或使用性能下降的状态。
其表达式可以表示为:
S ≤ L
其中,S表示结构的应变或挠度,L表示结构的设计限值或要求。
这些公式是结构力学中常用的基本公式,可以用来评估结构的承载能力和正常使用状态,帮助设计和评估工程结构的安全性和可靠性。
1平面体系的计算自由度 W 的求法2(1)刚片法:体系看作由刚片组成,铰结、刚结、链杆为约束。
3刚片数 m ;4约束数:单铰数 h ,简单刚结数 g ,单链杆数 b 。
5W = 63m - 2h - 3g -b7(2)节点法:体系由结点组成,链杆为约束。
8结点数 j ;9约束数:链杆(含支杆)数 b 。
10W = 2j 11– b12(3)组合算法13约束对象:刚片数 m ,结点数 j14约束条件:单铰数 h ,简单刚结数 g ,单链杆(含支杆)数 b15W = (3m + 2j)16-(3+2h+ b)17比较可得:三铰拱与简支梁的竖向支反力完全相同。
注意到水平支反力式中18的分子就是简支梁上截面C的弯矩,则水平支反力可写作:1920综上所述,三铰拱在竖向荷载作用下,任一截面上的弯矩、剪力荷轴力的计21算公式如下:22234.4.1 各种结构位移计算公式2425:虚设单位荷载P=1作用下的结构的内力;26:实际荷载作用下的结构的内力27282930图乘法31位移公式:324.5.2 常见图形的面积和形心33常见图形的形心和面积(图4.10)。
343536图4.1037以上图形的抛物线均为标准抛物线:抛物线的顶点处的切线都是与基线平行384.5.3 应用图乘法时的几个具体问题39(2) 如果有一个图形为折线,则应分段考虑(图4.12)4041图4.124243(3) 如果图形比较复杂,应根据弯矩图的叠加原理将图形分解为几个简单图44形,分项计算后再进行叠加图4.134546图4.1347(图4.13b中A1与y1的乘积为负值;图4.13c中抛物线为非48标准曲线)。
49例5:试求出图4.16刚架结点B 的水平位移和转角,EI 为常数5051图4.1652解: (1)虚设单位荷载,作实际状态和虚设单位荷载的弯矩图(图4.17a、b、53c)5455图4.1756(2)代入公式,图乘。
57B 点竖向位移:5859B 点转角位移:6061力法的基本概念62Δ11=δ11X1 力法典型方程:δ11X1+ Δ1P =063a)做基本结构在荷载作用下的荷载弯矩M P和单位未知力X1=1的作用64下的单位弯矩图M1应用叠加公式得到结构的弯矩图M。
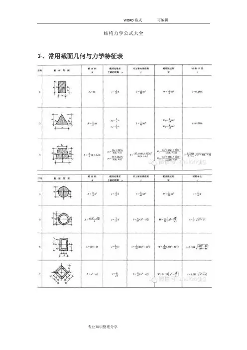
结构力学公式大全1、常用截面几何与力学特征表注:1.I称为截面对主轴(形心轴)的截面惯性矩(mm4)。
基本计算公式如下:2.W称为截面抵抗矩(mm3),它表示截面抵抗弯曲变形能力的大小,基本计算公式如下:3.i称截面回转半径(mm),其基本计算公式如下:4.上列各式中,A为截面面积(mm2),y为截面边缘到主轴(形心轴)的距离(mm),I为对主轴(形心轴)的惯性矩。
5.上列各项几何及力学特征,主要用于验算构件截面的承载力和刚度。
2、单跨梁的内力及变形表简支梁的反力、剪力、弯矩、挠度悬臂梁的反力、剪力、弯矩和挠度一端简支另一端固定梁的反力、剪力、弯矩和挠度两端固定梁的反力、剪力、弯矩和挠度外伸梁的反力、剪力、弯矩和挠度3.等截面连续梁的内力及变形表二跨等跨梁的内力和挠度系数注:1.在均布荷载作用下:M=表中系数×ql2;V=表中系数×ql;。
2.在集中荷载作用下:M=表中系数×Fl;V=表中系数×F;。
[例1] 已知二跨等跨梁l=5m,均布荷载q=m,每跨各有一集中荷载F=,求中间支座的最大弯矩和剪力。
[解] MB支=(-××52)+(-××5)=(-)+()=-·mVB左=(-××5)+(-×)=(-)+(-)=-[例2] 已知三跨等跨梁l=6m,均布荷载q=m,求边跨最大跨中弯矩。
[解] M1=××62=·m。
三跨等跨梁的内力和挠度系数注:1.在均布荷载作用下:M=表中系数×ql2;V=表中系数×ql;。
2.在集中荷载作用下:M=表中系数×Fl;V=表中系数×F;。
四跨等跨连续梁内力和挠度系数注:同三跨等跨连续梁。
五跨等跨连续梁内力和挠度系数注:同三跨等跨连续梁。
二不等跨梁的内力系数注:1.M=表中系数×ql21;V=表中系数×ql1;2.(Mmax)、(Vmax)表示它为相应跨内的最大内力。
土木工程公式大全作为土木工程专家,我很高兴为您提供一些常用的土木工程公式。
以下是一些常见的公式和方程:1.算法计算公式:-电流密度公式:I=P/A,其中I为电流密度,P为电流,A为电流截面面积。
-电阻公式:R=ρL/A,其中R为电阻,ρ为电阻率,L为导体的长度,A为导体的横截面面积。
-空气阻力公式:FA=0.5*ρ*Cd*A*V^2,其中FA为空气阻力,ρ为空气密度,Cd为物体的阻力系数,A为物体的横截面积,V为物体的速度。
2.结构力学公式:-弯矩公式:M=F*d,其中M为弯矩,F为力的大小,d为力到支点的距离。
-梁的弯曲应力公式:σ=My/I,其中σ为弯曲应力,M为弯矩,y为梁的纵坐标,I为梁的截面转动惯量。
-雪载公式:Fs=C*A*S,其中Fs为雪载力,C为雪的密度系数,A为建筑物的部分面积,S为该部分面积上的雪深度。
3.流体力学公式:-流量公式:Q=A*V,其中Q为流量,A为流体横截面的面积,V为流体的速度。
-波动力公式:F=ρ*A*V^2,其中F为波动力,ρ为流体的密度,A 为物体的横截面面积,V为物体的速度。
-雨水沟排水能力公式:Q=0.278*Cd*A*I,其中Q为排水能力,Cd为流动系数,A为沟槽断面积,I为水流坡度。
4.土力学公式:-斯托克斯公式:F=π*μ*R*V,其中F为阻力,μ为流体的粘度,R 为物体的半径,V为物体在流体中的速度。
-牛顿第二定律公式:F=m*g,其中F为重力,m为物体的质量,g为重力加速度。
-承载力公式:q=c+γ*z+0.5*γ*H,其中q为地基承载力,c为地基的凝聚力,γ为土壤的容重,z为地基的深度,H为土壤的表面载荷。
5.水文学公式:-下渗率公式:Q=K*A*(H1-H2)/L,其中Q为下渗率,K为土壤的渗透系数,A为土壤的横截面面积,H1为土壤表面的水位,H2为土壤下面的水位,L为土壤的厚度。
-降雨强度公式:I=P/T,其中I为降雨强度,P为降雨量,T为降雨的时间。
【最新整理,下载后即可编辑】结构力学公式大全1、常用截面几何与力学特征表注:1.I称为截面对主轴(形心轴)的截面惯性矩(mm4)。
基本计算公式如下:2.W称为截面抵抗矩(mm3),它表示截面抵抗弯曲变形能力的大小,基本计算公式如下:3.i称截面回转半径(mm),其基本计算公式如下:4.上列各式中,A为截面面积(mm2),y为截面边缘到主轴(形心轴)的距离(mm),I为对主轴(形心轴)的惯性矩。
5.上列各项几何及力学特征,主要用于验算构件截面的承载力和刚度。
2、单跨梁的内力及变形表2.1 简支梁的反力、剪力、弯矩、挠度2.2 悬臂梁的反力、剪力、弯矩和挠度2.3 一端简支另一端固定梁的反力、剪力、弯矩和挠度2.4 两端固定梁的反力、剪力、弯矩和挠度2.5 外伸梁的反力、剪力、弯矩和挠度3.等截面连续梁的内力及变形表3.1 二跨等跨梁的内力和挠度系数注:1.在均布荷载作用下:M=表中系数×ql2;V=表中系数×ql;。
2.在集中荷载作用下:M=表中系数×Fl;V=表中系数×F;。
[例1] 已知二跨等跨梁l=5m,均布荷载q=11.76kN/m,每跨各有一集中荷载F=29.4kN,求中间支座的最大弯矩和剪力。
[解] MB支=(-0.125×11.76×52)+(-0.188×29.4×5)=(-36.75)+(-27.64)=-64.39kN·mVB左=(-0.625×11.76×5)+(-0.688×29.4)=(-36.75)+(-20.23)=-56.98kN[例2] 已知三跨等跨梁l=6m,均布荷载q=11.76kN/m,求边跨最大跨中弯矩。
[解] M1=0.080×11.76×62=33.87kN·m。
3.2 三跨等跨梁的内力和挠度系数注:1.在均布荷载作用下:M=表中系数×ql2;V=表中系数×ql;。
结构力学公式大全1、常用截面几何与力学特征表注:1.I称为截面对主轴(形心轴)的截面惯性矩(mm4)。
基本计算公式如下:2.W称为截面抵抗矩(mm3),它表示截面抵抗弯曲变形能力的大小,基本计算公式如下:3.i称截面回转半径(mm),其基本计算公式如下:4.上列各式中,A为截面面积(mm2),y为截面边缘到主轴(形心轴)的距离(mm),I为对主轴(形心轴)的惯性矩。
5.上列各项几何及力学特征,主要用于验算构件截面的承载力和刚度。
2、单跨梁的内力及变形表2.1 简支梁的反力、剪力、弯矩、挠度2.2 悬臂梁的反力、剪力、弯矩和挠度2.3 一端简支另一端固定梁的反力、剪力、弯矩和挠度2.4 两端固定梁的反力、剪力、弯矩和挠度2.5 外伸梁的反力、剪力、弯矩和挠度3.等截面连续梁的内力及变形表3.1 二跨等跨梁的内力和挠度系数注:1.在均布荷载作用下:M=表中系数×ql2;V=表中系数×ql;。
2.在集中荷载作用下:M=表中系数×Fl;V=表中系数×F;。
[例1] 已知二跨等跨梁l=5m,均布荷载q=11.76kN/m,每跨各有一集中荷载F=29.4kN,求中间支座的最大弯矩和剪力。
[解] MB支=(-0.125×11.76×52)+(-0.188×29.4×5)=(-36.75)+(-27.64)=-64.39kN·mVB左=(-0.625×11.76×5)+(-0.688×29.4)=(-36.75)+(-20.23)=-56.98kN[例2] 已知三跨等跨梁l=6m,均布荷载q=11.76kN/m,求边跨最大跨中弯矩。
[解] M1=0.080×11.76×62=33.87kN·m。
3.2 三跨等跨梁的内力和挠度系数注:1.在均布荷载作用下:M=表中系数×ql2;V=表中系数×ql;。
结构力学公式大全1、常用截面几何与力学特征表注:1.I称为截面对主轴(形心轴)的截面惯性矩(mm4)。
基本计算公式如下:2.W称为截面抵抗矩(mm3),它表示截面抵抗弯曲变形能力的大小,基本计算公式如下:3.i称截面回转半径(mm),其基本计算公式如下:4.上列各式中,A为截面面积(mm2),y为截面边缘到主轴(形心轴)的距离(mm),I为对主轴(形心轴)的惯性矩。
5.上列各项几何及力学特征,主要用于验算构件截面的承载力和刚度。
2、单跨梁的内力及变形表2.1 简支梁的反力、剪力、弯矩、挠度2.2 悬臂梁的反力、剪力、弯矩和挠度2.3 一端简支另一端固定梁的反力、剪力、弯矩和挠度2.4 两端固定梁的反力、剪力、弯矩和挠度2.5 外伸梁的反力、剪力、弯矩和挠度3.等截面连续梁的内力及变形表3.1 二跨等跨梁的内力和挠度系数注:1.在均布荷载作用下:M=表中系数×ql2;V=表中系数×ql;。
2.在集中荷载作用下:M=表中系数×Fl;V=表中系数×F;。
[例1] 已知二跨等跨梁l=5m,均布荷载q=11.76kN/m,每跨各有一集中荷载F=29.4kN,求中间支座的最大弯矩和剪力。
[解] MB支=(-0.125×11.76×52)+(-0.188×29.4×5)=(-36.75)+(-27.64)=-64.39kN·mVB左=(-0.625×11.76×5)+(-0.688×29.4)=(-36.75)+(-20.23)=-56.98kN[例2] 已知三跨等跨梁l=6m,均布荷载q=11.76kN/m,求边跨最大跨中弯矩。
[解] M1=0.080×11.76×62=33.87kN·m。
3.2 三跨等跨梁的内力和挠度系数注:1.在均布荷载作用下:M=表中系数×ql2;V=表中系数×ql;。
本章重点1、静矩与形心2、惯性矩、极惯性矩和惯性积3、平行移轴公式、转轴公式关键概念静矩、惯性矩、极惯性矩、惯性积、主惯性轴、形心主惯性轴目录§I-1 静矩和形心§I-2极惯性矩·惯性矩·惯性积§I-3 平行移轴公式§I-4 惯性矩和惯性积的转轴公式.截面的§I -1 静矩和形心一、基本概念1. 静矩(或一次矩)O xd A y yx C x ydA x ⋅——微面积对y 轴的静矩dA y ⋅——微面积对x 轴的静矩A x S A y d ⎰=A y S A x d ⎰=——整个平面图形对y 轴的静矩——整个平面图形对x 轴的静矩2.形心坐标公式AS A Ay y A S A A x x x A yA ====⎰⎰d d 常用单位:m 3或mm 3。
数值:可为正、负或0 。
3.静矩与形心坐标的关系yA S x A S x y ==推论:截面对形心轴的静矩恒为0,反之,亦然。
1.组合截面的静矩根据静矩的定义:整个平面图形对某轴的静矩应等于它的各组成部分对同一轴的静矩的代数和,即:∑=∑===ni i i x n i i i y y A S x A S 11 和面积。
个简单图形的形心坐标分别为第和 式中: i A y x i i i ,二、讨论:2.组合截面的形心坐标公式∑=∑===n i i i x n i i i y y A S x A S 11 组合截面静矩∑==n i i A A 1组合截面面积组合截面的形心坐标公式为:∑∑==∑∑======n i i ni i i x n i i n i i i y A y A A S y A x A A S x 1111 ,例I —1:计算由抛物线、y 轴和z 轴所围成的平面图形对y 轴和z 轴的静矩,并确定图形的形心坐标。
z h y b =-⎛⎝ ⎫⎭⎪122O y z 解:S z A y A =⎰2d S y A z A =⎰d =-⎛⎝ ⎫⎭⎪⎰12102222b h y b y d =-⎛⎝ ⎫⎭⎪⎰yh y b y b0221d =4152bh =b h 24O y z y d y bh A A A =⎰d =-⎛⎝ ⎫⎭⎪⎰0221b h y b y d =23bh 形心坐标为:⎪⎪⎪⎪⎩⎪⎪⎪⎪⎨⎧======52321548332422hbh bh A S z bbh bhA S y y C z C例I —2:确定图示图形形心C 的位置。
结构力学公式大全1、常用截面几何与力学特征表注:1.I称为截面对主轴(形心轴)的截面惯性矩(mm4)。
基本计算公式如下:2.W称为截面抵抗矩(mm3),它表示截面抵抗弯曲变形能力的大小,基本计算公式如下:3.i称截面回转半径(mm),其基本计算公式如下:4.上列各式中,A为截面面积(mm2),y为截面边缘到主轴(形心轴)的距离(mm),I为对主轴(形心轴)的惯性矩。
5.上列各项几何及力学特征,主要用于验算构件截面的承载力和刚度。
2、单跨梁的内力及变形表2.1 简支梁的反力、剪力、弯矩、挠度2.2 悬臂梁的反力、剪力、弯矩和挠度2.3 一端简支另一端固定梁的反力、剪力、弯矩和挠度2.4 两端固定梁的反力、剪力、弯矩和挠度2.5 外伸梁的反力、剪力、弯矩和挠度3.等截面连续梁的内力及变形表3.1 二跨等跨梁的内力和挠度系数注:1.在均布荷载作用下:M=表中系数×ql2;V=表中系数×ql;。
2.在集中荷载作用下:M=表中系数×Fl;V=表中系数×F;。
[例1] 已知二跨等跨梁l=5m,均布荷载q=11.76kN/m,每跨各有一集中荷载F=29.4kN,求中间支座的最大弯矩和剪力。
[解] MB支=(-0.125×11.76×52)+(-0.188×29.4×5)=(-36.75)+(-27.64)=-64.39kN·mVB左=(-0.625×11.76×5)+(-0.688×29.4)=(-36.75)+(-20.23)=-56.98kN[例2] 已知三跨等跨梁l=6m,均布荷载q=11.76kN/m,求边跨最大跨中弯矩。
[解] M1=0.080×11.76×62=33.87kN·m。
3.2 三跨等跨梁的内力和挠度系数注:1.在均布荷载作用下:M=表中系数×ql2;V=表中系数×ql;。
结构力学公式大全1、常用截面几何与力学特征表
注:1.I称为截面对主轴(形心轴)的截面惯性矩(mm4)。
基本计算公式如下:2.W称为截面抵抗矩(mm3),它表示截面抵抗弯曲变形能力的大小,基本计算公式如下:
3.i称截面回转半径(mm),其基本计算公式如下:
4.上列各式中,A为截面面积(mm2),y为截面边缘到主轴(形心轴)的距离(mm),I为对主轴(形心轴)的惯性矩。
5.上列各项几何及力学特征,主要用于验算构件截面的承载力和刚度。
2、单跨梁的内力及变形表
2.1 简支梁的反力、剪力、弯矩、挠度
2.2 悬臂梁的反力、剪力、弯矩和挠度。
结构力学自由度计算公式w=2j-b
这个公式中,w代表结构的自由度数,j代表节点数,b代表边界条件数。
结构力学中,节点是构件连接点,边界条件是指约束节点的运动,如固定、支座等。
这个公式的意义是,结构的自由度数等于节点数乘以2(因为每个节点有两个自由度,即x 和y方向的位移),再减去边界条件数。
举个例子,如果一个结构有10个节点,其中3个节点被固定(即有边界条件),那么它的自由度数就是2×10-3=17。
这个数字告诉我们,这个结构在运动时有17个自由度,也就是说,可以有17个独立的位移模式。
结构力学常用公式
结构力学是研究结构在荷载下受力变形及破坏的学科。
在结构力学的研究中,有一些常用的公式,能够解决结构的受力问题,下面我们来介绍一些常用的结构力学公式。
1.等效荷载的计算公式:
等效荷载=静定结构的基本荷载x荷载系数
2.梁的挠度公式:
M=EIθ
其中,M表示梁上的弯矩,E为杨氏模量,I为截面惯性矩,θ为挠度。
3.杆的受力公式:
F=EAε
其中,F表示杆的受力,E为材料的弹性模量,A为杆的截面积,ε为杆的应变。
4.悬链线的受力公式:
T=H/2sin(α/2)
其中,T为悬链线的张力,H为悬链线的水平距离,α为悬链线的张角。
5.拱的荷载公式:
P=Hsinθ
其中,P为拱的荷载,H为荷载的垂直分量,θ为拱的倾角。
以上就是结构力学中一些常用的公式,它们可以帮助我们解决结构受力方面的问题。
我们应该掌握这些公式,并能够运用到实际问题中。
结构力学公式年夜全1、经常使用截面几何与力学特征表注:1.I称为截面对主轴(形心轴)的截面惯性矩(mm4)。
基本计算公式如下:2.W称为截面抵当矩(mm3),它暗示截面抵当弯曲变形能力的年夜小,基本计算公式如下:3.i称截面回转半径(mm),其基本计算公式如下:4.上列各式中,A为截面面积(mm2),y为截面边沿到主轴(形心轴)的距离(mm),I为对主轴(形心轴)的惯性矩。
5.上列各项几何及力学特征,主要用于验算构件截面的承载力和刚度。
2、单跨梁的内力及变形表2.1 简支梁的反力、剪力、弯矩、挠度2.2 悬臂梁的反力、剪力、弯矩和挠度2.3 一端简支另一端固定梁的反力、剪力、弯矩和挠度2.4 两端固定梁的反力、剪力、弯矩和挠度2.5 外伸梁的反力、剪力、弯矩和挠度3.等截面连续梁的内力及变形表3.1 二跨等跨梁的内力和挠度系数注:1.在均布荷载作用下:M=表中系数×ql2;V=表中系数×ql;。
2.在集中荷载作用下:M=表中系数×Fl;V=表中系数×F;。
[例1] 已知二跨等跨梁l=5m,均布荷载q=11.76kN/m,每跨各有一集中荷载F=29.4kN,求中间支座的最年夜弯矩和剪力。
[解] MB支=(-0.125×11.76×52)+(-0.188×29.4×5)=(-36.75)+(27.64)=-64.39kN·mVB左=(-0.625×11.76×5)+(-0.688×29.4)=(-36.75)+(-20.23)=-56.98kN[例2] 已知三跨等跨梁l=6m,均布荷载q=11.76kN/m,求边跨最年夜跨中弯矩。
[解] M1=0.080×11.76×62=33.87kN·m。
3.2 三跨等跨梁的内力和挠度系数注:1.在均布荷载作用下:M=表中系数×ql2;V=表中系数×ql;。
结构力学常用公式
1.应力公式:σ=F/A,其中 F 为作用力,A 为作用面积,σ为应力。
2. 应变公式:ε = ΔL/L0,其中ΔL 为变形量,L0 为原始长度,ε为应变。
3. 弹性模量公式:E = σ/ε,其中 E 为弹性模量。
4. 餘弦定理:c = a + b - 2abcosC,其中 a,b 为两边的长度,
C 为两边之间的夹角,c 为斜边的长度。
5. 正弦定理:a/sinA = b/sinB = c/sinC,其中 a,b,c 为三角形三条边的长度,A,B,C 为三角形对应的内角。
6. 面积公式:A = 1/2bh,其中 b 为底边的长度,h 为高度。
7. 矩形截面抵消矩阵算式:I = bh/12,其中 I 为矩形截面的抵消矩阵,b 为宽度,h 为高度。
8. 圆形截面抵消矩阵算式:I = πr/4,其中 I 为圆形截面的抵消矩阵,r 为半径。
9. 计算杆件最大承受力公式:Fmax = σmaxA,其中 Fmax 为杆件最大承受力,σmax 为材料的最大允许应力,A 为杆件横截面积。
10. 悬索线的张力公式:T = (Wl)/(8d),其中 T 为悬索线的张力,W 为悬挂物的重量,l 为悬挂物的长度,d 为悬索线的跨度。
- 1 -。