电子分析天平月校验记录
- 格式:docx
- 大小:13.53 KB
- 文档页数:1
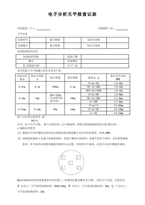
电子分析天平核查记录环境温度(℃):环境湿度(%):天平信息使用标准砝码信息各分度值下天平的最大允许误差见下表按下式计算示值误差(E)E=I-L,式中:I---天平示值; E---示值误差;L---载荷值(即校正值=标准砝码标示值+修正值)。
1.偏载误差核查(1)载荷在不同位置的示值误差必须满足相应载荷最大允许误差的要求,即E≤MPE。
(2)试验载荷选择1/3最大称量的砝码。
优选个数较少的砝码,如果不是单个砝码,允许砝码叠放使用。
单个砝码应放置在测量区域的中心位置,若使用多个砝码,应均匀分布在测量区域内。
⑶选用标准砝码加在称量盘的不同位置上(秤盘的位置及编号见下图),读出天平示值。
计算误差。
①百分之一天平选用标准砝码:200g+100g;②万分之一天平选用标准砝码:50g;③十万分之一天平选用标准砝码:20g。
⑶按下式计算示值误差(E)E=I-L,式中:I---天平示值;E---示值误差 L---载荷值(即校正值=标准砝码标示值+修正值)标准砝码标示值(g):①②砝码修正值(g):①②试验载荷L(g):最大允许误差MPE(mg): 2倍最大允许误差MPE(mg):2.示值误差核查⑶各载荷点的示值误差(E)不得超过该天平在该载荷时的最大允许误差,既,E≤MPE。
⑶测试时,载荷应从零载荷开始,逐渐地往上加载,直至加到天平的最大称量,然后逐渐的卸下载荷,直到零载荷为止。
⑶试验载荷必须包括下述载荷点;A 空载;B最小称量;C 最大允许误差转换点所对应的载荷(或接近最大允许误差转换点);D最大称量。
⑶无论加载或卸载,应保证有足够的测量点数,对于使用中检定的天平,测量点数不得少于6点;注:“↓”指为逐渐往上加的载荷,“↑”指为逐渐卸载载荷。
3.重复性核查(1)如果天平具有自动置零或零点跟踪装置,应处于工作状态。
(2)试验载荷应选择80%-100%最大称量的砝码,测试次数不少于6次。
测量中每次加载前可置零。
(3)天平的重复性等于Emax-Emin,式中,Emax为加载时天平示值误差(E)的最大值;Emin为加载时天平示值误差的最小值;Emax-Emin≤|MPE|。
电子分析天平日常校正记录
记录编号:SOR-ZL-049-A/0 校正步骤:
天平使用前需进行校准,方法如下:取下秤盘上所有被测物,将天平置开机默认模式,轻按〈校准〉键,当显示出现“CAL-220”闪烁码时,即松手,表示需要用220g的标准砝码校准。
此时放上准备好的220g标准砝码(加载),显示屏即出现等待状态“Please wait”,“CAL-220”停止闪烁,经数秒钟后,显示屏出现“220.0000g”,同时“Please wait”熄灭,拿去校准砝码(空载),显示器应出现0.0000g。
完成了一次校准。
如若显示不为零,则再清零,再重复以上校准操作。
一般校准操作进行2次。
电子称月度校正记录电子称是一种常见的测量设备,用于测量物体的质量。
为了保证电子称的准确性和稳定性,需要进行定期的校正。
以下是电子称的月度校正记录:日期校正人是否合格备注-------------------------------------------------------------2024年1月1日张三是无2024年2月1日李四是无2024年3月1日王五是无2024年4月1日赵六否数据异常2024年5月1日张三是无2024年6月1日李四是无2024年7月1日王五是无2024年8月1日赵六是无2024年9月1日张三是无2024年10月1日李四是无2024年11月1日王五否数据偏差2024年12月1日赵六是无根据以上记录,我们可以看到从2024年1月到12月期间,电子称共进行了12次校正。
其中,11次校正结果是合格的,只有一次出现了数据异常(2024年4月)和数据偏差(2024年11月)。
对于2024年4月的校正,校正人员赵六发现数据异常,这可能是由于设备故障或者操作不当导致的。
因此,在校正完成后可能需要对设备进行维修或者对操作进行修正。
对于2024年11月的校正,校正人员王五发现数据偏差,这意味着电子称的测量结果与实际质量存在一定的偏差。
可能的原因是电子称的灵敏度有所下降,需要进行进一步的调整和校准。
对于其他合格的校正记录,校正人员张三、李四和王五都没有发现任何问题,电子称的测量结果符合要求。
为了确保电子称的准确性和稳定性,建议每次校正时都记录以下信息:日期、校正人、是否合格和备注。
这样可以及时发现和排除设备故障,确保测量结果的可靠性。
同时,为了提高校正的可靠性,建议增加校正次数,例如每月校正一次或每季度校正一次。
校正记录应保存在可靠的数据记录系统中,并定期进行回顾和分析,以便发现潜在的问题并采取措施加以解决。
此外,还建议对电子称进行定期的维护和保养,包括清洁、调整和更换关键部件。
这样可以保证电子称的工作状态良好,减少故障和数据偏差的发生。
电子天平期间核查记录设备名称:CAV214C1/万电子分析天平仪器编号:8330430552环境状态:温度20℃湿度25%检定有效期限:自2011年07月20日至2012年07月19日目的:称量的精密度CAV214C电子分析天平核查过程:1、调整好天平水平位置。
2、将天平和砝码处于同一环境状态3、将天平接通电源预热30min。
使天平平稳的显示零位。
4、(1)使用100.0000g校准砝码重复称量6次,进行结果计算,测量中每次加载可置零。
测量结果:第一次称量结果(g):100.0006;第二次称量结果(g):100.0005;第三次称量结果(g):100.0001;第四次称量结果(g):100.0005;第五次称量结果(g):99.9996;第六次称量结果(g):100.0002;结果与计算检测量值:100.0000g均值(X,g)=100.00025标准值(U,g)=100.0000g相对称量误差(PX,g)=∣(U-X)∣/100*100%=0.00025%重复性(极差,g)=称量(MAX)-称量(MIN)=0.0010 (2)使用200.0000g校准砝码重复称量6次,进行结果计算,测量中每次加载可置零。
测量结果:第一次称量结果(g):200.0001;第二次称量结果(g):200.0002;第三次称量结果(g):200.0002;第四次称量结果(g):200.0002;第五次称量结果(g):199.9999;第六次称量结果(g):200.0001;结果与计算检测量值:200.0000g均值(X,g)=200.000116≈200.0001标准值(U,g)=200.0000g相对称量误差(PX,g)=∣(U-X)∣/200*100%=0.0002%重复性(极差,g)=称量(MAX)-称量(MIN)=0.0003 (3)结论:示值允许误差:标准砝码的值允许误差50<M≤200g±0.0010g极差:(极差,g)=称量(MAX)-称量(MIN)≤0.0015 5、核查偏载误差(1)将天平归于零位。
万分之一电子天平的检定记录电子天平检定原始记录送检单位:######3###有限公司地址: #### 证书编号:F04-20082717制造厂上海天平仪器厂最大/小秤量200g/10mg 实际分度值d 0.1mg 温度:22.0℃型号规格FA2004 天平器号153 检定分度值e 1mg 湿度:49%RH设备编号/ 准确度等级外观检查合格标准砝码E2等级砝码标准砝码证书编号F03-20080246F03-20080245 有效期至 2009年7月30日测量范围1mg~500g 标准砝码编号255 不确定度或准确度等级或最大允许误差U=(0.01~0.27)mgU=(0.002~0.008)mg检定依据JJG1036-2008《电子天平》检定日期2008年8月27日有效期至2009年8月26日一、偏载误差 E = I + e/2 –△L – L,EC = E – E0 (*)位置试验载荷L(g) 示值I(g) 附加砝码△L(g) 误差E(g) 修正误差Ec(g) 最大允许误差(e) 注1 (*)0.0010 0.0010 0.0000 / /1 99.9998 99.9992 -0.0006 -0.0006 ±1.02 (*)0.0010 0.0010 0.0000 / /2 99.9998 99.9998 0.0000 0.0000 ±1.03 (*)0.0010 0.0010 0.0000 / /3 99.9998 99.9998 0.0000 0.0000 ±1.04 (*)0.0010 0.0010 0.0000 / /4 99.9998 99.9998 0.0000 0.0000 ±1.05 (*)0.0010 0.0010 0.0000 / /5 99.9998 99.9998 0.0000 0.0000 ±1.0二、重复性L=200.0000 , E = I + e/2 –△L – L序号示值I(g) 附加砝码△L(g) 化整前示值P(g)误差E(g)最大允许误差(e)1 200.00000.0000 ±1.02 199.9998 -0.0002 ±1.03 199.9998 -0.0002 ±1.04 199.9999 -0.0001 ±1.05 199.9999 -0.0001 ±1.06 199.9996 -0.0004 ±1.078910三、示值误差 E = I + e/2 –△L – L,EC = E – E0 (*)序号试验载荷L(g)示值I(g)附加砝码△L(g)误差E(g)修正误差Ec(g)最大允许误差(e)1 (*)0.0010 0.0010 0.0010 (*)0.0000 0.0000/ 0.0000 ±0.52 0.0100 0.0100 0.0100 0.0000 0.0000 0.0 000 0.0000 ±0.53 20.0000 20.0000 20.0000 0.0000 0.00000.0000 0.0000 ±0.54 50.0000 50.0000 50.0000 0.0000 0.00000.0000 0.0000 ±0.55 99.9998 99.9999 99.9999 0.0000 0.00010.0000 0.0001 ±1.06 149.9997 149.9998 149.9998 0.0001 0.00010.0001 0.0001 ±1.07 200.0000200.0003 200.0003 0.0003 0.0003 0.0003 0.0003±1.089101112四、检定结果检定项目检定结果最大允许误差测量范围10mg~200g /实际分度值0.1mg /检定分度值1mg /偏载误差-0.6mg ±1.0e重复性0.4mg 1.0e(此处为)示值误差0≤m≤50g0.0mg ±0.5e50g<m≤200g0.3mg ±1.0e/<m≤// ±1.5e检定分度数2×105 /天平定级/备注:检定员:核验员:电子天平各载荷点的最大允许误差的检定首先开机预热,然后按照说明书的操作程序对电子天平进行校准(这一步很关键),校准完毕,显示零位。
福建南方济民医药研发中心有限公司 FSP JIMIN R&D center Co ., Ltd .电子天平校验记录批准人: 生效日期:电子天平型号: 编号: 年校验时间: 月 日 ; □日校验 □月校验 校验时间: 月 日 ; □日校验 □月校验 ①按键是否正常 □是 □否 ①按键是否正常 □是 □否 ②屏幕是否正常显示 □是 □否 ②屏幕是否正常显示 □是 □否 ③水平仪的气泡是否居中 □是 □否 ③水平仪的气泡是否居中 □是 □否 ④仪器自校是否正常通过 □是 □否 ④仪器自校是否正常通过 □是 □否 仪器状态砝码重量*称量值误差E E max -E min仪器状态 砝码重量*称量值 误差E E max -E min□正常 □不正常□正常 □不正常砝码编号砝码编号结论结论 □合格 □不合格□合格 □不合格校验人: 复核人:校验人: 复核人:校验时间: 月 日 ; □日校验 □月校验 校验时间: 月 日 ; □日校验 □月校验 ①按键是否正常 □是 □否 ①按键是否正常 □是 □否 ②屏幕是否正常显示 □是 □否 ②屏幕是否正常显示 □是 □否 ③水平仪的气泡是否居中 □是 □否 ③水平仪的气泡是否居中 □是 □否 ④仪器自校是否正常通过 □是 □否 ④仪器自校是否正常通过 □是 □否 仪器状态 砝码重量* 称量值误差EE max -E min仪器状态 砝码重量*称量值 误差E E max -E min□正常□不正常□正常 □不正常砝码编号砝码编号结论结论 □合格 □不合格□合格 □不合格校验人: 复核人: 校验人: 复核人:附表:不同级别天平不同标示值砝码的允许误差*砝码重量按检定后重量填写 * E max —E min ≤最大允许误差(该称量点)标准砝码标示值天平最大允许误差精度0.01g 精度0.1mg精度0.01mg精度0.01mg 精度0.1mg 精度0.01g 日校 月校 日校 月校日校 月校 20mg ±0.05mg - - √ √ 100mg ±0.05mg - - √ √ 200mg ±0.05mg ±0.5mg - √ √ √ 1g ±0.05mg ±0.5mg - √ √ √ √ 20g ±0.10mg ±0.5mg ±0.05g √ √ √ √ 50g ±1.0mg ±0.5mg ±0.05g √ √ √ √ √ √ 100g ±1.0mg ±1.0mg ±0.05g √ √ √ √ √ √ 200g - ±1.0mg ±0.05g √ √ √ 500g - - ±0.05g √ √ 1kg - - ±0.1g√2kg--±0.1g√。
1. 目的
在仪器设备两次检定之间,进行期间核查,验证设备是否保持校准时的状态,确保检验结果的准确性和有效性。
2. 检查项目
示值误差、重复性误差
3. 标准器具
标准砝码0.05g、1g、5g、10g、100g
4. 检查依据
电子分析天平使用说明书。
5. 检查方法
5.1 天平的示值误差:在仪器正常工作条件下,分别称量0.05g、1g、5g、10g、100g的标准砝码,记录天平示值。
5.2 天平重复性误差:100g标准砝码重复称量2次,记录天平示值,两次称量差值不得超过1.0mg(万分之一天平)。
6. 评定
天平示值总误差:0g—50g,±0.5mg;50g—200g,±1.0mg
天平重复性误差(100g载荷点):<1.0mg,此范围内可判定仪器正常。
7. 核查周期
在仪器设备两次检定之间,一般每隔六个月核查一次。
8.相关记录
8.1电子分析天平期间核查记录
编制:审核:
日期:日期:
电子分析天平期间核查记录
操作者:复核:。