城镇道路路面设计规范 100
- 格式:docx
- 大小:37.96 KB
- 文档页数:2
1 .1 道路几何设计《城市道路设计规范》CJJ37—901.0.3 在道路设计中应考虑残疾人的使用要求。
2.1.2 除快速路外,每类道路按照所在城市的规模、设计交通量、地形等分为I、II、III。
大城市应采用各类道路中的I级标准;中等城市应采用II级标准;小城市应采用III级标准。
有特殊情况需变更级别时,应做技术经济论证,报规划审批部门批准。
2.2.1 计算行车速度的规定见表2.2.1。
当旧路改建有特殊困难,如商业街、文化街等。
经技术经济比较认为合理时,可适当降低计算行车速度,但应考虑夜间行车安全。
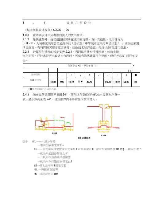
各猶备址il踏计算行车連fi!L10 K適舞圾别——I I1I11I]■itntf乍速览nteo4M050.40则3050,40SQ.3040,303$f2020注■華伴许邮时,H退用人值.2.4.1 城市道路建筑限界见图241。
顶角抹角宽度应与机动车道侧向净宽一致。
最小净高见表241。
建筑限界内不得有任何物体侵入。
图中审.——中測分车带—中阿分隔帯宽度血»叫——机功车车道宽度或机功车片II审皿车泥合I厂驶的军荷道宽度501 帶】一侧向那宽I 一机劝车逋路绿带宽女3"—几机妙牢适路路绦借蟄度—机功车车行證安余带宽止I硏一非札动车车f拠宽度佃|带.一將侧帝宽陵51,W t—设施蒂宽应(mh2.5.1 道路交通量达到饱和状态时的设计年限规定如下:快速路、主干路为20a,次干路为15a;支路为10~15a°(代表年)2.5.2 路面结构达到临界状态的设计年限规定如下:二、沥青混凝土路面,沥青碎石路面与沥青贯入式碎(砾)石路面为15a支路修筑沥青混凝土等高级路面时,可采用10a。
三、沥青表面处治路面为8a。
四、粒料路面为5a。
2.8.1 地震区的道路工程及重要的附属构筑物应按国家规定工程所在地区的设防烈度,进行抗震设防。
4.3.2 快速路应设中间分车带,不得采用双黄线。
4.5.2 路侧带各组成部分的宽度确定如下:一、人行道宽度必须满足行人通行的安全和顺畅。
关于发布国家标准《城市道路交通规划设计规范》的通知建标[1994]808号根据国家计委计综(1986)250号文的要求,由建设部会同有关部门共同制订的《城市道路交通规划设计规范》已经有关部门会审,现批准《城市道路交通规划设计规范》GB50220—95为强制性国家标准,自一九九五年九月一日起施行。
本标准由建设部负责管理,具体解释等工作由上海同济大学负责,出版发行由建设部标准定额研究所负责组织。
中华人民共和国建设部一九九五年一月十四日城市道路交通规划设计规范1.总则1.0.1为了科学、合理地进行城市道路交通规划设计,优化城市用地布局,提高城市的运转效能,提供安全、高效、经济、舒适和低公害的交通条件,制定本规范。
1.0.2本规范适用于全国各类城市的城市道路交通规划设计。
1.0.3城市道路交通规划应以市区内的交通规划为主,处理好市际交通与市内交通的衔接、市域范围内的城镇与中心城市的交通联系。
1.0.4城市道路交通规划必须以城市总体规划为基础,满足土地使用对交通运输的需求,发挥城市道路交通对土地开发强度的促进和制约作用1.0.5城市道路交通规划应包括城市道路交通发展战略规划和城市道路交通综合网络规划两个组成部分。
1.0.6城市道路交通发展战略应包括下列内容:1.0.6.1确定交通发展目标和水平;1.0.6.2确定城市交通方式和交通结构;1.0.6.3确定城市道路交通综合网络布局、城市对外交通和市内的客货运设施的选址和用地规模;1.0.6.4提出实施城市道路交通规划过程中的重要技术经济对策;1.0.6.5提出有关交通发展政策和交通需求管理政策的建议。
1.0.7城市道路交通综合网络规划应包括下列内容:1.0.7.1确定城市公共交通系统、各种交通的衔接方式、大型公共换乘枢纽和公共交通场站设施的分布和用地范围;1.0.7.2确定各级城市道路红线宽度、横断面形式、主要交叉口的形式和用地范围,以及广场、公共停车场、桥梁、渡口的位置和用地范围;1.0.7.3平衡各种交通方式的运输能力的运量;1.0.7.4对网络规划方案作技术经济评估;1.0.7.5提出分期建设与交通建设项目排序的建议。
据国家计委计综(1986)250号文的要求,由建设部会同有关部门共同制订的《城市道路交通规划设计规范》已经有关部门会审,现批准《城市道路交通规划设计规范》GB50220-95为强制性国家标准,自一九九五年九月一日起施行。
中华人民共和国建设部一九九五年一月十四日城市道路交通规划设计规范GB 50220-951??? 总则1.0.11.0.21.0.31.0.41.0.51.0.61.0.6.11.0.6.21.0.6.31.0.6.41.0.6.51.0.71.0.7.1范围;1.0.7.21.0.7.31.0.7.41.0.7.51.0.81.0.9城市道路交通规划设计除应执行本规范的规定外,尚应符合国家现行的有关标准、规范的规定。
2 术语2.0.1 标准货车以载重量4-5t的汽车为标准车,其他型号的载重汽车,按其车型的大小分别乘以相应的换算系数,折算成标准货车,其换算系数直按本规范附录A.0.1的规定取值。
2.0.2 乘客平均换乘系数衡量乘客直达程度的指标,其值为乘车出行人次与换乘人次之和除以乘车出行人次。
2.0.3 存车换乘将自备车辆存放后,改乘公共交通工具而到达目的地的交通方式。
2.0.4 出行时耗居民从甲地到乙地在交通行为中所耗费的时间。
2.0.5 当量小汽车以4-5座的小客车为标准车,作为各种型号车辆换算道路交通量的当量车种。
其换算系数宜按本规范附录A.0.2取值。
2.0.6 道路红线规划道路的路幅边界线。
2.0.7 港湾式停靠站在道路车行道外侧,采取局部拓宽路面的公共交通停靠站。
2.0.8 公共交通线路网密度每平方公里城市用地面积上有公共交通线路经过的道路中心线长度,单位为km/km2。
2.0.9 公共交通线路重复系数比。
路抛制公共交通线路首末之间实地距离与空间直线距离之比。
环行线的非直线系数按主要集散点之间的实地距离与空间直线路离之比。
运送速度衡量公共交通服务质量的指标。
公共交通车辆在线路首末站之间的行程时间(包括各站间的行驶时间与各站停站时间)除行程长度所得的平均速度,单位为km/h。
2020咨询师继续教育-城镇道路路面设计规范100分
一、单选题【本题型共2道题】
1.快速路和主干路路基顶面设计回弹模量值,不应小于()。
A.40MPa
B.30MPa
C.20MPa
D.15MPa
用户答案:[B] 得分:10.00
2.填方路基应优先选用级配较好的砾类土、砂类土等粗粒土作为填料,填料最大粒径应小于()。
A.300mm
B.250mm
C.200mm
D.150mm
用户答案:[D] 得分:10.00
二、多选题【本题型共2道题】
1.道路路面的面层应具有()、()和平整、()、耐磨与()等表面特性。
A.足够的结构强度
B.稳定性
C.扩散应力
D.抗滑
E.低噪声
用户答案:[ABDE] 得分:20.00
2.以下那种情况下,应在基层下设置垫层?()
A.季节性冰冻地区的中湿或潮湿路段
B.地下水位高、排水不良,路基处于潮湿或过湿状态
C.岩石或填石路基
D.水文地质条件不良的土质路堑,路床土处于潮湿或过湿状态
用户答案:[ABD] 得分:20.00
三、判断题【本题型共2道题】
1.路面设计应以双轮组单轴载100kN为标准轴载, 以BZZ-100表示。
()
Y.对
N.错
用户答案:[Y] 得分:20.00
2.专用非机动车道、人行道土质路基压实度,可按主干路标准执行。
()
Y.对
N.错
用户答案:[N] 得分:20.00。
《城市道路工程设计规范》2022局部修订CJJ37-2022一、概述二、修订内容本次局部修订条文合计9条,修订的主要技术内容如下:1.补充了需要在道路绿化带或者分隔带中设置低影响开辟设施时,绿化带或者分隔带的宽度要求,以及各种设施间的设计要求。
2. 增加立缘石的类型和布置型式。
3. 细化了道路横坡的坡向规定。
4.按海绵城市建设的要求补充道路雨水低影响开辟设计的原则和要求。
5.按《室外排水设计规范》GB50014修订的内容,调整了道路排水采用的暴雨强度的重现期规定。
6. 补充了低影响开辟设施内植物的种植要求。
三、具体条文本次局部修订的具体条文如下(下划线为修改的内容,黑体字为强制性条文):5.3 横断面组成及宽度5.3.4路侧带可由人行道、绿化带、设施带等组成(图5.3.4),路侧带的设计应符合下列规定:图5.3.4 路侧带人行道宽度必须满足行人安全顺畅通过的要求,并应设置无障碍设施。
人行道最小宽度应符合表5.3.4的规定。
表5.3.4 人行道最小宽度---项目 ---人行道最小宽度(m) ---------------普通值 ---最小值 -------各级道路 ---3.0 ---2.0 -------商业或者公共场所集中路段 ---5.0 ---4.0 -------火车站、码头附近路段 ---5.0 ---4.0 -------长途汽车站 ---4.0 ---3.0 ----绿化带的宽度应符合现行行业标准《城市道路绿化规划与设计规范》CJJ75的相关要求。
当绿化带内设置雨水调蓄设施时,绿化带的宽度还应满足所设置设施的宽度要求。
设施带宽度应包括设置护栏、照明灯柱、标志牌、信号灯、城市公共服务设施等的要求,各种设施布局应综合考虑。
设施带可与绿化带结合设置,但应避免各种设施间,以及与树木的相互干扰。
当绿化带设置雨水调蓄设施时,应保证绿化带内设施及相邻路面结构的安全,必要时,应采取相应的防护及防渗措施。
咨询工程师继续教育-城镇道路路面设计规范-100分
一、单选题【本题型共2道题】
1.快速路、主干路沥青路面设计基准期()。
A.30年
B.20年
C.15年
D.10年
用户答案:[C] 得分:10.00
2.AC混合料路面厚度不宜小于混合料公称最大粒径的()倍。
A.4倍
B.3.5倍
C.3倍
D.2.5倍
用户答案:[C] 得分:10.00
二、多选题【本题型共2道题】
1.道路路面的面层应具有()、()和平整、()、耐磨与()等表面特性。
A.足够的结构强度
B.稳定性
C.扩散应力
D.抗滑
E.低噪声
用户答案:[ABDE] 得分:20.00
2.以下那种情况下,应在基层下设置垫层?()
A.季节性冰冻地区的中湿或潮湿路段
B.地下水位高、排水不良,路基处于潮湿或过湿状态
C.岩石或填石路基
D.水文地质条件不良的土质路堑,路床土处于潮湿或过湿状态
用户答案:[ABD] 得分:20.00
三、判断题【本题型共2道题】
1.专用非机动车道、人行道土质路基压实度,可按主干路标准执行。
()
Y.对
N.错
用户答案:[N] 得分:20.00
2.在沥青面层各个沥青层中至少有两层应为密级配沥青混合料。
()
Y.对
N.错
用户答案:[N] 得分:20.00。
一、单选题【本题型共2道题】
1.填方路基应优先选用级配较好的研类土、砂类土等相粒土作为填科,填科最大粒径应小于( )。
A. 300mm
B. 250mm
C. 200mm
D. 150mm
用户答案:[D]得分:10.00
2.快速路和主干路路基顶面设计回弹模量值,不应小于( )。
A. 40мРа
B. 30MPа
C. 20МРа
D. 15MPa
用户答案: [B]得分:10.00
二、多选题【本题型共2道题】
1.以下那种情况下,应在基层下设置垫层? ( )
A.季节性冰冻地区的中湿或期湿路段
B.地下水位高、排水不良,路基处于就湿或过湿状态
C.岩石或境石路基
D.水文地质条件不良的土质路堑,路床土处于湖湿或过温状态
用户答案: [ABD]得分: 20.00
2.道路路面的面层应具有( )、( )和平整、( )、耐磨与( )等表面特性。
A.足够的结构强度
B.稳定性
C扩散应力
D.抗滑
E.低噪声
用户答案: [ARBDE]得分:20.00
三、判断题【本题型共2道题】
1·专用非机动车道、人行道土质路基压实度,可按主干路标准执行。
( )
Y.对
N.错
用户答案:[M]得分: 20.00
2路面设计应以双轮组单轴载100kN为标准轴载,以B22-100表示。
( )
Y.对
N.错
用户答案:[Y]得分:20.00。
城市道路工程设计规范最新版1总则1 总则1.0.1 为适应我国城市道路建设和发展的需要,规范城市道路工程设计,统一城市道路工程设计主要技术指标,指导城市道路专用标准的编制,制定本规范。
1.0.2 本规范适用于城市范围内新建和改建的各级城市道路设计。
1.0.3 城市道路工程设计应根据城市总体规划、城市综合交通规划、专项规划,考虑社会效益、环境效益与经济效益的协调统一,合理采用技术标准。
遵循和体现以人为本、资源节约、环境友好的设计原则。
1.0.4 城市道路工程设计除应符合本规范外,尚应符合国家现行有关标准的规定。
2术语和符号2.1 术语2.1 术语2.1.1 主路 main road快速路或主干路中与辅路分隔,供机动车快速通过的道路。
2.1.2 辅路 side road集散快速路或主干路交通,设置于主路两侧或一侧,单向或双向行驶交通,可间断或连续设置的道路。
2.1.3 设计速度 design speed道路几何设计(包括平曲线半径、纵坡、视距等)所采用的行车速度。
2.1.4 设计年限 design life包括确定路面宽度而采用的远期交通量的年限与为确定路面结构而采用的保证路面结构不需进行大修即可按预定目的使用的设计使用年限两种。
2.1.5 通行能力 traffic capacity在一定的道路和交通条件下,单位时间内道路上某一路段通过某一断面的最大交通流率。
2.1.6 服务水平 level of service衡量交通流运行条件及驾驶人和乘客所感受的服务质量的一项指标,通常根据交通量、速度、行驶时间、行驶(步行)自由度、交通中断、舒适和方便等指标确定。
2.1.7 彩色沥青混凝土路面 colorful asphalt concrete pavement脱色沥青与各种颜色石料或树脂类胶结料、色料和添加剂等材料在特定的温度下拌合形成的具有一定强度和路用性能的新型沥青混凝土路面。
2.1.8 降噪路面 reducing noise pavement具有减低轮胎和路面摩擦产生的噪声功能的路面。
都市道路交通规划设计规范(GB 50220—95)1 总则1.0.1 为了科学、合理地进行都市道路交通规划设计, 优化都市用地布局, 提高都市旳运转效能, 提供安全、高效、经济、舒适和低公害旳交通条件, 制定本规范。
1.0.2 本规范合用于全国各类都市旳都市道路交通规划设计。
1.0.3 都市道路交通规划应以市区内旳交通规划为主, 处理好市际交通与市内交通旳衔接、市域范围内旳城镇与中心都市旳交通联络。
1.0.4 都市道路交通规划必须以都市总体规划为基础, 满足土地使用对交通运送旳需求, 发挥都市道路交通对土地开发强度旳增进和制约作用。
1.0.5 都市道路交通规划应包括都市道路交通发展战略规划和都市道路交通综合网络规划两个构成部分。
1.0.6 都市道路交通发展战略规划应包括下列内容:1.0.6.1 确定交通发展目旳和水平;1.0.6.2 确定都市交通方式和交通构造;1.0.6.3 确定都市道路交通综合网络布局、都市对外交通和市内旳客货运设施旳选址和用地规模;1.0.6.4 提出实行都市道路交通规划过程中旳重要技术经济对策;1.0.6.5 提出有关交通发展政策和交通需求管理政策旳提议。
1.0.7 都市道路交通综合网络规划应包括下列内容:1.0.7.1 确定都市公共交通系统、多种交通旳衔接方式、大型公共换乘枢纽和公共交通场站设施旳分布和用地范围;1.0.7.2 确定各级都市道路红线宽度、横断面形式、重要交叉口旳形式和用地范围, 以及广场、公共停车场、桥梁、渡口旳位置和用地范围;1.0.7.3 平衡多种交通方式旳运送能力和运量;1.0.7.4 对网络规划方案作技术经济评估;1.0.7.5 提出分期建设与交通建设项目排序旳提议。
1.0.8 都市客运交通应按照市场经济旳规律, 结合都市社会经济发展水平, 优先发展公共交通, 构成公共交通、个体交通优势互补旳多种方式客运网络, 减少市民出行时耗。
1.0.9 都市货运交通宜向社会化、专业化、集装化旳联合运送方式发展。
目次1总则 (1)2术语和符号 (2)2.1术语 (2)2.2符号 (3)3基本规定 (8)3.1一般规定 (8)3.2设计要素 (8)4路基、垫层与基层 (14)4.1 路基 (14)4.2 垫层 (14)4.3 基层 (14)5沥青路面 (18)5.1一般规定 (18)5.2沥青面层类型与材料 (18)5.3沥青路面结构组合设计 (21)5.4新建路面结构设计指标与要求 (23)5.5新建路面结构层的计算 (26)5.6加铺路面设计 (29)6水泥混凝土路面 (34)6.1一般规定 (34)6.2设计指标与要求 (34)6.3结构组合设计 (35)6.4面层材料 (36)6.5路面结构计算 (38)6.6面层配筋设计 (44)6.7接缝设计 (49)6.8加铺层结构设计 (53)7砌块路面 (57)7.1一般规定 (57)7.2砌块材料技术要求 (57)7.3结构层与结构组合 (59)7.4结构层计算 (60)8其它路面 (62)8.1透水人行道 (62)8.2桥面铺装 (62)8.3隧道路面铺装 (63)9路面排水 (64)9.1一般规定 (64)9.2路面排水设计 (64)9.3.路面内部排水 (66)9.4分隔带排水 (67)9.5交叉口范围路面排水 (67)9.6桥面排水 (67)附录A 沥青路面使用性能气候分区 (68)附录B 沥青混合料级配组成、沥青表面处治材料规格和用量 (70)附录C 沥青路面设计参数参考值 (73)附录D 水泥路面设计参数参考值 (75)附录E 沥青混合料单轴贯入抗剪强度试验方法 (76)附录F 沥青混合料单轴压缩动态回弹模量试验方法 (78)本规范用词说明 (81)附:条文说明 (82)2 术语和符号2.1 术语2.1.1沥青路面asphalt pavement铺筑沥青面层的路面。
2.1.2容许剪应力allowable shear stress沥青混合料的抗剪强度与抗剪强度结构系数之比。
城市道路工程设计规范最新版1.0.1为适应我国城市道路建设和发展的需要,规范城市道路工程设计,统一城市道路工程设计主要技术指标,指导城市道路专用标准的编制,制左本规范。
1.0.2本规范适用于城市范国内新建和改建的各级城市道路设汁。
1.0.3城市道路工程设讣应根据城市总体规划、城市综合交通规划、专项规划,考虑社会效益、环境效益与经济效益的协调统一,合理采用技术标准。
遵循和体现以人为本、资源肖约、环境友好的设计原则。
1.0.4城市道路工程设计除应符合本规范外,尚应符合国家现行有关标准的规定。
2.1术语2・1术语2. 1. 1 主路main road快速路或主干路中与辅路分隔,供机动车快速通过的道路。
2. 1.2 辅路side road集散快速路或主干路交通,设置于主路两侧或一侧,单向或双向行驶交通,可间断或连续设置的道路。
2. 1. 3 设计速度design speed道路几何设计(包括平曲线半径、纵坡、视距等)所釆用的行车速度。
2. 1.4 设计年限design life包括确左路而宽度而采用的远期交通量的年限与为确定路而结构而采用的保证路面结构不需进行大修即可按预定目的使用的设计使用年限两种。
2. 1. 5 通行能力traffic capacity在一泄的道路和交通条件下,单位时间内道路上某一路段通过某一断而的最大交通流率。
2. 1. 6 服务水平level of service衡量交通流运行条件及驾驶人和乘客所感受的服务质量的一项指标,通常根据交通量、速度、行驶时间、行驶(步行)自由度、交通中断、舒适和方便等指标确定。
2. 1. 7 彩色沥青混凝土路而colorful asphalt concrete pavement脱色沥青与各种颜色石料或树脂类胶结料、色料和添加剂等材料在特N的温度下拌合形成的具有一定强度和路用性能的新型沥青混凝土路而。
2. 1. 8 降噪路面reducing noise pavement具有减低轮胎和路而摩擦产生的噪声功能的路而。
城市道路路基设计规范100
一、单选题【本题型共2道题】
1.强膨胀土、泥炭、淤泥、有机质土、冻土(及含冰的土)、易溶盐超过允许含量的土以及液限大于50%、塑性指数大于()的细粒土等,不得直接用于填筑路基。
A.26
B.28
C.30
D.32
用户答案:[A] 得分:20.00
2.路床填料最大粒径应小于()。
A.250mm
B.200mm
C.150mm
D.100mm
用户答案:[D] 得分:20.00
二、多选题【本题型共1道题】
1.路基设计应保证路基()。
A.足够的强度
B.稳定性
C.抗变形能力
D.抗滑能力
E.耐久性
用户答案:[ABCE] 得分:20.00
三、判断题【本题型共2道题】
1.快速路的机动车道内严禁设置管道检查井。
()
Y.对
N.错
用户答案:[Y] 得分:20.00
2.专用非机动车道、人行道土质路基压实度,可按主干路标准执行。
()
Y.对
N.错
用户答案:[N] 得分:20.00。
车辆轴型3.2.3 沥青路面轴载换算和设计交通量1 沥青路面以设计弯沉值、沥青层剪应力和沥青层层底拉应变为设计指标时, 各种轴载换算成标准轴载P的当量作用次数Na(3.2.3-1)式中:N a——以设计弯沉值、沥青层剪应力和沥青层层底拉应变为设计指标时的当量轴次(次/d);——被换算车型的轴数系数;——被换算车型的轮组系数,单轮组为=1+2——设计车道分布系数。
或或——单轴——轴双轮组吋,=1式中:——水泥混凝土路面设计车道使用初期的当量轴载日作用次数(次——水泥混凝土路面临界荷位处的车辆轮迹横向分布系数,按表车辆轮迹横向分布系数()累计当量轴次标准轴截累计作用次数(万次)4 路基、垫层与基层4. 1 路基4.1.1 路基应稳定、密实、均质,具有足够的强度、稳定性、抗变形能力和耐久性。
4.1.2 路基设计应符合下列规定:1 在不利季节,路基顶面设计回弹模量值,对快速路和主干路应不小于30MPa;对次干路和支路不小于20MPa。
当不能满足上述要求时,应采取措施,提高路基的回弹模量。
4.3.1基层可采用刚性、半刚性或柔性材料。
沥青路面再生技术指对不能满足使用要求的沥青路面废料通过各种措施进行处理后重新利用的技术,包括对旧沥青路面进行翻挖、破碎、筛分,再和新集料、胶结料、再生剂重新混合,形成具有预期路用性能的混合料。
沥青路面材料的再生利用厂拌热再生厂拌热再生技术先将旧沥青路面破除后运回工厂,通过破碎、筛分分类,并根据旧料中沥青含量、沥青老化程度、碎石级配等指标,掺入一定数量的新集料、沥青和再生剂进行拌和,使混合料达到规范规定的各项指标。
现场热再生现场热再生(HIR)也可称为就地热再生,主要用于矫正或处理路表病害而不移除原路面材料。
目前,国内外应用较普遍的现场热再生技术有三类,即热翻松、重拌和处理和重铺处理。
厂拌冷再生先将破除旧沥青路面材料运回搅拌厂,经过破碎作为稳定骨料,加入水泥或石灰、粉煤灰、乳化沥青、泡沫沥青等一种或多种稳定剂和新料进行搅拌,然后铺筑于基层。
城镇道路路面设计规范 100
一、单选题 【本题型共2道题】
1.快速路和主干路路基顶面设计回弹模量值,不应小于( )。
A .40MPa
B .30MPa
C .20MPa
D .15MPa
用户答案:[B] 得分:
10.00
2.AC 混合料路面厚度不宜小于混合料公称最大粒径的( )倍。
A
.4倍
B .3.5倍
C .3倍
D .2.5倍
用户答案:[C] 得分:10.00
二、多选题 【本题型共2道题】
1.道路路面的面层应具有( )、( )和平整、( )、耐磨与(
)等表面特性。
A .足够的结构强度
B .稳定性
C .扩散应力
D .抗滑
E .低噪声
用户答案:[ABDE] 得分:20.00
2.以下那种情况下,应在基层下设置垫层?( )
A.季节性冰冻地区的中湿或潮湿路段
B.地下水位高、排水不良,路基处于潮湿或过湿状态
C.岩石或填石路基
D.水文地质条件不良的土质路堑,路床土处于潮湿或过湿状态
用户答案:[ABD] 得分:20.00
三、判断题【本题型共2道题】
1.在沥青面层各个沥青层中至少有两层应为密级配沥青混合料。
()
Y.对
N.错
用户答案:[N] 得分:20.00
2.路面设计应以双轮组单轴载100kN为标准轴载, 以BZZ-100表示。
()
Y.对
N.错
用户答案:[Y] 得分:20.00。