轴系结构设计实验指导与参考答案图
- 格式:doc
- 大小:4.37 MB
- 文档页数:14
实验四轴系结构设计与分析实验实验1轴系结构设计实验指导书一、实验目的熟悉并掌握轴系结构设计中有关轴的结构设计、滚动轴承组合设计的基本方法。
二、实验设备1、创意组合式轴系结构设计与分析实验箱。
实验箱由8类40种168件零件组成,能方便的组合出数十种轴系结构方案。
具有开设轴系结构设计和轴系结构分析两大项实验功能,对培养和提高学生的机械设计能力、机械结构能力及机构创新能力的具有明显的效果。
2、绘图工具铅笔、三角板等。
三、实验内容与要求1、指导教师根据下表可以选择性安排每组的实验内容( 实验题号)或学生自行确定实验方案。
2、进行轴的结构设计与滚动轴承组合设计。
每组学生根据实验题号的要求,进行轴系结构设计,解决轴承类型选择,轴上零件定位固定轴承安装与调节、润滑及密封等问题。
3、绘制轴系结构装配图。
4、每人编写实验报告一份。
四、实验步骤1、明确实验内容,理解设计要求。
2、复习有关轴的结构设计与轴承组合设计的内容与方法(参看教材有关章节)。
3、构思轴系结构方案(1)根据齿轮类型选择滚动轴承型号。
(2)确定支承轴向固定方式(两端固定;一端固定、一端游动)。
(3)根据齿轮圆周速度(高、中、低)确定轴承润滑方式(脂润滑、油润滑)。
(4)选择轴承端盖形式(凸缘式、嵌入式)并考虑透盖处密封方式(毡圈、皮碗、油沟等)。
(5)考虑轴上零件的定位与固定,轴承间隙调整等问题。
(6)绘制轴系结构方案示意图。
4、组装轴系部件根据轴系结构方案,从实验箱中选取合适零件并组装成轴系部件、检查所设计组装的轴系结构是否正确。
5、绘制轴系结构草图。
6、将所有零件放入实验箱内的规定位置。
7、写出实验报告。
班级:日期:实验目的实验内容实验题号已知条件实验结果轴系结构装配图(附3号图)轴系结构设计说明(说明轴上零件的定位固定,滚动轴承的安装、调整、润滑与密封方法)实验2轴系结构分析实验指导书实验目的熟悉并掌握轴、轴上零件的结构形状及功用、工艺要求和装配关系;熟悉并掌握轴及轴上零件的定位与固定方法;了解轴承的类型、布置、安装及调整方法,以及润滑和密封方式。
轴的结构设计作业(5)1、图中为用一对角接触球轴承支承的轴系部件,轴承外圈窄边相对安装。
试按示例○I所示找出其他错误(不少于7处)。
注:不考虑轴承润滑、倒角和圆角;示例:○I—缺少调整垫片。
②此处不需用键联接;③转动件与静止件直接接触;④此处应有密封;⑤精加工面过长,不便于轴承装拆;⑥套筒厚度太大,轴承无法拆卸;⑦轴段的长度与轮毂宽度一样长,套筒顶不住齿轮;⑧右端轴承无轴向固定。
2、分析图示轴系结构设计的错误,用数字标出并说明错误原因。
注:不考虑轴承润滑、倒角和圆角。
示例:①—右端端盖与箱体间缺少调整垫片,无法调整轴承间隙(2)角接触球轴承单个使用;(3)左端轴承处轴肩过高,轴承无法拆卸(4)齿轮周向定位键过长,套筒无法装入(5)套筒项不住齿轮(6)轴伸与透盖直接接触(7)透盖无密封(8)左端端盖与箱体端面之间无垫片.无法调整轴承的游隙(9)联轴器周向未固定(10)联轴器轴向未固定(11)轴右端精加工面过长.装配轴承不便(12)箱体端面的加工面与非加工面没有分开3分析图示齿轮轴轴系结构设计的错误,用数字标出并说明错误原因,至少10处。
数字标注与说明不匹配不得分。
(注:不考虑轴承润滑、倒角和圆角)。
1.左(右)端盖与箱体端面之间无调整垫片2.左边轴承定位轴肩高于轴承内圈3.齿轮周向定位键过长,套筒无法装入4.套筒顶不住齿轮5.右边轴承定位轴肩高于轴承内圈6.轴伸与透盖直接接触7.透盖无密封8.轴右端精加工面过长.装配轴承不便9.联轴器轴向和端盖接触10.联轴器无键槽,无法装入11.两个键应布置在同一水平线上12.最右边挡圈和轴端接触,不一定能固定联轴器8、试分析齿轮、轴、轴承部件组合设计的错误结构,并改正之。
齿轮用油润滑,轴承用脂润滑1.轴承盖和轴见有间隙,且有密封毡圈。
2.套筒高度太高,无法拆轴承,厚度应低于轴承内圈高度。
3.与之论配合的轴段应短于轮毂长度,确保套筒压住齿轮端面。
4.半联轴器在轴上没有轴向定位,且配合轴径长度应比半联轴器孔长短1~2mm。
轴系结构组合设计Ⅰ. 简要说明Ⅱ. 实验指导书Ⅲ. 实验报告Ⅰ. 简要说明技能楼9509实验室在2010年10月间购进了两箱组合轴系结构设计实验箱,该实验箱可开设轴系结构设计和轴系结构分析两大实验功能。
实验箱由8类40种120件零件组成,内有齿轮轴、蜗杆轴和不同结构形状的阶梯轴等轴类零件,齿轮、带轮、联轴器、轴承座、端盖、套杯、套筒等轴上零件,轴承、圆螺母、轴端挡圈、止动垫圈、轴用弹性挡圈、螺钉、螺母等标准件,连接件、支承座类等零件,零件材料为全铝合金,加工精密。
实验零件能方便地组合出数十种轴系结构方案,具有内容多样的特点,每一实验箱可供4-6人使用。
实验箱与实验指导书和折装工具可开设轴系机构创意设计实验,轴系机构模拟设计实验,轴系机构分析实验,轴系零件测绘实验等实验课程,对培养学生的机械设计能力将有明显的提高。
以下是使用实验零件组合成的轴系结构示例:Ⅱ. 实验指导书【机械设计基础实验】实验四:轴系结构组合设计一.实验目的1.熟悉和掌握轴的结构与其设计,弄懂轴及轴上零件的结构形状及功能、工艺要求和装配关系。
2.熟悉并掌握轴及轴上零件的定位与固定方法。
3.熟悉和掌握轴系结构设计的要求与常用轴系结构。
4.了解轴承的类型、布置、安装及调整方法,以及润滑和密封方式。
二.实验原理任何回转机械都具有轴系结构,因而轴系结构设计是机器设计中最丰富、最需具有创新意识的内容之一,轴系性能的优劣直接决定了机器的性能与使用寿命。
由于轴承的类型很多,轴上零件的定位与固定方式多样,具体轴系的种类很多。
概括起来主要有:(1)两端单向固定结构;(2)一端双向固定、一端游动结构;(3)两端游动结构(一般用于人字齿轮传动中的一根轴系结构设计)。
如何根据轴的回转转速、轴上零件的受力情况,决定轴承的类型;再根据机器的工作环境决定轴系的总体结构;轴上零件的轴向定位与固定、周向的固定来设计机器的轴系,是机器设计的重要环节。
为了设计出适合于机器的轴系,有必要熟悉常见的轴系结构,在此基础上才能设计出正确的轴系结构,为机器的正确设计提供核心的技术支持。
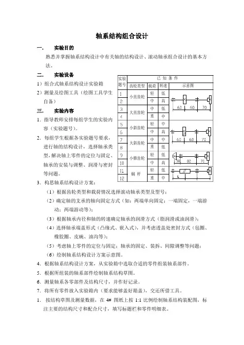
轴系结构组合设计
一. 实验目的
法。
二. 实验设备
12自备) 三. 实验内容
1容(实验题号)2型,等问题。
3 (1 (2)确定轴的支承的轴向固定方式(如:两端单向固定;一端固定,一端游
动;两端游动等);
(3)根据轴承内径和轴的转速确定轴承的润滑方式(脂润滑或油润滑); (4)选择轴承端盖形式(凸缘式、嵌入式),并考虑透盖处密封方式(毡圈、
橡胶圈、皮碗、油沟等);
(5)考虑轴上零件的定位与固定;轴承的固定、装拆、间隙调整等问题; (6)绘制轴系结构设计方案示意图。
4.根据轴系结构设计方案,从实验箱中选取合适的零件组装轴系部件。
5.根据所组装的轴系部件绘制轴系结构草图。
6.测量轴系各零部件及结构尺寸,并作好记录。
7.将所有零件放入实验箱内(要求能够盖好箱盖),交还所借工具。
1. 按结构草图及测量数据,在4# 图纸上按1:1比例绘制轴系结构装配图,标注主要的结构尺寸和配合尺寸,填写标题栏和零件明细表。
五.实验报告
每人编写实验报告一份,格式自定,内容包括:①实验目的、实验题号、已知条件;②附轴系结构装配图(4#图纸)③设计说明(说明轴系各零件定位固定、安装调整、润滑密封的方法及设计依据)。
实验三轴系设计分析实验一、实验目的和要求(1)熟悉常用轴系零部件的结构及功能;(2)掌握轴系结构设计基本要求;二、主要仪器设备(1)轴系实验箱(2)工具:钢板尺、内外卡钳、铅笔、三角板等三、实验原理圈骨架式密封将传动部件中需要润滑的部件与出力部件隔离,不至于让润滑油渗漏,通常用于旋转轴,是一种旋转轴唇密封。
毛毡式密封富有弹性,可作为防震、密封,组织紧密,孔隙小,可作为良好的过滤材料。
甩油环+密封件用在轴承或齿轮的润滑。
四、实验内容及实验数据记录1.选择的轴系部件设计实验方案进行认真分析;2.根据轴系部件设计实验方案从实验箱中选择相应的零件实物,按装配工艺要求顺序装到轴上,完成轴系部件结构设计。
3.安装完成后检查轴承结构是否合理,并对不合理结构提出修改方案。
4.完成装配草图。
草图如下:五、轴系部件结构分析(1)轴系支点的轴向固定结构选择、特点及应用场合➢两端单向固定结构适用于温升不高的短轴。
为补偿轴的热伸长,对于深沟球轴承,在一端轴承外圈和端盖之间应留有一定间隙,对于角接触轴承,安装时应在轴承内部留有适当轴向游隙。
➢一端固定,一端游动的结构适用于温度变化较大,支点距离较大的长轴。
➢两端游动结构适用于要求轴做双方向的轴向游动,而其轴向工作位置靠轴上传动件本身的限位作用来保证的情况。
(2)轴滚动轴承类型、选择原因及组合方式载荷较大时应选用线接触的滚子轴承;承受纯轴向载荷时选用推力轴承;主要承受径向载荷时应选用深沟球抽承,同时承受径向和轴向载荷时应选择角接触轴承;当轴向载荷比径向绒荷大很多时,常用推力轴承和深沟球轴承的组合结构;承受冲击载荷时宜选用滚子轴承。
转速高时.应采用点接触的球轴承,转速更高时,可采用超轻或特轻系列的轴承。
当轴承的结构尺寸、精度相同时,球轴承比滚子轴承径向间隙小。
在支点跨距大或难以保证两轴承孔的同轴度时,应选抒调心轴承。
具有调心性能的滚动轴承必须在轴的两端成对使用。
如果一端采用调心轴承,另一端使用不能调心的轴承,则不能起调心作用。
组合轴系结构设计实验(设计性实验)一、实验目的:1.了解轴和轴承部件结构。
2.掌握不同转速、载荷、的传动零件轴系结构的设计方法。
3.加深理解轴上零件的安装固定润滑密封的各种方法。
二、实验设备:组合式轴系结构设计实验箱本实验箱内共有传动零件、连接零件、密封件、润滑零件、轴承等8类40 种100多件零件。
具体见下表:三、实验步骤:1.根据实验指导书上提供的原始条件(如齿轮类型、载荷、转速、结构要求等)、自行选择合适的传动零件。
2.根据轴系结构设计的思路进行模拟设计及装配。
①确定传动零件的轴上固定方法、支撑方式、润滑方式。
②根据设计思路选择合适的零件组装成轴系结构。
50③将组装好的轴系结构交指导老师检查。
3.在装配好的基础上绘制出轴系部件装配图。
(至少完成五种组合轴系结构图)四、实验内容、原始条件:* 该实验为考核性实验,要求学生在规定的时间内自行完成实验内容要求,方法步骤自定。
五、实验结果分析讨论1.轴作成阶梯形状的目的主要是和。
2.轴外伸端轴承内圈的轴向定位方法有、外圈轴向定位方法有,他与轴采用配合。
3.轴承型号7204属于类型,轴承周向定位方法是,它采用作润滑剂,其密封方式是,轴承轴向间隙用调整。
4.齿轮与其配合的轴采用配合,周向用固定。
5.齿轮的轴向定位方法是,而周向的定位方法是,他的轮毂宽度B与配合的轴的长度L要满足条件,齿轮内孔倒角C1与配合轴肩处的圆角R1要满足的条件。
6.轴系部件在箱体上采用定位,用和固定,其位置调整用。
51。
轴系零件结构设计实验
轴系零件结构设计是机械工程学中的重要实验之一,其目的是通过对不同的零件结构
进行设计、制造和测试,以从理论上和实践上理解和掌握轴系的基本原理和性能。
本实验分为以下几个步骤:
1、材料准备:为了保证实验结果的准确性和可靠性,需要选用高质量的材料,如高
强度钢、铜、铝等。
2、设计:根据轴系的要求,进行结构设计。
在设计中,需要考虑轴的应力、变形、
强度、硬度和耐热性等因素,同时还需要考虑生产工艺和运作环境等因素。
3、制造:根据设计方案,进行加工、装配和调试。
在制造过程中,需要保证加工精
度和表面质量,避免出现裂纹、划痕等不良情况。
4、测试:采用拉伸、弯曲、扭转、抗疲劳等实验方法进行测试,以验证轴系零件结
构设计的性能。
通过数据实验,得出性能和强度曲线等,可以对轴系进行进一步分析和改进。
通过轴系零件结构设计实验的学习,可以让学生深入理解轴系的工作原理和结构特点,提高工程设计和制造的能力,培养工程实践操作技能,为日后从事相关工作培养专业素养
和能力。
轴系结构设计与分析实验指导书徐双满洪建平编王青温审机械工程实验教学中心2011年2月轴系结构设计与分析实验指导书一、工程应用与问题的提出轴系结构是机械系统的重要组成部分,也是机械设计课程教学的重点内容。
由于轴系结构设计涉及的加工工艺、装配工艺方面的问题较多,实践性较强。
为提高教学质量,强化轴系结构设计能力的训练,开展轴系结构设计实验是很有必要的。
任何回转机械大多都有轴系结构,轴系结构设计在机械设计中很重要,如何根据轴的回转要求、决定轴系组成及支撑解决方案;根据功能要求决定轴系的总体组成结构;轴上零件的轴向定位、周向定位设计,是机械设计的重要环节。
为了设计出合理的的轴系,有必要熟悉常见的轴系结构。
通过实验可以熟悉和掌握轴的结构和轴承组合结构设计的基本要求,不仅加深对课堂上所学知识的理解与记忆,还可以对同学进行技法训练,培养工程实践技能,为后面的综合课程设计训练打好基础,还可以培养同学的创新意识。
上图1所示为一典型的轴系组成结构示意图例。
二.实验目的1.深入了解及认识轴系部件的结构形式,熟悉零件的结构形状、工艺、作用;2.熟悉和掌握轴的结构设计和轴承组合设计的基本要求和设计方法;3.对所设计的组成方案,进行组装与测绘等操作的动手技能的训练。
三.实验设备与工具1.组合式轴系结构设计分析实验箱实验箱所提供的零件,能进行圆柱齿轮轴系,小圆锥齿轮轴系及蜗杆轴系结构设计,实验箱内有齿轮类、轴类、套筒类、端盖类、支座类、轴承类及连接件等8类100多个零件,见表1、表2。
300mm钢板尺、游标卡尺、内外卡钳、铅笔、三角板、活扳手、小橡胶锤等。
四.实验要求及方法1.了解轴系系统的组成熟悉轴向、周向定位的常见方法,对照实物研究零件的各部位名称与功能特点。
2.设计方案及操作每名同学从所给出的4项轴系功能题目中选择不少于2项,并完成零件的选择、组成方案的初步设计、修改与优化、组装、必要的测绘等操作。
根据所给硬件及设计方案,现场作出设计草案;提出轴系组成方案,组合出合理的轴系部件。
实验二、轴系结构设计实验一、实验目的1熟悉常用轴系零部件的结构;2、掌握轴的结构设计基本要求;3、掌握轴承组合结构设计的基本方法。
二、实验设备①各种轴;②轴上零件:齿轮、蜗杆、带轮、联轴器、轴承、轴承座、端盖、套杯、套筒、圆螺母、止退垫圈、轴端挡板、轴用弹性垫圈、孔用弹性垫圈、螺钉、螺母等。
③工具包括活搬手、游标卡尺、胀钳。
④铅笔、三角尺等绘图工具自备。
三、概述轴系结构是机械的重要组成部分,也是机械设计课程的核心教学内容。
由于轴系结构设计的问题多、实践性强、灵活性大,因此既是教师讲授的难点,也是学生学习中最不易掌握的内容。
本实验通过学生自己动手,经过装配、调整、拆卸等全过程,不仅可以增强学生对轴系零部件结构的感性认识,还能帮助学生深入理解轴的结构设计、轴承组合结构设计的基本要领,达到提高设计能力和工程实践能力的目的。
四、实验内容1每组同学根据轴系简图装配轴系部件;2、分析并测绘部件,在简图上标出零、部件尺寸;3、编写实验报告,并画出轴系部件装配草图。
五、实验步骤①根据轴系结构设计装配草图,选择相应的零件实物,按装配工艺要求顺序装在轴上,完成轴系结构设计;②分析轴系结构方案的合理性。
分析时应考虑以下问题:a.轴上各键槽是否在同一条母线上;b.轴上各零件是否处于指定位置;c.轴上各零件的轴向、周向固定是否合理、可靠,如防松、轴承拆卸等;d.轴系能否实现回转运动,运动是否灵活;e.轴系沿轴线方向的位置是否确定,轴向力能否传到机座上;f.轴系的轴向位置是否需要调整,需要时,如何调整。
③在确认实际装配结构无误时,测绘各零件的实际尺寸(底板不测绘,轴承座只测量轴向宽度);④将实验零件放回箱内,排列整齐,工具放回原处;⑤在实验报告上,按1 :1比例完成轴系结构装配图(只标出各段轴的直径和长度,公差配合及其余尺寸不标注,零件序号、标题栏可省略)。
注意:因实验条件限制,本实验忽略过盈配合的松紧程度、轴肩过渡圆角及润滑等问题。
轴系结构设计实验报告答案轴系结构设计实验报告答案引言:轴系结构设计是工程领域中的重要课题,它涉及到机械工程、土木工程、航空航天工程等多个领域。
本实验旨在通过对轴系结构设计的实验研究,探索轴系结构的设计原理和优化方法,以提高轴系结构的性能和可靠性。
一、实验目的本实验的主要目的是通过对轴系结构的设计和测试,掌握轴系结构的设计原理和优化方法,以及相关实验技术。
具体目标包括:1. 理解轴系结构的基本原理和设计要求;2. 掌握轴系结构设计的基本步骤和方法;3. 了解轴系结构的性能测试方法和数据分析技术。
二、实验原理轴系结构是由轴、轴承、联轴器和传动装置等组成的机械传动系统。
它的设计目标是实现传递扭矩和转速的稳定和可靠。
轴系结构的设计原理主要包括以下几个方面:1. 轴的选材和尺寸设计:轴的选材要求具有足够的强度和刚度,同时考虑到轴的重量和成本等因素。
轴的尺寸设计要满足承受扭矩和转速的要求。
2. 轴承的选型和布置:轴承的选型要考虑到轴的转速、负荷和工作环境等因素。
轴承的布置要保证轴的旋转平稳和轴向移动的自由度。
3. 联轴器的选择和设计:联轴器的选择要考虑到轴的转速、转矩和轴向位移等因素。
联轴器的设计要满足传递扭矩和转速的要求。
4. 传动装置的设计:传动装置的设计要满足轴的转速和扭矩的要求,同时考虑到传动效率和传动比等因素。
三、实验步骤1. 确定轴的工作条件:根据轴的应用场景和工作要求,确定轴的转速、转矩和工作环境等参数。
2. 选择轴的材料:根据轴的工作条件和要求,选择合适的材料,如钢、铝合金等。
3. 计算轴的尺寸:根据轴的工作条件和材料的力学性能,计算轴的尺寸,如直径、长度等。
4. 选择轴承:根据轴的转速、转矩和工作环境等参数,选择合适的轴承,如滚动轴承、滑动轴承等。
5. 设计轴承的布置:根据轴的工作条件和轴承的要求,设计轴承的布置方式,如前后轴承、径向轴承等。
6. 选择联轴器:根据轴的转速、转矩和轴向位移等参数,选择合适的联轴器,如弹性联轴器、齿轮联轴器等。
轴系结构设计实验报告一、实验目的本实验旨在让学生通过设计轴系结构,掌握轴系结构的设计方法和技巧,了解轴系结构的基本原理,并能够进行轴系结构的计算和分析。
二、实验原理1. 轴系结构的基本概念轴系结构是由若干个轴承、联接件、传动件等组成的机械传动系统。
它主要用于将旋转运动转化为直线运动或者将直线运动转化为旋转运动。
2. 轴系结构的设计方法(1)确定传递功率和转速(2)选择合适的电机和减速器(3)根据传递功率和转速确定轴承类型和尺寸(4)设计联接件和传动件,保证其强度和刚度满足要求(5)进行轴系结构的计算和分析,检查其可靠性。
三、实验内容及步骤1. 实验材料准备:电机、减速器、联接件、传动件等。
2. 实验步骤:(1)确定传递功率和转速,选择合适的电机和减速器。
(2)根据传递功率和转速确定轴承类型和尺寸。
(3)设计联接件和传动件,保证其强度和刚度满足要求。
(4)进行轴系结构的计算和分析,检查其可靠性。
(5)制作轴系结构样品,进行实验验证。
四、实验结果及分析1. 实验结果:通过实验,我们成功地设计了一台轴系结构,将电机的旋转运动转化为直线运动,并且能够顺利地传递功率和转速。
在实验过程中,我们还发现了一些问题,并进行了相应的调整和改进。
2. 结果分析:通过本次实验,我们深入了解了轴系结构的设计方法和技巧,并掌握了轴系结构的基本原理。
同时,在实际操作中,我们也发现了一些问题并进行了相应的调整和改进。
这不仅增加了我们对机械传动系统的认识,也提高了我们解决问题的能力。
五、实验总结通过本次实验,我们不仅学习到了轴系结构的基本原理和设计方法,还掌握了相关工具的使用技巧。
同时,在实际操作中遇到问题时,我们也学会了如何快速定位并解决问题。
这对于以后从事机械制造行业有着非常重要的意义。
轴系结构分析与测绘实验指导书一、实验预习:阅读《机械设计》教材中有关轴与滚动轴承设计的内容。
二、实验目的:1、熟悉轴的结构和滚动轴承组合设计的典型结构;2、了解轴及轴上零件的结构形状及作用、工艺要求和装配关系;3、了解轴及轴上零件的定位与固定方法;4、培养分析与测绘能力。
三、实验设备:1、分析、测绘对象:1/4剖开的轴系典型结构部件模型14种;(见所附照片)2、测绘工具:300mm钢尺、游标卡尺、内、外卡尺;3、学生自备:铅笔、三角板、绘图仪器、A3白纸若干。
四、实验原理:为了保证滚动轴承工作可靠并达到预期寿命以及整个轴系的正常工作,除了应正确选择轴承的类型和尺寸外,还应正确设计轴承组合。
轴承组合设计的主要内容是正确解决轴承的布置、安装、拆卸、配合、定位、紧固、调整、润滑和密封等问题。
通过拆装,了解传动装置中各轴承部件的组合设计特点、固定方法与调整过程,进一步掌握轴的结构设计的一般原理及轴上零件的定位、固定、合理拆装方法与顺序。
培养分析、判断和正确设计轴系部件的能力。
根据教具,仔细观察、分析轴上零、部件结构特点,按合理的拆装顺序逐一拆卸和安装,并绘出草图。
五、实验步骤:1、仔细观察轴上的零件的结构形状,尺寸大小,装配关系;2、用手转动轴,通过分析,确定轴承组合设计中轴承轴向固定方式;3、判断所测绘的轴系部件模型中滚动轴承的类型;4、在了解所测绘的轴系部件的结构特点后,进行测量,对照实物,先画出装配草图,再绘出轴系结构的正式装配图(可以CAD图);5、装配轴系部件,使其恢复原状;6、针对所测绘轴系结构进行分析。
六、实验要求:1、一人一组;2、先绘出装配草图,然后绘制正式装配图一张(大约按1:1绘图)。
草图和正式装配图均要交;3、正式装配图要求:图样画法应符合机械制图国家标准;可不标尺寸,但相互有配合的零件表面之间注上配合尺寸线;给出个零件序号,写出标题栏和明细表;4、对于难以测量的有关尺寸,允许根据实物相对大小和结构关系估算出来,或利用标准查出来;5、分析报告:不少于150字,书写在A4打印纸上从以下几方面进行分析(参考):a)你所测绘的轴系部件中,轴上有哪几个零件,作用各是什么;b)轴上零件的定位与固定方式;c)轴承的选择与配置情况(轴承的类型、型号、支承方式等);d)轴承润滑方式;e)轴系的密封方法;f)你所测绘的轴系部件,原设计在结构上有无错误或不足之处,若有应如何改进。
实验二轴系结构设计实验一、实验目的1.通过实验学习并掌握轴系结构设计的基本原理和方法。
2.利用MATLAB软件进行轴系的结构设计,并掌握MATLAB软件的基本操作方法。
3.实践培养学生的工程实际应用能力和问题解决能力。
二、实验原理轴系是由不同的轴件组成的一种机械传动装置,用于传递功率和动力。
轴系结构设计是指为满足特定工况和设计要求,选择适当的轴材料、直径和长度,以及确定轴上的连接方式和支撑方式的过程。
轴系结构设计需要考虑一系列因素,包括承载能力、刚度要求、传动扭矩等。
实验流程:1.根据给定的传动方式(联轴器、齿轮、皮带等),确定轴系的输入和输出位置。
2.确定轴系的输入功率、传递扭矩等参数。
3.使用MATLAB软件进行轴系结构设计。
4.根据设计结果,选择合适的轴材料、直径和长度,确定轴上的连接方式和支撑方式。
5.绘制轴系结构的图纸。
三、实验设备与材料1.计算机2.MATLAB软件3.原理图纸4.轴材料:钢材四、实验步骤1.在MATLAB软件中创建一个新的工程文件,命名为“轴系结构设计实验”。
2.根据实际情况,确定轴系的输入和输出位置,并在MATLAB中绘制轴系的原理图。
3.根据实验条件,确定轴系的输入功率、传递扭矩等参数,并在MATLAB中输入这些参数。
4.使用MATLAB的计算工具,计算轴系的承载能力和刚度要求。
5.根据计算结果,选择合适的轴材料、直径和长度,并在MATLAB中进行相应的计算。
6.根据设计结果,确定轴上的连接方式和支撑方式,并在MATLAB中进行相应的计算。
7.将设计结果导出为图纸,保存为DWG或DXF格式。
8.检查设计结果,确认无误后打印出轴系结构的图纸。
五、实验注意事项1.进行实验前,需要熟悉MATLAB软件的基本操作方法。
2.实验时,应准确输入轴系的输入功率、传递扭矩等参数。
3.设计结果应符合实际情况和实验要求。
4.实验结束后,应将结果进行检查和确认。
六、实验结果分析实验中获得的轴系结构设计结果应符合实际条件和设计要求。
一、实验目的1. 熟悉轴系结构设计的基本原理和方法。
2. 掌握轴、轴承和轴上零件的结构特点及装配关系。
3. 学会轴系结构设计的计算和绘图方法。
4. 培养实际操作能力和工程意识。
二、实验内容1. 实验原理与计算(1)轴的结构设计:根据轴的受力情况,确定轴的材料、直径、长度和形状。
(2)轴承组合设计:根据轴的转速、载荷和润滑条件,选择合适的轴承类型、型号和安装方式。
(3)轴上零件的固定:根据轴上零件的类型和用途,选择合适的固定方法。
2. 实验步骤(1)分析轴的受力情况,确定轴的材料和直径。
(2)根据轴的转速、载荷和润滑条件,选择合适的轴承类型和型号。
(3)设计轴承组合结构,包括轴承的安装方式、轴向定位和轴向固定。
(4)选择轴上零件的固定方法,并绘制装配图。
三、实验过程1. 分析轴的受力情况(1)根据实验要求,确定轴的转速、载荷和转速范围。
(2)根据转速和载荷,选择合适的材料。
(3)计算轴的直径,满足强度、刚度和稳定性要求。
2. 选择轴承类型和型号(1)根据转速、载荷和润滑条件,选择合适的轴承类型。
(2)根据轴承类型,选择合适的轴承型号。
3. 设计轴承组合结构(1)确定轴承的安装方式,如外圈固定、内圈固定等。
(2)设计轴承的轴向定位和轴向固定,确保轴承在轴向方向的稳定。
4. 选择轴上零件的固定方法(1)根据轴上零件的类型和用途,选择合适的固定方法。
(2)绘制装配图,标注固定方式和尺寸。
四、实验结果与分析1. 实验结果(1)根据实验要求,完成了轴的结构设计。
(2)根据实验要求,完成了轴承组合设计。
(3)根据实验要求,完成了轴上零件的固定设计。
2. 分析(1)实验过程中,对轴的结构设计、轴承组合设计和轴上零件的固定方法有了更深入的了解。
(2)通过实验,掌握了轴系结构设计的基本原理和方法。
(3)提高了实际操作能力和工程意识。
五、实验总结1. 实验过程中,遇到了一些问题,如轴承型号的选择、轴上零件的固定方法等。
综合性实验指导书实验名称:轴系结构实验实验简介:轴系主要包括轴、轴承和轴上零件,它是机器的重要组成部分。
轴的主要功用是支持旋转零件和传递扭矩。
轴的设计一方面要保证具有足够的工作能力,即满足强度、刚度和振动稳定性等要求。
另一方面,要根据制造、装拆使用等要求定出轴的合理外形和全都结构尺寸,即进行轴的结构设计。
轴承是轴的支承,分为滚动轴承和滑动轴承两大类。
滚动轴承已标准化,设计时只需根据工作条件选择合适的类型和尺寸,并进行轴承装置的设计。
通过本实验学生将进一步定性地对轴系设计结构理论进行深入了解。
适用课程:机械设计实验目的:了解并正确处理轴、轴承和轴上零件间的相关关系,如轴与铀承及轴上零件的定位、固定、装拆及调整方式等,以建立对抽系结构的感性认识并加深对轴系结构设计理论的理解。
面向专业:机械类实验项目性质:综合性(课内必做)计划学时: 2学时实验要求:A预习《机械设计》等课程的相关知识点内容;B预习《机械设计实验指导书》中实验目的、原理、设备、操作步骤或说明,并写出预习报告;实验前没有预习报告者不能够进行实验;C 进行实验时衣着整齐,遵守实验室管理规定、学生实验守则、仪器设备操作规定等相关规定,服从实验技术人员或实验教师的指导与管理。
知识点:A《机械设计》课程传动轴内容;B 《机械设计》课程键、螺纹连接内容;C《机械设计》课程滚动轴承内容;D 《机械设计》课程齿轮传动内容; E 《机械设计》课程蜗轮蜗杆传动内容;F《机械设计》课程润滑、密封内容;G《机械制图》课程相关知识内容。
实验分组:1人/组《机械设计》课程实验实验四轴系结构实验一、概述轴系主要包括轴、轴承和轴上零件,它是机器的重要组成部分。
轴的主要功用是支持旋转零件和传递扭矩。
它与轴承孔配合的轴段称为轴颈,安装传动件轮毂的轴段称为轴头,联接轴颈和轴头的轴段称为轴身。
轴颈和轴头表面都是配合表面,须有相应的加工精度和表面粗糙度。
轴的设计一方面要保证具有足够的工作能力,即满足强度、刚度和振动稳定性等要求。
1 .了解机械传动装置中滚动轴承支承轴系结构的基本类型和应用场合。
2 .根据各种不同的工作条件,初步掌握滚动轴承支承轴系结构设计的基本方法。
3 .通过模块化轴系搭接实践,进一步掌握滚动轴承支承轴系结构中工艺性、标准化、轴系的润滑和密封等知识。
蜗杆和轴一体,且蜗杆位于两轴承 (支点) 之间,因此蜗杆处弯矩最大。
而轴呈中间大两头小的阶梯状,中间部份即蜗杆处的承载能力最强,于是有利于提高轴的强度。
同时中间大两头小便于轴上零件的拆装;此外也能起到定位安装的作用。
固定端轴承:轴承座凸肩和轴环定位;套筒、端盖固定外圈,圆螺母(止动垫圈) 固定内圈;游动端轴承:轴环定位,弹性挡圈固定内圈,外圈由孔用弹性挡圈定位,由套筒和端盖固定。
联轴器:轴肩轴向定位,键切向定位。
轴承类型:固定端轴承为深沟球轴承6026,游动端轴承为圆柱滚子轴承,内径均为30mm,外径均为62mm,宽度均为16mm;布置:一端固定,一端游动。
游动端和固定端分别位于蜗杆两端,联轴器置于固定端外;固定:见上文;调整方式:调整固定端调整垫片。
装配过程:a) 安装游动端孔用弹性挡圈,再装入圆柱滚子轴承外圈至其与弹性挡圈接触;b) 套入游动端轴承内圈,至其与轴环接触,安装孔用弹性挡圈;c) 从游动端将轴装进轴承座。
从固定端套入轴承至内圈和轴环接触,拧紧圆螺母,并用止动垫圈卡紧;d) 调整轴的位置,使轴承外圈与轴承座凸肩接触;e) 从固定端装入套筒;f) 固定端套上调整垫片和带孔端盖,拧上螺钉;g) 转动蜗杆,根据松紧程度调整调整垫片的厚度,调整完成后拧紧螺钉;h) 游动端挨次安装上套筒、调整垫片、端盖,并拧紧螺钉;i) 安装平键和半联轴器。
拆卸过程:a) 取下半联轴器和平键;b) 拧下两侧端盖螺钉,取下端盖、调整垫片;c) 取下两端套筒;d) 将轴伸出轴承座,拧下圆螺母,取下止动垫圈和轴承;e) 再从游动端取出轴;f) 卸下弹性挡圈和轴承。
润滑:本装置蜗杆可采用浸油润滑方式,轴承用脂润滑或者是飞溅润滑;密封;游动端采用无孔端盖密封,固定端采用有孔端盖加毡圈密封。
轴系结构的分析与测绘
一、实验目的
1.通过拼装和测绘,熟悉并掌握轴的结构设计以及轴承组合设计
的基本要求和方法。
2.了解并掌握轴系结构的基本形式,熟悉轴、轴承和轴上零件的结构、功能和工艺要求。
掌握轴系零、部件的定位和固定、装配与调整、润滑与密封等方面的原理和方法。
二、实验内容
1. 根据选定的轴系结构设计实验方案,按照预先画出的装配草图进行轴系结构拼装。
检查原设计是否合理,并对不合理的结构进行修改。
2.测量一种轴系各零、部件的结构尺寸,并绘出轴系结构的装配图,
标注必要的尺寸及配合,并列出标题栏及明细表。
三、实验设备和用具
1.模块化轴段(可组装成不同结构形状的阶梯轴)。
2. 轴上零件:齿轮、蜗杆、带轮、联轴器、轴承、轴承座、端盖、套杯、套筒、圆螺母、轴端挡板、止动垫圈、轴用弹性挡圈、孔用弹性挡圈、螺钉、螺母等。
3. 工具:活搬手、胀钳、内、外卡钳、钢板尺、游标卡尺等。
四、实验步骤
1. 利用模块化轴段组装阶梯轴,该轴应与装配草图中轴的结构尺寸一致或尽可能相近。
2. 根据轴系结构设计装配草图,选择相应的零件实物,按装配工艺要求顺序装到轴上,完成轴系结构设计。
3. 检查轴系结构设计是否合理,并对不合理的结构进行修改。
合理的
轴系结构应满足下述要求:
1)轴上零件装拆方便,轴的加工工艺性良好。
2)轴上零件固定(轴向周向)可靠。
4.轴系测绘
1)测绘各轴段的直径、长度及轴上零件的相关尺寸。
2)查手册确定滚动轴承、螺纹联接件、键、密封件等有关标准件的尺寸。
5. 绘制轴系结构装配图
1) 测量出的各主要零件的尺寸,对照轴系实物绘出轴系结构装配图。
2)图幅和比例要求适当(一般按1:1),要求结构清楚合理,装配关系正确,符合机械制图的规定。
3)在图上标注必要的尺寸,主要有:两支承间的跨距,主要零件的配合尺寸等。
4)对各零件进行编号。
并填写标题栏及明细表(标题栏及明细表可参阅配套教材《机械设计课程设计》)。
轴系结构的装拆、测绘与分析实验报告
专业班级姓名实验时间
一、实验目的
二、实验内容
三、实验设备和用具
四、进入实验室之前应完成的作业
1. 从轴系结构设计实验方案表(表12-2)中选择设计实验方案号。
2.根据实验方案规定的设计条件写出需要哪些轴上零件:
3. 绘出轴系结构设计装配草图(参考教材图的形式),并注意以下几点:
1)设计应满足轴的结构设计、轴承组合设计的基本要求,如轴上零件的固定、装拆、轴承间隙的调整、密封、轴的结构工艺性等;(暂不考虑润滑问题);
2)标出每段轴的直径和长度,其余零件的尺寸可不标注。