南方电网3C绿色电网输变电示范工程建设指导意见(试行版)
- 格式:doc
- 大小:5.78 MB
- 文档页数:29
中国南方电网有限责任公司输变电工程优秀设计评选相关表单(2015年版)表单包括:一、输变电工程优秀设计申报材料要求二、输电线路工程优秀设计评选标准三、输电电缆优秀工程设计评选标准四、变电工程优秀设计评选标准附表1:中国南方电网有限责任公司输变电工程优秀设计项目申报表附表2:输电线路工程优秀设计项目主要技术经济指标汇总表附表3:输电电缆优秀工程设计项目主要技术经济指标汇总表附表4:变电工程优秀设计项目主要技术经济指标汇总表附表5:优秀设计自评结果汇总表输变电工程优秀设计申报材料要求一、申报材料内容要求1.申报表《中国南方电网有限责任公司输变电工程优秀设计项目申报表》(见附表1)。
2.主要技术经济指标汇总表输电线路、输电电缆、变电站工程分别按附表2~4内容要求填写。
3.工程设计简介内容包括工程概况、主要设计内容、特点,设计技术先进性、创新技术内容;质量、效益和控制投资等情况;相关专题报告和设计优化措施简要说明等。
4.设计优化创新简介(1)说明内容包括工程概况、主要设计内容、创新与亮点、效益和控制投资等,以及其他能全面反映工程优秀设计标准和条件的有关内容。
针对本工程特点,贯彻和实施3C绿色电网建设理念,应用新设计、新技术、新设备、新材料等创新设计、优化设计项目应作重点说明。
设计优化创新简介内容字数在3000字以内。
(2)照片体现工程设计特点、创新与亮点的工程照片,共10~12张。
(3)幻灯片针对设计优化创新等内容制作自动播放配音幻灯片(*.ppt),时间控制在10分钟以内。
(4)专题报告(必要时提供)对需要专门说明的设计亮点,可提供相应的专题报告,要求文字简洁、表述清晰,图文并茂。
5.附图输电线路工程应附线路路径图、全线杆塔一览图、全线基础一览图等;变电工程应附变电站电气主接线图、电气总平面布置图、各级电压配电装置布置图、断面图、主控制楼平面布置图,变电站自动化(监控)系统配置图、主控制室和二次室平面布置图、主要二次屏柜布置图。
3C变电站与GIS变电站建设投资差异分析摘要:3c绿色电网是运用计算机技术、通信技术、控制技术,建设覆盖城乡的智能、高效、可靠的绿色电网(简称cccgp),即3c 绿色电网。
通过3c绿色电网(变电站)建设模式与户内gis变电站建设模式经济性对比,为合理选用变电站设计模式,从经济性的角度为决策做出分析,首先对3c站与户内gis站在总投资方面进行对比分析,给出了变电站总投资的差异,然后,分别从建筑工程费、安装工程费、设备购置费、其他费用、建设期贷款利息等五个方面进行了详细的对比分析,最后,就两种变电站建设模式从经济性差异的对比分析,给出了变电站建设模式建议。
关键词:变电站;建设模式;投资差异中图分类号:f830.59 文献标识码:a 文章编号:1001-828x (2013)06-0-01为实现电网发展向建设“智能、高效、可靠”的绿色电网转变,南方电网公司印发了《南方电网3c绿色电网输变电示范工程建设指导意见》及评价指标体系和《南方电网公司3c绿色电网输变电示范工程建设指导意见》等一系列3c绿色电网建设工作要求。
绿色环保变电站的设计,应符合国家环境保护、水土保持的有关法律法规的要求,符合城市总体规划和土地利用规划是对电网系统规划、电气主接线、设备选型、站区、水源、给排水设施、进站道路、防排洪设施、进出线走廊、终端塔位、站用外引电源、及周围影响等进行统筹考虑,合理布局,符合节地节能、节水、节材及保护环境、减少污染的要求。
以江北220千伏变电站工程作为案列探讨3c 绿色变电站与户内gis变电站投资差异。
一、基本概念3c绿色电网:运用计算机技术、通信技术、控制技术,建设覆盖城乡的智能、高效、可靠的绿色电网(简称cccgp),即3c绿色电网。
3c绿色变电站(以下简称3c站):按照南方电网公司《南方电网3c绿色电网输变电示范工程建设指导意见》及评价指标体系等文件的要求,设计、建设的变电站。
户内gis变电站(以下简称gis站):变电站配电装置为全封闭gis组合电器户内布置形式设计、建设的变电站。
-基建工程质量控制(WHS)及量化评价标准(2014年版)中国南方电网有限责任公司发布目录1 总则12 规范性引用文件13 术语和定义34 职责65 管理内容与方法75.1工程质量WHS控制点的设置原则75.2 工作程序要求75.3 工程质量WHS控制点95.3.1 工程质量WHS控制点专业分布105.3.2 输电线路工程质量控制点105.3.3 电气安装工程质量控制点125.3.4 变电土建工程质量控制点145.3.5 电气试验质量控制点215.3.6 继电保护专业质量控制点235.3.7 自动化专业控制点265.3.8 通信专业质量控制点275.3.9 配网工程质量控制点285.3.10 物资到货验收质量控制点306 WHS合格率及量化评价结果检查、统计和考核317.附则32附表A WHS合格率和实体质量量化评价结果检查分析表33 附表B WHS合格率和量化评价结果分级统计表(TJ01-TJ05)36 附表C 作业流程图41附表D 基建工程质量控制标准(WHS)设置表43前言为落实中国南方电网有限责任公司(以下简称公司)建设“智能、高效、可靠、绿色”电网的战略目标,规范质量过程管理,提升工程实体质量水平,公司基建部在全面分析、研究2012、2013年工程质量管理工作的基础上,对工程实体质量进行量化评价研究,组织完成了《基建工程质量控制(WHS)及量化评价标准》(2014年版)编制工作。
《基建工程质量控制(WHS)及量化评价标准》(2014年版)相比《基建工程质量控制标准(WHS)》(2012年版),加强了对120个样板点建设的质量控制,增加了对工程实体质量量化评价内容,通过WHS合格率和实体质量评价结果对工程实体质量进行全过程管控,建立了可量度的质量控制与实体质量量化评价标准。
这是公司为强化工程建设过程质量控制而采取的创新性举措,是公司基建质量管理框架体系的重要组成部分。
本标准共分九册,包括总册和八个分册。
南⽹绿⾊电⽹建设指导意见(变输配绿⾊部分)绿⾊电⽹建设指导意见(征求意见稿) 中国南⽅电⽹有限责任公司2020年9⽉⽬次前⾔................................................................................................................................................... III 1范围 (1)2规范性依据⽂件 (1)3总则 (3)4变电设计 (3)4.1站址选择 (3)4.2电⽓⼀次部分 (4)4.3电⽓⼆次部分 (7)4.4⼟建部分 (7)5线路设计 (12)5.1电⽓部分 (12)5.2结构部分 (16)6配⽹设计 (20)6.1电缆线路设计要求 (20)6.2户外箱式设备设计要求 (20)6.3 10kV架空线路设计要求 (21)6.4室内变配电站设计要求 (23)7施⼯要求 (25)7.1⼀般要求 (25)7.2场地环境保护 (26)7.3⼤⽓环境保护 (27)7.4噪声影响控制 (27)7.5⽔污染控制 (27)7.6节地、节能、节⽔、节材措施 (28)附录本指导意见⽤词说明 (29)前⾔南⽅电⽹公司建设智能、绿⾊电⽹的任务是:运⽤先进的计算机技术、通信技术、控制技术,建设⼀个覆盖城乡的智能、⾼效、可靠、绿⾊的电⽹。
本建设指导意见是依据《绿⾊电⽹建设标准和评价标准跟踪及修订》,在原标准《3C绿⾊电⽹建设指南(绿⾊部分)》基础上修订⽽来的。
本标准在修订过程中,标准编制组开展了⼴泛的调查研究,总结了近年来指南的实施情况和实践经验,参考了国内外标准,开展了专项研究,对具体内容进⾏了反复讨论、协调和修改。
为规范开展绿⾊变输配⼯程的建设,统⼀建设原则,特制定本指导意见。
本指导意见由中国南⽅电⽹有限责任公司基建部提出、归⼝、组织编写并解释。
本指导意见起草单位:本指导意见主要起草⼈:1 范围本指导意见作为绿⾊变输配⼯程建设的技术指导性⽂件,明确了绿⾊变输配⼯程建设的技术原则。
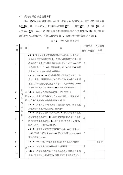
4.1 变电站绿色部分设计分析
根据《3C绿色电网建设评价标准(变电站绿色部分)》,本工程参与评价项共125项,设计文件满足评价标准中控制项52项,一般项32项,优选项15项,合计共满足98项。
满足广西电网公司桂电建函[2013]27号文的要求,本工程已按3C 绿色变电站二级设计,具体执行情况如下:具体评价指标表详见下表4-1。
表4-1 变电站评价指标表
4.2 输电线路绿色部分设计分析
根据《3C绿色电网建设评价标准(输电线路绿色部分)》,本工程参与评价项共69项,设计文件满足评价标准中控制项34项,一般项17项,优选项5项,合计共满足57项。
满足广西电网公司桂电建函[2013]27号文的要求,本工程已按3C 绿色输电线路二级设计,具体执行情况如下:具体评价指标表详见下表4-2。
表4-2 输电线路评价指标表。
3C绿色电网建设评价标准(变电站绿色部分)中国南方电网有限责任公司2013年4月目录前言 ............................................................................................................................................... I I1 范围 (1)2 规范性依据文件 (1)3 基本规定 (2)3.1基本要求 (2)3.2评价与等级划分 (2)4 变电站绿色评价指标 (3)4.1节地与土地利用 (3)4.2节能与能源利用 (4)4.3节水与水资源利用 (12)4.4节材与材料利用 (13)4.5站内外环境质量与环境保护 (14)前言南方电网公司建设智能、绿色电网的任务是:运用先进的计算机技术、通信技术、控制技术,建设一个覆盖城乡的智能、高效、可靠、绿色的电网(简称cccgp,即3C绿色电网,下同)。
根据南方电网公司2013年基建工作会议精神,南方电网公司基建部制定了《南方电网公司2013年基建技术重点工作计划》,要求通过构建“3C绿色电网”技术标准体系,推动电网向更加“智能、高效、可靠、绿色”转变。
为规范开展绿色变电站的建设,统一评价方法,特制定本标准。
本标准由中国南方电网有限责任公司基建部提出、归口、组织编写并解释。
本标准起草单位:中国南方电网有限责任公司基建部中国能源建设集团广东省电力设计研究院广西绿能电力勘察设计有限公司本标准主要起草人:徐达明、邓恩宏、陈兵、王俊刚、蔡上、吴晖、黄志秋、廖毅、谭可立、吴琛、徐中亚、池代波、贺艳芝、刘宝英、简翔浩、蔡田田、施世鸿、许晋、黄显波1 范围本标准明确了对绿色变电站工程进行评价的方法和原则。
本标准适用于交流35kV~500kV电压等级的变电站新建工程,改(扩)建工程可参照执行。
2 规范性依据文件下列文件中的条款通过本标准的引用而成为本标准的条款。
3C绿色变电站的实践作者:陈松梅来源:《硅谷》2013年第19期摘要根据电网实际情况和技术发展现状,结合建设和运行需求,积极应用新技术、新设备、新材料和新工艺,将智能、高效、可靠、绿色等理念融入到电网工程建设中,促进绿色电网的建设和发展。
关键词智能;绿色;环保;变电站中图分类号:TM631 文献标识码:A 文章编号:1671-7597(2013)19-0002-02运用先进的计算机技术、通信技术、控制技术(简称3C)建设智能、高效、可靠的绿色电网是电网工程建设的一个趋势。
本文结合110 kV华晨变电站在设计、施工方面执行《南方电网3C绿色电网输变电示范工程建设指导意见(试行)》和《南方电网3C绿色变电站示范工程评价指标体系(试行)》的措施作具体的介绍。
设计方面从电气一次专业角度进行介绍。
110 kV华晨变电站站址位于昆明市广福路大商汇对面,为全户内变电站,所有电气设备均布置在一幢配电装置楼内。
主变最终建成3台50MVA,本期建成2台,采用自冷式有载调压;110 kV最终出线3回,本期建成2回,采用GIS组合电器;10 kV出线42回,本期一次建成;110 kV采用线路-变压器组接线,10 kV采用单母线分段接线。
1 智能一次设备的选用为实现智能化,电气一次设备的选用与常规变电站相比有如下变化:互感器选用电子式互感器;对主变压器、GIS组合电器、避雷器实行设备状态检测;采用站用电源一体化,10 kV 开关柜实现顺控。
电子式互感器相比常规互感器在绝缘性、抗电磁干扰、抗饱和、易于数字信号传输、测量带宽和精度高、结构紧凑等方面具有优势。
电子式电流互感器主要有低功耗线圈(LPCT)+罗柯夫斯基线圈(RCT)电流互感器、光学互感器(OCT)。
LPCT+RCT电流互感器技术相对简单,可靠性较高,在国内智能化变电站中被广泛采用。
目前国内大多数电流互感器生产厂均能提供该型设备,价格约为常规电流互感器的1.5倍左右,本工程110 kV电流互感器选用LPCT+RCT电流互感器。
3C绿色电网建设评价标准(变电站绿色部分)中国南方电网有限责任公司2013年4月目录前言 ............................................................................................................................................... I I1 范围 (1)2 规范性依据文件 (1)3 基本规定 (2)3.1基本要求 (2)3.2评价与等级划分 (2)4 变电站绿色评价指标 (3)4.1节地与土地利用 (3)4.2节能与能源利用 (4)4.3节水与水资源利用 (12)4.4节材与材料利用 (13)4.5站内外环境质量与环境保护 (14)前言南方电网公司建设智能、绿色电网的任务是:运用先进的计算机技术、通信技术、控制技术,建设一个覆盖城乡的智能、高效、可靠、绿色的电网(简称cccgp,即3C绿色电网,下同)。
根据南方电网公司2013年基建工作会议精神,南方电网公司基建部制定了《南方电网公司2013年基建技术重点工作计划》,要求通过构建“3C绿色电网”技术标准体系,推动电网向更加“智能、高效、可靠、绿色”转变。
为规范开展绿色变电站的建设,统一评价方法,特制定本标准。
本标准由中国南方电网有限责任公司基建部提出、归口、组织编写并解释。
本标准起草单位:中国南方电网有限责任公司基建部中国能源建设集团广东省电力设计研究院广西绿能电力勘察设计有限公司本标准主要起草人:徐达明、邓恩宏、陈兵、王俊刚、蔡上、吴晖、黄志秋、廖毅、谭可立、吴琛、徐中亚、池代波、贺艳芝、刘宝英、简翔浩、蔡田田、施世鸿、许晋、黄显波1 范围本标准明确了对绿色变电站工程进行评价的方法和原则。
本标准适用于交流35kV~500kV电压等级的变电站新建工程,改(扩)建工程可参照执行。
2 规范性依据文件下列文件中的条款通过本标准的引用而成为本标准的条款。
国家发展改革委关于加快配电网建设改造的指导意见文章属性•【制定机关】国家发展和改革委员会•【公布日期】2015.08.20•【文号】发改能源[2015]1899号•【施行日期】2015.08.20•【效力等级】部门规范性文件•【时效性】现行有效•【主题分类】电力及电力工业正文国家发展改革委关于加快配电网建设改造的指导意见发改能源[2015]1899号各省、自治区、直辖市、新疆生产建设兵团发展改革委(能源局),中国电力企业联合会,国家电网公司、中国南方电网有限责任公司:配电网是国民经济和社会发展的重要公共基础设施,为落实中央稳增长政策,加快配电网建设改造,现提出如下指导意见。
一、总体要求(一)指导思想围绕新型工业化、城镇化、农业现代化和美丽乡村建设,立足稳增长、调结构、促改革、惠民生,以满足用电需求、提高供电质量、促进智能互联为目标,坚持统一规划、统一标准,着力解决配电网薄弱问题,提高新能源接纳能力,推动装备提升与科技创新,加快建设现代配电网络设施与服务体系,为全面建成小康社会宏伟目标提供有力保障。
(二)基本原则规划引领,有序推进。
坚持先规划、后建设,切实加强规划的科学性、权威性和严肃性。
科学制定远景配电网目标,远近结合、分步实施。
城乡统筹,保障供应。
统一城乡配电网建设,实现一体化发展。
坚持建设与改造并举,提升供电保障能力与电力普遍服务水平。
统一标准,安全经济。
统一技术标准,贯彻供电可靠性和资产全寿命周期理念,因地制宜推行模块化设计与标准化建设。
构建强简有序、结构合理、安全可靠、经济高效的配电网络。
智能环保,升级创新。
应用新技术、新产品、新工艺,提高装备水平,推进智能化升级,适应能源结构调整需要。
探索智能化配电网与互联网的深度融合,努力创建新型能源生产、配送与消费体系。
政策配套,协调发展。
加大政策支持力度,研究出台金融、财税、价格等系列配套措施;结合全面深化改革的总体要求,建立市场化建设与运营协调机制,多方参与,拓展配电网建设改造投资渠道。
110千伏H输变电工程绿色节能设计与评价摘要:根据南方电网公司提出的“四节一环保”实施指导意见,110千伏输变电工程需按照《3C绿色电网建设评价标准》要求进行建设。
本文以110千伏H 输变电工程为例,详述其绿色建设方案,分析其满足绿色建设方案的要素及在建设中遇到的问题,提出预防及整改措施,分析该工程评价指标执行情况及等级划分。
最终建设方案符合一级绿色变电站和二级绿色架空线路评价要求。
关键词:变电站绿色建设方案防治措施1、工程概况110千伏H输变电工程为S电网规划项目,站址位于S城区H镇L村,周边有规划在建设工业园区。
该区域内没有110千伏变电站,仅依靠220千伏G站的两回10千伏线路供电,该线路已经重载,严重影响用电报装,因此急需新建变电站满足工业园区及周边居民用电需求。
本期新建110千伏H输变电工程,最终主变容量3×40 MVA,本期主变容量2×40MVA;110千伏最终出线4 回,本期出线3 回。
2、输变电工程绿色建设设计原则根据国家发改委发改投资(2006)2787号文要求,对110千伏H输变电工程进行节能设计和评估。
本项工程设计主要节能降耗设计原则如下:1)在工程中,严格贯彻执行我院质量、环境和职业健康安全管理体系文件的规定,针对本工程项目的特点,积极采用无害低耗能的新技术、新工艺、新设备、新布置、新材料,大力降低原材料和能源的消耗。
确保输变电工程设计成品质量满足国家设计规程、规范、标准及顾客的要求。
2)输变电工程在选址选线阶段时,对系统规划地区进行充分的区域调查及收资工作,站址和线路路径选择进行多方案综合技术经济分析比较,尽量节约土地资源,保护生态环境。
3)在工程设计中,采用标准化设计,注重变电站各系统的节能措施,合理规划系统和选择设备。
采用绿色环保的原材料;采用低损耗高效能主变压器;选用合适的电缆材质和截面,降低电缆线路的能耗;选用长寿型节能光源及附件;选用高效节能型电动机,降低站用电率等。
输变电工程初步设计文件评审内容深度规定中国南方电网有限责任公司2015年8月目录1 范围 (1)2 总则 (1)3 评审条件 (2)4 变电工程(含换流站) (2)5 输电线路工程 (9)6 系统及电气二次部分 (16)7 技经部分 (18)附录 (22)附录1初设会议通知 (22)附录2初设会议纪要通知 (23)附录3初设评审意见 (30)输变电工程初步设计文件评审内容深度规定1 范围1.1 本标准规定了中国南方电网输变电工程初步设计文件评审的内容及深度要求。
1.2 本标准适用于35kV及以上新建、扩建、改建交直流输变电工程项目。
2 总则2.1评审工作应满足以下基本要求:1)贯彻执行国家当前产业政策的要求(如环保、节能、节地、节水等);2)遵守政府主管部门已批复的意见(如可行性研究报告、环评报告、水土保持方案等);3)符合法律、法规和强制性规定条款的要求;4)符合中国南方电网公司基建有关管理规定和办法;5)确保概算动态总投资不超过已批复的可研估算。
2.2评审的原则要求:1)坚持“独立、公正、科学、可靠”原则;2)保证评审质量,主要技术方案应体现安全可靠、优质工程、技术先进、合理造价等;3)在工程评审中,充分考虑业主方建设、计划、调度、生产运行和管理各方面的合理要求。
2.3初步设计评审一般应包括以下内容:2.3.1 确定变电站(换流站)工程建设规模、主接线型式、电气布置、主要设备选择、总平面布置和主要建筑结构型式等;2.3.2 确定线路工程路径、气象条件、导地线、绝缘配置和杆塔基础等;2.3.3 确定各专业主要工程量;2.3.4 确定专题项目和费用;2.3.5 对外委单项工程的设计文件进行评审或确认;2.3.6 对环境保护(含水土保持)、劳动安全和工业卫生以及消防等专篇与地方主管部门共同进行会审;2.3.7 对预规中没有规定的特殊费用提出处理意见;2.3.8 审定工程概算投资。
2.3.9 确认主要设备技术规范书。
南方电网公司关于进一步支持光伏等新能源发展的指导意见佚名【期刊名称】《太阳能》【年(卷),期】2013(000)016【总页数】2页(P13,33)【正文语种】中文一总则1 推进新能源开发利用是调整优化能源结构、推动能源生产和利用方式变革的重要内容,是促进节能减排、保护生态环境、建设美丽中国的重要手段。
光伏产业是全球能源科技和产业的重要发展方向,也是我国具有国际竞争优势的战略性新兴产业。
为认真贯彻国家能源发展战略,积极支持和促进新能源加快发展,南方电网公司特制定本意见,指导公司系统各单位开展相关工作。
二适用范围2 本意见适用于利用太阳能、风力、生物质能、地热能和海洋能发电的新能源项目。
本意见所称分布式项目是指以上新能源项目中,位于用户所在地附近、所生产的电能主要以自用和就地利用为主、多余电力送入当地配电网的项目。
三并网服务3 主动配合各级能源主管部门开展新能源发展规划研究,负责各层级电网建设和改造,为新能源发展提供接入保障。
4 按照简化并网流程、提高服务效率、促进高效利用的原则,对新能源项目并网实行分级管理。
对以35千伏及以上电压等级接入的新能源项目,以及以10(20)千伏及以下电压等级接入的非分布式新能源项目,由与负责项目核准(或备案)政府部门对应的电网企业按照公司相关管理规定提供并网服务,包括受理并网申请、审核接入系统方案和签订并网协议等。
对以10(20)千伏及以下电压等级接入电网的分布式项目,由电网企业设立绿色通道,由各营业窗口统一受理并网申请,一个窗口对外提供并网服务。
居民投资的分布式项目由电网企业免费提供接入系统方案咨询服务。
5 并网协议应明确电源建设规模、建设投产时间、出资界面、产权分界点和电力电量计量点,以及双方责任和义务等内容。
6 接入公共电网的新能源项目,其接入系统工程以及接入引起的公共电网改造部分由电网企业投资建设;接入用户侧的新能源项目,其接入引起的公共电网改造部分由电网企业投资建设。
南方电网3C绿色电网输变电示范工程建设指导意见(试行)(送审稿)中国南方电网有限责任公司基建部2011年5月目次前言..................................................................................................................................................... I I1 范围 (1)2 规范性引用文件 (1)3 总则 (2)4 变电站设计 (3)4.1 站址选择 (3)4.2 电气一次部分 (4)4.3 电气二次部分 (6)4.4 土建部分 (10)5 输电线路设计 (14)5.1 电气部分 (14)5.2 结构部分 (21)6 施工要求 (22)6.1 一般要求 (22)6.2 场地环境保护 (22)6.3 大气环境保护 (23)6.4 噪声影响控制 (24)6.5 水污染控制 (24)6.6 节地、节能、节水、节材措施 (24)附录本指导意见用词说明 (26)前言南方电网公司建设智能、绿色电网的任务是:运用先进的计算机技术、通信技术、控制技术,建设一个覆盖城乡的智能、高效、可靠的绿色电网(简称cccgp,即3C绿色电网,下同)。
根据《南方电网公司基建一体化管理推进工作方案》的相关要求,南方电网公司基建部制定了《南方电网公司“3C绿色电网”示范工程建设工作方案》,要求通过技术标准的建立和示范工程的建设,将智能、绿色、节能等理念逐步融入到电网工程建设中,不断提高公司基建工程的建设管理水平。
为规范开展3C绿色电网输变电示范工程的建设,统一建设原则,特制定本指导意见。
本指导意见由中国南方电网有限责任公司基建部提出、归口、组织编写并解释。
本指导意见起草单位:中国南方电网有限责任公司基建部、广东省电力设计研究院。
本指导意见主要起草人:徐达明、李品清、邓恩宏、陈兵、周健、廖毅、游复生、侯婷、刘宝英、简翔浩、蔡田田、施世鸿、李涛、谭可立、吴琛、徐中亚、王咏莉、池代波、汪晶毅、龚有军、林方新、刘万群、张帆。
1 范围本指导意见作为3C绿色电网输变电示范工程建设的技术指导性文件,明确了示范工程建设的技术原则。
本指导意见适用于交流110kV~500kV电压等级的变电站及输电线路示范工程,其它类型的输变电工程可参照执行。
2 规范性引用文件下列文件中的条款通过本指导意见的引用而成为本导则的条款。
凡是注明日期的引用文件,其随后所有的修订单(不包括勘误的内容)或修订版均不适用于本指导意见,然而,鼓励根据本指导意见达成协议的各方研究是否可使用这些文件的最新版本。
凡是不注明日期的引用文件,其最新版本适用于本指导意见。
GB 3096-2008 《声环境质量标准》GB 8702-88 《电磁辐射防护规定》GB8978-2002 《污水综合排放标准》GB 12348-2008 《工业企业厂界环境噪声排放标准》GB12523-90 《建筑施工场界噪声限值》GB 16203-1996 《作业场所工频电场卫生标准》GB24790-2009 《电力变压器能效限定值及能效等级》GB 50189-2005 《公共建筑节能设计标准》GB 50217-2007 《电力工程电缆设计规范》GB 50227-2008 《并联电容器装置设计规范》GB 50545-2010 《110kV~750kV架空输电线路设计规范》GB/T 50378-2006 《绿色建筑评价标准》GB/T 18870-2002 《节水型产品技术条件与管理通则》GB/T 20840.7-2007 《电子式电流互感器》GB/T 20840.8-2007 《电子式电压互感器》GB/T 13730-2002 《地区电网调度自动化》DL/T 5056-2007 《变电站总布置设计技术规程》DL/T 5155-2002 《220kV~500kV变电所所用电设计技术规程》DL/T 5218-2005 《220kV~500kV变电所设计技术规程》DL/T 5222-2005 《导体和电器选择设计技术规定》DL/T 5344-2006 《电力光纤通信工程验收规范》DL/T 5352-2006 《高压配电装置设计技术规程》DL/T 5390-2007 《火力发电厂和变电站照明设计技术规定》DL/T 547-2005 《电力系统光纤通信运行管理规程》DL/T 860 《变电站内通信网络和系统》DL/T 1080 《电力企业应用集成》HJ/T24-1998 《500kV超高压送变电工程电磁辐射环境影响评价技术规范》JGJ 75-2003 《夏热冬暖地区居住建筑节能设计标准》CJ 164 《节水型生活用水器具》Q/CSG 10011-2005 《220kV~500kV变电站电气技术导则》Q/CSG 11006-2009 《数字化变电站技术规范》中华人民共和国建设部《绿色建筑技术导则》国家环保总局令第十八号《电磁辐射环境保护管理办法》南方电网基建部《南方电网110kV~500kV变电站标准设计(2011版)》南方电网电力调度通信中心《南方电网电力二次系统安全防护技术实施规范》南方电网电力调度通信中心《南方电网220kV~500kV变电站计算机监控系统技术规范(2010年版)》南方电网电力调度通信中心《中国南方电网500kV线路保护及辅助保护技术规范(试行)》3 总则3.1 紧密结合南方电网公司实际情况和技术发展现状,结合建设和运行需求,积极应用新技术、新设备、新材料和新工艺,将智能、高效、可靠、绿色等理念融入到电网工程建设中,促进3C绿色电网的建设和发展。
3.2 在智能化技术应用方面,遵循智能、高效、可靠的原则,根据输变电技术领域的新技术、新设备发展情况,采用成熟先进的计算机技术、通信技术、控制技术和智能化的一、二次设备,实现南方电网一体化电网运行智能系统对功能整合、资源和信息共享的要求,支持电网完成实时自动控制、智能调节、在线分析决策、协同互动等高级功能。
3.3 在绿色环保技术应用方面,统筹考虑节地、节能、节水、节材及保护环境、减少污染等方面因素,通过优化设计方案及设备材料选型、积极应用节能降耗新技术等措施,实现资源节约和环境友好。
3.4 坚持经济适用原则和全生命周期效益最优原则,合理控制费用,力求资源利用的最大化。
3.5 选择“3C绿色电网”输变电示范工程具体项目时,应明确示范工程在新技术、新设备、新材料、新工艺等方面的应用需求,并根据所在地区的实际情况,选取本指导意见的全部或部分内容有针对性地开展示范工程建设。
当示范工程侧重在新技术、新设备方面进行智能化示范建设时,宜选择对设备运行检修要求自动化程度较高的项目;当示范工程侧重在新设备、新材料、新工艺方面进行绿色示范建设时,宜选择人口密集区或对环境保护要求较高地区的项目。
4 变电站设计4.1 站址选择4.1.1 变电站站址应避让以下区域:1)国家及地区的重要历史文物古迹保护区;2)国家和地区规定的风景区和重要的供水水源卫生保护区;3)具有开采价值的矿产资源地、湿地、森林、自然生态保护区;4.1.2 站址选择时,应充分考虑合理使用土地,可合理选用废弃场地作为变电站站址,并对已被污染的废弃地进行处理并达到国家标准。
4.1.3 站址及进站道路新建段不应占用基本农田,宜少占用或不占用耕地和经济效益高的土地。
4.1.4 变电站总体规划应结合工程条件按最终规模统筹规划,预留发展用地应按最终规模一次性征地,分期建设。
4.1.5 变电站的总体规划应满足当地规划要求,避免与相邻民居、企业及设施的相互干扰。
4.1.6 进站道路路径设计须结合地形综合考虑,宜利用已有的道路或路基,尽量减少桥、涵及人工构筑物工程量;宜利用当地的社会交通运输资源,做到沿线厂矿企业共同应用,并兼顾地方交通运输的要求。
4.2 电气一次部分4.2.1 电气主接线变电站电气主接线应根据电力系统发展规划进行设计,在具备可靠性、灵活性、前瞻性的前提下,适当简化,以减少元件数量,力求做到经济合理,简单可靠。
4.2.2 电气设备和导体选择4.2.2.1 变电站应选用全生命周期内性价比高、维护量小、占地少、环境友好的电气设备。
4.2.2.2 主变压器应选用低损耗节能型产品,应根据现有规程规范确定所应满足的最低损耗限值,并结合目前国内外制造商的制造水平合理制定不同水平的损耗目标值。
宜选用三相变压器,在制造、运输等条件受到限制时,可选用单相变压器、分解运输式三相变压器或三相组合式电力变压器。
冷却方式宜采用自然油循环风冷或自冷。
4.2.2.3 站用变压器应选用11型及以上低损耗、节能型产品。
户内布置的站用变压器应采用带金属箱体的干式变压器,以节省占地面积。
4.2.2.4 并联电抗器应选用低损耗节能型产品,应根据现有规程规范确定所应满足的最低损耗限值,并结合目前国内外制造商的制造水平合理制定不同水平的损耗目标值。
4.2.2.5 主变压器应选用低噪声环保型产品,结合目前国内外制造商的制造水平合理制定不同水平的噪声目标值。
宜在变压器安装地点采取有效的减振、隔声、吸声措施,使噪声在传播中衰减。
4.2.2.6 高压并联电抗器应选用低噪声环保型产品,结合目前国内外制造商的制造水平合理制定不同水平的噪声目标值。
4.2.2.7 10kV并联电抗器户内布置时,应带有效的减震装置,并联电抗器基础宜独立设置,不与建筑物结构相连,以减少震动和噪声的影响。
4.2.2.8 并联电容器装置的串联电抗器电抗率选择宜根据电网条件与电容器参数经相关计算分析确定。
仅用于限制涌流时,电抗率取0.1%~1%;用于抑制谐波,当并联电容器装置接入电网处的背景谐波为5次及以上时,宜取4.5%~5%,当背景谐波为3次及以上时,宜采用4.5%~5%与12%两种电抗率混装。
4.2.2.9 500kV开关站宜选用带抽能线圈的并联铁芯电抗器,除补偿线路的容性无功外,还可作为开关站的站用电源。
4.2.2.10 主变压器、高压并联电抗器、高压开关设备及氧化锌避雷器等主要电气一次设备应根据现有监测技术的成熟度,考虑实际运维需求,基于安全、可靠、有效、经济的原则,酌情实施一次设备的状态监测。
4.2.2.11 电力变压器、500kV并联电抗器的冷却器宜采用PLC智能控制方式,根据负荷大小、油温高低进行最优化判断,自动投入或退出冷却器运行,节能降耗,提高寿命。
4.2.2.12 除配电装置的汇流母线外,较长导体的截面宜按经济电流密度选择。
4.2.2.13对SF6的采购、使用、回收宜全过程监控,提高SF6的回收处理和再利用水平。
4.2.3 配电装置布置型式4.2.3.1 在满足安全可靠、技术先进、经济合理、运行维护方便的前提下,配电装置的设计应坚持节约用地的原则,布置应紧凑、合理。