布 匹 检 验 标 准 (美国4分制详解)
- 格式:pdf
- 大小:122.89 KB
- 文档页数:4
国际的布匹检验方法四分制国际常见的布匹检验方法有很多种,其中最常用的是四分制检验方法,也称为美国四分制检验方法。
下面将详细介绍这种检验方法。
1.检验流程:四分制检验方法一般分为四个步骤:检验、打分、分类和记录。
检验员根据布匹的质量状况进行检验,并根据一定的标准给予相应的评分,最后根据评分的结果进行分类和记录。
2.检验标准:四分制检验方法使用的标准一般是由国际标准化组织(ISO)或相关行业协会制定的。
标准通常包括外观、尺寸、色差、纱线密度、缩水率等指标。
根据不同的布种和用途,检验标准可能会有所不同。
3.检验项目:布匹的检验项目包括外观、尺寸、缝口、色差、缩水率、磨损、洗涤牢度等。
其中,外观检验主要包括断纱、断经、褶皱、污渍、破洞等;尺寸检验则是对布匹的长度、宽度、平直度等进行测量;色差检验主要是比较样品与标准色样之间的差异;缩水率检验是通过洗涤和热处理等方式来确定布匹在尺寸方面的变化。
4.打分规则:对于每个检验项目,检验员需要根据标准来进行打分。
通常采用四分制,即A、B、C和D,其中A代表合格,B代表轻度不合格,C代表中度不合格,D代表严重不合格。
每个等级都有相应的分数范围,如A对应的分数范围是1-1.9,而D对应的分数范围是3.5-45.分类和记录:在完成打分后,检验员会将布匹按照得分进行分类。
通常将得分在1-1.9的布匹划分为A类,表示合格;得分在2-2.9的布匹划分为B类,表示轻度不合格;得分在3-3.9的布匹划分为C类,表示中度不合格;得分在4的布匹划分为D类,表示严重不合格。
同时,检验员还会记录每个布匹的打分和分类情况,以备后续追溯和管理。
四分制检验方法是一种常用的布匹检验方法,可以快速准确地评估布匹的质量状况。
通过此方法,生产者可以及时了解布匹的质量情况,并根据需要进行调整和改进,以提高产品的质量和竞争力。
同时,国际间采用统一的四分制检验方法,有助于促进各国之间的贸易和合作。
美国纺织四分制与十分制检验标准分制(中文版)一、AA TCC检验及抽样标准:1.抽样数量:总码数的平方根乘以八. 2.抽箱数:总箱数的平方根.二.四分制检验:1.1”-3”扣1分3”-6”扣2分6”-9”扣3分9”以上扣4分2.疵点的评分原则:A、同一码中所有经纬向的疵点扣分不超过4分.B、破洞不问大小扣4分.C、布边一英寸内不扣分.D、连续性疵点须开裁或降等外品.E 、任何大于针孔的洞均扣4分。
F、无论经向或纬向,无论何病疵,都以看得见为原则,并按疵点评分给予正确扣分.G、除了特殊规定(比如涂层上胶布),通常只需检验布的正面。
3.等级计算方法有两种:A、以线长度为基准计算:100M扣分不超过50分为A级(为可接受范围).100M扣分超过50分为B级.(为不可接受范围).B、以平方码为基准计算:每百平方码四十分(为可接受范围)总疵点评分*3600被查布匹实际长度*实际布匹门幅(英寸)拒收标准:A、一匹布疵点评分超过四十分.B、整匹大货的标准疵点超过20分.C、疵点连续出现在三米或以上,不论疵点评分多少.三、十分制检验:1.经向疵点扣分法:1”以下扣1分1”——5”扣3分5”——10”扣5分10”——36”之间扣10分2.纬向扣分法:1”以下扣1分1”——5”扣3分5”——半门幅之间扣5分半门幅以上上扣10分3.疵点的评分原则:A:同一码中所有经纬向的疵点扣分不超过10分.B:破洞不问大小扣10分.C:布边半英寸内不扣分.D:连续性疵点须开裁或降等外品.E :任何大于针孔的洞均扣10分。
F:无论经向或纬向,无论何病疵,都以看得见为原则,并按疵点评分给予正确扣分.G:除了特殊规定(比如涂层上胶布),通常只需检验布的正面。
四,等级计算方法:1.可接受范围=总分数小于总码数2.百码扣分不得超过一百分1. 任何重覆和/或不断出现的疵点都将构成屡犯的疵点。
对每码布匹出现的屡犯的疵点都必须处以四分。
2. 无论疵点分数是多少,任何有十码以上布匹含有屡犯的疵点的卷,都应当被定为不合格。
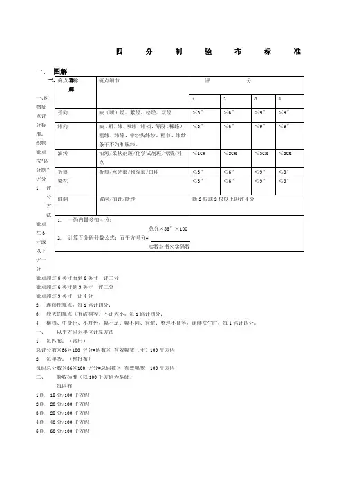
四分制验布标准一.图解一、织物疵点评分标准:织物疵点按“四分制”评分1.评分方法疵点在3寸或以下评一分疵点超过3英寸而到6英寸评二分疵点超过6英寸到9英寸评三分疵点超过9英寸评4分2.连续性疵点,每1码计四分;3.较大的疵点(有破洞等)不计大小,每1码计四分;4.横档、中变色、不对色、幅不足、幅不同、有皱、整理不良等,连续发生时,每1码计四分。
一、以平方码为单位计算方法1.每匹布:(常用)总评分数×36×100 评分=码数×有效幅宽(寸)100平方码2.每单货:(整批布)每码总分数×36×100 评分=总码数×有效幅宽 100平方码二、验收标准(以100平方码为基础)每匹布1组 15分/100平方码2组 20分/100平方码3组 25分/100平方码4组 40分/100平方码5组 60分/100平方码三、全面疵点的评分标准★连续性疵点1、连续有规律性疵点,1码计4分2、连续性3码以上,作不合格对待。
★整幅疵点3、合格品内不允许有以下疵点存在A. 长度超过6英寸全幅疵点。
B. 较细小的全幅疵点,100码内超过5处。
C. 以100码为单位,每10码中严重疵点平均2处以上。
D. 布头、布尾3码内有严重疵点或整幅疵点的。
E. 在平放裁床时,有边绉、预缩皱、波浪皱、折皱、皱条等疵布。
★幅宽4、每匹布最少测三次。
5、达不到加工要求幅宽,则记不合格。
6、幅宽计算:整幅宽:两布边之间距有效幅宽:去除布边、针洞、无印花部分的幅宽。
7、对色:分色最多接受3个LOT色,每LOT色最小码数为500码以上,每LOT色之间色差按AATCC 灰色卡4-5级8、每匹布中边、头尾色差不能低于4-5级。
9、要求供应商取6英寸匹头,编号后留提供。
10、客人QC来验货时,若色板在(4-5级以下)则该单货不合格,需要供应商重新检验、返修。
11、码长差异:核对实际长度同卡片标码差异查过1%则该批布不合格。
美国四分制标准是出口坯布或者印染布的外观质量的检验标准,具体规定如下:一、织物疵点评分标准:织物疵点按“四分制”(FOUR POINT SYSIEM)评分1、评分方法疵点在3寸或以下评一分疵点超过3英寸而到6英寸评二分疵点超过6英寸到9英寸评三分疵点超过9英寸评四分2、连续性疵点,每1码计四分:3、较大的疵点(有破洞等)不计大小,每1码计四分;4、横档、中边色、不对色、幅不足、幅不同、有皱、整理不良等,连续发生时,每1码计四分。
二、以平方码为单位的计算方法1、每匹布:(常用)总评分数×36×100评分=码数×有效幅度(寸)100平方码2、每单货:(整批布)每码总分数×36×100评分=总码数×有效幅度100平方码三、验收标准(以100平方码为基准)适用欧洲、美国、日本等国家。
每匹布1组15分/100平方码2组20分/100平方码3组25分/100平方码4组40分/100平方码5组60分/100平方码现通用标准是选用2组、3组、4-5组不用四、全面疵点的评分标准☆连续性疵点1、连续有规律性疵点,1码计四分2、连续性3码以上,作不合格品对待。
☆整幅疵点3、合格品内不允许有以下疵点存在:A.长度超过6英寸全幅疵点。
B.较细小的全幅疵点,100码内超过5处。
C.以100码为单位,每10码中严重疵点平均2处以上。
D.布头、布尾3码内有严重疵点或整幅疵点的。
E.在平放裁床时,有边绉、预缩皱、波浪皱、折皱、皱条等疵布。
☆幅宽4、每匹布最少测三次。
5、达不到加工要求幅宽,则计不合格,6、幅宽计算:整幅度:两布边之间距有效幅度:去除布边、针洞、无印花部分的幅宽。
7、对色:分色最多接常受3个LOT色,每LOT色最小码数为500码以上,每LOT色之间色差按AATCC 灰色卡4-5级。
8、每匹布中边、头尾色差不能低于4-5级。
9、工厂检验时,应取6英寸匹头,编号后留给客人。
坯布质量检验标准:美标四分制一、引言坯布是纺织品生产中的关键原材料之一,它在纺织品的成品质量中起着至关重要的作用。
为了确保坯布的质量符合相关标准和要求,制定一套科学严谨的检验标准是必要且重要的。
本文以美国标准四分制为基准,介绍了坯布质量检验的相关标准和指标,旨在提供一个可操作性强的标准体系,以确保坯布的质量符合预期。
二、坯布质量检验标准概述坯布质量检验标准主要涵盖了以下方面的考核:1. 物理性能:包括布匹幅宽、布重、坯布含湿率等指标的测定。
2. 基本质量要求:包括纱线的均匀性、强度等指标的检验。
3. 表面质量:包括坯布的表面光洁度、颜色均匀度等指标的评估。
4. 结构质量:包括坯布的密度、纱线的织造结构等指标的检测。
5. 化学性能:包括坯布中染料、织造助剂的可溶性、色牢度等指标的分析。
三、坯布质量检验标准详解1. 物理性能1.1 布匹幅宽的测定布匹幅宽是指布匹的宽度,一般以英寸(inch)为单位来表示。
测定时,将布匹展开并拉直,使用测宽仪或直尺测量宽度的值。
1.2 布重的测定布重是指单位面积的布匹重量,常用的单位为克/平米(gsm)或盎司/平码(oz/sq.yd)。
测定时,将一定面积的坯布剪样品称重,得出布重值。
1.3 坯布含湿率的测定坯布含湿率是指坯布中所含水分的百分比。
测定时,将一定质量的坯布样品在恒温恒湿条件下,称量初始质量和质量差值,计算含湿率。
2. 基本质量要求2.1 纱线的均匀性检验纱线的均匀性是指纱线中的纤维分布均匀程度。
检验时,采用纤维计数器或显微镜进行观察和计数。
2.2 纱线的强度检验纱线的强度是指纱线的抗拉能力。
测定时,将纱线剪成一定长度,并使用万能试验机进行拉伸测试,得出强度值。
3. 表面质量检验3.1 表面光洁度的评估表面光洁度是指坯布表面的光滑程度和清洁度。
通过肉眼观察,评估布匹表面的平整度和光泽度。
3.2 颜色均匀度的评估颜色均匀度是指布匹表面颜色的一致性。
通过视觉观察和色差仪的测量,评估布匹的颜色是否均匀。
美国四分制四分制标准抽样程序选择待检卷完全是随机挑选。
纺织厂需要在一批布匹中最少有80%的卷已打包时,向检验员出示货物装包单。
检验员将从中挑选受检卷。
一旦检验员选定待检卷,不得再对待检卷数或已被挑选受检的卷数进行任何调整。
检验期间,除了录和核对颜色之外,不得从任何卷中截取任何码数的布匹。
对接受检验的所有卷布匹都定等级,评定疵点分数。
一、织物疵点评分标准:织物疵点按“四分制”(FOUR POINT SYSIEM)评分1、评分方法疵点在3寸或以下评一分疵点超过3英吋而到6英吋评二分疵点超过6英吋到9英吋评三分疵点超过9英吋评四分2、连续性疵点,每1码计四分:3、较大的疵点(有破洞等)不计大小,每1码计四分;4、横档、中边色、不对色、幅不足、幅不同、有皱、整理不良等,连续发生时,每1码计四分。
二、以平方码为单位的计算方法1、每匹布:(常用)总评分数×36×100 评分=码数×有效幅度(寸)100平方码2、每单货:(整批布)每码总分数×36×100 评分=总码数×有效幅度100平方码三、验收标准(以100平方码为基准)适用欧洲、美国、日本等国家。
每匹布1组15分/100平方码2组20分/100平方码3组25分/100平方码4组40分/100平方码5组60分/100平方码现通用标准是选用2组、3组、4-5组不用四、全面疵点的评分标准屡犯的疵点:1、任何重复和/或不断出现的疵点都将构成屡犯的疵点。
对每码布匹出现的屡犯的疵点都必须处以四分。
2、无论疵点分数是多少,连续3码以上布匹含有屡犯的疵点的卷,都应当被定为不合格。
整幅疵点1、合格品内不允许有以下疵点存在2、每100平方码内含有多于四处全宽疵点的卷,不得被评定为一等品3、平均每10个直线码数内含有一个以上重大疵点的卷将被定为不合格,无论100码内含多少疵点4、在头三码或末三码内含有一个重大的疵点的卷都应定为不合格。
四分制验布标准一.一、织物疵点评分标准:织物疵点按“四分制”评分1.评分方法疵点在3寸或以下评一分疵点超过3英寸而到6英寸评二分疵点超过6英寸到9英寸评三分疵点超过9英寸评4分2.连续性疵点,每1码计四分;3.较大的疵点(有破洞等)不计大小,每1码计四分;4.横档、中变色、不对色、幅不足、幅不同、有皱、整理不良等,连续发生时,每1码计四分。
一、以平方码为单位计算方法1.每匹布:(常用)总评分数×36×100 评分=码数×有效幅宽(寸)100平方码2.每单货:(整批布)每码总分数×36×100 评分=总码数×有效幅宽 100平方码二、验收标准(以100平方码为基础)每匹布1组 15分/100平方码2组 20分/100平方码3组 25分/100平方码4组 40分/100平方码5组 60分/100平方码三、全面疵点的评分标准★连续性疵点1、连续有规律性疵点,1码计4分2、连续性3码以上,作不合格对待。
★整幅疵点3、合格品内不允许有以下疵点存在A. 长度超过6英寸全幅疵点。
B. 较细小的全幅疵点,100码内超过5处。
C. 以100码为单位,每10码中严重疵点平均2处以上。
D. 布头、布尾3码内有严重疵点或整幅疵点的。
E. 在平放裁床时,有边绉、预缩皱、波浪皱、折皱、皱条等疵布。
★幅宽4、每匹布最少测三次。
5、达不到加工要求幅宽,则记不合格。
6、幅宽计算:整幅宽:两布边之间距有效幅宽:去除布边、针洞、无印花部分的幅宽。
7、对色:分色最多接受3个LOT色,每LOT色最小码数为500码以上,每LOT色之间色差按AATCC灰色卡4-5级8、每匹布中边、头尾色差不能低于4-5级。
9、要求供应商取6英寸匹头,编号后留提供。
10、客人QC来验货时,若色板在(4-5级以下)则该单货不合格,需要供应商重新检验、返修。
11、码长差异:核对实际长度同卡片标码差异查过1%则该批布不合格。
四分制验布标准一.图解二、详解一、织物疵点评分标准:织物疵点按“四分制”评分1.评分方法疵点在3寸或以下评一分疵点超过3英寸而到6英寸评二分疵点超过6英寸到9英寸评三分疵点超过9英寸评4分2.连续性疵点,每1码计四分;3.较大的疵点(有破洞等)不计大小,每1码计四分;4.横档、中变色、不对色、幅不足、幅不同、有皱、整理不良等,连续发生时,每1码计四分。
一、以平方码为单位计算方法1.每匹布:(常用)总评分数×36×100 评分=码数×有效幅宽(寸)100平方码2.每单货:(整批布)每码总分数×36×100 评分=总码数×有效幅宽 100平方码二、验收标准(以100平方码为基础)每匹布1组 15分/100平方码2组 20分/100平方码3组 25分/100平方码4组 40分/100平方码5组 60分/100平方码三、全面疵点的评分标准★连续性疵点1、连续有规律性疵点,1码计4分2、连续性3码以上,作不合格对待。
★整幅疵点3、合格品内不允许有以下疵点存在A. 长度超过6英寸全幅疵点。
B. 较细小的全幅疵点,100码内超过5处。
C. 以100码为单位,每10码中严重疵点平均2处以上。
D. 布头、布尾3码内有严重疵点或整幅疵点的。
E. 在平放裁床时,有边绉、预缩皱、波浪皱、折皱、皱条等疵布。
★幅宽4、每匹布最少测三次。
5、达不到加工要求幅宽,则记不合格。
6、幅宽计算:整幅宽:两布边之间距有效幅宽:去除布边、针洞、无印花部分的幅宽。
7、对色:分色最多接受3个LOT色,每LOT色最小码数为500码以上,每LOT色之间色差按AATCC灰色卡4-5级8、每匹布中边、头尾色差不能低于4-5级。
9、要求供应商取6英寸匹头,编号后留提供。
10、客人QC来验货时,若色板在(4-5级以下)则该单货不合格,需要供应商重新检验、返修。
11、码长差异:核对实际长度同卡片标码差异查过1%则该批布不合格。
美标(四分制)检验标准资料布匹的检验方法常见的是"四分制评分法"。
在这个"四分制评分法"中,对于任何单一疵点的最高评分为四分。
无论布匹存在多少疵点,对其进行的每直线码数(Linear yard)疵点评分都不得超过四分。
对于经纬和其他方向的疵点将按以下标准评定疵点分数:一分: 疵点长度为3寸或低于3 寸两分: 疵点长度大于3寸小于6 寸三分: 疵点长度大于6寸小于9 寸四分: 疵点长度大于9寸对于严重的疵点,每码疵点将被评为四分。
例如: 无论直径大小,所有的洞眼都将被评为四分。
对于连续出现的疵点,如: 横档、边至边色差、窄封或不规则布宽、折痕、染色不均匀等的布匹,每码疵点应被评为四分。
每码疵点的评分不得超过四分。
评分的计算不同布种的接受水平抽样程序评定布匹等级的其他考虑因素织物疵点专用术语评分的计算:原则上每卷布经检查后,便可将所得的分数加起来。
然后按接受水平来评定等级,但由于不同的布封便须有不同的接受水平,所以,若用以下的公式计算出每卷布匹在每100平方码的分数,而只须制订一在100平方码下的指定分数,便能对不同布封布匹作出等级的评定。
(总分数x 36 x 100) / (受检码数x 可裁剪的布匹宽度) = 每100平方码的分数不同布种的接受水平不同类型的布匹被分为以下四大类。
超过指定分数的单卷布匹应被定为二等品。
如果整批布匹的平均评分超过了指定的分数水平,则该批布匹应被视为未通过检验。
抽样程序选择待检卷完全是随机挑选。
纺织厂需要在一批布匹中最少有80%的卷已打包时,向检验员出示货物装包单。
检验员将从中挑选受检卷。
一旦检验员选定待检卷,不得再对待检卷数或已被挑选受检的卷数进行任何调整。
检验期间,除了录和核对颜色之外,不得从任何卷中截取任何码数的布匹。
对接受检验的所有卷布匹都定等级,评定疵点分数。
评定布匹等级的其他考虑因素屡犯的疵点:1. 任何重覆和/或不断出现的疵点都将构成屡犯的疵点。
四分制-面料检验标准主要介绍了针对面料的检验标准,根据四分制法“四分制平分标准”是近年在国际纺织品贸易中应用最广泛的纺织面料疵点评分定等标准。
“四分制平分标准”由美国范友生公司【梭织物的疵点分等标准】率先提出,它是一种“根据疵点长度评分,计算单位面积分数”的面料检验方法,其指导思想是:(1)将不合格疵布杜绝在服装厂之前(不可裁布不进厂);(2)对裁减用布尽量减少服装生产换片(可裁布少换片)。
由于这种评分定等法符合服装生产对面料的要求,而且评分计算简单,方法易记易用,因此被国际纺织品商家普遍采用。
以下是MTL-ACTS公司制定的“四分制评分方法”,他参考范友生公司【梭织物的疵点分等标准】制定而成,并根据服装生产对面料的要求进行了一些补充。
此评分方法目前应用最为广泛。
布匹检验标准-四分制评分法总则在这个“四分制评分法”中,对于任何单一疵点的最高评分为四分。
无论布匹存在多少疵点,对其进行的每直线码数(Liner yard)疵点评分都不得超过四分。
1.评分方法及抽样规定1.1评分方法对于经向,纬向或其他方向的疵点均按以下标准评定疵点分数:1分:疵点长度为3英寸或低于3英寸;2分:疵点长度大于3英寸小于6英寸;3分:疵点长度大于6英寸小于9英寸;4分:疵点长度大于9英寸。
注:(1)对于严重的疵点,每码疵点评为4分。
例如。
无论直径大小,所有的破洞都评为4分。
(2)对于连续出现的疵点,如:横档。
左右色差。
窄幅。
不规则幅宽。
折皱印。
染色不匀等,每码布评为4分。
(3)圆点状疵点,如斑迹,水点以周长计算评分。
(4)每码疵点的评分不得超过四分。
主要介绍了针对面料的检验标准,根据四分制法1. 2评分计算公式受检码数X有效幅宽(英寸)1. 3不同布类的接受水平注:(1)超过规定分数的单卷布匹定为二等品。
(2)整匹布匹平均分超过规定分数,则该批布匹被视为未通过检验。
2. 抽样程序和验货数量规定2. 1 抽样程序选择待检验布卷完全是随机抽检。
面料美标四分制检验标准(总2页)-CAL-FENGHAI.-(YICAI)-Company One1-CAL-本页仅作为文档封面,使用请直接删除面料美标四分制检验标准美标<四分制>检验标准布匹的检验方法常见的是"四分制评分法"。
在这个"四分制评分法"中,对于任何单一疵点的最高评分为四分。
无论布匹存在多少疵点,对其进行的每直线码数(linear yard)疵点评分都不得超过四分。
对于经纬和其他方向的疵点将按以下标准评定疵点分数:一分: 疵点长度为3寸或低于3 寸两分: 疵点长度大于3寸小于6 寸三分: 疵点长度大于6寸小于9 寸四分: 疵点长度大于9寸对于严重的疵点,每码疵点将被评为四分。
例如: 无论直径大小,所有的洞眼都将被评为四分。
对于连续出现的疵点,如: 横档、边至边色差、窄封或不规则布宽、折痕、染色不均匀等的布匹,每码疵点应被评为四分。
每码疵点的评分不得超过四分。
美国四分制标准美国四分制标准是出口坯布或者印染布的外观质量的检验标准,具体规定如下:一、织物疵点评分标准:织物疵点按“四分制”(four point sysiem)评分1、评分方法疵点在3寸或以下评一分疵点超过3英寸而到6英寸评二分疵点超过6英寸到9英寸评三分疵点超过9英寸评四分2、连续性疵点,每1码计四分:3、较大的疵点(有破洞等)不计大小,每1码计四分;4、横档、中边色、不对色、幅不足、幅不同、有皱、整理不良等,连续发生时,每1码计四分。
二、以平方码为单位的计算方法1、每匹布:(常用)总评分数×36×100 评分=码数×有效幅度(寸) 100平方码2、每单货:(整批布)每码总分数×36×100 评分=总码数×有效幅度 100平方码三、验收标准(以100平方码为基准)适用欧洲、美国、日本等国家。
每匹布1组 15分/100平方码2组 20分/100平方码3组 25分/100平方码4组 40分/100平方码5组 60分/100平方码现通用标准是选用2组、3组、4-5组不用四、全面疵点的评分标准☆连续性疵点1、连续有规律性疵点,1码计四分2、连续性3码以上,作不合格品对待。
纺织检验标准-四分制四分制标准、织物疵点评分标准:织物疵点按“四分制”(FOUR POINT SYSIEM)评分1、评分方法疵点在3寸或以下评一分疵点超过3英寸而到6英寸评二分疵点超过6英寸到9英寸评三分疵点超过9英寸评四分2、连续性疵点,每1码计四分:3、较大的疵点(有破洞等)不计大小,每1码计四分;4、横档、中边色、不对色、幅不足、幅不同、有皱、整理不良等,连续发生时,每1码计四分。
二、以平方码为单位的计算方法1、每匹布:(常用)总评分数×36×100 评分=码数×有效幅度(寸)100平方码2、每单货:(整批布)每码总分数×36×100 评分=总码数×有效幅度100平方码三、验收标准(以100平方码为基准)适用欧洲、美国、日本等国家。
每匹布1组15分/100平方码2组20分/100平方码3组25分/100平方码4组40分/100平方码5组60分/100平方码现通用标准是选用2组、3组、4-5组不用四、全面疵点的评分标准☆连续性疵点1、连续有规律性疵点,1码计四分2、连续性3码以上,作不合格品对待。
☆整幅疵点3、合格品内不允许有以下疵点存在:A.长度超过6英寸全幅疵点。
B.较细小的全幅疵点,100码内超过5处。
C.以100码为单位,每10码中严重疵点平均2处以上。
D.布头、布尾3码内有严重疵点或整幅疵点的。
E.在平放裁床时,有边绉、预缩皱、波浪皱、折皱、皱条等疵布。
☆幅宽4、每匹布最少测三次。
5、达不到加工要求幅宽,则计不合格,6、幅宽计算:整幅度:两布边之间距有效幅度:去除布边、针洞、无印花部分的幅宽。
7、对色:分色最多接常受3个LOT色,每LOT色最小码数为500码以上,每LOT色之间色差按AATCC 灰色卡4-5级。
8、每匹布中边、头尾色差不能低于4-5级。
9、工厂检验时,应取6英寸匹头,编号后留给客人。
10、客人QC来验货时,若色不板(4-5级以下)则该单货不合格,要重新检查、翻修。
四分制验布尺度之宇文皓月创作一.图解二、详解一、织物疵点评分尺度:织物疵点按“四分制”评分1.评分方法疵点在3寸或以下评一分疵点超出3英寸而到6英寸评二分疵点超出6英寸到9英寸评三分疵点超出9英寸评4分2.连续性疵点,每1码计四分;3.较大的疵点(有破洞等)不计大小,每1码计四分;4.横档、中变色、分歧错误色、幅缺乏、幅分歧、有皱、整理不良等,连续发生时,每1码计四分。
一、以平方码为单位计算方法1.每匹布:(经常使用)总评分数×36×100 评分=码数×有效幅宽(寸)100平方码2.每单货:(整批布)每码总分数×36×100 评分=总码数×有效幅宽 100平方码二、验收尺度(以100平方码为基础)每匹布1组 15分/100平方码2组 20分/100平方码3组 25分/100平方码4组 40分/100平方码5组 60分/100平方码三、全面疵点的评分尺度★连续性疵点1、连续有规律性疵点,1码计4分2、连续性3码以上,作分歧格对待。
★整幅疵点3、合格品内不允许有以下疵点存在A. 长度超出6英寸全幅疵点。
B. 较细小的全幅疵点,100码内超出5处。
C. 以100码为单位,每10码中严重疵点平均2处以上。
D. 布头、布尾3码内有严重疵点或整幅疵点的。
E. 在平放裁床时,有边绉、预缩皱、海浪皱、折皱、皱条等疵布。
★幅宽4、每匹布最少测三次。
5、达不到加工要求幅宽,则记分歧格。
6、幅宽计算:整幅宽:两布边之间距有效幅宽:去除布边、针洞、无印花部分的幅宽。
7、对色:分色最多接受3个LOT色,每LOT色最小码数为500码以上,每LOT色之间色差按AATCC灰色卡4-5级8、每匹布中边、头尾色差不克不及低于4-5级。
9、要求供应商取6英寸匹头,编号后留提供。
10、客人QC来验货时,若色板在(4-5级以下)则该单货分歧格,需要供应商重新检验、返修。
11、码长差别:核对实际长度同卡片标码差别查过1%则该批布分歧格。