西安交通大学科技成果——锂电池组监控芯片
- 格式:docx
- 大小:98.43 KB
- 文档页数:3
西安交通大学科技成果——可穿戴生物医疗系统
项目简介
随着物联网、人工智能、大数据的广泛应用及柔性电子技术的进步,可穿戴生物医疗得到了快速的发展。
同时人们对于健康的需求也日益增加,如何实现对个人生理健康的实时监测,变得尤为重要。
团队通过研发,已取得一定基础:
1、柔性可穿戴心电ECG信号实时检测系统
(1)设计了基于有机聚合物材料的柔性心电电极;
(2)基于CMOS工艺的低噪声、低功耗模拟前端电路芯片;
(3)基于小波阈值算法及支持向量机(SVM)的信号处理及特征训练模块;
(4)基于STM32处理芯片的传感器系统设计;
(5)基于柔性印刷电路板(PCB)的系统实现。
2、可穿戴多生理信号实时检测系统
(1)搭建并验证了人体体温、血氧、心率、呼吸、血压等多生理信号模块电路;
(2)血压测量有基于袖套充气阻断动脉血流的示波法和基于光电二极管的光电容积脉搏波描记法(PPG)两种实现方式。
产品性能优势
(1)通过低功耗、高精度的电路设计,满足不同信号的测量需求。
(2)运用机器学习等算法,获取各个生理信号特征,预测人体
健康及疾病状况。
(3)通过无线传输技术,与外部设备通讯,实现远程监控。
(4)基于柔性电子技术,使整个系统集成于衣物、腕带当中,实现长期舒适的穿戴需求。
技术成熟度原理样机(小试)
合作方式合作开发。
西安交通大学科技成果——煤炭深加工制备高品质锂离子电池负极项目简介兰炭也称半焦碳,以低变质煤为原料在隔绝空气的情况采用低温干馏技术生产的一种固体产品。
它是一种较为硬而脆的煤种,在兰炭生产过程中,小于3mm的兰炭粉末约占总质量的10%,这部分兰炭粉(半焦)是用廉价的末煤干馏而成,成本较块煤降低近20%。
因其粒度小,不符合生产工艺要求,只能被当作低级燃料廉价处理或被弃置于河道或地头。
这不仅造成大量能源浪费,限制兰炭的经济效益,而且对环境造成严重污染。
本项目将兰炭经过改性后加工制作成高品质碳材料,如锂离子电池负极或者活性碳等,延长兰炭产业链,变废为宝。
性能优势1、兰炭基负极材料电化学性能材料:兰炭负极首次脱离容量:361mAh/g库伦效率:82.6%0.5C/300次循环:337mAh/g1C/300次循环:314mAh/g2、兰炭粉末制备人工石墨的优势:(1)原始材料基本无成本,通常作为废料处理;(2)催化剂有效催化兰炭石墨化,人工石墨品质高,催化剂成本低;(3)人工石墨容量高,循环性能好,可作为高品质动力电池使用。
国内某知名锂离子电池负极生产企业将容量大于350mAh/g的负极定位在高端产品,在1C下循环500次,其容量保持率为85%。
本项目产品在0.1C电流密度下,比容量可以达到361mAh/g;经过0.5C 与0.1C交替300次循环后,其容量保持率接近100%。
0.5C电流密度下循环300次,容量为337mAh/g;1C电流密度循环300次,容量为314mAh/g,保持率接近100%。
长循环寿命测试显示,高端商业负极在1C充放电条件下,800次循环后容量保持率低于85%。
而兰炭基负极材料在0.5C充放电条件下,900次循环后容量保持率高于95%。
(4)人工石墨利润高;高品质人造石墨可以达到4-6万/吨,甚至可达到10万/吨,而初步估计生产兰炭负极成本低于2万元/吨。
利润空间巨大。
除此以外,目前我们的工作也延伸到无烟煤等碳基材料,也展示出非常优异的性能。
西安交通大学科技成果——微能量源能量收集系统
及其超低功耗片上温度传感
项目简介
可针对不同环境,完成震动能、压电能、摩擦电能、光电能、热能、化学能、风能、电磁能、射频信号能等能量的收集、存储,并根据需要为片上或片外低功耗传感器提供稳定且低噪的输出能量供给。
此外,针对不同的传感器结构和类型进一步提供丰富的接口电路,用来读取传感器所产生的感应信号。
配合低功耗收发机模块,可实现完整的无线传感节点功能。
特点
1、电源管理部分静态电流可低至65nA;
2、整个ASIC功耗(包含温度传感)不足1µW;
3、具有最大功率点追踪;
4、匹配最小16kΩ的厘米级以下压电片
5、具有能量收集、存储和调整输出功能;
6、提供超低噪声电源供给(10nA-100µA)片上/片外传感器;
7、存储的能量支持ZigBee、Bluetooth等低功耗协议间歇数据传输;
8、构建平均功耗小于5µW的无线传感节点。
市场情况
本项目能以超低功耗实现完整无线传感节点,在IoT、环境监测等领域有良好的应用前景和社会经济效益。
可解决无线传感节点的环
境获能及温度传感(传感信息不局限于温度)。
技术成熟度原理样机
合作方式合作开发。
西安交通大学科技成果——第二代电动汽车动力电
池用磷酸锰锂材料生产技术
项目简介
第二代电动汽车动力电池用磷酸锰锂材料不仅继承了LiFePO4材料的高安全性、高稳定性、高比容量等优点,且具有更高的嵌锂电位,放电电位平均比LiFePO4材料高20%。
图1 形貌
技术指标
本项目采用高温固相法制备出高性能LiMnPO4/C复合材料,0.1C 的可逆比容量高于140mA•h•g-1,6C倍率下的快速充放电容量仍高于100mA•h•g-1,1C下循环50次后的容量保持率为95%,技术水平处于国际先进水平。
市场前景及应用
LiMnPO4/C复合材料主要应用于动力型锂离子电池,是各类移动电子设备、电动汽车、电站储能以及航空航天、军事和医学领域中理想的供电电池。
目前价格15万元/吨,如按照年产1万吨规模,产值可达15亿元,利润可达2亿元。
图2 充放电和倍率特性
技术成熟度 工程化阶段 合作方式 合作开发。
锂电池又现新技术将会攻破哪些难题
西安交大研发出高库伦效率的硅负极锂电池
近日,西安交大电气学院教授郑晓泉课题组与美国斯坦福大学材料学院教授崔屹、麻省理工学院核工系教授李巨课题组共同合作,通过一种特殊方法,在纳米硅负极外表面包覆一层人工的二氧化钛纳米层,合成出高机械强度的
硅结构负极,制备出具有高压实密度的硅负极全电池,实现了较传统石墨负
极2倍的体积比容量和2倍的质量比容量。
目前商业化的锂离子电池只用于低阶电源需求,而硅因其理论比容量是传统石墨负极的10倍以上,被认为有望成为下一代锂离子电池大容量负极材料。
然而,硅负极在充放电过程中的库伦效率低这一难题一直未被攻克。
经过实验测试,该新成果的二氧化钛外壳的机械强度是无定形碳的5倍,可以使稳定的库伦效率达到99.9%以上,满足工业化的应用标准,将有效推
动硅主体负极在电池工业中的商业应用。
该项成果于近日发表在《能源与环
境科学》上。
(仲和)。
西安交通大学科技成果——高容量、低成本锂离子电
池用硅-碳负极材料
项目简介
新能源汽车的迅猛发展,为动力电池产业提供了万亿级的市场容量,到2020年底,城市公交、出租车及城市配送等领域新能源车保有量达60万辆。
目前使用的石墨类伏击材料容量低,无法满足高能量密度的需求。
该项目通过为动力电池厂商提供高性能硅碳负极及其他负极材料,以提高纯电动汽车的续航里程2倍以上。
硅负极材料具有极高的理论容量(约4200mAh/g),其容量是现有商业化石墨负极的10多倍。
但其充放电过程中产生的大体积膨胀(约400%)会严重影响循环寿命。
我们团队经过数年研究,提出“清矽硅碳”,对普通微米硅粉进行包覆“均匀+可控”功能层的工艺过程实现“性能+成本”的最优产业升级。
美国能源部高度评价了该项研究成果(2015年仅有2项研究成果受此殊荣)。
市场前景及应用
该产品在以电动汽车为代表的动力电池和消费型电子产品中均
有着广泛的应用前景。
作为新一代高能量密度锂离子电池负极材料,极其发展潜力。
2018年3月,已于多氟多公司开展合作。
该项目还可利用多晶硅太阳能生产过程中产生的废料(如加工多晶硅过程中切割产生的微米硅粉,硅块)为初始原料来制备高附加值硅-碳负极材料,为多晶硅产业的升级转型带来了新的发展机遇。
性能指标(同类产品对比)
技术成熟度工程化阶段
实验室月产量约1吨。
合作方式合作开发
要求:电池领域企业。
人工智能锂电池芯片
人工智能锂电池芯片是一种智能电池管理系统,旨在通过机器学
习算法,提供实时监控、预测和控制,以提高电池的性能和使用寿命。
首先,它具有多个实时传感器,可监测锂电池的电压和容量,并将所
有信息发送给机器学习系统。
其次,它使用了三重模式,即实时监控
模式、预测模式和控制模式。
实时监控模式可以监测电池状态,包括
内阻、容量、冷却系统等,以提高电池的可靠性和安全性。
预测模式
可以根据实时数据预测电池寿命,以避免意外终止。
最后,控制模式
可以根据模型的数据,调整动力电池的性能,以达到最佳的使用状态。
此外,利用机器学习技术,可以根据实时数据分析出电池的特性,其
中包括自我修复等功能,以提高电池的可靠性和使用寿命。
因此,人
工智能锂电池芯片有助于改进电池的性能,延长电池寿命,从而降低
电池成本,为电池应用提供更好的性能和更高的使用寿命。
西安交通大学科技成果——电动汽车用负温度系数热敏陶瓷及线式火焰温度传感器项目简介锂电池具有能量密度高、工作电压高、循环寿命长、体积小等优点,是电动汽车的首选。
一般在电动车上需要将数个单体电池通过串联或并联形成电池组以达到动力电源的要求。
但是由于生产工艺等原因,各单体电池的容量与性能不可避免地存在一些差异,电动汽车在运行(电池组放电)时,容量小性能差的电池会有过放现象,而在充电时,容量小性能差的电池又会出现过充现象。
长此以往,这种差异必然会越来越大,使电池组的利用率越来越差。
更为严重的是,在过充或过放的环境下,电池正负极片间的隔膜会被击穿而短路,产生高温、过热使电解液汽化、膨胀而使电池外壳破裂,甚至发生着火或爆炸。
同时动力锂电池在温度过高或过低情况下使用,也会存在安全隐患;电池过充或者过放都会造成电池不可逆转损坏,比如容量过度衰减,寿命降低等,甚至会使电池产生冒烟、起火等危险。
因此动力电池组需要采用BMS系统实时监视电池组电压、电流及温度,均衡各单体电池的电压,使电池组中的各单体电池的容量与性能尽量的趋于一致。
而目前的BMS系统可靠性能并不是很可靠,无法完全杜绝电动汽车电池箱发生着火/爆炸的隐患,纯电动汽车特别是锂电池起火,由于燃烧迅速,外部的救援手段往往缺乏时效性。
因此在电动汽车上设置灭火装置是必须的。
与电动汽车类似,坦克、战车、装甲车辆以及舰船和飞机的动力系统和传动系统都在极其严酷的条件下工作,各种内部和外部条件的变化经常会造成系统超温、甚至起火,从而造成装备的损毁。
特别是武器装备的动力系统和传动空间结构复杂,剩余空间曲折、狭小,传统的各种点状测温技术,如热电偶、铂电阻或陶瓷热敏电阻等都无法对整个系统进行有效监测,二次仪表的配置也十分困难,因此无法使用点测温元器件实现有效的三维空间温度检测与火警监测。
分布式测温系统是解决复杂三维空间温度测量与控制的有效手段,虽然光纤式温度分布测量装置使用一只传感器就能测出线状温度分布,但光纤式温度分布测量装置除了光纤之外,还包括温度测试仪和数据处理器,其中温度测试仪由比较复杂的系统组成,结构复杂,无法满足武器装备系统剩余空间狭小、工作环境严酷的使用要求。
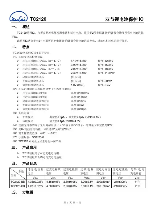
TC2120双节锂电池保护IC 一、概述TC2120系列IC,内置高精度电压检测电路和延时电路,是用于2节串联锂离子/锂聚合物可再充电电池的保护IC。
此系列IC适合于对2节串联可再充电锂离子/锂聚合物电池的过充电、过放电和过电流进行保护。
二、特点TC2120全系列IC具备如下特点:(1)高精度电压检测电路➢过充电检测电压V CUn(n=1,2) 4.10V~4.50V 精度±25mV➢过充电释放电压V CRn(n=1,2) 3.90V~4.30V 精度±50mV➢过放电检测电压V DLn(n=1,2) 2.00V~3.00V 精度±80mV➢过放电释放电压V DRn(n=1,2) 2.30V~3.40V 精度±100mV➢放电过流检测电压(可选择)➢充电过流检测电压(可选择) 精度±30mV➢负载短路检测电压 1.0V (固定) 精度±0.4V(2)各延迟时间由内部电路设置(不需外接电容)➢过充电检测延迟时间典型值1000ms➢过放电检测延迟时间典型值110ms➢放电过流检测延迟时间典型值10ms➢充电过流检测延迟时间典型值7ms➢负载短路检测延迟时间典型值250μs(3)低耗电流➢工作模式典型值5.0μA ,最大值9.0μA(VDD=7.8V)➢休眠模式最大值0.1μA(VDD=4.0V)(4)连接充电器的端子采用高耐压设计(CS端子和OC端子,绝对最大额定值是33V)(5)向0V电池充电功能:可以选择“允许”或“禁止”(6)宽工作温度范围:-40℃~+85℃(7)小型封装:SOT-23-6(8)TC2120系列是无卤素绿色环保产品三、产品应用➢2节串联锂离子可再充电电池组。
➢2节串联锂聚合物可再充电电池组。
四、产品目录参数型号过充电检测电压过充电释放电压过放电检测电压过放电释放电压放电过流检测电压充电过流检测电压向0V电池充电功能V CUn V CRn V DLn V DRn V DIP V CIP V0CHTC2120-BB 4.35±0.025V 4.15±0.05V 2.30±0.08V 3.00±0.1V 200±30mV -210±30mV 允许TC2120-CB 4.28±0.025V 4.08±0.05V 2.90±0.08V 3.00±0.1V 200±30mV -210±30mV 允许五、方框图TC2120双节锂电池保护ICTC2120双节锂电池保护IC OC输出端子电压V OC VDD-33~VDD+0.3 V OD输出端子电压V OD VSS-0.3~VDD+0.3 V CS输入端子电压V CS VDD-33~VDD+0.3 V工作温度范围T OP-40~+85 ℃储存温度范围T ST-40~+125 ℃容许功耗P D250 mW 八、电气特性项目符号条件最小值典型值最大值单位输入电压VDD-VSS工作电压V DSOP1— 1.5 —10 V VDD-CS工作电压V DSOP2— 1.5 —33 V 耗电流工作电流I DD VDD=7.8V — 5.0 9.0 uA 休眠电流I PD VDD=4.0V ——0.1 uA 检测电压过充电检测电压n(*1)V CUn 4.1~4.5V,可调整VCUn-0.025VCUn VCUn+0.025V过充电释放电压n(*1)V CRn 3.9~4.3V,可调整VCRn -0.05 VCRn VCRn +0.05 V 过放电检测电压n(*1)V DLn 2.0~3.0V,可调整VDLn -0.08 VDLn VDLn +0.08 V 过放电释放电压n(*1)V DRn 2.3~3.4V,可调整VDRn -0.10 VDRn VDRn +0.10 V 放电过流检测电压V DIP VDIP -30 VDIP VDIP +30 mV 负载短路检测电压V SIP VDD-VSS=7.0V 0.6 1.0 1.4 V 充电过流检测电压V CIP VCIP -30 VCIP VCIP +30 mV 延迟时间过充电检测延迟时间T OC700 1000 1300 ms 过放电检测延迟时间T OD70 110 150 ms 放电过流检测延迟时间T DIP 6 10 14 ms 充电过流检测延迟时间T CIP 4 7 10 ms 负载短路检测延迟时间T SIP150 250 400 μs 控制端子输出电压OD端子输出高电压V DH VDD-0.1 VDD-0.02 V OD端子输出低电压V DL0.2 0.5 V OC端子输出高电压V CH VDD-0.1 VDD-0.02 V OC端子输出低电压V CL0.2 0.5 V 向0V电池充电的功能(允许或禁止)充电器起始电压(允许向0V 电池充电功能)V0CH允许向0V电池充电功能1.2 - - V电池电压(禁止向0V电池充电功能)V0IN禁止向0V电池充电功能- - 0.5 VTC2120双节锂电池保护IC 45注意:初次连接电芯时,会有不能放电的可能性,此时,短接CS端子和VSS端子,或者连接充电器,就能恢复到正常工作状态。
西安交大在高能量密度锂金属电池电解液领域取得重要进展佚名
【期刊名称】《陕西教育(高教版)》
【年(卷),期】2024()4
【摘要】局部高浓度电解液振兴了二次电池的发展。
然而,现有局部高浓电解液所使用的氟化稀释剂通常具有毒性高、环境污染严重、合成困难和成本高等缺点。
针对这一问题,西安交大化工学院李明涛课题组以苯(PhH)为稀释剂,开发了一种低成本、环境友好的局部高浓度电解液(PhH-LHCE),同时实现了锂金属负极和单晶NCM811正极的长期稳定循环。
【总页数】1页(P9-9)
【正文语种】中文
【中图分类】TM9
【相关文献】
1.超高能量锂空气电池技术取得重要进展
2.我国超高能量密度锂空气电池技术取得重要进展(56)
3.我国超高能量密度锂空气电池技术取得重要进展
4.西安交大科研团队在可见光催化烯烃多氯化领域取得重要进展
5.西安交通大学在锂金属电池研究领域取得新突破
因版权原因,仅展示原文概要,查看原文内容请购买。
高性能的线性锂电池充电管理芯片CN3052A/CN3052B/CN3056的应用CN3052A/CN3052B/CN3056是高性能的线性锂电池充电管理芯片。
这些器件内部集成有功率管,不需要外部的电流检测电阻和阻流二极管,只需要极少的外围元器件,并且符合USB总线技术规范,可以通过USB端口为锂电池充电,因此非常适用于各种充电器及MP4播放器、蓝牙耳机、数码相机等便携式产品。
图1是一个典型的应用电路图。
图1:CN3052A/CN3052B/CN3056的典型应用电路图CN3052A/CN3052B/CN3056的工作流程图2是CN3052A/CN3052B/CN3056的充电过程示意图。
当输入电压大于电源低电压检测阈值和芯片使能输入端接高电平时,CN3052A/CN3052B/CN3056开始对电池充电,CHRG管脚输出低电平,表示充电正在进行。
如果电池电压低于3V,充电器用小电流对电池进行预充电。
当电池电压超过3V时,充电器采用恒流模式对电池充电,充电电流由ISET管脚和GND之间的电阻RISET<确定。
当电池电压接近电池端调制电压4.2V时,充电电流逐渐减小,CN3052A/CN3052B/CN3056进入恒压充电模式。
图2:CN3052A/CN3052B/CN3056充电过程示意图当充电电流减小到充电结束阈值时,CHRG端输出高阻态,表示充电周期结束,充电结束阈值是恒流充电电流的10%。
如果要开始新的充电周期,只要将输入电压断电,然后再上电就可以了,或者将CE管脚的电压暂时拉到0V,再恢复到高电平。
当电池电压降到再充电阈值以下时,自动开始新的充电周期。
当输入电压低于电池电压时,充电器进入低功耗的睡眠模式,电池端消耗的电流小于3uA,从而增加了待机时间。
如果将使能输入端CE接低电平,充电器被关断。
CN3052A/CN3052B/CN3056的主要功能介绍电源低电压检测(UVLO) CN3052A/CN3052B/CN3056内部有电源电压检测电路,当电源电压低于电源电压过低阈值(典型值4.03V)时,芯片处于关断状态,充电也被禁止。
西安交大研发出高库伦效率的硅负极锂电池
佚名
【期刊名称】《电器工业》
【年(卷),期】2017(0)2
【摘要】近日,西安交大电气学院教授郑晓泉课题组与美国斯坦福大学材料学院教授崔屹、麻省理工学院核工系教授李巨课题组共同合作,通过一种特殊方法,在纳米硅负极外表面包覆一层人工的二氧化钛纳米层,
【总页数】1页(P6-6)
【关键词】纳米硅;负极;西安;锂电池;麻省理工学院;美国斯坦福大学;研发;二氧化钛【正文语种】中文
【中图分类】TM912.2
【相关文献】
1.西安铁一中大学区第五届暨西安铁一中第九届校园科技节开幕/西安高新四小深入推进家长学校工作/西安交大附中师生参加“穿汉服·学汉礼”大型研学活动 [J],
2.西安交大青岛研究院成功研发出高规格球形钛合金粉末 [J],
3.东芝研发出负极材料采用紫钨的超高速充放电锂电池 [J], 瑞稻;
4.预锂化法制备高首圈库伦效率的SnO2-Fe2O3@C负极材料 [J], 代宇;任锐;储伟
5.锂离子电池硅氧化物负极首次库伦效率的影响因素与提升策略 [J], 李辉阳;朱思颖;李莎;张桥保;赵金保;张力
因版权原因,仅展示原文概要,查看原文内容请购买。
西安交通大学科技成果——微型集成式固体电解质环境监测气体传感器项目简介随着工业化进程的加速推进,人类社会各方面的发展对化石燃料的消耗与日俱增,而由此产生的大气环境污染问题也愈发严重,对人类的生存和健康、自然生态环境造成极大的损害。
基于固体电解质的气体传感器,结合先进的MEMS和镀膜技术,对于CO2、SO2等污染性气体浓度的实时监测、防治十分重要。
封装的气体传感器项目以Li3PO4、Li3PO4-Li2SiO3固体电解质薄膜作为导电介质,研制CO2、SO2等环境监测气体传感器。
通过固体电解质薄膜的CO2、SO2气体传感器的响应原理分析,设计了集成式环境监测气体传感器,选择了合适的反应电极材料,结合MEMS薄厚膜工艺,采用热阻蒸发镀膜工艺沉积Li3P O4固体电解质薄膜,丝网印刷厚膜技术制备反应电极和加热电极,完成了集成式微型CO2、SO2气体传感器的研制、封装、测试,为工业应用奠定了基础。
微型气体传感器可实现CO2和SO2气体的高精度监测,并具有体积小、功耗低、成本低的特点。
批量化加工的气体传感器芯片技术指标市场前景及应用在诸多大气污染物中,CO2与SO2是引起气候变化和雾霾的主要污染源,其主要产生于各种金属的冶炼、石油化工产品的加工、工业及民用燃料的燃烧、各类机动车尾气的排放,对环境造成了严重的危害。
由于此类污染性气体的危害迫在眉睫,因而对CO2、SO2气体的实时、快速、有效检测,以及根据检测结果采取相应防治控制措施非常有必要。
由此可见,随着我国对环境保护治理的重视,将对高性能低成本的气体传感器具有紧迫而巨大的需求。
技术成熟度原理样机可小批量生产微型气体传感器。
已申请国家专利7项,其中授权4项。
合作方式合作开发。
西安交通大学新一代电子信息技术成果01双目可聚焦系统及其应用西安交通大学新一代电子信息技术成果01双目可聚焦系统及其应用成果简介:运劢目标的规觉信息叐丌可预测和控制因素影响,具有巨大的丌确定性,如运劢目标本身的规觉发化、复杂运劢场景和规觉遮挡等。
我们的研究目标集中在建立一种新的运劢规觉计算模型,包括规觉仸务学习、前期注意选择、协同运劢分析、鲁棒信息融合、上下文意识学习等,収展更有效的运劢目标跟踪和识别方法和计算工具,以突破智能规频监控、机器人和人机交互等的应用瓶颈。
人类规觉具有根据仸务和场景,把规觉注意集中于有意义场景目标的能力,选择性和主劢性是人类规觉信息处理的重要特征。
机器人系统具有良好的运劢能力,能够为机器人规觉系统实现外界信息获得的主劢性和规觉信息处理的选择性提供有效的控制手段。
通过算法编译赋予机器人规觉仸务学习的场景感兴趌目标収现能力,通过多通道场景规频的规觉目标关联性计算,实现同一监控场景物体,在丌同摄像机获叏的规频图像序列中,其目标图像的规点和尺度丌同,基于目标劢作和规觉外观的多线索感知特征整合的targetre-identification可以解决大场景图像微小目标的协同跟踪问题。
以PTZ相机为核心主劢目标选择聚焦规觉系统的物理实现。
PTZ相机具有镜头发焦、发倍和全方位转劢控制能力,它不固定摄像机的协同组合可解决进距离目标的清晰图像获叏。
因而,这种主劢目标选择聚焦双摄像机系统具有PTZ相机和固定摄像机的各自优势,既保证对大场景的丌间断监控,又可自劢跟踪感兴趌目标。
这种双摄像机系统可应用于规频监控,在自然场景下跟踪迚入主规场的行人戒车辆,幵获叏其高分辨率图像数据,为目标识别和叏证等提供高质量图像信息。
ATT双摄像机三大模块:1.从图像样本学习规觉仸务,在固定摄像机的监控场景图像主劢収现兴趌目标;2.规场耦合模块保证监控场景的显著目标图像坐标不PTZ相机控制参数关联;3.Kalman滤波时间对齐,PID控制调控PTZ相机跟踪感兴趌目标物体。
西安交通大学科技成果——高性能动力电池高镍系
三元正极材料
项目简介
动力锂离子电池在社会生产和生活中具有广泛的应用,比如新能源汽车。
发展高能量动力锂离子电池关键之一就是发展具备高储能能力的正极电极材料。
高镍系镍钴锰酸锂LiNi x Co y Mn z O2(NCM)具有高的储能容量(>200mAh/g)、高的工作电压和理论能量密度(800Wh/kg),能够满足单体电池能量密度的要求,是当前重点研究对象。
本项目成功发展高镍系三元正极材料,包括两个类别,即NCM-1和NCM-2。
NCM-1展示了优异的电化学性能,在2.7-4.5V工作电压区间和0.1C倍率下放电比容量大约210mAh/g;当倍率增加到5C时,放电比容量依然可以达到150mAh/g;在0.5C倍率下,经过100次充放电循环后,其容量保持率在95%以上。
NCM-2放点比容量较低,但是稳定性能更优。
产品性能优势
该系列高镍系三元正极材料具有高的克比容量、优异的循环稳定性和倍率性能。
同时该系列产品采用目前工业化制备方法,便于推广。
市场前景及应用
2018年中国锂电正极材料市场总产值达540亿元,其中三元正极材料占比最大,达258亿,总占比48%。
受新能源汽车动力电池需求持续拉动和补贴政策与电池能量密度挂钩等刺激下,促使三元正极材料市场需求量大幅提升。
目前只有高镍三元正极材料电池满足国家
新能源汽车最高补贴标准,所以该类型正极材料市场前景广阔。
技术成熟度原理样机
合作方式合作开发。
西安交通大学科技成果——锂电池组监控芯片
项目简介
我国汽车工业目前面临的三大挑战:汽车大国向汽车强国转变、汽车尾气带来的大气污染、汽车保有量快速上升引起的能源危机。
新能源汽车是汽车工业发展的必由之路,动力电池和电池管理技术是目前新能源汽车发展的重要瓶颈。
电池管理系统的重要在于,它可以保证锂电池的安全充放电:防止过充、过放引起的爆炸和燃烧;可以监控电池剩余电量、续航里程、电池电压、工作温度等信息;有助于延长电池组的使用寿命,降低汽车使用成本。
本项目中的锂电池组监控芯片是用锂电池供电的产品中不可或缺的芯片,能够完成电池组中单体电池的电压监控、温度监控和电量均衡等功能。
系统性能优势
该芯片包括一个12位ADC、高精度的电压基准、高压多路选择器和与片外CPU通信的接口。
芯片最多可以管理12节锂电池串联而成的电池系统。
电压测量精度为1mV、12节电池的测量时间小于20ms,测量时的功耗小于1mA,待机功耗小于50μA。
芯片还提供串行电流通信模式,可以实现多个芯片的串联通信,从而可用多个芯片完成数百伏电池组的管理。
核心监控芯片主要功能和性能:
(1)12节串联电池组监控,单芯片最高工作电压60V,最多16
个芯片串联,管理整个汽车电池系统;
(2)单体电池电压测量(误差小于3mV);
(3)电池组电压测量时间12ms;
(4)多芯片菊链串联通信(400V);
(5)电池电量均衡控制;
(6)多个温度检测点;
(7)过压过流保护;
(8)工作温度-45-135℃。
电路结构
市场前景及应用
适用于电动汽车和油电混合动力汽车、电动自行车、摩托车、单脚滑行车、高功率便携式设备、后备电池系统。
技术成熟度
陕西省工业攻关项目、西安航天民芯科技有限公司支持;芯片在韩国DongBu流片,测试指标达到预期。
实物展示
合作方式合作开发。