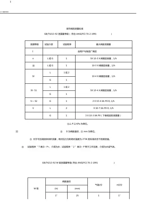
调节阀的泄漏等级
- 格式:docx
- 大小:23.10 KB
- 文档页数:4
400 28.4 -注:①每分钟气泡数是用外径6mm、壁厚1mm的管子垂直浸入水下5~10mm深度的条件下测得的,管端表面应光滑,无倒角和毛刺。
②如果阀座直径与表列值之一相差2mm以上,则泄漏系数可假设泄漏量与阀座直径的平方成正比的情况下通过类推法取得。
额定容量按计算公式条件△P<·P1 △P≥·P1液体气体Qg=4.73Kv表中:Q1———液体流量,m3/hQg——标准状态下的气体流量,m3/hKV———额定流量系数Pm=,KPaP1——阀前绝对压力,KPaP2——阀后绝对压力,KPa△P——阀前后压差,KPat——试验介质温度,取20℃G——气体比重,空气=1相对密度(规定温度范围内的水=1)氢气介质的阀门如何选型压力最高有150公斤,温度常温,介质:氢气,该如何选型?由于氢气介质的特殊性(分子小,易渗透发生氢脆,爆炸性等)对于阀体及阀盖质量要求很高。
1、阀体&阀盖材质优先选用锻件,如大口径阀门可选择铸件,但是一定需做RT 二级片标准;2、阀门设计及制造不能有尖锐的倒角,所有倒角需光滑过度,零件加工精度和表面度均要求很高;3、阀门需严格的清洗;4、压力试验时,强度试验需做气体强度试验,不能仅做介质为水的强度试验;5、如是临氢阀门,要求会更高,阀门材质需控制C、S、P含量,需做晶相试验等;6、氢气介质的阀门,还可以按照SHELL 77/308规范做氢气试验。
氢气是一种能渗透到金属材料内部并在常温或高温下引起材料变性(恶化)的介质。
常温下能引起金属材料的脆化和变形等,高温下能导致金属材料的腐蚀,常温下它能引起许多金属材料的反应力腐蚀开裂,高温下它能引起金属材料的快速均匀腐蚀氢气专用阀门采用铍青铜,铝青铜合金材料,经过大型摩檫压力机模锻而成,防爆性能达到最高IIC级,适用于各种浓度的氢气环境中作业,不产电火花。
阀门的基本参数是:公称通径、公称压力、压力一温度等级以及阀门适用介质。
/调节阀校验实施细则一. 适合范围:以4-20mA为输入信号的调节阀的校验对于带气动阀门定位器的调节阀可参照执行。
二. 技术要求1. 基本误差不超±1%。
2. 回程误差:仪表的回程误差不应超过基本误差的绝对值。
3.死区:仪表的死区不应超过基本误差绝对值的2/5。
4.气源压力变化的影响:当气源压力改变公称值的±10%时,仪表的行程变化应不超过公称行程的±1%。
三.校验条件1.环境要求:环境温度为5-35℃;相对湿度为45-85%;气源压力为公称值的±1%。
2.校验设备:具备有效的计量检定合格证明,标准设备基本误差的绝对值不宜超过被校准仪表基本误差绝对值的1/3.标准信号校验仪24V电源箱空气压缩机数字式万用表电秒表兆欧表百分表四.校验项目及校验方法1.调节阀出库时,应对制造厂质量证明书的内容进行检查,并按设计要求核对铭牌内容及填料,规格,尺寸,材质等,同时检查各部件,不得有损坏,阀芯锈蚀等现象。
2.膜头(气缸)气密性试验将最大工作压力的仪表空气输入薄膜气室,切断气源后5分钟内,气室压力不得下降,或者用肥皂水涂抹连接处,观察有无气泡产生。
3.阀体耐压强度试验试验在阀门全开状态下用洁净水进行,试验压力为公称压力的1.5倍,所有在工作中承压的阀腔应同时承压不少于3分钟(一般为5分钟),且不应有可见的泄漏现象。
4.泄漏量试验应符合下列规定:1)试验介质应为5—40℃清洁气体(空气或氮气)或清洁水。
2)试验压力为0.35MPa。
当阀的允许压差小于0.35MPa时,应为设计规定值。
3)试验时气开式调节阀的气动信号压力为零,气关式调节阀的信号压力宜为输入信号上限值加20KPa;切断型调节阀的信号压力应为设计规定值;4)当试验压力为阀的最大工作压差时,执行机构的信号压力应为设计规定值;5)允许泄漏量应符合下表要求:注:①ΔP为阀前后压差(kPa);② D为阀座直径(mm);③对于可压缩流体体积流量,绝对压力为101.325kPa和绝对温度为273K的标准状态下的测量值;④A试验程序时,应为0.35MPa,当阀的允许压差小于0.35MPa时用设计规定的允许压差;⑤B试验程序时,应为阀的最大工作压差.6)阀的额定容量应按下表所列公式计算注:Q1—液体流量(m3/h)Q2—标准状态下的气体流量(m3/h);K V—额定流量系统;P M=(P1+P2)/2(kPa);P1—阀前绝对压力(kPa);P2—阀后绝对压力(kPa);ΔP—阀前后压差(kPa);T—试验介质温度(℃),取20℃;G—气体比重,空气比重为1;ρ/ρO—相对密度(规定温度范围内的水ρ/ρO为1)。
阀门通用技术要求1通用要求1.1本部分条款适用于招标辅机配套供货阀门的通用要求1.2投标方提供的阀门均应符合国标,或ANSlB16.34、ANSIB31.1以及ΛWWΛ标准。
阀门选用的压力、温度等级应符合相应的运行工况,符合系统设计要求及有关法规和标准要求。
阀门的设计应按ANSl标准压力一温度等级考虑,1.3强度试验:阀门强度试验的计量单位应符合规定,试验值应加大圆整到最近的O.IMPa的倍数值。
具体规定如下:1.3.1PN系列阀门,水压强度试验压力按公称压力的1.5倍;也可将工作压力转换成相对应的公称压力取1.5倍进行强度试验。
1.3.2CIaSS系列阀门,水压强度试验压力按温度为38℃时最大允许工作压力值的1.5倍。
1.3.3安全阀进口的水压强度试验压力应按设计压力的1.5倍,出口侧按出口法兰压力级别的1.5PN或在温度为38C最大允许工作压力的1.5倍。
整定压力应按JB/T9624或GB/T12243的规定,并调整到整定压力范围的下限值出厂。
1.4密封性试验:阀门密封性试验的计量单位应符合规定,试验值应加大圆整到最近的0.1MPa的倍数值。
具体规定如下:1.4.1PN系列阀门,水压密封试验和上密封试验时的压力按公称压力的1.1倍;也可将工作压力转换成相对应的公称压力取Ll倍进行密封试验;当介质温度超过425℃,可按工作压力的1.25倍进行阀门密封试验。
1.4.2ClaSS系列阀门,水压密封试验和上密封试验时的压力按温度为38℃时最大允许工作压力值的Ll倍进行密封试验。
1.4.3安全阀密封试验压力按90%整定压力或最低回座压力(取较小值)进行密封试验。
1.4.4PN系列蝶阀、止回阀的密封试验压力应按公称压力的L0倍;Claas系列蝶阀、止回阀的密封试验压力按温度为38C时最大允许工作压力值的LO倍或按设计压差的1.1倍进行密封试验。
1.4.5低压气密封试验压力按0.4MPa~0.7MPa进行试验。
气动薄膜波纹管密封调节阀1范围本文件规定了工业过程控制系统用气动薄膜波纹管密封调节阀(亦称控制阀)的通用要求、技术要求、试验方法、检验规则及标识、包装、贮存等。
本文件适用于气动执行机构与阀组成的气动薄膜波纹管密封调节阀(以下简称调节阀)。
本标准中有关内容也适用于独立的气动执行机构和阀组件。
本标准不适用于承受放射性工作条件等国家有特定要求工作条件的调节阀。
2规范性引用文件下列文件中的内容通过文中的规范性引用而构成本文件必不可少的条款。
其中,注日期的引用文件,仅该日期对应的版本适用于本文件;不注日期的引用文件,其最新版本(包括所有的修改单)适用于本文件。
GB/T4213气动调节阀GB/T15464仪器仪表包装通用技术条件GB/T17213(所有部分)工业过程控制阀JB/T8218—1999执行器术语3术语和定义GB/T4213界定的术语和定义适用于本文件。
4通用要求4.1公称通径(DN)调节阀的公称通径DN后接数值应自下列优选数系中选取,单位为毫米(mm):6,10,15,20,25,32,40,50,65,80,100,125,150,200,250,300,350,400,450,500,600,700,800,900,1000,1200,1400,1600,1800,2000。
4.2公称压力(PN)调节阀的公称压力标志PN后接数值应自下列数值中选取,单位为1/10兆帕(1/10MPa):2,5,6,10,16,20,25,40,50,64,100,110,160,250,260,320,420,1600,2500。
注:以PN标志的与以等级(class)形式标志的公称压力部分对应关系为:PN20:class150;PN50:class300;PN64:class400;PN110:class600;PN160:class900;PN260:class1500;PN420:class2500。
4.3输入信号范围4.3.1标准输入压力信号范围调节阀的标准输入压力信号范围:20 kPa~100 kPa;14.3.2切断型调节阀的输入信号范围切断型调节阀,输入信号范围可在气源压力额定值内任意选取;4.3.3带有电-气阀门定位器的调阀的输入信号范围带有电-气阀门定位器的调节阀,标准输入电信号范围为直流4 mA~20 mA;4.3.4其他范围输入信号用户(订购方)要求的符合其他标准或特定范围的输入电信号。
注:调节阀的泄露标准GB/T4213-92 泄漏量等级(符合 ANSI/FCI 70-2-1991 )①厶P以KPa为单位。
②D为阀座直径,以 mm为单位。
③对于可压缩流体体积流量,绝对压力为和绝对温度为 273K的标准状态下的测定值。
④试验程序“ T表示△ P=、介质为水;试验程序“ 2 ”表示△ P等于工作压差、介质为水或气体。
GB/T4213-92 W级泄漏量等级( 符合 ANSI/FCI 70-2-1991 )注:分钟气泡数是用外径 6mm 壁厚1mmB 勺管子垂直浸入水下 5〜10mm 深度的条件下测得的,管端表面应光滑,无倒角和毛刺。
②如果阀座直径与表列值之一相差 2mm 以上,则泄漏系数可假设泄漏量与阀座直径的平方成正比的情况下通过类推法取得。
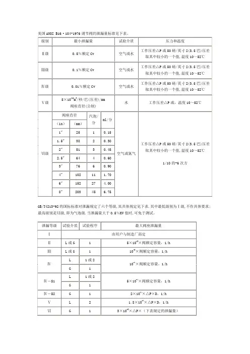
第一章国标对泄漏量的规定GB/T4213-92的国标标准对泄漏规定了六个等级,其具体规定见下表•其中最低级别为I 级,不作具体要求;最高级别是W 级,即为气泡级•当泄漏量大于% KV 值时,可免于测注:①厶P以KPa为单位。
②D为阀座直径,以 mm为单位。
③对于可压缩流体体积流量,绝对压力为和绝对温度为 273K的标准状态下的测定值•④试验程序“1”表示△ P=、介质为水;试验程序"2”表示△ P等于工作压差、介质为水或气体。
v1.0可编辑可修改4006注:①每分钟气泡数是用外径 6mm壁厚1mmB勺管子垂直浸入水下 5〜10mn深度的条件下测得的,管端表面应光滑,无倒角和毛刺。
②如果阀座直径与表列值之一相差2mn以上,则泄漏系数可假设泄漏量与阀座直径的平方成正比的情况下通过类推法取得。
额定容量按计算公式表中:Q1 -------- 液体流量,m3/hQ标准状态下的气体流量,m3/hKV ------ 额定流量系数Pn^ , KPaP1——阀前绝对压力,KPaP2――阀后绝对压力,KPa △ P――阀前后压差,KPa t ――试验介质温度,取 20 CG——气体比重,空气=17 v1.0可编辑可修改。
自力式调节阀泄漏等级标准
自力式调节阀是工业生产中常用的一种阀门,它能够根据介质
流量的变化自动调节阀门的开度,从而保持系统的稳定运行。
然而,即使是高质量的自力式调节阀也可能存在泄漏问题,因此需要制定
相应的泄漏等级标准来确保阀门的性能和安全。
泄漏等级标准通常由相关的行业标准或国家标准来规定。
这些
标准会根据阀门的用途、介质、工作压力等因素来设定相应的泄漏
等级要求。
一般来说,泄漏等级标准会分为几个级别,如零泄漏、
低泄漏、中等泄漏和高泄漏等级。
不同级别的泄漏标准对应着不同
的泄漏量要求,以确保阀门在实际使用中能够满足相应的安全和性
能要求。
制定泄漏等级标准的目的在于保证自力式调节阀在使用过程中
不会因泄漏问题而影响系统的正常运行,同时也能够避免对环境和
人身安全造成潜在的威胁。
因此,制定和执行严格的泄漏等级标准
对于保障工业生产的安全和稳定至关重要。
在实际生产中,制造商需要严格按照泄漏等级标准来设计、生
产和测试自力式调节阀,确保其达到相应的泄漏等级要求。
同时,
用户在选型和使用自力式调节阀时也需要根据实际需求和标准要求
来选择合适的阀门产品,并严格按照要求进行安装、维护和检测,
以确保阀门能够长期稳定、安全地运行。
总之,自力式调节阀泄漏等级标准的制定和执行对于保障工业
生产的安全和稳定具有重要意义。
只有严格执行相关标准要求,才
能确保自力式调节阀在使用过程中能够达到预期的性能和安全要求。
阀门泄漏等级标准
阀门泄漏等级有六个级别,最高一级六级,也常称为零泄漏,一级是几乎不做检测也没有什么要要求
调节阀在选型和生产、检测过程中,经常要用到泄漏量标准这一参数,它是检测调节阀性能的一个很关键的要素,特别在一些要求介质严格关闭的工况,如果泄漏量达不到标准,轻则影响产品质量,重则甚至可能产生生产事故。
这其中,单座阀和V型球阀泄漏量较小,而双座阀、套筒阀等则泄漏量较大。
对于泄漏量标准,中国国标和美国国标是我们实际中经常用到的标准,下面给出了这两种标准的比较列表。
国标GB/T4213.92
泄漏等级试验介质试验压力最大阀座泄漏量1/h
Ⅰ由用户与制造厂商定
Ⅱ水、空气或氮气A 5×10-3×阀额定容量
Ⅲ10-3×阀额定容量
Ⅳ水A或B 10-4×阀额定容量
空气或氮气A
Ⅳ-S1 水A或B 5×10-4×阀额定容量
空气或氮气A
Ⅳ-S2 空气或氮气 A 2×10-4×△P×D
V 水B 1.8×10-7×△P×D
VI 空气或氮气A 3×10-3×△P(续表泄漏量)。
调节阀技术规格选型说明书CONTROL VALVE SPECIFICATIONSVTB系列三偏心蝶阀◎概述VTB系列三偏心蝶阀是在二偏心蝶阀基础上生成一个角度(密封面为斜锥面),从而形成三偏心蝶阀。
该结构在启闭过程中无机械磨损和擦伤,其关闭力矩小、切断性能好、使用寿命长,同时具有调节和切断两种功能。
本系列产品广泛应用于石油、化工、电力、冶金、环保、轻纺、造纸等工业部门的自动化控制系统中。
适用于液体、气体、煤气、天然气、蒸汽等介质进行截止或调节流量控制。
调节阀技术规格选型说明书CONTROL VALVE SPECIFICATIONS·2 ·调节阀技术规格选型说明书 CONTROL VALVE SPECIFICATIONS· 3 ·表1-2本体部分材质:不锈钢调节阀技术规格选型说明书CONTROL VALVE SPECIFICATIONS ◎表5 法兰标准、外形尺寸及重量表5-1:法兰标准注:B*开档尺寸可按用户要求定制。
·4 ·调节阀技术规格选型说明书CONTROL VALVE SPECIFICATIONS表5-3:气动活塞式蝶阀外形尺寸及重量Array·5 ·调节阀技术规格选型说明书CONTROL VALVE SPECIFICATIONS注:表中重量为阀体部位的重量,公称压力为PN16。
注:B*开档尺寸可按用户要求定制。
·6 ·调节阀技术规格选型说明书 CONTROL VALVE SPECIFICATIONS· 7 ·表5-5:气动薄膜式蝶阀外形尺寸及重量(法兰式)调节阀技术规格选型说明书CONTROL VALVE SPECIFICATIONS 表5-6:气动单作用活塞式蝶阀外形尺寸及重量(法兰式)注:表中重量为阀体部位的重量,公称压力为PN16。
注:B*开档尺寸可按用户要求定制。
美国ANSI B16·104-1976调节阀的泄漏量标准见下表。
GB/T4213-92的国标标准对泄漏规定了六个等级,其具体规定见下表.其中最低级别为Ⅰ级,不作具体要求;最高级别是Ⅵ级,即为气泡级.当泄漏量大于0.5%KV值时,可免于测试。
注:①△P以KPa为单位。
②D为阀座直径,以mm为单位。
③对于可压缩流体体积流量,绝对压力为101.325KPa和绝对温度为273K的标准状态下的测定值.④试验程序“1”表示△P=0.35MPa、介质为水;试验程序“2”表示△P等于工作压差、介质为水或气体。
阀座直径mm泄漏量mL/min 每分钟气泡数25 40 50 65 80 100 150 200 250 300 350 400 0.150.300.450.600.901.704.006.7511.116.021.628.412346112745----注:①每分钟气泡数是用外径6mm、壁厚1mm的管子垂直浸入水下5~10mm深度的条件下测得的,管端表面应光滑,无倒角和毛刺。
②如果阀座直径与表列值之一相差2mm以上,则泄漏系数可假设泄漏量与阀座直径的平方成正比的情况下通过类推法取得。
额定容量按计算公式条件△P<·P1 △P≥·P1液体气体Qg=4.73Kv表中:Q1———液体流量,m3/hQg——标准状态下的气体流量,m3/hKV———额定流量系数Pm=,KPaP1——阀前绝对压力,KPaP2——阀后绝对压力,KPa△P——阀前后压差,KPat——试验介质温度,取20℃G——气体比重,空气=1相对密度(规定温度范围内的水=1)。
调节阀泄漏量标准
调节阀的泄漏量标准根据不同的标准有所差异。
在国外,通常采用ANSI-B16.104FCI70-2制定调节阀的泄漏量标准。
国内的标准有GBT/17213.4和GB4213。
泄漏等级分为Ⅰ、Ⅱ、Ⅲ、Ⅳ、Ⅴ、Ⅵ共六个等级。
等级Ⅰ是调节阀按照基础类型设计,可以对Ⅱ、Ⅲ、Ⅳ等级做些修正,根据用户和供方协议,可以不做试验。
等级Ⅱ的泄露量是0.5%×阀额定容量,一般为双座调节阀和平衡结构的套筒调节阀所要求达到的。
密封面为金属硬密封结构。
等级Ⅲ的泄漏量是0.1%×阀额定容量,一般为双座调节阀和平衡结构的套筒调节阀。
密封面为金属硬密封结构。
比等级Ⅱ要求稍高些。
等级Ⅳ的泄漏量是0.01%×阀额定容量,一般为单座调节阀和特殊密封的套筒调节阀。
是比较常用的泄露等级。
等级Ⅴ的泄漏量是0.05ml/min.in.psi。
一般为单座调节阀和特殊密封的套筒调节阀。
试验时采用最大工作压差。
等级Ⅵ的泄漏量是气泡级别的,泄漏量较小,阀座密封一般是弹性阀座。
请注意,这些标准可能因制造商和特定应用而有所不同。
因此,建议在选择和使用调节阀时,参考具体制造商提供的操作和维护指南以确保满足特定的性能要求和标准。
浙江**阀门有限公司DN50/PN40 单座调节阀泄漏量计算依据GB/T413-2008中的泄漏量要求,选择泄漏量等级IV级,试验介质为水(L),试验程序按程序1,试验压差0.35M pa。
阀门的泄漏量为:10-4⨯阀的额定容量。
因为:∆P=350Kpa ,单座调节阀流开式的压力恢复系数为F L:0.9 F2L(P1-F F P V)=0.92(350-0.95⨯2.34)=281.7F L:无附接管件控制阀的液体压力恢复系数,无量纲;P1:阀前绝对压力,Kpa ;F F:液体临界压力比系数,(规定温度范围内的水F F=0.96),无量纲;P V:入口温度下液体蒸汽的绝对压力,(规定温度范围内的水P V=2.34), Kpa ;Q1:液体流量,m3/h;K V:阀门的额定流量系数(DN50单座调节阀40),无量纲;ρ/ρ0:相对密度,(规定温度范围内水的相对密度ρ/ρ0=1)所以:∆P> F2L(P1-F F P V),流量计算按公式:Q1=0.1F L K V[(P1-F F P V)/(ρ/ρ0)]1/2Q1=0.1F L K V[(P1-F F P V)/(ρ/ρ0)]1/2Q1=0.1⨯0.9⨯40⨯[350-2.2464]1/2=67.14m3/h得DN50单座调节阀的充许泄漏量为:Q max=10-4⨯67.14m3/h =10-4⨯67.14⨯106/60ml/h=111.9ml/min5浙江**阀门有限公司DN50/PN40 单座调节阀壁厚设计计算书1、按薄壁阀体计算,用薄壁容器的计算公式:(阀体材质:WCB)t B=pD n/[2.3[]σ-p]+Ct B,=pD n/{2.3[]σ-p}t B--考虑附加裕量的壁厚(mm)t B,--按强度计算机的壁厚(mm)p--设计压力(常温下的最大允许工作压力)=4.0(Mpa)D n--阀体内腔的最大直径=50(mm)[σL]--材料的许用拉应力(常温)=87MpaC--考虑铸、锻造偏差、工艺流体的腐蚀等因素的附加裕量(设计给定S b,<5时取5mm)t B,=(4.0⨯50)/(2.3⨯87-4.0)=1.02 (t B=1.02+5mm=6.02mm)按照GB/T 12224-2005标准中对DN50/PN40売体最小壁厚的规定为4.8mm.而产品设计的实际数据为7.2mm,大于设计标准,故产品实际壁厚标准采用7.2mm。
调节阀特点调节阀特点调节阀特点目录调节阀特点 0直通单座调节阀特点: (2)直通双座调节阀特点: (2)轴流式调节阀特点 (2)CVS-C型减温减压阀(专用于高压蒸汽冷凝器的减压)特点: (3)三通调节阀特点:、 (3)角式调节阀特点: (3)隔膜阀特点: (4)套筒调节阀特点: (4)球阀特点: (4)偏心旋转阀特点: (5)蝶阀特点(蝶阀分为常温蝶阀(-29~425℃)、低温蝶阀(-196~-46℃)、高温蝶阀(425~610℃和610~816℃)、高压蝶阀:PN420(Class 2500)等几类。
): (5)闸阀特点: (6)自力式调节阀 (6)智能调节阀(因附带智能阀门定位器而使调节阀具有智能化功能) (7)智能阀门定位器与普通阀门定位器的主要区别: (7)带现场总线智能阀门定位器的气动调节阀较一般智能阀门定位器的特点: (7)直通单座调节阀特点:1)泄漏量小,容易实现严格的密封和切断,可采用金属与金属的密封或金属与聚四乙烯(PTFE)或其他复合材料的密封。
标准泄漏量为IEC 60534-4:2006中Ⅳ级。
2)允许压差小,例如DN100阀的允许压差仅为120Kpa3)流通能力小,例如DN100的直通阀的流通能力仅为100m3/ℎ。
4)由于流体对阀芯的推力大,即不平衡力大,因此在高压差、公称尺寸DN大的应用场合不宜采用这类调节阀。
直通双座调节阀特点:1)所受不平衡力下,允许的压降大,例如DN100的双座调节阀允许压差为280Kpa.2)流通能力强。
与相同公称尺寸的其他调节阀比较,双阀座阀可流过更多流体,相同公称尺寸的双座阀流通能力比单座阀流通能力大20%~50%。
例如,DN100双座调节阀的流通能力达160m3/ℎ。
因此为获得相同的流通能力,双座调节阀可选用较小推力的执行机构。
3)泄漏量大。
双座调节阀的上,下阀芯不能同时保证关闭,因此双座阀的泄漏量较大,标准的泄漏量为IEC 60534-4:2006的Ⅲ级。
调节阀阀座泄漏等级摘熹介绍了调节阀阀座泄漏等级的准确定义和试验方法,指出了兀种经常产生的误解,为正确选用调节阀阀座泄漏等级提供了恢据。
.1-前盲对于调节阀阀座泄漏等级的定义和应用,目前存在多种误解.影响了调节阀的正确选用。
调节阀阀座泄漏等级的原始标准是由美国国家标准学会建立,并由美国流体控制学会负责实施的(ANSI B16. 104 FCI70—2).我国M 电站调节阀技术条件》中有关泄漏等级的标准是参照该标准制订的。
规定阀座泄漏等级的目的.是为了向用户和生产厂家提供一种测试调节阀关闭性能或控制阀座泄漏能力的方法。
本文所讨抡的内容只能作为一种例子。
阀座泄漏试验应参照最新的ANSI标准,某一台阀门的实际允许阀座泄漏量取决于生产厂家公布的阀门通径及其型式。
本文所用的允许泄漏值只是表示了各种通用阀门的等级.而不应作为标准。
调节阀阀座泄漏量通常分为ANSI 1、1、■、IV、V及VI级。
这些等级中的每一■级都有其特定的试验方法和其试验荼件下的允许世漏值。
2. VI 缀W级通常被误解为“气密的”。
实际上VJ级允许有一定的泄漏量。
泄漏量通常是用从一根规定的试验导管中每分钟逸出的空气气泡数来计量的(表)。
町级一般用于弹性密封阀门.但也可用于具有其他密封形式的阀门,且已有过这方面的实践.VI级阀座泄漏试验介质为5。
〜125F 〜 52 X?)的空气或氮气:试验压力为阀芯最大额定压力与50psi lO. 35MPa)相比的低值。
Vi纵阙座泄具■注,表垦根据ANSI BIG. !O4— 1976所列.畏中列1B的jt 漏率地般是为量方便所采用的等致讦量方法. 试!Ifclfl 外植RU\6. 35mm〉、壁厚U. 0327 0. 82mm)的试管. -浸入水中1/8'-1/473. la—6. 试管曜口应加工半餐光滑,没有恻寤和毛刺,试管辅场庞与衣平而争直'也允样建立其他愁式的试验装置、其结果(气jfe数Anm)可艇同表中照列值不同.标准,致即可匚在动力工业中的大多数工况要求试验压力为50psi (0. 35MPa),因为在这些工况下,作用在阀门启闭件上的压力一般莓要比50psi (0. 35MPa)高很寥。
调节阀泄漏量及流量的选择
根据工艺对泄漏量的要求选择不同等级泄漏量的阀型。
一般直通单座阀泄漏量应小于或等于额定C值的0.01%,双座阀的泄漏量应小于或等于额定C值的0.1%。
流向的选择
1、球阀、普通蝶阀对流向没有要求,可选任意流向。
2、三通阀、文丘里角阀、双密封带平衡孔的套筒阀已规定了某一流向,一般不能改变。
3、单座阀、角形阀、高压阀、无平衡孔的单密封套筒阀、小流量调节阀等应根据不同的工作条件,来选择调节阀的流向。
1)对于DN≤20的高压阀,由于静压高,压差大,气蚀冲刷严重,应选用流闭型;当DN>20时,应选稳定性好为条件来决定流向。
2)角型阀对于高粘度、含固体颗粒介质要求“自洁”性能好时,应选用流闭型。
3)单座阀、小流量调节阀一般选用流开型,当冲刷严重时,可选用流闭型。
4)单密封套筒阀一般选用流开型;有“自洁”要求时,可选用流闭型。
5)两位式调节阀(单座阀、角形阀、套筒阀、快开流量特性),应选用流闭型;当出现水击、喘振时,应改选用流开型。
6)当选用流闭型且ds<d时(ds——阀杆直径;d——阀座直径),阀的稳定性差时,应注意以下几点:
最小工作开度大于20%~30%以上;
选用刚度大的弹簧;
选用等百分比的流量特性。
阀门的泄露等级GB/T4213-92的国标标准对泄漏规定了六个等级,其具体规定见下表.其中最低级别为Ⅰ级,不作具体要求;最高级别是Ⅵ级,即为气泡级.当泄漏量大于0.5%KV值时,可免于测试。
还有美国的标准也有6个等级。
泄漏等级试验介质试验程序最大阀座泄漏量Ⅰ由用户与制造厂商定ⅡL或G15×10-3×阀额定容量,1/hⅢL或G110-3×阀额定容量,1/hⅣL1或210-4×阀额定容量,1/hG1Ⅳ-S1L1或25×10-4×阀额定容量,1/hG1Ⅳ-S2G12×10-4×△P×D,1/hⅤL21.8×10-7×△P×D,1/hⅥG13×10-3×△P×(下表规定的泄漏量)注:①△P以KPa为单位。
②D为阀座直径,以mm为单位。
③对于可压缩流体体积流量,绝对压力为101.325KPa和绝对温度为273K的标准状态下的测定值.④试验程序“1”表示△P=0.35MPa、介质为水;试验程序“2”表示△P等于工作压差、介质为水或气体。
阀座直径mm泄漏量mL/min每分钟气泡数25405065801001502002503003504000.150.300.450.600.901.704.006.7511.116.021.628.412346112745----注:①每分钟气泡数是用外径6mm、壁厚1mm的管子垂直浸入水下5~10mm深度的条件下测得的,管端表面应光滑,无倒角和毛刺。
②如果阀座直径与表列值之一相差2mm以上,则泄漏系数可假设泄漏量与阀座直径的平方成正比的情况下通过类推法取得。
额定容量按计算公式条件△P<·P1△P≥·P1液体气体Qg=4.73Kv表中:Q1———液体流量,m3/hQg——标准状态下的气体流量,m3/hKV———额定流量系数Pm=,KPaP1——阀前绝对压力,KPaP2——阀后绝对压力,KPa△P——阀前后压差,KPat——试验介质温度,取20℃G——气体比重,空气=1相对密度(规定温度范围内的水=1)美国ANSI B16·104-1976调节阀的泄漏量标准见下表。