长虹ZLM60H-iS机芯液晶彩电维修手册
- 格式:pdf
- 大小:1.86 MB
- 文档页数:27
长虹新型液晶彩电故障检修技巧(三)□杜云鹏(上接2期)机型:55Q 2R (机芯:ZLM 60H -i )故障现象:不开机。
分析检修:上电,电源指示灯亮,但二次开机 背光不亮且电源伴有异响。
对该机电源板(型号:HSL 90D -6S 7 180)的输出电压进行检查,发现12.3V 电压只有6.7V 左右,为准确判断是电源板 本身问题还是负载短路引起,故先断开负载进行 测量,结果还是如此,因此判定电源板本身故障。
既然12V 电压不正常,则先分析该电压的形成过程:从主板输出的PS -O N 高电平控制信号 送至M O S 管Q 804栅极,使其饱和导通,通过光 耦N 102初级,二极管发光、次级光敏三极管导 通,反馈至电源振荡芯片U 202(NCP 1271 )的② 脚,同时,U 202的⑥脚V C C ( 12V )和⑧脚H V (来 自PFC 380V 产生高压)得电后开始工作,从其⑤ 脚输出激励驱动脉冲,使Q 304饱和导通,去驱动Q 101处于开关状态,再通过开关变压器T 301初、次级释放能量,D 905整流、C 911/C 912滤波后,产机主板供电框图如图3所示,上电,测得以U 14 (M P 1593D N )为中心的D C -D C 电路输出电压为OV 。
U 14及其外围元件组成的12V 电压形成电路如图4所示。
测量U 14的②脚输入24V 电压正 常,但输出电压为0V ,且12V 负载没有短路现象。
U 14的⑦脚(E N ,芯片工作与否的控制脚)是使能端,高电平时芯片工作。
在本电路中,⑦脚是悬空 的,在数字电路中空等效为高电平。
难道U 14坏断电,用指针万用表R X 100挡测量U 14各脚 对地电阻(红笔按地),发现⑧脚(软启动端)阻值 不稳定,在21dl 左右波动。
该脚外围只有一只电 容C 156(起充电延时作用),用电烙铁加热C 156, 阻值有变化,最后稳定为6kn ,由此判断C 156异 常。
长虹彩电维修资料与维修经验大集合使用方法:用Word打开,按Ctrl+F查找,输入你想查找的关键字!长虹电视机通病一览表!!!一、1、长虹系列对于LA7688N解码块关机亮点改进:去掉Y板(视放板)VD611、VD612背焊一只4148二极管,正接VD613正负接VD617-B极即可。
2、长虹29A18行场幅均不满,主电源只有75---85V,经查电源部分VD520性能不良,更换RU2即可。
3、长虹CK56B2----22”,行场振TA7698集成块33脚VCC+8.6V,如果只有4V左右时,为行推动开路[包括推动管、变压器等]。
4、长虹2939FD,上部回扫线[有部分台有],进入“S”总线,调回ABK--ENABLE[正常]即可。
[故障时亮度变亮]5、长虹N2918机只有兰背景无图声AV入,AV输出有图无伴音,调整微调候AV可有伴音,电视机有时有伴音,图差,且Y信号好象丢失。
经反复查为梳状有故障,把内部重焊一遍,一切正常[估计电容有漏电]。
注:如把本机按键插座取下,频道自动翻转。
6、长虹C2589工作一会场上部有黑条线无数,线性不良,经反复加热查为C329--471K涤电容不良,更换后正常。
7、长虹C2191出现“吱”声行不工作,拔掉偏转线圈,行管C极电压就正常,经查:C428--1UF/250V电容短路,更换正常。
8、长虹C2992出现上半部图象有锯齿状,经查C825[场供电电容]35V/1000UF后正常。
9、长虹G2125机,上半部拉长经查R402[120K]电阻开路,换后正常。
10、长虹2118FA(A6机芯),VD514(4148)开路时,代假负载时主电源完全正常。
代负载时2秒钟烧行管。
11、长虹C2919PK彩电,有电源指示,待机50V正常,但二次开机,立即保护,则是行输出负载(7)脚上VD408(RU4Z)短路,更换后一切正常。
12、长虹G2132(K)开机有电源指示,但不二次开机:行管二次不开机都严重发热,带假负载时主电源130V 又正常,经反复查为行偏转线圈短路。
液晶电视故障维修目前市场上的液晶电视从10″到55″约有十多种规格。
同一规格的液晶电视又会因功能和电路结构的不同形成多种型号。
国内外主要彩电生产厂家长虹、海信、TCL、创维、康佳、索尼、东芝、松下、LG、三星生产的液晶电视均已形成不同的系列。
液晶电视电路均采用模块化结构。
模块化是指将其中某部分或某几部分电路设计在一个电路板上。
液晶电视通常由信号处理板、AV 板、按键板、液晶屏、适配器或内置电源、DVD等组成。
首先看看液晶电视内部板块连接图:故障排除方法:图像类故障,基本上可以这样判断:a、如果故障与信号源有关(例如TV状态下出现;AV状态下不出现),则首先怀疑主芯片以前的部分;b、如果对所有图像及OSD屏显都异常,则怀疑LVDS信号以后部分(包括LVDS线路和TCON部分);c、特别的,如果屏幕出现竖线、竖带、或左右半屏异常,基本上是TCON部分的RSDS线附近的问题。
黑屏或白屏问题:a、首先也需要判断故障在开关电源、信号处理部分还是TCON部分。
b、有条件的可以通过测量连接信号处理部分和TCON部分之间的LVDS信号,来判断故障范围,如果正常,则怀疑后端的TCON部分;如果不正常,则检查前面的信号处理部分。
对于TCON部分检查,主要检查:关键点电压、RSDS线连接性。
故障具体分析:整机无电,显示黑屏液晶电视电源板输出一般为待机5V,数字板12V,背光板用24V。
如果出现三无故障时首先检查5V是否正常,如果不正常应检查待机电源电路,5V正常则检查数字板是否输出开机高电平,无高电平输出一般为数字板不良。
数字板有开机电平而无24V 12V 可以判断为电源板故障。
此时可以将电源拆下来单独修理。
维修方法:在24V或12V输出端接24V或12V汽车灯泡作假负载,在开机脚和5V间加470-1K电阻模拟开机,有输出,故障出在驱动板或高压板。
仍然没有24V 12V电压输出,故障出在液晶电源,测量大电容的电压是否为390V(无PFC功率因数电路的为300V)来判断这部分电路是否有故障。
长虹新型液晶彩电故障检修技巧(二)□杜云鹏(上接1期)机型:U D 49D 6000i (机芯:ZLM 60H -1)故障现象:黑屏。
分析检修:该机二次开机后出现黑屏,但声音 正常,这说明电源板输出的供电、主板产生的LVDS 上屏信号及上屏电压都没有问题,初步判断是背光源损坏,或者液晶显示屏异常引起。
为判断背光源是否损坏,首先借助LED 背光 检测仪(可测试背光灯条是否被点亮,并检测工作 电流是否正常),发现是因工作电流异常而引起的 背光熄灭,故判定灯条损坏。
因为每根灯条(不同厂家、批次)参数存在差 异,故全部换为同一规格的灯条,但更换后出现亮 度不均的闪烁现象。
仔细检查电源板、主板、显示 屏都没有发现有明显故障(有条件可以代换检 测),问题究竟出在哪里呢?背灯有闪烁,应该跟调光控制电路有关,随后 用数字三用表检测主板的背光亮度控制输出信号 (BL -DIMMING )的电压为0.8V (正常电压应在 1 V ~3.3V 之间变化,最后稳定为3V 左右),异常。
于是将BL-DIMMING 信号与3.3V 短接(这样操 作后背光将无法调节,亮度为最大值),开机后背 光不再闪烁,说明主芯片或调光控制电路上有元 件存在故障。
调光控制电路工作过程:主板正常工作后,从 主芯片U M 1(M T 5508)输出背光亮度(电压可控) 控制信号,送至调光控制电路中的三极管QA 01 的基极,使其导通,从而在其集电极得到调光控制 信号(BL -ADJUST ),再通过插座J 1的①脚,送至 背光驱动电路,从而调节背光灯串工作电流,使背灯亮度可控。
怀疑更换的灯条上个别灯珠参数存在稍微差 异不匹配而引起的闪光,适当改变调光控制电路的元件参数,通电长时间观察背光不再闪烁,如图 4所示,故障 彻底排除。
背 灯点亮检测 及调光电路如图5所示。
@R A 34 4.7k ^1005 R A 224.7k /R 1005R A 123750R 1005R A 21100/R 100SR A 32 N S /0_R 1005I ^Q A O IQ _T3< 1^1 S O T -2:I T 3904J ,R A 30100/N S T R 1005C A 04:0 1 U /16V /N S C 100S> F o «a t O $3D O U T S P W M T O U T⑤提示:遇见闪光的故障,除了检查背光灯串工 作电流是否正常外,还需考虑灯串参数是否匹配。
V r我笔学修-赫平捩推修讲座长虹ZLM65HIS机芯主板电路及实物维修图解(四)i nf».»1a«1.62VU A4为伴音功放IC,型号:TAS5719。
主要引脚 电压如下:6脚:内部1.8V模拟电压调节;⑬脚:关机静音 3.26V;⑳脚:串行音频数据的左/右时钟1.63V;㉑脚:音频数据串行时钟1.65V;@脚:串行音频 数据输入1.45V;⑳、⑭脚:I2C串行数据/时钟 3.27V;⑮脚:复位;@>脚:内部稳压器输出 6.99V;⑮脚:半桥输出电源输入12V;⑯、⑩、⑪、⑭脚:半桥高边自举电源6.55V;®脚:半桥D 输出0V;®脚:半桥C输出0V;⑫脚:半桥B输 出0V;⑭脚:半桥A输出0V U M5为用户存储器,型号:M24C32- W〇d M D脚:接地;⑤ 脚:数据4.14V;⑥ 脚:时钟4.15V。
⑦ 脚:开关3.29V;⑧ 脚:供电4.14V。
存储用户操作等数 据和H D M I的k e y 数据U27 为+5V 转 A V D D1.2V 形成 1C,型号:M P1470。
(1)脚:接地;©脚:开关输出1.19V;③ 脚:电源输入5.12V;④ 脚:电压反馈0.87V;⑤ 脚:使能控制4.6V;⑥脚:自举5.4V。
从Q1出来的的+5V电压经U27转换成1.2V电压,主要供给主芯片D T M B部分供电□周强U14为+12V转 1.02V_V C C K形成电压1C,型号:M P8761GLE。
①脚:使能6.34V;②脚:频率稳定0.4V(啸叫);③脚:反馈,输出电压保护(OVP)0.6V;④脚:软启动0.99V(啸叫,关机);⑥脚:内部上拉电阻4.7V;⑦脚:内部4.8V,L D O输出:4.7V;⑧脚:B S T自举5.5V;⑨、⑭脚:供电输出+12.2V;⑮、⑯脚:电压输出0.54V,C C K:1.02V;⑤、⑩~@脚:接地。
长虹新型液晶彩电故障检修技巧(五)□杜云鹏(上接4期)机型:50D 2000i (机芯:ZLS 59GiD )故障现象:不开机。
分析检修:由于该机为不开机现象,先通过串 口打印工装连接主板,查看开机打印信息,没有显 示任何信息,判断主板有问题。
将主板取下连接上 “修机王”工装进行检修,结果上电后还没二次开 机,连接“修机王”的上屏转接板中绿色发光二极 管已点亮(不亮说明正常)。
接着测量主板上屏插座J P 7的①〜④脚电压为12.01V ,且二次开机后屏幕也无任何反应,说明虽然已产生了上屏12V 供 电,但主芯片是否完全正常工作有待进一步检查。
随后检测待机和时序控制电压+12V _N o r m a l 、 +5V _N o r m a l 及+5V _S t a n d b y 、+12V 、VDD C _1.15V 、 V DD C _CPU _1.15V 、+1.5V_DDR 等均正常,只有 供电并不能证明主芯片U 201 (MSD 6A 628)的 M C U 已开始正常工作,于是继续检测其复位、键 控和总线,也都正常。
检查晶振Y 100( 24M H z )两C20422p/C10052l Y10011M /H C24»<zrR1005 T ~ XTALS-L9 ^丁 XTALS- ~*C 208l I-22p/C1005 字脚电压时发现 一脚电压为 0.01V ,另一脚 电压为3.29V , 明显异常,如图 17所示。
再测两 脚对地阻值分别为3.i 9k n 和3.29k f l ,正常。
更换晶振Y 100和两只贴片电 容 C 204、C 208,故障依旧。
在排除主芯片U 201外围元件均无问题前提 下,将主芯片上B G A 返修台进行更换处理后,上 电检测Y 100两脚电压,已恢复为正常的1.61V 、 1.63V ,将主板回装后试机,故障排除。
相关电路如 图18所示。
踉我f t t ;晴平捩谁修讲座长虹ZLM 65HIS 机芯主板电路及实物维修图解(三)□周强EiltiaiiHalaiigaiBiMiH D M 11、H D M I 2路网络匹配电阻等。
用二极管 U C 2为USB +5V 提供H D M I 识别检测供电挡,红笔接地,黑笔测试,阻值如下(X I ): 1C ,型号:S G M 2554A 。
U 9为+5V 转+3V 3_Tuner 三端稳压1C ,型号: A Z 1117H -3.3。
①脚:接地;②脚:电压输出3.27V ;③脚:电压输入5.15V ;④脚:反馈端3.3V 。
+5V 电压通过Q 1控制后得到,然后通过U 9 转换成3.3V 给高频头供电U 02 为+5V 转 D V D D 3V 3、A V D D 3V 3 三端稳压 1C ,型号:AP 1084D -ADJ 。
①脚:反馈2.03V ;②脚:电压输出3.3V ;③脚:供电输入5V 。
经U 02转换成两路电压分别给e M M C 、主芯 片等供电613、605、605、1.06k 、607、707、711、785、785、784、 ①、⑤脚:电源输出 4.9V ;②脚:接地;783、784、784、672、081、665、603、708、711、785、 ③脚:电源输入 5V ;④脚:使能 2.2V 。
785、783、784、784、784、0,测试上边左至右26只 当H D M 1信号与外接设备连接后,主芯片识 电阻对地阻值 别输出使能信号打开U C 2,U C 2开始工作Easy learningwww.jw APPL-IANGE TREPAITRINGT P U2TP1146asy learning'T«f。
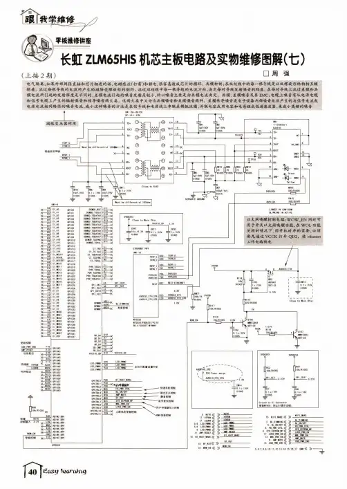
..… B T R ST15 BT_RST 《》-------=—l5 ■0■ EM《» *°'-E I1LIN K ED IN 10M /IO O M B LIN K IN G IN A C T IV E以大网唤醒控制电路:WO \V _E N 同时可 用于开关以太网唤醒功能,在W O L 功能关闭的情况下,因开机时序的需要,必须 要先通过V C C K 打开QD 2,使ethemet 工作电路供电网络变压器作用b« differentUl 1R X V P _Im Y跟M 学维修_平板椎修讲座长虹ZLM 65HIS 机芯主板电路及实物维修图解(七)(上接2期)□周强电气隔离:如果外部网张直接和芯片相连的话,电磁感应(打雷)和静电,很容易造成芯片的损坏:共模抑制:在双绞线中的每一根导线是以双螺旋形结构相互缠 绕着。
流过每根导线的电流所产生的磁场受螺旋形的制约c 流过双绞线中每一根导线的电流方向,决定每对导线发射嗓音的程度。
在每对导线上流过差模和共 模电流所引起的发射程度是不同的,差模电流引起的噪音发射是较小,所以嗓音主要是由共模电流决定。
共模、差模嗓音及其EMC :电規•上嗓音有从电源电现 和信号电续:上产生的辐射嗓音和传导噪音两大类。
这两大类中又分为共模嗓音和差模嗓音两种,差模传导嗓音是电子设备内部嗓音电压产生的与信号电流或 电源电流相同路径的嗓音电流,减小这种嗓音的方法是在信号线和电源线上串联差模扼流圈、并联电容或用电容和电感组成低通漶波器,来减小高頻的嗓音S BTI >>>>>>>>>>>>>>>>-<<<<<<<<<<<<<<<<=變5t7l 7LE LED LE MP HOST iil>>>>>>>>>>>>>>$<<<<<<<<<<<<<<$ AKE i ofF TRL i EH EH p FII ri -i M li i l -l rL u s a .155 5 C T 3丄少丄T -I 0>:!-E 1B 8Q 2F 4B 2F 1A 2K 7F 501s =1SSIsl1l ===i i 3=l i l I 1J Z I PEM )EKioD noloo )OD <oo IOD IOD >OD HO放c clc P V P \I 3V R >VRI I E _l L EO 'LEO ;019*3456780-01T R L T R L T R L T R L T W .T W .T R L T R L T R L T R L T R L IT D I 1o p c o p c o p c E o p c i o r e o p c y-#liK )-23M 5w 7l 89l o t 11213u 1s s 171819202122232425s 27288)30>31>32)33)34>35s )373839M O 5>47l o l l o o l o l t v l o l o t l o l o l lo t l o o o o l o l o l o lo lo l o l o l o l o l o l ol o l o o o o a aa o o a o l a l o l o o -l a l a GPI GPI GPI GPI QPI QPI QPI QPI GPI QPIapl QPI QPI QPI GPI GPI QPI GPI GPI GPI QPI CPI QPI QPI GPI GPIQPI QPI QPI GPI GPI GPI QPI GPIGPIQPI QPI GPIQPI QPI QPI QPI QPI L IVA L i lla MM D I s 0«D 2D 3M :D 5s D 7i l l i i i -l i>S T 042043i 04s OM 04804»080os2oas lose los705805«§ QPI v l GPI QPI GPI QPI apl opl QPI QPI opl apl GPI QPI GPI SRV SR SRV SRV SRVSR SRVSRVI N 0I N 1I N 2I N 3-I N 4I N 5:I N f l I N 7A D I A D I A O I A O I A O I A D I A O I A O I H4^-T7i ^-iH55D4E4K63D33E3F33S H5J5M H3x -x -x -x -x -x -v x -^.^^x x -x -x -x -x --x -x -x -x -x -〉S C8A5A4MC2x -x -x x ->b :I II A J 31E A B 291x -x -x -+x -x -y .=g j =i X X -X -X -E a sylearningA P P i -I A T S J C E T R E P A n R I T S I G100/R100x -521-是HDM I 接口的一个重要扩展功能,它采用(上接3页)表1插座CN 6201引脚功能HO*l 0_SOAH PD 热插拔:信号电平为高时表示接收端设备已经准备好了,允许源 端设备访问接收端设备10〇7l 0P W R 5VEC8US l»p«dano«:35<Z<57. 5B5817«/S00123CC1SI0U/18VC 20I 25INENH O _l 播入使能控剩打开RH92 100/R1005 W L,PW R_EW •SOC554A S0T23-5L 2* fo r ^…0U17ES0402V014CT R1005RCIfl10k/R100513ES0402VR1005T行E D ID 數据 及H D C P 密 钥的交流~[«i10y /18V f C2012[I r c m S Z S Z 5Z S Z S Z 5Z S Z N 'O t i Z S 〇H 1 /_ ^D H 2Z A 〇H 3/ S W h Z S 3>»8 Z A 3>H 82 S ^Z S d H 1<2 S >H ' i Z S W t 2TR1005 22 2 2 2 2 2 2 2 2 2 2MS/ES0402V014CTSTBY 3.3V3.3V 待机电,Easy learning引脚标注|功能lP O W E R O N 湞弁/吴信号输入2P W M -D I M M E R |脉冲调光信号输入3P F C -O N|PFC-黾薛瓦动信号搔入4DC:—D I M M E R |直流调光信号输入5B L -O N "|脊夹开/吴S 号瘉X6B L -E R R >先敌餐(言号輪出7A C -O F F -D E T 丨电源电压检测信号输出8T -C O N -O N ■|王1电运输也桓制僖号iXR X 0 2L_RX_0_Cn o i l 一c^s ------'wm 0 S C L 0 /15主要用于H D M I 源端设备(Source )与接收端设备I\ -i r f B l 4*H O B 12.0 PortO (WL)HDMI 、M H L 袭容电路设计:M H L 复用了 HDMI 的第 2、7、9、18、19PINr 当连接M H L 设备时,MHL_SENSE 电平置高,MT 5520 将 MHL _PWR _E N 置高,打开电源开关 UC 2,为外接M HL 设备供电,并进行 相关M H L 的协议通信DH 32 pravantHMII_0_sa___________________________:s s a s a S O A :S O A 5i l _01:2:_3_o J :2x i y i H D M I E W H I S T B ?™S T B SE C 8U .H M -H M 1 0-1-2-3- »0-0-0- 3-52-s -i- - - s 111 s ss W N I i l r 'E A V D O A V D O A V D Ol HPOl l -55255J - mt £:623F23''J:二RH2I-t±__-。
A!=>!=>l_l A.N ICE REF>AIRirMG 炮滋晶刎溉修6例□周强例1:一台32D3700i(IJBB)型机(ZLM75H1S 机芯),灰屏。
分析检修:更换四合一主板(板号:856201694JUC6.690.00206632)后,故障依旧,根据机号区隔码G95查询,得知该机采用C320X16-E3-B(4)模组,HV320WHB-N86型屏。
用写码器将24C32数据读出,显示屏参错误,将屏参修改为“BO_1W_C320X16_E3_B4"并写回24C32,接上打印工装,将"upgrade_ALM75HiS_MT5510_ Vl.00044.pkg"升级文件拷入FAT32文件系统的U盘根目录下,然后将U盘插入电视机的USB口中,按住本机待机键不松手,给电视机上电,通过打印信息发现主板已进入升级状态,升级结束重启,满屏出现8mm左右宽的均匀竖黑条。
进入工厂模式检查屏参,已正常,怀疑配用主板错误,经核对主板无问题。
转向检查上屏线,找到一台32D3700i(LM8L)彩电(配用HV320WHB-N86型屏),其上屏线触点如图1所示。
换用该屏线后故障排除,这说明故障确系上屏线线序不对所致。
对比这两种上屏线,发现故障机原用6满芯排线,对照图1,取出满芯扁平排线中的多余排线后试机,故障排除。
例2:—台43Q5TF型机(ZLH85Gi机芯),图像上下跳动,有时灰屏。
分析检修:上电测量主板上各路DC-DC输出电压:电感L250输出电压为5.11V.L211输出电压为0.97V.L233输出电压为3.29V.L210输出电压为1.12V.L215输出电压为1.51V.U218②脚输出电压为1.82V,均正常。
测量主芯片U1(Hi3751V553)@>、i®、@)、酸®、@、(©脚电氐未发现异常。
随后取下U1上的黑色铝制散热片,对U1进行补焊(芯片采用TSOP封装的方式),发现白色导热双面胶的中下部有明显烧熾发黄的痕迹,如图2所示。
长虹液晶电褪故障检修实镧(上)□杜光明例1: 一台LED 32C 3000型机(机芯:L S 42S ), (LED +)在刚开机时升至57V ,随后逐渐降为几开机后黑屏。
分析检修:上电开机,指示灯亮,屏幕闪亮一 下后黑屏;用手电筒照射屏幕,有暗淡图像。
根据 故障现象分析,判断背光电路或灯条有问题。
该机 采用的是电源+背光驱动二合一组件,型号为HSS 30D -1M B 190。
测量背光驱动输出电压伏。
该机背光驱动电路由背光驱动芯片U 201 (MP 4012)、升压管Q 407等元件组成,如图1所不。
开机后,开关电源输出36V ,经过储能电感L 402加至Q 407的漏极,同时U 201①脚得到12V供电,从③脚输出驱动脉冲,使Q 407工作于导通和截止状态,储能电感L 402产生的感应电动势与36V 电压叠加,输出LED + 电压点亮背光灯。
根据上述所测LED + 电压判断背光驱动电路存 在过压或过流保护现象。
检查过压检测电阻R 426~R 428及过流检测电阻 R 422、R 424、R 425、R 429,均正常。
当测量M O S 管表1 U 201(MP 4012)引脚功能与参考电压引脚标注功能电压(V )1VIN 供电11.72VDD 7.7V 基准电压输出7.73DRIVE 驱动输出 2.34GND 地05CS1电流检测输入06SL 锯齿波斜率补偿07R T 外接振荡频率设置电阻 6.88SYNC 同步1.49CL 电流限制设定010REF 1.2V 基准电压输出1.211FAULT 故障指示,L E D 灯电流控制7.712OVP 过压检测输入313PW M 背光亮度调节输入 3.214CO M P 转换器补偿 1.915ISET 灯电流阈值设置0.516FB灯电流检测输入0.52Q 414漏极电压时,发现背光闪亮一下(正常时应不亮),怀疑Q 414异常。
取 下Q 414测量,发现其漏极与源极之间漏电,误使U 201⑯脚(FB )电压升至0.82V ,电路进入过流保护状态。
I 维修手册适用机芯 ZLS59G-iP/ ZLS59G-iP-1/ ZLS59G-iP-3 适用机型32Q1F / 40Q1F / 43Q1F / 49Q1F / 50Q1F 55Q1F / 58Q1F拟制 2014年10月会签 2014年10月审核 2014年10月主管 2014年10月批准 2014年10月四川长虹电器股份有限公司多媒体产业公司目录第一章ZLS59G-i/ZLS59G-iP-1/ZLS59G-iP-3机芯液晶电视的特点和整机组成...... - 2 -第二章 ZLS59G-i/ZLS59G-iP-1/ZLS59G-iP-3机芯主要集成电路功能简介错误!未定义书签。
第三章 ZLS59G-i/ZLS59G-iP-1/ZLS59G-iP-3 机芯整机信号流程分析及关键点测量数据. ........................................................... 错误!未定义书签。
第四章 ZLS59G-i/ZLS59G-iP-1/ZLS59G-iP-3 机芯液晶电视典型故障维修流程及实例... ........................................................... 错误!未定义书签。
第五章ZLS59G-i/ZLS59G-iP-1/ZLS59G-iP-3机芯液晶电视维备件清单................. ........................................................... 错误!未定义书签。
第六章ZLS59G-i/ZLS59G-iP-1/ZLS59G-iP-3 机芯液晶电视工厂模式设置及升级注意事项 ........................................................... 错误!未定义书签。
附:一、ZLS59G-i/ZLS59G-iP-1/ZLS59G-iP-3 机芯长虹液晶电视原理图二、ZLS59G-iP/ ZLS59G-iP-1/ ZLS59G-iP-3 机芯长虹液晶电视装配图三、ZLS59G-iP/ ZLS59G-iP-1/ ZLS59G-iP-3 机芯长虹液晶电视走线图四、ZLS59G-iP/ ZLS59G-iP-1// ZLS59G-iP-3 机芯长虹液晶电视用户手册第一章 ZLS59G-i/ZLS59G-iP-1/ZLS59G-iP-3机芯液晶电视的特点和整机组成一、ZLS59G-iP/ ZLS59G-iP-1/ZLS59G-iP-2/ZLS59G-iP-3 机芯简介ZLS59G-iP/ ZLS59G-iP-1/ ZLS59G-iP-2/ZLS59G-iP-3 机芯以晨星半导体公司(MSTAR)智能芯片MSD6A628VX-W4为核心,通过在电路、软件、芯片等层面的系统性技术集成,Andriod 4.4智能操作系统搭建开放式平台,实现电视、超强多媒体文件播放、网络在线、全网浏览器、智能多屏互动、智能语音控制、用户自主安装应用程序等智能电视功能。
长虹ZLM61HIPJ机芯液晶彩电更换主板后开机LOGO不匹
配的调整方法
周强
【期刊名称】《家电维修》
【年(卷),期】2021()1
【摘要】长虹ZLM61HIH机芯主板用于三洋和长虹多型液晶彩电中,其开机LOGO有“CHANG HONG”和“SANYO”之分。
可参考以下方法调整。
例如一台三洋48CE210M型液晶彩电,更换主板后的开机LOGO如图1所示。
先进入维修模式,查看软件代码,如图2所示,与机型不符,并且菜单选项里面的机型无三洋机型。
【总页数】2页(P24-25)
【作者】周强
【作者单位】不详
【正文语种】中文
【中图分类】TN9
【相关文献】
1.长虹ZLS58机芯液晶彩电开机时序控制电路分析(上)
2.长虹ZLS58机芯液晶彩电开机时序控制电路分析(中)
3.长虹ZLS58机芯液晶彩电开机时序控制电路分析(下)
4.长虹ZLM41G-iJ机芯液晶彩电主板电路分析与故障维修(一)
5.长虹
ZLM41G-iJ机芯液晶彩电主板电路分析与故障维修(二)
因版权原因,仅展示原文概要,查看原文内容请购买。