温度计套管选型
- 格式:doc
- 大小:68.50 KB
- 文档页数:5
搪玻璃温度计套管标准搪玻璃温度计套管是一种用于保护温度计的设备,它可以保护温度计免受腐蚀和机械损坏。
在工业生产中,温度计是一种常用的测量工具,而搪玻璃温度计套管的标准对于保证温度计的准确性和可靠性至关重要。
本文将对搪玻璃温度计套管标准进行详细介绍,以便大家更好地了解和应用。
首先,搪玻璃温度计套管的材质是至关重要的。
一般来说,搪玻璃温度计套管的材质应该选择耐腐蚀、耐高温的材料,比如不锈钢、钛合金等。
这样可以保证在恶劣的工作环境下,温度计套管不会受到损坏,从而影响温度计的准确性。
其次,搪玻璃温度计套管的尺寸也是需要符合标准的。
尺寸过大或过小都会对温度计的测量结果产生影响,甚至损坏温度计。
因此,在选择搪玻璃温度计套管时,需要根据实际使用的温度计尺寸来确定合适的套管尺寸。
另外,搪玻璃温度计套管的安装和使用也需要符合标准。
在安装过程中,需要确保套管与温度计之间的密封性良好,以防止介质泄漏或腐蚀温度计。
同时,在使用过程中,需要定期对套管进行检查和维护,确保其完好无损,以保证温度计的准确性和稳定性。
此外,搪玻璃温度计套管的标准还包括了对其外观和表面处理的要求。
一般来说,搪玻璃温度计套管应该表面光滑,无明显的气泡、裂纹或凹凸不平的现象。
这样可以保证温度计套管在工作过程中不会对介质产生污染或影响测量结果。
总的来说,搪玻璃温度计套管标准对于保证温度计的准确性和可靠性至关重要。
通过选择合适的材质和尺寸、严格按照安装和使用标准进行操作,可以有效地保护温度计,延长其使用寿命,确保工业生产过程中温度的准确测量。
希望本文对大家有所帮助,谢谢阅读!。
1、应用
与热电偶、热电阻、双金属温度计配套使用,保护热电偶、热电阻、双金属温度计正常工作,且可用于防腐及高压高流速等特殊场合。
2、特点
1.全部参照IEC国际标准设计
2.盲孔加工,耐高压
3.与设备同期制造和安装
4.不同压力等级,可满足不同需要。
3、主要技术参数
公称压力:一般是指在常温下,保护管所能承受的静态外压而不破裂。
允许工作压力不仅与保护管材料,直径,壁厚有关,且与其结构形式,安装方法及被测介质的流速,种类有关。
水压实验:对保护管的耐压和泄露检查有要求时,须对保护管进行试验。
试验压力为保护管耐压等级的15倍。
X射线探伤试验:对保护管的壁厚,偏心距等项目检查有要求时,须按用户要求进行检查。
4、型号命名方法
5
材质使用温
度℃
特点及用途
1Cr18Ni9Ti -200—800
具有高温耐腐蚀,通常作为一般耐热钢使用
304 -200—800
低碳含量,具有良好耐晶间腐蚀性,通常作为一般耐热钢使用
316 -200—750
低碳含量,具有良好耐晶间腐蚀性,作为耐腐蚀钢使用
316L -200—750 超低碳含量,具有良好耐晶间腐蚀性,
6、选型须知
1.型号
2.套管代号
3.插入深度
4.套管材质
例:装配热电偶,活络管接头式,K型,套管代号TH02AB,插入深度150,套管材料316: WRN-52TH02AB U=150。
温度套管是一种用于保护管道和设备免受高温或低温影响的管状材料。
它通常由耐高温、耐腐蚀的材料制成,如不锈钢、合金钢等。
温度套管的标准主要包括以下几个方面:
1. 材料标准:温度套管的材料应符合相关国家或行业标准的要求,如ASTM、ASME、GB/T 等。
常用的材料有304不锈钢、316不锈钢、Inconel合金等。
2. 尺寸标准:温度套管的内径、外径、壁厚等尺寸应符合设计要求和国家标准的规定。
例如,对于DN50的温度套管,其内径应为58.8mm,外径应为67.9mm,壁厚应为
3.5mm。
3. 表面处理标准:温度套管的表面应光滑、无裂纹、无气泡、无氧化皮等缺陷。
常用的表面处理方法有抛光、酸洗钝化等。
4. 技术要求标准:温度套管的技术要求应符合设计要求和国家标准的规定。
例如,对于高温环境下使用的温度套管,其耐热性能应满足设计要求;对于低温环境下使用的温度套管,其低温韧性应满足设计要求。
总之,温度套管的标准是确保其质量和性能的重要保障。
在选购和使用温度套管时,应根据实际需求选择合适的材料和规格,并严格按照相关标准进行检验和验收。
温度套管标准摘要:一、温度套管标准概述二、温度套管的分类与性能三、温度套管的应用领域四、温度套管的选型与安装要求五、我国温度套管标准的发展与现状六、国际温度套管标准概述七、温度套管的未来发展趋势正文:一、温度套管标准概述温度套管是一种用于测量、控制和保护温度传感器的特殊管道,具有较高的精确度和稳定性。
温度套管标准主要规定了温度套管的材质、结构、尺寸、安装和测试等方面的技术要求。
这些标准为温度套管的设计、生产和应用提供了重要的参考和指导。
二、温度套管的分类与性能根据用途和结构的不同,温度套管可分为以下几类:1.保护套管:主要用于保护传感器,防止传感器受机械损伤、化学腐蚀等影响。
2.补偿套管:主要用于补偿温度传感器在安装过程中产生的线性热膨胀。
3.测量套管:主要用于连接传感器和测量设备,实现对温度的测量和控制。
温度套管的性能主要包括:1.热传导性能:温度套管应具有较高的热传导性能,以保证传感器信号的准确性。
2.抗磨损性能:温度套管应具有较好的抗磨损性能,以延长使用寿命。
3.抗腐蚀性能:针对不同应用环境,选用具有相应抗腐蚀性能的材质。
4.密封性能:温度套管应具有良好的密封性能,防止介质泄漏。
三、温度套管的应用领域温度套管广泛应用于工业生产、科学研究、医疗卫生、能源电力、交通运输等众多领域,对于保障设备运行安全、提高生产效率、降低能源消耗具有重要意义。
四、温度套管的选型与安装要求1.选型:根据实际应用需求和工况条件,选择合适的温度套管材质、结构和尺寸。
2.安装要求:温度套管的安装应严格按照设计要求和规范进行,确保连接牢固、密封可靠。
五、我国温度套管标准的发展与现状我国温度套管标准在不断发展和完善,现行的国家标准主要包括GB/T 18049-2009《工业用温度传感器套管》、JB/T 8622-1997《热电偶用补偿套管》等。
这些标准为我国温度套管行业的发展提供了有力支持。
六、国际温度套管标准概述国际上,关于温度套管的标准主要有ISO 10628-1《工业管道系统- 温度传感器保护套管》等。
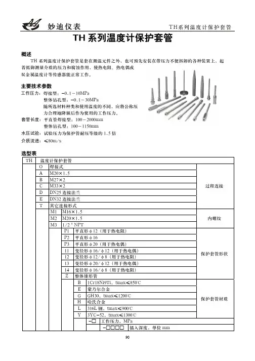
TH系列温度计保护套管90TH 系列温度计保护套管概述TH 系列温度计保护套管是套在测温元件之外,也可预先安装在带压力不便拆卸的各种装置上,起着抵御测量介质的压力和腐蚀作用,使热电阻、热电偶或双金属温度计等传感器能正常工作。
主要技术参数工作压力:焊接型:-0.1~10MPa整体钻孔型:-0.1~30MPa随所选材料种类和使用温度的不同,应将公称压力合理地降额后作为使用的工作压力。
套管长度:平直管焊接型:100~2000mm整体钻孔型:100~1150mm水压试验:试验压力为保护管耐压等级的1.5倍介质流速:≤80m/s选型表TH 温度计保护套管O 焊接式A M20×1.5B M27×2C M33×2D DN25连接法兰E DN32连接法兰T 其它连接形式过程连接 M1 M16×1.5 M2 M20×1.5M3 1/2"NPT内螺纹 P1 平直形φ12(用于热电阻)P2 平直形φ16P3 平直形φ20(用于热电偶)11 变径形φ16/φ12(用于热电偶)12 变径形φ12/φ8(用于热电阻)13 变径形φ20/φ12(用于热电偶)14 变径形φ16/φ8(用于热电阻)Z 整体锥形管保护套管形状 B 1Cr18Ni9Ti,tmax≤850℃ E 蒙乃尔合金G GH30,tmax≤1200℃H 哈氏合金L 316L 钢,tmax≤900℃Y 3YC-52,tmax≤1300℃保护套管材质 -□ 工作压力,MPa-□□□□ 插入深度,单位mm。
温度计套管安全操作规定前言在实验室和工矿企业中,使用温度计进行温度测量是非常常见的操作。
为了保证操作安全,温度计需要采用套管进行保护。
温度计套管的选择和使用必须符合一定的规定,以确保操作安全。
本文将介绍温度计套管的安全操作规定。
温度计套管概述温度计套管是一种常用的保护装置,用于防止温度计因受热或污染而失灵。
根据用途不同,温度计套管的材质和规格也有所不同。
常见的温度计套管材质有金属、陶瓷、玻璃、硅胶等。
温度计套管的规格是根据温度计直径和长度来确定的,一般由生产厂家按照相关标准制作。
温度计套管的选择1.材质选择不同的温度计套管材质具有不同的耐腐蚀性、耐磨性、耐擦伤性和热传导性能。
需根据实际需要进行选择。
•金属套管:适用于高温和高压环境。
如316不锈钢、纯钛、钨热、钼等。
•玻璃套管:适用于化学稳定性要求高的场合。
•硅胶套管:耐酸碱,耐高压,常用于工矿企业等。
•陶瓷套管:适用于高温和高压环境下,具有较好的耐磨性和抗腐蚀性。
适合于硫酸化工、钢铁等行业。
2.规格选择温度计套管的外径应小于测温元件的外径,长度要根据温度计原本的长度选择。
各种套管的长度一般按照GB7135-86标准规定的尺寸制作。
温度计套管的使用1.安装方式•温度计套管需要放置在温度计外围,以保护温度计避免破裂或污染。
•温度计套管安装时要求套管与温度计要严密贴合,且无间隙,以确保测量准确。
•安装好的温度计套管要进行严格的测试,以验证其测量准确度。
2.温度计套管的保养•温度计套管要做好清洁和消毒工作,以确保其安全性和灵敏度。
•温度计套管应保持干燥,以免出现腐蚀及老化的情况。
•温度计套管出现毛病时,应第一时间更换,以保证操作安全。
温度计套管的注意事项1.温度计套管需要定期检查,以保证操作安全性。
发现问题应及时处理,或更换套管。
2.温度计套管的安装应符合相应的标准,以确保测量准确度。
3.温度计套管安装的场所要干燥、清洁、无震动、无腐蚀气体,以确保测量准确度。
双金属温度计的选型探讨一、基本概念1、插入长度l温度计插入温度计套管内的长度,一般厂家产品样本中给出的订货长度,即自双金属温度计工艺接口密封面(螺纹下端)到双金属温度计尾端的长度。
2、插入深度Ud温度计插入管道内的深度,为反映实际温度由设计部门提出的安装要求,一般情况下插入管道的1/3至1/2处。
二、说明1、插入长度l的规格插入长度的规格根据保护管的直径的不同,对于保护管的直径为φ10一般情况下最小插入长度为75mm,大于75的按50的整数倍增加,如100、150、200、250、300、400、500、750、1000等。
GB18603-2001规定,对于大口径管道温度计的插入深度不应小于75mm。
2、尺寸说明L:温度计套管总长度l:插入长度H:管嘴长度,一般情况下为30-120,视管道保温层的厚度决定U:温度计套管插入深度A:螺纹长度13-15B:退刀槽宽度3-5C:温度计底部与套管底部留出的距离4-10E:套管底部厚度3-4F:工艺管道厚度δ:密封垫厚度2Ud:插入深度公式:L=H+U=l+A+B+C+E-δU=l+A+B+C+E-δ-HUd=l+A+B-δ-H-F=U-F-C-E三、选型步骤1、根据工艺测量要求确定插入深度2、由插入深度初步计算插入长度3、对插入长度进行调整,取50的倍数,取50的倍数4、根据插入长度确定套管的长度例:已知H=60,工艺管道为DN150设A+B-δ=16,C+E=10,F=201)插入深度:1/3-1/2DN,即50-752)插入长度:l=75+20+60-16=1403)对l进行调整:l=1504)确定套管长度:L=150+16+10=1765、确定其它技术参数:包括保护管和外壳的材质、刻度盘尺寸、连接螺纹规格、量程、表盘直径、保护管直径、套管材质、型式、内径、连接螺纹规格等四、注意事项1、温度计的插入长度与插入深度是两个不同的概念。
2、保护管和保护套管是两个不同概念3、保护套管的长度要根据插入长度确定。
温度传感器(热电阻热电偶)保护套管材质如何选型?
温度传感器保护套管材质选用十分重要,它直接影响温度传感器的使用寿命,客户应根据不同的使用环境选用对应的温度传感器保护套管。
本公司可根据客户样品、图纸及使用环境定做各种型号热电偶、热电阻、双金属温度计保护套管及其它特殊型号温度传感器保护套管,法兰。
本公司是中国zui大的温度仪表生产基地,现同德国ABB公司合作生产温度、压力、流量控制仪表系列。
温度传感器保护套管的详细资料:
1、应用
与热电偶配套使用,保护热电偶正常工作。
且可用于防腐、高压高流速等特殊场合。
2、特点
全部参照IEC国际标准设计盲孔加工,耐高压与设备同期制造和安装不同压力等级,可满足不同需要。
3、主要技术参数
公称压力:一般是指在常温下,保护管所能承受的静态外压而不破裂。
允许工作压力不仅与保护管材料,直径,壁厚有关,且与其结构形式,安装方法及被测介质的流速,种类有关。
水压实验:对保护管的耐压和泄露检查有要求时,须对保护管进行试验。
试验压力为保护管耐压等级的15倍。
X射线探伤试验:对保护管的壁厚,偏心距等项目检查有要求时,须按用户要求进行检查。
4、型号命名方法
温度传感器套保护管材质选型表:
材质。
反应釜温度计套管规格尺寸摘要:1.反应釜温度计套管的概述2.反应釜温度计套管的规格3.反应釜温度计套管的尺寸4.反应釜温度计套管的选择与安装正文:一、反应釜温度计套管的概述反应釜温度计套管,顾名思义,是用于测量反应釜内温度的一种装置。
它通常由金属制成,具有良好的耐热性能和抗腐蚀性能。
反应釜温度计套管可以在高温、高压等极端环境下正常工作,为反应釜的安全运行提供可靠的温度监测。
二、反应釜温度计套管的规格反应釜温度计套管的规格主要取决于反应釜的尺寸和温度范围。
常见的规格有以下几种:1.内径:通常根据反应釜内径的大小来选择,以确保温度计套管与反应釜紧密贴合。
2.外径:外径决定了温度计套管的安装空间,需要考虑反应釜的空间限制。
3.长度:根据反应釜的高度来选择,以确保温度计套管可以插入到反应釜的深度。
4.温度范围:根据反应釜内可能达到的最高温度和最低温度来选择,以保证温度计套管在正常工作范围内。
三、反应釜温度计套管的尺寸反应釜温度计套管的尺寸主要包括内径、外径和长度。
在选择尺寸时,需要考虑反应釜的实际情况,如内径、外径、高度等,以及温度计的类型和安装方式。
只有合适的尺寸,才能确保温度计套管与反应釜的完美结合,实现精确的温度监测。
四、反应釜温度计套管的选择与安装在选择反应釜温度计套管时,需要综合考虑反应釜的尺寸、温度范围、介质特性等因素,选择合适的规格和尺寸。
在安装时,要注意以下几点:1.确保温度计套管与反应釜的连接紧密,无泄漏。
2.安装时,避免温度计套管受到机械损伤,影响使用。
3.保持温度计套管的清洁,避免因污物影响温度测量的准确性。
温度套管在电厂四大管道主蒸汽管道上的选型应用邵平【摘要】As long term withstanding high temperature, pressure and high velocity impact, under harsh working conditions, thermowell is required to be high safety factor. In this paper, it analyzes accident of thermowell breaking in forepart of the main steam valve in Lanxi Power Station in 2007. Also this paper classifies applications of some types thermowell, and provides some information of thermowell selections in similar units for reference.%热电偶长期承受高温高压及高流速的汽水冲击,在恶劣的工况条件下,对本体的安全系数要求非常高。
本文对2007年兰溪电厂主阀前温度套管断裂事故进行了分析,分类列举几种温度套管的选型应用,以供同类机组选型做参考。
【期刊名称】《仪器仪表用户》【年(卷),期】2016(023)010【总页数】4页(P50-53)【关键词】温度套管;结构;安装方式;选型应用【作者】邵平【作者单位】宁波奥崎仪表成套设备有限公司,浙江宁波 315200【正文语种】中文火力发电厂4大管道作为电厂的重要高温高压管道,温度套管的选型安装直接影响到火电机组的生产安全,结合火力电厂运行过程中的实际情况,罗列几种套管的优缺点,供同类机组选型应用。
兰溪电厂4#机组自整套启动试运行以来,在不到20天的时间里,主汽阀前有3只温度套管先后发生泄漏。
高温套管的规格型号高温套管是一种常用于电力设备、石油化工、矿山机械等领域的工程材料,具有耐高温、耐腐蚀、耐磨损等优良的性能。
高温套管的规格型号主要包括管径、壁厚、长度等多个方面,下面将对这些方面逐一进行介绍。
首先是管径,高温套管的管径是指套管的内径或外径,一般用毫米(mm)作为单位。
根据实际需要,高温套管的管径可以选择不同的尺寸。
常见的管径规格有6mm、8mm、10mm、12mm等,也可以根据用户需求定制特殊尺寸的管径。
其次是壁厚,高温套管的壁厚是指套管的壁的厚度。
壁厚的选择会影响到高温套管的使用寿命和耐压能力。
一般情况下,高温套管的壁厚越厚,其抗压能力越强,但相对来说会增加工程成本。
常见的壁厚规格有0.5mm、1mm、1.5mm等,也可以根据具体使用环境和需求进行定制。
第三是长度,高温套管的长度是指套管的整体长度。
长度的选择需要根据具体的使用需求和工程设计进行决定,常见的长度规格有1000mm、2000mm、3000mm等。
高温套管的长度也可以根据用户需求进行定制加工,以满足不同场景下的使用要求。
除了上述常见的规格型号外,高温套管的材质也是影响其性能的重要因素。
高温套管一般采用耐高温、耐腐蚀的材料进行制作,如硅胶、氟橡胶、聚四氟乙烯等。
这些材料具有良好的耐高温性能,可以在高温环境下保持稳定的性能表现。
在选择高温套管规格型号时,需要考虑到以下几个方面。
首先是使用环境的温度和压力。
不同的使用环境对高温套管的需求也有所不同,因此需要根据实际情况选择合适的规格型号。
其次是使用目的和要求,例如用于电线绝缘、管道密封等不同的用途需要选择不同的规格型号。
还有工程预算和经济性,根据有限的经济投入选择适当的规格型号,以实现性价比的最佳平衡。
综上所述,高温套管的规格型号包括管径、壁厚、长度等方面。
根据使用环境、使用目的和经济性等多个因素,选择合适的规格型号对于高温套管的应用是非常重要的。
在实际应用过程中,可以参考供应商提供的产品规格表和咨询专业人士的建议,以确保选择到最适合的高温套管规格型号。
温度仪表的选型原则及注意事项一、一般原则1、单位及标度(刻度)温度仪表的标度(刻度)单位,统一采用摄氏温度(℃)。
2、检出(测)元件插入长度插入长度的选择应以检出(测)元件插至被测介质温度变化灵敏具有代表性的位置为原则。
但在一般情况下,为了便于互换,往往整个装置统一选择一至二挡长度。
在烟道、炉膛及带绝热材料砌体设备上安装时,应按实际需要选用。
检出(测)元件保护套材质不应低于设备或管道材质。
如定型产品保护套太薄或不耐腐蚀(如铠装热电偶),应另加保护套管。
安装在易燃易爆场所的就地带电接点的温度仪表、温度开关、温度检出(测)元件和变送器等,应选用防爆型。
二、就地温度仪表的选型1、精确度等级一般工业用温度计:选用1.5级或1级。
精密测量和实验室用温度计:应选用0.5级或0.25级。
2、测量范围最高测量值不大于仪表测量范围上限值的90%,正常测量值在仪表测量范围上限值的1/2左右。
压力式温度计测量值应在仪表测量范围上限值的1/2~3/4之间。
3、双金属温度计(1)在满足测量范围、工作压力和精确度的要求时,应优先选用。
(2)表壳直径一般选用φ100mm,在照明条件较差、位置较高及观察距离较远的场所,应选用φ150mm。
(3)仪表外壳与保护管连接方式,一般应选用万向式,也可以按照观测方便的原则选用轴向式或径向式。
4、压力式温度计适用于-80℃以下低温、无法近距离观察、有振动及精确度要求不高的就地或就地盘显示。
5、玻璃温度计仅用于测量精确度较高、振动较小、无机械损伤、观察方便的特殊场合。
但是,由于汞害,不宜使用玻璃水银温度计。
6、基地式仪表就地或就地盘装测量、控制(调节)仪表,宜选用基地式温度仪表。
7、温度开关适用于温度测量需要接点讯号输出的场合。
三、集中温度仪表的选型1、检出(测)元件(1)根据温度测量范围,选用相应分度号的热电偶、热电阻或热敏电阻。
(2)热电偶适用于一般场合。
热电阻适用于无振动场合。
热敏电阻适用于要求测量反应速度快的场合。
1、应用
与热电偶、热电阻、双金属温度计配套使用,保护热电偶、热电阻、双金属温度计正常工作,且可用于防腐及高压高流速等特殊场合。
2、特点
1.全部参照IEC国际标准设计
2.盲孔加工,耐高压
3.与设备同期制造和安装
4.不同压力等级,可满足不同需要。
3、主要技术参数
公称压力:一般是指在常温下,保护管所能承受的静态外压而不破裂。
允许工作压力不仅与保护管材料,直径,壁厚有关,且与其结构形式,安装方法及被测介质的流速,种类有关。
水压实验:对保护管的耐压和泄露检查有要求时,须对保护管进行试验。
试验压力为保护管耐压等级的15倍。
X射线探伤试验:对保护管的壁厚,偏心距等项目检查有要求时,须按用户要求进行检查。
4、型号命名方法
5
材质使用温
度℃
特点及用途
1Cr18Ni9Ti -200—800
具有高温耐腐蚀,通常作为一般耐热钢使用
304 -200—800
低碳含量,具有良好耐晶间腐蚀性,通常作为一般耐热钢使用
316 -200—750
低碳含量,具有良好耐晶间腐蚀性,作为耐腐蚀钢使用
316L -200—750 超低碳含量,具有良好耐晶间腐蚀性,
6、选型须知
1.型号
2.套管代号
3.插入深度
4.套管材质
例:装配热电偶,活络管接头式,K型,套管代号TH02AB,插入深度150,套管材料316: WRN-52TH02AB U=150。