喷射混凝土分项工程质量验收记录表
- 格式:doc
- 大小:13.05 KB
- 文档页数:1
说明主控项目1.喷射混凝土应优先采用硅酸盐水泥、普通硅酸盐水泥。
水泥进场时,必须按批对其品种、级别、包装或散装仓号、出厂日期等进行验收,并对其强度、凝结时间、安定性进行试验,其质量必须符合现行国家标准《硅酸盐水泥、普通硅酸盐水泥》(GB175)等的规定。
当在使用中对水泥质量有怀疑或水泥出厂日期超过3个月(快硬硅酸盐水泥逾一个月)时,必须再次进行强度试验,并按试验结果使用。
检验数量和检验方法见《铁路隧道工程施工质量验收标准》(TB10417—2003)第6.2.1条的规定。
2.喷射混凝土所用的细骨料,应按批进行检验,其颗粒级配、坚固性指标应符合国家现行标准《普通混凝土用砂质量标准及检验方法》(JGJ52)的规定,细度模数应大于2.5,泥块含量应符合铁道部现行《铁路混凝土与砌体工程施工质量验收标准》(TB10424)附录B的规定,含泥量不应大于3%。
检验数量:同一产地、同一品种、同一规格且连续进场的细骨料,每400 m3或600 t为一批,不足400 m3或600 t也按一批计。
施工单位每批抽检一次。
监理单位见证取样检测,抽检次数为施工单位抽检次数的20%,但至少一次。
检验方法:施工单位现场取样试验。
监理单位检查全部试验报告,见证取样检测。
3.喷射混凝土所用的粗骨料,应按批进行检验,其颗粒级配、压碎指标值、针片状颗粒含量应符合现行铁道行业标准《铁路混凝土与砌体工程施工质量验收标准》(TB10424)附录C的规定。
粗骨料最大粒径不宜大于16 mm,并宜采用连续粒级,含泥量不应大于1%。
检验数量和检验方法同细骨料。
4.混凝土外加剂进场时,必须按批对减水率、凝结时间差、抗压强度比进行检验,其质量必须符合《混凝土外加剂》(GB8076)、《混凝土外加剂应用技术规范》(GB50119)等现行国家标准和其它有关环境保护的规定。
检验数量和检验方法见《铁路隧道工程施工质量验收标准》TB10417—2003第7.3.4条的规定。
人防表格范本一、分项工程质量验收记录1 结构工程2防水工程3孔口防护工程4建筑装修工程5给水排水工程1、结构工程(RFJ01—2002)4.1—1 土石方分项工程质量验收记录(RFJ01—2002)4.2—1 爆破掘进分项工程质量验收记录(RFJ01—2002)4.3—1 盾构分项工程质量验收记录(RFJ01—2002)4.4—1 沉井分项工程质量验收记录(RFJ01—2002)4.5—1 地下连续墙分项工程质量检验评定表(RFJ01—2002)4.6—1 打(压)桩分项工程质量验收记录(RFJ01—2002)4.7—1 灌注桩分项工程质量验收记录(RFJ01—2002)4.8—1 模板分项工程质量验收记录(RFJ01—2002)4.9—1 钢筋绑扎分项工程质量验收记录(RFJ01—2002)4.9—2 钢筋焊接分项工程质量验收记录(RFJ01—2002)4.10—1 混凝土分项工程质量验收记录(RFJ01—2002)4.10—2 混凝土设备基础分项工程质量验收记录(RFJ01—2002)4.11—1 喷射混凝土分项工程质量验收记录(RFJ01—2002)4.12—1 构件安装分项工程质量验收记录(RFJ01—2002)4.12—1 构件安装分项工程质量验收记录(用于装配式大板建筑)(RFJ01—2002)4.13—1 钢结构焊接分项工程质量验收记录(RFJ01—2002)4.13—2 钢柱制作分项工程质量验收记录(RFJ01—2002)4.13—3 钢梁制作分项工程质量验收记录(RFJ01—2002)4.13—4 钢管构件制作分项工程质量验收记录(RFJ01—2002)4.13—5 钢柱安装分项工程质量验收记录(RFJ01—2002)4.13—6 固定式钢梯、栏杆、平台安装分项工程质量验收记录(RFJ01—2002)4.13—7 钢结构油漆分项工程质量验收记录(RFJ01—2002)4.14—1 砌砖分项工程质量验收记录(RFJ01—2002)4.14—1 砌石分项工程质量验收记录2、防水工程(RFJ01—2002)5.1—1 防水混凝土结构分项工程质量验收记录(RFJ01—2002)5.2—1 水泥砂浆防水层分项工程质量验收记录(RFJ01—2002)5.3—1 涂料防水层分项工程质量验收记录(RFJ01—2002)5.4—1 卷材防水层分项工程质量验收记录(RFJ01—2002)5.5—1 金属防水层分项工程质量验收记录(RFJ01—2002)5.6—1 油膏嵌缝防水分项工程质量验收记录(RFJ01—2002)5.7—1 止水带防水分项工程质量验收记录3、孔口防护工程(RFJ01—2002)6.1—1 防护门、防护密闭门、密闭门门框墙制作分项工程质量验收记录(RFJ01—2002)6.2—1 钢筋混凝土防护门、防护密闭门、密闭门安装分项工程质量验收记录(RFJ01—2002)6.2—2 钢质防护门、防护密闭门、密闭门安装分项工程质量验收记录(RFJ01—2002)6.3—1 防爆波活门、防爆超压排气活门安装分项工程质量验收记录(RFJ01—2002)6.4—1 进、出工程管线的防护密闭分项工程质量验收记录4、建筑装修工程(RFJ01—2002)7.1—1 一样抹灰(级)分项工程质量验收记录(RFJ01—2002)7.2—1 水磨石分项工程质量验收记录(RFJ01—2002)7.2—2 假面砖、拉条灰、拉毛灰、仿石和彩色抹灰分项工程质量验收记录(RFJ01—2002)7.2—3 喷涂、滚涂和弹涂分项工程质量验收记录(RFJ01—2002)7.3—1 混色油漆(级)分项工程质量验收记录(RFJ01—2002)7.3—2 清漆(级)美术油漆和地面打蜡分项工程质量验收记录(RFJ01—2002)7.4—1 刷(喷)浆(级)分项工程质量验收记录(RFJ01—2002)7.5—1 裱糊分项工程质量验收记录(RFJ01—2002)7.6—1 饰面分项工程质量验收记录(RFJ01—2002)7.7—1 罩面板安装分项工程质量验收记录(RFJ01—2002)7.7—2 钢、铝合金骨架安装分项工程质量验收记录(RFJ01—2002)7.8—1 整体地面分项工程质量验收记录(RFJ01—2002)7.9—1 板块地面分项工程质量验收记录(RFJ01—2002)7.10—1 木质板地面分项工程质量验收记录(RFJ01—2002)7.11—1 木门窗安装分项工程质量验收记录(RFJ01—2002)7.11—2 钢门窗安装分项工程质量验收记录(RFJ01—2002)7.11—3 铝合金和塑钢门窗安装分项工程质量验收记录5、给水排水工程(RFJ01—2002)8.1—1 给水管道安装分项工程质量验收记录(RFJ01—2002)8.1—2 给水硬聚氯乙烯(PVC—U)塑料管、铝塑复合管道安装分项质量验收记录(RFJ01—2002)8.2—1 给水管道附件及卫生器具给水配件安装分项工程质量验收记录表(RFJ01—2002)8.3—1 给水附属设备安装分项工程质量验收记录表(RFJ01—2002)8.4—1 排水管道安装分项工程验收记录表(RFJ01—2002)8.4—2 排水硬聚氯乙烯(PVC—U)塑料管道分项质量验收记录表(RFJ01—2002)8.5—1 卫生器具安装分项工程质量验收记录表(RFJ01—2002)8.6—1 洗消器具安装分项工程质量验收记录表(RFJ01—2002)8.7—1 立式污水泵安装分项工程质量验收记录表6、采暖、通风与空调工程(RFJ01—2002)9.1—1 采暖管道安装分项工程质量验收记录表(RFJ01—2002)9.2---1 散热器及太阳能热水器安装分项工程质量验收记录表(RFJ01—2002)9.3—1 采暖附属设备安装分项工程质量验收记录表(RFJ01—2002)9.4—1 金属管抽制件分项工程质量验收记录表(RFJ01—2002)9.5—1 无机玻璃钢风管制件分项工程质量验收记录表(RFJ01—2002)9.6—1 通风部件制作分项质量验收记录(RFJ01—2002)9.7—1 风管及部件安装分项质量验收记录(RFJ01—2002)9.8—1 非金属风管(风道)制作与安装分项工程质量验收记录表(RFJ01—2002)9.9—1 过滤器、除尘器、过滤汲收器安装分项工程质量验收记录表(RFJ01—2002)9.10—1 密闭阀门安装分项工程质量验收记录表(RFJ01—2002)9.11—1 消声(减振)设备制作与安装分项工程质量验收记录表(RFJ01—2002)9.12—1 通风机和除尘机安装分项工程质量验收记录表(RFJ01—2002)9.13—1 防腐与油漆分项工程质量验收记录表7、建筑电气安装工程(RFJ01—2002)10.1—1 电缆线路分项工程质量验收记录表(RFJ01—2002)10.2—1 配管及管内配线分项工程质量验收记录表(RFJ01—2002)10.3—1 护套线配线分项工程质量验收(RFJ01—2002)10.4—1 槽板配线分项工程质量验收报告记录表(RFJ01—2002)10.5—1 变压器安装分项工程质量验收报告记录表(RFJ01—2002)10.6—1 成套配电柜(盘)及动力开关柜安装分项工程质量验收记录表(RFJ01—2002)10.7—1 低压电器安装分项工程质量验收记录表(RFJ01—2002)10.8—1 电气照明器具及配电箱(盘)安装分项工程质量验收记录表(RFJ01—2002)10.8—1 柴油发电机组安装分项工程质量验收记录表8、防火设备安装工程(RFJ01—2002)11.1—1 防火门和防火卷帘安装分项工程质量验收记录(RFJ01—2002)11.2—1 灭火器具安装分项工程质量验收记录表(RFJ01—2002)11.2—2 灭火器具安装分项工程质量验收记录表(RFJ01—2002)11.3—1 防烟排烟部件的制作与安装分项工程质量验收记录表(RFJ01—2002)11.4—1 火灾自动报警装置安装分项工程质量验收记录表(RFJ01—2002)11.5—1 火灾事故广播\消防通讯设备安装工程安装分项工程质量验收表二、分部工程程质量验收记录表(RFJ01—2002)3.4—2 分部工程质量验收记录表三、单位工程质量验收记录表.(RFJ01—2002)3.4.3—1 单位工程程质量验收记录表(RFJ01—2002)3.4.3—2 单位工程质量操纵资料核查记录表(RFJ01—2002)3.4.3—3 单位工程观感质量检查记录表四、隐藏工程检查验收记录YB1 隐藏工程检查记录YB2 管道隐藏工程检查验收记录YB3 电气隐藏工程检查验收记录YB4 设备、阀门试压(满水)记录YB5 管道系统隐藏试压灌水记录YB6 给、排水管道通水试验记录YB7 管道冲洗吹扫清洗记录YB8 排水管道通球试验记录YB9 设备试运转记录YB10 电气接地电阻测试记录YB11 绝缘电阻测验记录五、施工现场质量治理检查记录表(RFJ01—2002)A.0.1施工现场质量治理检查记录一、分项工程质量验收记录表1.结构工程(RFJ01-2002)4.1-1 国家人防质监站监制土石方分项工程质量验收记录表-1- (RFJ01-2002)4.2-1 国家人防质监站监制爆破掘进分项工程质量验收记录表-2- (RFJ01-2002)4.3-1 国家人防质监站监制盾构分项工程质量验收记录表-3- (RFJ01-2002)4.4-1 国家人防质监站监制沉井项工程质量验收记录表注:l为长度或宽度;r为半径;b为对角线长;H为下沉总深度;L为最高与最低两角间距离。
编号:01-17/02-08工程名称分部子分部工程名称 地基基础项目经理施工单位验收部位1~2/L~F 轴5-5剖基坑第三道与第四道土钉墙面喷锚支护工程施工图号基护-23-04施工执行标准名称及编号地基基础工程施工质量验收规范GB50202-2002分项工程名称/检验批编号喷锚支护联系单号或日期检查项目检查情况说明或简图:根据基坑设计图纸与围护方案要求,本工程基坑采用水泥搅拌桩复合土钉墙相结合支护工程,土钉采用洛阳铲成孔,成孔直径为110MM,土钉注浆材料为纯水泥浆,土钉墙面层喷射C20混凝土,厚度为80MM,内配双层钢筋网片Φ200,施工质量符合设计与规范要求;喷射混凝土的厚度 符合要求 钢筋网片间距、安装位置 符合要求检查验收意见施工单位项目专业质量检查员签名: 项目专业技术负责人签名:专业监理工程师签名:建设单位项目专业技术负责人年 月 日编号:01-17/02-08工程名称分部子分部工程名称 地基基础项目经理施工单位验收部位1~2/F~E 轴8-8剖基坑第三道与第四道土钉墙面喷锚支护工程施工图号基护-施工执行标准名称及编号地基基础工程施工质量验收规范GB50202-2002分项工程名称/检验批编号喷锚支护联系单号或日期检查项目检查情况说明或简图:根据基坑设计图纸与围护方案要求,本工程基坑采用水泥搅拌桩复合土钉墙相结合支护工程,土钉采用洛阳铲成孔,成孔直径为110MM,土钉注浆材料为纯水泥浆,土钉墙面层喷射C20混凝土,厚度为80MM,内配双层钢筋网片Φ200,施工质量符合设计与规范要求;喷射混凝土的厚度 符合要求 钢筋网片间距、安装位置 符合要求检查验收意见施工单位项目专业质量检查员签名: 项目专业技术负责人签名:专业监理工程师签名:建设单位项目专业技术负责人年 月 日编号:01-17/02-08工程名称分部子分部工程名称 地基基础项目经理施工单位验收部位A~F/1轴1-1剖基坑-3米~米处喷锚支护工程施工图号基护-施工执行标准名称及编号地基基础工程施工质量验收规范GB50202-2002分项工程名称/检验批编号喷锚支护联系单号或日期检查项目检查情况说明或简图:根据基坑设计图纸与围护方案要求,本工程基坑1-1剖米以上采用放坡开挖喷锚支护,坡度为1:,坡面喷射C20混凝土,厚度为80MM,内配双层钢筋网片Φ200,施工质量符合设计与规范要求;喷射混凝土的厚度 符合要求 钢筋网片间距、安装位置 符合要求检查验收意见施工单位项目专业质量检查员签名: 项目专业技术负责人签名:专业监理工程师签名:建设单位项目专业技术负责人年 月 日编号:01-17/02-08工程名称分部子分部工程名称 地基基础项目经理施工单位验收部位施工图号基护-施工执行标准名称及编号地基基础工程施工质量验收规范GB50202-2002分项工程名称/检验批编号喷锚支护联系单号或日期检查项目检查情况说明或简图:根据基坑设计图纸与围护方案要求,本工程基坑1A-1A 剖米以上采用放坡开挖喷锚支护,坡度为1:,坡面喷射C20混凝土,厚度为80MM,内配双层钢筋网片Φ200,施工质量符合设计与规范要求;喷射混凝土的厚度 符合要求 钢筋网片间距、安装位置 符合要求检查验收意见正大门出口处施工单位项目专业质量检查员签名: 项目专业技术负责人签名:年 月 日专业监理工程师签名:建设单位项目专业技术负责人年 月 日编号:01-17/02-08工程名称分部子分部工程名称 地基基础项目经理施工单位验收部位6~8/L-K 轴2-2剖基坑-3米处喷锚支护工程施工图号基护-施工执行标准名称及编号地基基础工程施工质量验收规范GB50202-2002分项工程名称/检验批编号喷锚支护联系单号或日期检查项目检查情况说明或简图:根据基坑设计图纸与围护方案要求,本工程基坑2-2剖米以上采用放坡开挖喷锚支护,坡度为1:1,坡面喷射C20混凝土,厚度为80MM,内配双层钢筋网片Φ200,施工质量符合设计与规范要求;简图:喷射混凝土的厚度 符合要求 钢筋网片间距、安装位置 符合要求检查验收意见施工单位项目专业质量检查员签名: 项目专业技术负责人签名:专业监理工程师签名:建设单位项目专业技术负责人年 月 日编号:01-17/02-08工程名称分部子分部工程名称 地基基础项目经理施工单位验收部位4~6/L~K 轴3-3剖基坑-3米~米处喷锚支护工程施工图号基护-施工执行标准名称及编号地基基础工程施工质量验收规范GB50202-2002分项工程名称/检验批编号喷锚支护联系单号或日期检查项目检查情况说明或简图:根据基坑设计图纸与围护方案要求,本工程基坑3-3剖米以上采用放坡开挖喷锚支护,坡度为1:1,坡面喷射C20混凝土,厚度为80MM,内配双层钢筋网片Φ200,施工质量符合设计与规范要求;简图:喷射混凝土的厚度 符合要求 钢筋网片间距、安装位置 符合要求检查验收意见施工单位项目专业质量检查员签名: 项目专业技术负责人签名:专业监理工程师签名:建设单位项目专业技术负责人年 月 日编号:01-17/02-08工程名称分部子分部工程名称 地基基础项目经理施工单位验收部位1~4/L~K 轴4-4剖基坑-3米~米处喷锚支护工程施工图号基护-施工执行标准名称及编号地基基础工程施工质量验收规范GB50202-2002分项工程名称/检验批编号喷锚支护联系单号或日期检查项目检查情况说明或简图:根据基坑设计图纸与围护方案要求,本工程基坑4-4剖米以上采用放坡开挖喷锚支护,坡度为1:1,坡面喷射C20混凝土,厚度为80MM,内配双层钢筋网片Φ200,施工质量符合设计与规范要求;简图:喷射混凝土的厚度 符合要求 钢筋网片间距、安装位置 符合要求检查验收意见施工单位项目专业质量检查员签名: 项目专业技术负责人签名:专业监理工程师签名:建设单位项目专业技术负责人年 月 日编号:01-17/02-08工程名称分部子分部工程名称 地基基础项目经理施工单位验收部位14~18/A 轴7A-7A 剖基坑-3米处喷锚支护工程施工图号基护-施工执行标准名称及编号地基基础工程施工质量验收规范GB50202-2002分项工程名称/检验批编号喷锚支护联系单号或日期检查项目检查情况说明或简图:根据设计联系单,原7-7剖做法修改为7A-7A 剖做法,基坑7A-7A1剖-3米以上采用放坡开挖喷锚支护,坡度为1:,坡面喷射C20混凝土,厚度为80MM,内配双层钢筋网片Φ200,施工质量符合设计与规范要求;喷射混凝土的厚度 符合要求 钢筋网片间距、安装位置 符合要求检查验收意见施工单位项目专业质量检查员签名: 项目专业技术负责人签名:专业监理工程师签名:建设单位项目专业技术负责人年 月 日编号:01-17/02-08工程名称分部子分部工程名称 地基基础项目经理施工单位验收部位E~G/18轴7A-7A 剖基坑米处喷锚支护工程施工图号基护-施工执行标准名称及编号地基基础工程施工质量验收规范GB50202-2002分项工程名称/检验批编号喷锚支护联系单号或日期检查项目检查情况说明或简图:根据设计联系单,原7-7剖做法修改为7A-7A 剖做法,基坑7A-7A 剖米以上采用放坡开挖喷锚支护,坡度为1:,坡面喷射C20混凝土,厚度为80MM,内配双层钢筋网片Φ200,施工质量符合设计与规范要求;喷射混凝土的厚度 符合要求 钢筋网片间距、安装位置 符合要求检查验收意见施工单位项目专业质量检查员签名: 项目专业技术负责人签名:专业监理工程师签名:建设单位项目专业技术负责人年 月 日。
人防表格范本一、分项工程质量验收记录1 结构工程2防水工程3孔口防护工程4建筑装修工程5给水排水工程1、结构工程(RFJ01—2002)4.1—1 土石方分项工程质量验收记录(RFJ01—2002)4.2—1 爆破掘进分项工程质量验收记录(RFJ01—2002)4.3—1 盾构分项工程质量验收记录(RFJ01—2002)4.4—1 沉井分项工程质量验收记录(RFJ01—2002)4.5—1 地下连续墙分项工程质量检验评定表(RFJ01—2002)4.6—1 打(压)桩分项工程质量验收记录(RFJ01—2002)4.7—1 灌注桩分项工程质量验收记录(RFJ01—2002)4.8—1 模板分项工程质量验收记录(RFJ01—2002)4.9—1 钢筋绑扎分项工程质量验收记录(RFJ01—2002)4.9—2 钢筋焊接分项工程质量验收记录(RFJ01—2002)4.10—1 混凝土分项工程质量验收记录(RFJ01—2002)4.10—2 混凝土设备基础分项工程质量验收记录(RFJ01—2002)4.11—1 喷射混凝土分项工程质量验收记录(RFJ01—2002)4.12—1 构件安装分项工程质量验收记录(RFJ01—2002)4.12—1 构件安装分项工程质量验收记录(用于装配式大板建筑)(RFJ01—2002)4.13—1 钢结构焊接分项工程质量验收记录(RFJ01—2002)4.13—2 钢柱制作分项工程质量验收记录(RFJ01—2002)4.13—3 钢梁制作分项工程质量验收记录(RFJ01—2002)4.13—4 钢管构件制作分项工程质量验收记录(RFJ01—2002)4.13—5 钢柱安装分项工程质量验收记录(RFJ01—2002)4.13—6 固定式钢梯、栏杆、平台安装分项工程质量验收记录(RFJ01—2002)4.13—7 钢结构油漆分项工程质量验收记录(RFJ01—2002)4.14—1 砌砖分项工程质量验收记录(RFJ01—2002)4.14—1 砌石分项工程质量验收记录2、防水工程(RFJ01—2002)5.1—1 防水混凝土结构分项工程质量验收记录(RFJ01—2002)5.2—1 水泥砂浆防水层分项工程质量验收记录(RFJ01—2002)5.3—1 涂料防水层分项工程质量验收记录(RFJ01—2002)5.4—1 卷材防水层分项工程质量验收记录(RFJ01—2002)5.5—1 金属防水层分项工程质量验收记录(RFJ01—2002)5.6—1 油膏嵌缝防水分项工程质量验收记录(RFJ01—2002)5.7—1 止水带防水分项工程质量验收记录3、孔口防护工程(RFJ01—2002)6.1—1 防护门、防护密闭门、密闭门门框墙制作分项工程质量验收记录(RFJ01—2002)6.2—1 钢筋混凝土防护门、防护密闭门、密闭门安装分项工程质量验收记录(RFJ01—2002)6.2—2 钢质防护门、防护密闭门、密闭门安装分项工程质量验收记录(RFJ01—2002)6.3—1 防爆波活门、防爆超压排气活门安装分项工程质量验收记录(RFJ01—2002)6.4—1 进、出工程管线的防护密闭分项工程质量验收记录4、建筑装修工程(RFJ01—2002)7.1—1 一样抹灰(级)分项工程质量验收记录(RFJ01—2002)7.2—1 水磨石分项工程质量验收记录(RFJ01—2002)7.2—2 假面砖、拉条灰、拉毛灰、仿石和彩色抹灰分项工程质量验收记录(RFJ01—2002)7.2—3 喷涂、滚涂和弹涂分项工程质量验收记录(RFJ01—2002)7.3—1 混色油漆(级)分项工程质量验收记录(RFJ01—2002)7.3—2 清漆(级)美术油漆和地面打蜡分项工程质量验收记录(RFJ01—2002)7.4—1 刷(喷)浆(级)分项工程质量验收记录(RFJ01—2002)7.5—1 裱糊分项工程质量验收记录(RFJ01—2002)7.6—1 饰面分项工程质量验收记录(RFJ01—2002)7.7—1 罩面板安装分项工程质量验收记录(RFJ01—2002)7.7—2 钢、铝合金骨架安装分项工程质量验收记录(RFJ01—2002)7.8—1 整体地面分项工程质量验收记录(RFJ01—2002)7.9—1 板块地面分项工程质量验收记录(RFJ01—2002)7.10—1 木质板地面分项工程质量验收记录(RFJ01—2002)7.11—1 木门窗安装分项工程质量验收记录(RFJ01—2002)7.11—2 钢门窗安装分项工程质量验收记录(RFJ01—2002)7.11—3 铝合金和塑钢门窗安装分项工程质量验收记录5、给水排水工程(RFJ01—2002)8.1—1 给水管道安装分项工程质量验收记录(RFJ01—2002)8.1—2 给水硬聚氯乙烯(PVC—U)塑料管、铝塑复合管道安装分项质量验收记录(RFJ01—2002)8.2—1 给水管道附件及卫生器具给水配件安装分项工程质量验收记录表(RFJ01—2002)8.3—1 给水附属设备安装分项工程质量验收记录表(RFJ01—2002)8.4—1 排水管道安装分项工程验收记录表(RFJ01—2002)8.4—2 排水硬聚氯乙烯(PVC—U)塑料管道分项质量验收记录表(RFJ01—2002)8.5—1 卫生器具安装分项工程质量验收记录表(RFJ01—2002)8.6—1 洗消器具安装分项工程质量验收记录表(RFJ01—2002)8.7—1 立式污水泵安装分项工程质量验收记录表6、采暖、通风与空调工程(RFJ01—2002)9.1—1 采暖管道安装分项工程质量验收记录表(RFJ01—2002)9.2---1 散热器及太阳能热水器安装分项工程质量验收记录表(RFJ01—2002)9.3—1 采暖附属设备安装分项工程质量验收记录表(RFJ01—2002)9.4—1 金属管抽制件分项工程质量验收记录表(RFJ01—2002)9.5—1 无机玻璃钢风管制件分项工程质量验收记录表(RFJ01—2002)9.6—1 通风部件制作分项质量验收记录(RFJ01—2002)9.7—1 风管及部件安装分项质量验收记录(RFJ01—2002)9.8—1 非金属风管(风道)制作与安装分项工程质量验收记录表(RFJ01—2002)9.9—1 过滤器、除尘器、过滤汲收器安装分项工程质量验收记录表(RFJ01—2002)9.10—1 密闭阀门安装分项工程质量验收记录表(RFJ01—2002)9.11—1 消声(减振)设备制作与安装分项工程质量验收记录表(RFJ01—2002)9.12—1 通风机和除尘机安装分项工程质量验收记录表(RFJ01—2002)9.13—1 防腐与油漆分项工程质量验收记录表7、建筑电气安装工程(RFJ01—2002)10.1—1 电缆线路分项工程质量验收记录表(RFJ01—2002)10.2—1 配管及管内配线分项工程质量验收记录表(RFJ01—2002)10.3—1 护套线配线分项工程质量验收(RFJ01—2002)10.4—1 槽板配线分项工程质量验收报告记录表(RFJ01—2002)10.5—1 变压器安装分项工程质量验收报告记录表(RFJ01—2002)10.6—1 成套配电柜(盘)及动力开关柜安装分项工程质量验收记录表(RFJ01—2002)10.7—1 低压电器安装分项工程质量验收记录表(RFJ01—2002)10.8—1 电气照明器具及配电箱(盘)安装分项工程质量验收记录表(RFJ01—2002)10.8—1 柴油发电机组安装分项工程质量验收记录表8、防火设备安装工程(RFJ01—2002)11.1—1 防火门和防火卷帘安装分项工程质量验收记录(RFJ01—2002)11.2—1 灭火器具安装分项工程质量验收记录表(RFJ01—2002)11.2—2 灭火器具安装分项工程质量验收记录表(RFJ01—2002)11.3—1 防烟排烟部件的制作与安装分项工程质量验收记录表(RFJ01—2002)11.4—1 火灾自动报警装置安装分项工程质量验收记录表(RFJ01—2002)11.5—1 火灾事故广播\消防通讯设备安装工程安装分项工程质量验收表二、分部工程程质量验收记录表(RFJ01—2002)3.4—2 分部工程质量验收记录表三、单位工程质量验收记录表.(RFJ01—2002)3.4.3—1 单位工程程质量验收记录表(RFJ01—2002)3.4.3—2 单位工程质量操纵资料核查记录表(RFJ01—2002)3.4.3—3 单位工程观感质量检查记录表四、隐藏工程检查验收记录YB1 隐藏工程检查记录YB2 管道隐藏工程检查验收记录YB3 电气隐藏工程检查验收记录YB4 设备、阀门试压(满水)记录YB5 管道系统隐藏试压灌水记录YB6 给、排水管道通水试验记录YB7 管道冲洗吹扫清洗记录YB8 排水管道通球试验记录YB9 设备试运转记录YB10 电气接地电阻测试记录YB11 绝缘电阻测验记录五、施工现场质量治理检查记录表(RFJ01—2002)A.0.1施工现场质量治理检查记录分项工程质量验收记录表1.结构工程(RFJ01-2002)4.1-1国家人防质监站监制土石方分项工程质量验收记录表-1- (RFJ01-2002)4.2-1国家人防质监站监制爆破掘进分项工程质量验收记录表-2-(RFJ01-2002)4.3-1国家人防质监站监制盾构分项工程质量验收记录表-3-(RFJ01-2002)4.4-1国家人防质监站监制沉井项工程质量验收记录表注:l为长度或宽度;r为半径;b为对角线长;H为下沉总深度;L 为最高与最低两角间距离。
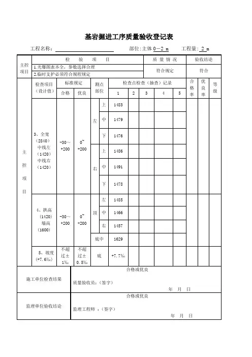
基岩掘进工序质量验收登记表
工程名称:部位:主体0-2 m 工程量: 2 m
锚杆支护工序质量验收登记表
工程名称:部位:主体0-2m 工程量: 2m
预应力锚索支护工序质量验收登记表
工程名称:部位:0-2m 工程量:2m
巷道钢筋网喷射混凝土支护工序质量验收登记表
工程名称:部位:主体0-2 m 工程量:2m
水沟混凝土工序质量验收登记表
单位工程名称:部位:工程量: m
基岩掘进分项工程质量验收登记表
工程名称:部位:主体0-25 m 工程量: 25 m
锚杆支护分项工程质量验收登记表
工程名称:部位:主体0-25m 工程量: 25m
预应力锚索支护分项工程质量验收登记表
工程名称:部位:0-25m 工程量:25m
巷道钢筋网喷射混凝土支护分项工程质量验收登记表工程名称:部位:主体0-25 m 工程量:25m
水沟混凝土分项工程质量验收登记表
单位工程名称:部位:工程量: m
分部工程质量验收登记表
工程名称: 部位:工程量:m
单位工程竣工质量验收汇总登记表。
工程名称:10号煤层井底煤仓(刷大断面)编号:001工程名称:10号煤层井底煤仓(刷大断面)编号:002工程名称:10号煤层井底煤仓(刷大断面)编号:003工程名称:10号煤层井底煤仓(刷大断面)编号:004工程名称:10号煤层井底煤仓(刷大断面)编号:005工程名称:10号煤层井底煤仓(刷大断面)编号:006工程名称:10号煤层井底煤仓(刷大断面)编号:007工程名称:10号煤层井底煤仓(刷大断面)编号:008工程名称:10号煤层井底煤仓(刷大断面)编号:009工程名称:10号煤层井底煤仓(刷大断面)编号:010工程名称:10号煤层井底煤仓(刷大断面)编号:011工程名称:10号煤层井底煤仓(刷大断面)编号:012工程名称:10号煤层井底煤仓(刷大断面)编号:013工程名称:10号煤层井底煤仓(刷大断面)编号:014工程名称:10号煤层井底煤仓(刷大断面)编号:015工程名称:10号煤层井底煤仓(刷大断面)编号:016工程名称:10号煤层井底煤仓(刷大断面)编号:017工程名称:10号煤层井底煤仓(刷大断面)编号:018工程名称:10号煤层井底煤仓(刷大断面)编号:019工程名称:10号煤层井底煤仓(刷大断面)编号:020工程名称:10号煤层井底煤仓(刷大断面)编号:021工程名称:10号煤层井底煤仓(刷大断面)编号:022工程名称:10号煤层井底煤仓(刷大断面)编号:023工程名称:10号煤层井底煤仓(刷大断面)编号:024工程名称:10号煤层井底煤仓(刷大断面)编号:025工程名称:10号煤层井底煤仓(刷大断面)编号:026工程名称:10号煤层井底煤仓(刷大断面)编号:027工程名称:10号煤层井底煤仓(刷大断面)编号:028工程名称:10号煤层井底煤仓(刷大断面)编号:029工程名称:10号煤层井底煤仓(刷大断面)编号:030工程名称:10号煤层井底煤仓(刷大断面)编号:031工程名称:10号煤层井底煤仓(刷大断面)编号:032工程名称:10号煤层井底煤仓(刷大断面)编号:033工程名称:10号煤层井底煤仓(刷大断面)编号:034工程名称:10号煤层井底煤仓(刷大断面)编号:035工程名称:10号煤层井底煤仓(刷大断面)编号:036工程名称:10号煤层井底煤仓(刷大断面)编号:037。
《人民防空工程质量验收与评价标准》(RFJ01《人民防空工程质量验收与评价标准》(RFJ01-2015)人防工程质量验收与评价记录表第一章工程质量验收1.1 施工现场质量管理检查记录1.1.1 施工现场质量管理检查记录RF1.1.1 施工现场质量管理检查记录表开工日期: 工程名称施工许可证(开工证)建设单位项目负责人设计单位项目负责人监理单位总监理工程师施工单位项目负责人项目技术负责人序号项目主要内容1 项目部质量管理体系2 现场质量责任制3 主要专业工种操作岗位证书5 图纸会审记录6 地质勘察资料7 施工组织设计、施工方案编制及审批8 施工技术标准9 物资采购管理制度10 施工设施和机械设备管理制度11 计量设备配置12 检测试验管理制度13 工程质量检查验收制度14自检结果:施工单位项目负责人:年月日检查结论:总监理工程师:年月日21.2结构工程检验批验收记录1.2.1 土方工程RF1.2.1 土方工程检验批质量验收记录表编号:单位工程名称分项工程名称土方工程分部工程名称结构工程施工单位项目负责人检验批容量负责人检验批部位验收依据人防验评标准(RFJ1-2015)主控项目验收项目设计要求及规范规定最小/实际抽样数量检查记录检查结果1 第6.2.4条原状地基土不得扰动2 第6.2.5条边坡坡度及坡脚位置应符合设计要求3 第6.2.6条平面尺寸应符合设计要求4 第6.2.7条回填土填料应符合设计要求5 第6.2.8条边坡坡度及坡脚位置应符合设计要求一般项目1 第6.2.9条开挖区表面平整度允许偏差应符合要求2 第6.2.10条开挖区标高允许偏差应符合要求3 第6.2.11条分级放坡边坡平台宽度允许偏差应符合要求4 第6.2.12条土方开挖区表面标高允许偏差应符合要求5 第6.2.13条回填区标高允许偏差应符合要求6 第6.2.14条回填区表面平整度允许偏差应符合要求施工单位检私峁专业工长:项目专业质量检查员:年月日监理单位验收结论专业监理工程师:年月日31.2.2 逆作法施工RF1.2.2 逆作法施工检验批质量验收记录表编号:单位工程名称分项工程名称逆作法施工分部工程名称结构工程施工单位项目负责人检验批容量分包单位分包单位项目负责人检验批部位验收依据人防验评标准(RFJ1-2015)主控项目验收项目设计要求及规范规定最小/实际抽样数量检查记录检查结果1 第6.3.1条人工降水施工应综合考虑周边条件2 第6.3.2条因降水危及环境安全,应截水或回灌3 第6.3.3条编制土方开挖的施工方案4 第6.3.4条根据工程量计算确定竖井数量5 第6.3.5条根据实际情况设置足够的通风口及相关设备6 第6.3.6条梁、板下挖出的土不得堆放在顶板上和基坑周边7 第6.3.7条地下水位应降至开挖面0.5m以下8 第6.3.8条土方运输规定一般项目1 第6.3.9条土方开挖、土方运输应符合相关规定2 第6.3.10条土方开挖应符合规定3 第6.3.11条地下连续墙单元槽段长度控制在4m~8m4 第6.3.12条确定施工工艺流程和槽段长度等技术参数5 第6.3.13条排桩宜采取间隔法施工6 第6.3.14条混凝土灌注不得出现混凝土离析现象7 第6.3.15条钢筋骨架的吊装就位宜利用钻机的起重设备进行8 第6.3.16条刹肩设置及刹肩混凝土浇筑应符合要求9 第6.3.17条通长过梁设置及安装应符合相关规定10 第6.3.18条灌注砂层应符合规定11 第6.3.19条逆作法施工现场监测主要对象12 第6.3.20条现场监测主要内容4施工单位检私峁专业工长:项目专业质量检查员:年月日监理单位验收结论专业监理工程师:年月日51.2.3 模板工程RF1.2.3 模板工程检验批质量验收记录表编号:单位工程名称分项工程名称模板工程分部工程名称结构工程施工单位项目负责人检验批容量分包单位分包单位项目负责人检验批部位验收依据人防验评标准(RFJ1-2015)主控项目验收项目设计要求及规范规定最小/实际抽样数量检查记录检查结果1 第6.4.1条模板及其支架应有足够的强度、刚度和稳定性2 第6.4.2条固定模板的对拉螺栓上严禁采用套管、混凝土预制件等3 第6.4.3条混凝土强度应符合设计要求及相关规定一般项目1 第6.4.4条模板安装应符合规定2 第6.4.5条预埋件、预留孔和预留洞安装及允许偏差应符合规定3 第6.4.6条现浇结构模板安装允许偏差应符合规定施工单位检私峁专业工长:项目专业质量检查员:年月日监理单位验收结论专业监理工程师:年月日61.2.4 钢筋工程RF1.2.4 钢筋工程检验批质量验收记录表编号:单位工程名称分项工程名称钢筋工程分部工程名称结构工程施工单位项目负责人检验批容量分包单位分包单位项目负责人检验批部位验收依据人防验评标准(RFJ1-2015)主控项目验收项目设计要求及规范规定最小/实际抽样数量检查记录检查结果1 第6.5.1条钢筋进场时试件检验结果应符合规定2 第6.5.2条力学性能检验及质量应符合规程的规定3 第6.5.3条钢筋的品种、规格等应符合设计要求4 第6.5.4条拉结钢筋设置应符合规定5 第6.5.5条钢筋代换应符合规定6 第6.5.6条钢筋除锈、调直不得采用冷拉方法一般项目1 第6.5.7条钢筋加工的形状、尺寸允许偏差应符合规定2 第6.5.8条钢筋的接头宜设置在受力较小处3 第6.5.9条钢筋应平直、无损伤,表面完好4 第6.5.10条钢筋安装位置允许偏差应符合规定施工单位检私峁专业工长:项目专业质量检查员:年月日监理单位验收结论专业监理工程师:年月日71.2.5 混凝土工程RF1.2.5 混凝土工程检验批质量验收记录表编号:单位工程名称分项工程名称混凝土工程分部工程名称结构工程施工单位项目负责人检验批容量分包单位分包单位项目负责人检验批部位验收依据人防验评标准(RFJ1-2015)主控项目验收项目设计要求及规范规定最小/实际抽样数量检查记录检查结果1 第6.6.1条水泥进场性能指标复验及质量应符合规定2 第6.6.2条掺用外加剂的质量及应用技术应符合环保规定3 第6.6.3条混凝土应符合规定,根据相关要求进行配合比设计4 第6.6.4条结构混凝土的强度等级必须应符合设计要求5 第6.6.5条混凝土强度的试件抗压强度应符合规定6 第6.6.6条防护密闭的部位宜一次整体浇筑混凝土7 第6.6.7条混凝土运输、浇筑及间歇时间应符合规定8 第6.6.8条现浇结构的外观质量不应有严重缺陷9 第6.6.9条现浇结构、混凝土设备基础的尺寸允许偏差应符合规定一般项目1 第6.6.10条普通混凝土所用的粗、细骨料的质量应符合规定2 第6.6.11条拌制混凝土水质宜采用饮用水,否则水质应符合规定3 第6.6.12条大体积混凝土施工应符合规定4 第6.6.13条补偿收缩混凝土施工应符合规定5 第6.6.14条混凝土应连续浇筑,宜少留施工缝6 第6.6.15条变形缝应设在工程口部与主体连接处87 第6.6.16条后浇带施工应符合规定8 第6.6.17条混凝土浇筑后的养护应符合规定9 第6.6.18条现浇结构的外观质量不宜有一般缺陷10 第6.6.19条现浇结构和混凝土设备基础拆模后尺寸允许偏差应符合规定施工单位检私峁专业工长:项目专业质量检查员:年月日监理单位验收结论专业监理工程师:年月日91.2.6 爆破掘进工程RF1.2.6 爆破掘进工程检验批质量验收记录表编号:单位工程名称分项工程名称爆破掘进工程分部工程名称结构工程施工单位项目负责人检验批容量分包单位分包单位项目负责人检验批部位验收依据人防验评标准(RFJ1-2015)主控项目验收项目设计要求及规范规定最小/实际抽样数量检查记录检查结果1 第6.7.2条坑(地)道坡度应符合设计要求一般项目1 第6.7.3条坑(地)道掘进偏差和检验方法应符合规定施工单位检私峁专业工长:项目专业质量检查员:年月日监理单位验收结论专业监理工程师:年月日101.2.7 喷射混凝土工程RF1.2.7 喷射混凝土工程检验批质量验收记录表编号:单位工程名称分项工程名称喷射混凝土工程分部工程名称结构工程施工单位项目负责人检验批容量分包单位分包单位项目负责人检验批部位验收依据人防验评标准(RFJ1-2015)主控项目验收项目设计要求及规范规定最小/实际抽样数量检查记录检查结果1 第6.8.1条水泥、骨料等应符合设计要求和施工规范的规定2 第6.8.2条喷射混凝土配合比等应符合设计要求和施工规范的规定3 第6.8.3条评定喷射混凝土强度的试块强度应符合规定4 第6.8.4条锚杆抗拔力应符合规定一般项目1 第6.8.5条锚杆孔的间距和深度偏差应符合规定2 第6.8.6条喷射混凝土厚度允许偏差应符合规定3 第6.8.7条喷射混凝土层面质量应符合规定施工单位检私峁专业工长:项目专业质量检查员:年月日监理单位验收结论专业监理工程师:年月日111.2.8 砌体工程RF1.2.8 砌体工程检验批质量验收记录表编号:单位工程名称分项工程名称砌体工程分部工程名称结构工程施工单位项目负责人检验批容量分包单位分包单位项目负责人检验批部位验收依据人防验评标准(RFJ1-2015)主控项目验收项目设计要求及规范规定最小/实际抽样数量检查记录检查结果1 第6.9.2条砌体的品种、抗压强度必须符合设计要求2 第6.9.3条砂浆品种、抗压强度应符合规定3 第6.9.4条砌体砂浆必须密实饱满4 第6.9.5条砌体的位置及垂直度允许偏差应符合规定一般项目1 第6.9.6条砌体组砌方法应正确2 第6.9.7条砌体的灰缝应横平竖直,厚薄均匀3 第6.9.8条预埋拉结筋应符合规定4 第6.9.9条砌体一般尺寸允许偏差应符合规定施工单位检私峁专业工长:项目专业质量检查员:年月日监理单位验收结论专业监理工程师:年月日121.3孔口防护工程检验批验收记录1.3.1 门框墙制作RF1.3.1 门框墙制作检验批质量验收记录表编号:单位工程名称分项工程名称门框墙制作分部工程名称孔口防护工程施工单位项目负责人检验批容量分包单位分包单位项目负责人检验批部位验收依据人防验评标准(RFJ1-2015)主控项目验收项目设计要求及规范规定最小/实际抽样数量检查记录检查结果1 第7.2.2条门框墙混凝土强度等级不应低于C302 第7.2.3条门框墙受力钢筋直径、间距及设置拉结筋应符合要求3 第7.2.4条防护密闭门和密闭门的门框墙厚度应符合要求4 第7.2.5条防护门、防护密闭门门洞四角的斜向钢筋配置应符合要求5 第7.2.6条门框墙周边宽度应满足门扇安装和启闭应符合要求6 第7.2.7条钢材的品种和质量等应符合设计要求和规定7 第7.2.8条钢筋的规格、形状等应符合设计要求和规定8 第7.2.9条钢筋有瑕疵,严禁按原规格使用9 第7.2.10条混凝土所用水泥、骨料等应符合施工规定10 第7.2.11条混凝土的配合比等应符合规定11 第7.2.12条商品混凝土质量应符合规定12 第7.2.13条钢门框与门框墙连成整体。
适用范围:本表适用于喷锚暗挖法喷射混凝土分项工程质量的验收。
检验批的划分:每一喷射段。
主控项目1. 水泥进场时应对其品种、级别、包装或散装仓号、出厂日期等进行检查,并应对其强度、安定性及其他必要的性能指标进行复验,其质量必须符合现行国家标准《硅酸盐水泥、普通硅酸盐水泥》GB175等的规定。
当在使用中对水泥质量有怀疑或水泥出厂超三个月(快硬硅酸盐水泥超过一个月)时,应进行复验,并按复验结果使用。
钢筋混凝土结构、预应力混凝土结构中,严禁使用含氯化物的水泥。
检查数量:按同一生产厂家、同一等级、同一品种、同一批号且连续进场的水泥,袋装不超过200t 为一批,散装不超过500t为一批,每批抽样不少于一次。
检验方法:检查产品合格证、出厂检验报告和进场复验报告。
2. 细骨料:采用中砂或粗砂,细度模数应大于2.5。
检验方法:检查砂试验报告或混凝土配合比通知单。
3. 粗骨料:采用卵石或碎石,粒径不应大于15㎜,骨料级配符合规范GB50299-1999表7.6.7的要求。
检验方法:检查碎(卵)石试验报告。
检查数量:按进场的批次和产品的抽样方案确定。
每个工作班抽查不应少于一次。
检验方法:复称。
4. 混凝土中掺用外加剂的质量及应用技术应符合现行国家标准《混凝土外加剂》GB8076、《混凝土外加剂应用技术规范》GB50119等和有关环境保护的规定。
预应力混凝土结构中,严禁使用含氯化物的外加剂。
钢筋混凝土结构中,当使用含氯化物的外加剂时,混凝土中的氯化物的总含量应符合现行国家标准《混凝土质量控制标准》GB50146的规定。
检查数量:按进场的批次和产品的抽样检验方法确定。
检验方法:检查产品的合格证、出厂检验报告和进场复验报告。
5. 搅拌混凝土宜采用饮用水;当采用其他水源时,水质应符合国家现行标准《混凝土拌合用水标准》JGJ63规定。
检查数量:同一水源检查不应少于一次。
检验方法:检查水质试验报告。
6. 混凝土必须按国家现行标准《普通混凝土配合比设计规程》JGJ55的有关规定,根据混凝土的强度等级、耐久性和工作性等要求进行配合比设计。
洞身开挖检验批质量验收记录检验规定和说明适用范围:本表适用洞身开挖施工分项工程质量的验收。
检验批的划分:每一开挖循环为一批次划分。
检查数量:主控项目全数检查,一般项目抽查20%主控项目:1.隧道施工采用钻爆法开挖时,应采用光面爆破或预裂爆破,并应根据地质条件、开挖断面、开挖方法、掘进循环进尺、钻眼机具和爆炸材料等进行钻爆设计,并根据爆破效果调整爆破参数。
钻爆开挖不得危及衬砌、初期支护,减少对围岩的扰动。
检验方法:观察和检查记录。
2.隧道台阶法施工,应在拱部初期支护结构基本稳定且喷射混凝土达到设计强度的70%以上时,方可进行下部台阶开挖,并应符合下列规定:边墙应采用单侧或双侧交错开挖,不得使上部结构同时悬空;一次循环开挖长度,稳定岩体不应大于4m,土层和不稳定岩体不应大于2m;边墙挖至设计高程后,必须立即支立钢格栅拱架并喷射混凝土;仰拱应根据监控量测结果及时施工。
检验方法:尺量检查。
3.按设计尺寸严格控制开挖断面不得欠挖。
检验方法:尺量检查。
4.中线贯通允许偏差为:平面位置±30mm,高程±20mm。
检验方法:全站仪测量检查。
一般项目:1.拱部硬岩断面允许超挖值平均100mm,最大不超过200mm。
检验方法:尺量配合仪器检查。
2.拱部中硬岩断面允许超挖值平均150mm,最大不超过250mm。
检验方法:尺量配合仪器检查。
3.拱部软岩断面允许超挖值平均150mm,最大不超过250mm。
检验方法:尺量配合仪器检查。
4.拱部土质断面允许超挖值平均100mm,最大不超过150mm。
检验方法:尺量配合仪器检查。
5.边墙及仰拱断面允许超挖值平均100mm,最大不超过150mm。
检验方法:尺量配合仪器检查。