工业企业安全生产检查表(DOC 31页)
- 格式:doc
- 大小:399.00 KB
- 文档页数:40
冶金、有色企业安全生产隐患排查检查表企业名称(公章):企业负责人:
- 1 - / 12
- 2 - / 12
化工和涉及化工生产的医药生产企业安全生产隐患排
查检查表
企业名称(公章):企业负责人:
- 3 - / 12
化工经营企业安全生产隐患排查检查表企业名称(公章):企业负责人:
- 4 - / 12
- 5 - / 12
危险化学品充装单位安全生产隐患排查检查表企业名称(公章):企业负责人:
- 6 - / 12
建筑施工企业安全生产隐患排查检查表企业名称(公章):企业负责人:
- 7 - / 12
- 8 - / 12
电网企业安全生产隐患排查检查表企业名称(公章):企业负责人:
- 9 - / 12
交通运输企业安全生产隐患排查检查表企业名称(公章):企业负责人:
- 10 - / 12
公路养护施工单位安全生产隐患排查检查表企业名称(公章):企业负责人:
- 11 - / 12
商场、*场等人员密集场所安全隐患排查检查表企业名称(公章):企业负责人:
- 12 - / 12。
工业企业安全管理检查表(最新版)编制人:__________________审核人:__________________审批人:__________________编制单位:__________________编制时间:____年____月____日序言下载提示:该文档是本店铺精心编制而成的,希望大家下载后,能够帮助大家解决实际问题。
文档下载后可定制修改,请根据实际需要进行调整和使用,谢谢!并且,本店铺为大家提供各种类型的安全管理制度,如通用安全、交通运输、矿山安全、石油化工、建筑安全、机械安全、电力安全、其他安全等等制度,想了解不同制度格式和写法,敬请关注!Download tips: This document is carefully compiled by this editor. I hope that after you download it, it can help you solve practical problems. The document can be customized and modified after downloading, please adjust and use it according to actual needs, thank you!In addition, this shop provides you with various types of safety management systems, such as general safety, transportation, mine safety, petrochemical, construction safety, machinery safety, electrical safety, other safety, etc. systems, I want to know the format and writing of different systems ,stay tuned!工业企业安全管理检查表工业企业安全管理检查表检查单位:被查单位:负责人:负责人:整改限期日:日期:日期:。
工业生产安全检查表概述工业生产安全检查表是用于对工业企业生产过程中的安全状况进行检查和评估的工具。
本检查表旨在确保工业生产过程中的各项安全规定和措施得到有效执行,从而保障员工和设施的安全。
检查项目1. 工作场所安全- 确保工作场所通道畅通无阻。
- 检查防护设施是否完好,并及时修复或更换损坏的设施。
- 确保工作场所的照明设备正常运作,避免暗角和盲区。
2. 设备安全- 检查设备的实际运作情况,确保设备正常、稳定运行。
- 检查设备的防护装置是否齐全,避免操作人员受伤。
- 确保设备的维护保养计划得到执行,避免因设备故障造成生产中断。
3. 职工培训与安全意识- 确认职工是否接受过必要的安全培训,并了解他们的安全知识掌握情况。
- 检查安全操作规程是否得到职工遵守,提醒职工注意操作安全。
- 定期组织安全演练,提高职工应对紧急情况的能力。
4. 危险品管理- 确保危险品存放区域的标识清晰可见,避免混淆和误用。
- 检查危险品的储存条件是否符合相关标准和规定。
- 确认危险品相关的操作人员是否具备相应的专业知识和技能。
5. 应急准备与管理- 检查应急设备和器具的完好性,确保在紧急情况下能够快速使用。
- 确保在工作场所恶劣环境下,能够及时提供紧急救援和医疗服务。
- 评估企业的应急预案是否完善,并定期进行演练和检讨。
检查流程1. 检查前准备- 了解被检查企业的工业生产情况,并获取相关安全规定和措施的文件资料。
- 编制检查表格,明确检查项目和评估标准。
- 确定检查人员和检查时间。
2. 检查过程- 根据检查表格,逐项进行检查并记录实际情况。
- 对不符合安全规定和措施的情况进行指出,并提出整改要求。
- 与企业相关负责人进行沟通,解释检查结果并提出改进建议。
3. 检查总结- 汇总检查结果,编制检查报告。
- 将检查报告提供给企业,与企业共同制定整改措施和改进计划。
- 定期对已整改的项目进行跟踪检查,确保问题得到解决。
结论工业生产安全检查表是确保工业生产过程中安全的重要工具。
工业企业各类安全检查表大全
目录
1、检修作业安全检查表 (3)
2、机械设备安全检查表 (10)
3、职业卫生健康检查表 (12)
4、安全资料专项检查表 (14)
5、防自然灾害安全检查表 (17)
6、外来施工作业专项检查表 (18)
7、特殊天气安全检查表 (20)
8、重大危险源安全检查表 (23)
9、节假日安全检查表 (25)
10、春季季节安全检查表 (28)
11、夏季季节安全检查表 (29)
12、秋季季节安全检查表 (30)
13、冬季季节安全检查表 (32)
2、机械设备安全检查表
4、安全资料专项检查表
5、防自然灾害安全检查表
6、外来施工作业专项检查表
7、特殊天气安全检查表
8、重大危险源安全检查表
9、节假日安全检查表单位:编制人:编制时间:
12、秋季季节安全检查表。
工业安全检查表工业安全检查表(通用)前言由于各行各业都需要编制切合本专业特点的检查表,因此内容及重点不可能完全一致,也不可能编出标准化的安全检查表来。
为了便于大家参考,下列内容为综合了美国的“美国保险协会”、“道化学公司”、“杜邦公司”“日本劳动省批准公布的化工联合企业评价六阶段指针”、“日本防灾协会火灾检查表”等检查表,编成检查表的通常形式。
具体内容如下:工业安全检查表的通常形式一、总体要求1、工厂设置(1)是否按工业企业卫生标准、防火标准进行设计?(2)遭受天灾(如暴风雨、落雷、地震)时有什么措施?(3)近处有无发生火灾、爆炸、噪声、大气污染或者水质污染的可能性?(4)公路铁路等交通情况,交叉路口有无专人看守?(5)发生事故时急救机构如汽车站、急救站、医院、消防队的联系方便否,效率如何?2、平面设置(1)从单元装置到厂界的安全距离是否足够,重要装置是否设置了围栅?(2)装置与生产车间所占位置离开公用工程、仓库、办公室、实验室是否有隔离区或者处于火源的下风位置?(3)危险车间与装置是否与操纵室、变电室隔开了?(4)车间的内部空间是否按下述事项进行了考虑。
物质的危险性、数量、运转条件、机器安全性等。
(5)装置周围的产品出厂与火源的距离及其影响。
(6)储罐间距离是否符合防火规定,具备防液堤与地下储罐没有?(7)废弃物处理是否会散出污染物,是否在居民区的下风侧?3、建筑标准(1)根据建筑有关标准检查。
(2)地耐力及基础强度足够否?(3)钢结构(及耐火衬里)在火灾情况下其耐受能力如何?(4)凡是有助于火焰传播与蔓延部分如地板与墙壁开口,通风与空调管道,电梯竖井,楼梯道路等防火情况,凡是开孔口面积及个数是否限制在最少程度?第1页共8 页(5)有爆炸危险的工艺是否采取了防爆墙,其层顶材料,防爆排气孔口是否足够?(6)出、入口与紧急通道设计数量是否够用、是否堵塞、有无明显标志或者警告装置?(7)为排除有毒物质与可燃物质的通风换气状况如何(包含换气风扇、通风机、空气调节、有毒气体捕集、新鲜空气入口位置、排热风用风门等)?(8)台阶、地面、梯子、通路等是否按人机工程要求设计,窗扇与窗子对道路出、入口是否会造成影响?(9)建筑物的排水情况如何?(10)各类构筑物、道路、避难通道、门等处的照明情况如何?4、车间环境(1)车间中有毒气体浓度是否经常检测?超过最大同意浓度否?车间中是否备有紧急淋浴、冲眼等卫生设施?(2)各类管线(蒸汽、水、空气、电线)及其支架等,是否妨碍了工作地点的通路?(3)对有害气体、蒸汽、粉尘与热气通风换气情况是否良好?(4)原材料的临时堆放场所是否超过了规定的要求?(5)车间通道是否畅通,避难通路是否通向安全地点?(6)对有火灾爆炸危险的工作是否采取了隔离操作?隔离墙是否是加强墙壁?窗户是否做的最小,玻璃是否使用不破碎玻璃或者内嵌铁丝网,屋顶或者必要地点是否准备了爆炸压力排放口?(7)进行设备维修时,是否准备了必要的地面与工作空间?(8)在容器内部进行清扫与检修时,遇到危险情况,检修人员是否能从出、入孔逃出?(9)热辐射表面是否进行了防护?(10)传动装置是否装设了安全防护罩或者其他防护措施?(11)通道与工作地点,头顶与天花板是否留有适当的空间?(12)用人力操作的阀门、开关或者手柄,在操作机器时是否安全?(13)电动升降机是否有安全钩与行程限制器,电梯是否装有内部联锁?(14)是否使用了机械代替了人力搬运?(15)危险性的工作场所是否保证至少有两个出口?(16)噪声大的操作是否有防止噪音措施?(17)为切断电源是否装有电源切断开关?5、厂内运输(1)厂内道路是否适于步行、车辆与急救时的安全移动,有否明显的标志与专人管理?(2)厂内机动运输车辆有否安全装置、定期检修与管理制度?(3)可燃、易燃液体罐车(包含火车、汽车)在装卸地点有否接地装置,安全操作空间与防止操作人员从罐车上坠落的措施?(4)厂内照明合理否?第2页共8 页二、生产工艺1、原、材、燃料(1)对原、材、燃料的理化性质(熔点、蒸汽压、闪点、燃点、危险性等级等)熟悉得如何?受到冲击或者发生特殊反应时会发生什么样的后果?(2)工艺中所用原材料分解时产生的热量是否通过全面核算?(3)对可燃物的防范有何措施?(4)有无粉尘爆炸的潜在危险性?(5)对材料的毒性熟悉否,容许浓度如何?(6)为了防止腐蚀及反应生成危险物质,应采取何种措施?(7)容纳化学分解物质的设备是否合用,有何种安全措施?(8)原、材、燃料的成分是否经常变更,混入杂质会造成何种不安全影响,流程的变化对安全造成何种影响?(9)是否根据原、材、燃料的特性进行合理的管理?(10)一种或者一种以上的原料假如补充不上有什么潜在性的危险,原料的补充是否能得到及时保证?(11)使用惰性气体进行清扫、封闭时会引起何种危险,气源供应有否保证?(12)原料在储藏中的安全性如何,是否会发生自燃、自聚与分解等反应?(13)对包装与原、材、燃料的标志有何要求(如受压容器的检验标志、危险物品标志等)?(14)对所用原料使用何种消防消防装置及灭火器材?(15)发生火灾时有何紧急措施?2、工艺操作(1)对发生火灾爆炸危险的反应操作,采取了何种隔离措施?(2)工艺中的各类参数是否接近了危险界限?(3)操作中会发生何种不希望的工艺流向或者工艺条件与污染?(4)装置内部会发生何种可燃或者可爆性混合物?(5)对接近闪点的操作,采取何种防范措施?(6)对反应或者中间产品,在流程中采取了何种安全裕度没有?假如一部分成分不足或者者混合比例不一致,会产生什么样的结果?(7)正常状态或者特殊状态都有什么样的反应速度?如何预防特殊温度、特殊压力、特殊反应、混入杂质、流淌堵塞、跑冒滴漏,发生了这些情况后,如何采取措施?(8)发生特殊状况时,有否将反应物资迅速排放的措施?(9)有否防止急剧反应与制止急剧反应的措施?(10)泵、搅拌器等机械装置发生故障时会发生什么样的危险状态?(11)设备在逐步或者急速堵塞的情况下,生产会出现什么样的危险状态?第3 页共8 页三、机械设备1、生产设备(1)各类气体管线有什么潜在危险性?(2)液封中的液面是否保持得适当?(3)假如外部发生火灾会使设备内部处于何种危险状态?(4)假如发生火灾爆炸的情况,有否抑制火灾蔓延与减少缺失的必要设施?(5)使用玻璃等易碎材料制造的设备是否使用了强度大的改性材料,未用这种材料时采取何种防范措施,否则会出现什么危险?(6)是否在特别必要的情况下才装设视镜玻璃,在受压或者有毒的反应容器中是否装设耐压的特殊玻璃?(7)紧急用阀或者紧急开关是否易于接近操作?(8)重要的装置与受压容器最后的检查期限是否超过了?(9)是否实现了有组织的通风换气,如何进行评价?(10)是否考虑了防静电的措施?(11)对有爆炸敏感性的生产设备是否进行了隔离,是否安设了屏蔽物与防护墙?(12)为了缓与爆炸对建筑物的影响,采取了什么样的措施?(13)压力容器是否符合国家规定并进行了登记?(14)压力容器是否进行了外观检查,无损探伤与耐压试验?(15)压力容器是否具备档案,检查过没有?(16)重要设备是否制定了安全检查表?(17)设备的可靠性、可维修性如何?(18)设备本身的安全装置如何?2、仪表管理(1)仪表的动力源假如同时发生故障会出现何种危险状态?(2)在所有仪表都发生故障时,系统自动防止故障的能力如何?(3)在系统中部分仪表进行检修时,如何保证系统的安全操作?(4)假如仪表应答安全运动状态时间过慢,是否采取了措施。
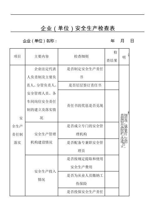
工业企业安全生产检查表
单位名称:注册地点:单位地址:检查时间:一、安全生产基础管理检查表
注:“*”为必查项。
续表
二、安全生产现场检查表
续表
检查单位:被查单位负责人:
参加检查人员:
注:此表留企业。
附件2:
油漆店安全生产检查表受检查单位:地址:
附件3:
加油站安全生产检查表受检查单位:地址:
附件4:
露天矿山(小型露天采石场)安全生产检查表
附件5:
地下矿山安全生产检查表
附件6:
烟花爆竹批发经营企业安全检查表
安全生产监理检查表(准备阶段)
注:表格由湖南安泰工程项目管理有限公司编制。
工业企业安全生产检查表(DOC 31页)
工业企业安全生产检查表
单位名称:注册地点:单位地址:检查时间:
一、安全生产基础管理检查表
注:“*”为必查项。
续表
二、安全生产现场检查表
续表
检查单位:被查单位负责人:
参加检查人员:
注:此表留企业。
附件2:
油漆店安全生产检查表受检查单位:地址:
附件3:
加油站安全生产检查表受检查单位:地址:
附件4:
露天矿山(小型露天采石场)安全生产检查表
附件5:
地下矿山安全生产检查表
附件6:
烟花爆竹批发经营企业安全检查表。