混凝土回弹法测试记录表
- 格式:docx
- 大小:77.29 KB
- 文档页数:10
7980817981817981798081811234567891011121314151613535383636354241404040414236363738.0 3.035.524240413635353537394238403841354138.5 3.036.433938424240394140384039373638403539.1 3.037.543840423835353539353639363938384137.6 3.034.853542414138383842364236383935373938.5 3.036.464137364139403638394239414036414239.5 3.038.374137353942374136423837413835373838.3 3.036.183741353741353837423842383537363637.5 3.034.694142413840373737413542384036423539.0 3.037.4103835364236413842354138383840383838.33.036.1备注回弹仪率定混凝土设计强度(MPa)不同浇筑面修正值不同浇筑面修正值砼类型修正平均回弹值R 平均碳化深度(mm)强度换算值(Mpa)34.6本次检测采用 全国统一回弹 测强曲线。
浇筑日期(龄期):检测:记录:复核:日期: 年 月 日各测点实测回弹值R混凝土强度推定値(Mpa)34.4标准差1.18最小值(Mpa)测区平均值测试角度非水平测试修正值工程部位/用途0°90°180°270°测试面检测环境温度: ℃ 相对湿度: %设备名称及编号混凝土回弹仪SFXD-XC-024 碳化深度仪SFXD-XC-008检测依据JGJ/T 23-2011 GB/T 50784-2013委托编号任务编号检测日期**********公司记录单编号:JL-013第 页,共 页工程名称记录编号回弹法检测原始记录表侧面表面底面泵送非泵送。
回弹法检测混凝土抗压强度记录表格
回弹法是一种常用的检测混凝土抗压强度的方法。
本报告的委托单位、施工单位、监理单位、混凝土生产单位以及工程名称等信息已在表格中列出。
本次检测的原因是为了确认混凝土的抗压强度是否符合设计要求。
检测依据为相关标准规范。
在检测过程中,我们使用了回弹仪对混凝土进行了测量。
具体测量方法是在不同的测量面上进行回弹测试,包括侧面、表面、底面、风干、潮湿、光洁、粗糙态等不同状态。
同时,我们还对测试角度进行了修正,考虑到非水平状态对结果的影响。
测量结果经过修正后得到了平均值、标准差、最小值以及推定值。
最终,我们得出的测量结果显示,混凝土的抗压强度符合设计要求。
但需要注意的是,在不同浇筑面上得到的回弹值存在一定的差异,需要进行修正后再进行强度换算。
同时,我们也发现混凝土的碳化深度存在一定的问题,需要注意加强维护和保养。
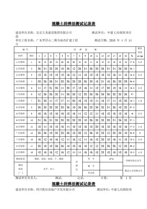
混凝土回弹法测试记录表
建设单位名称:北京大龙建设集团有限公司测试单位:中建七局绵阳项目部
单位工程名称:广东罗浮山二期寺庙改扩建工程测试日期:2010年 4 月 14
混凝土回弹法测试记录表
建设单位名称:四川凯信房地产开发有限公司测试单位:中建七局绵阳项
目部
单位工程名称:凯信.水韵滨江一期测试日期:2010年4 月
混凝土回弹法测试记录表
建设单位名称:四川凯信房地产开发有限公司测试单位:中建七局绵阳项目部
单位工程名称:凯信.水韵滨江一期测试日期:2010年4 月
混凝土回弹法测试记录表
建设单位名称:四川凯信房地产开发有限公司测试单位:中建七局绵阳项目部
单位工程名称:凯信.水韵滨江一期测试日期:2010年4 月
混凝土回弹法测试记录表
建设单位名称:四川凯信房地产开发有限公司测试单位:中建七局绵阳项目部
单位工程名称:凯信.水韵滨江一期测试日期:2010年4 月
混凝土回弹法测试记录表
建设单位名称:湖南龙华农牧有限公司测试单位:天建商砼有限公司
单位工程名称:湖南农华农牧有限公司十里冲养殖废水处理项目土建工程USR池A池测试
第页。
表号:铁建试录059 批准文号:铁建设函[2009 ]27号
委托单位工
程
名
称
委
托
编
号
记录
编号
施工单位
施
工
日
期
检
测
依
据
检测
日期
碳回泵修
化弹送正
深平修后
度均正强
(mm)值值度
测角角测测(MPa)(MPa)
度度面面
修修修修
区正正正正
值后值后
1
2
3
4
5
6
7
回弹法评定混凝土强度检测记录
16
712131415
891011
构
件名称123456
修正后回弹值
测
区
强
度
值
(MPa)
度
测
试
面
状
况
(度)
编号测试回弹值R i 测试角
8 9 10
测试
记
录
计
算
复
核
共页第页率定值测强曲线类别
混凝土龄期(d)
编号混凝土设计强度等级
其他
检测时环境温度(℃)
强度换算n= ; m c
fcu
= MPa; s c fcu= MPa; f c cu,min= MPa;强度推定值f cu,e= MPa。
说明回
弹
仪
型号测
试
资
质
回弹仪检定证号
测试人员资格证
号。
混凝土回弹法测试记录表
建设单位名称:四川凯信房地产开发有限公司测试单位:中建七局绵阳项目部
混凝土回弹法测试记录表
建设单位名称:四川凯信房地产开发有限公司测试单位:中建七局绵阳项目部
混凝土回弹法测试记录表
建设单位名称:四川凯信房地产开发有限公司测试单位:中建七局绵阳项目部
混凝土回弹法测试记录表
建设单位名称:四川凯信房地产开发有限公司测试单位:中建七局绵阳项目部
混凝土回弹法测试记录表
建设单位名称:四川凯信房地产开发有限公司测试单位:中建七局绵阳项目部
混凝土回弹法测试记录表
建设单位名称:湖南龙华农牧有限公司测试单位:天建商砼有限公司
单位工程名称:湖南农华农牧有限公司十里冲养殖废水处理项目土建工程USR池A池测试日期:2014年9 月。
混凝土回弹法测试记录表
建设单位名称:四川凯信房地产开发有限公司测试单位:中建七局绵阳项目部单位工程名称:凯信•水韵滨江一期测试日期:2010年4月14日
测试单位负责人: 测试:记录: 计算: 第1页
混凝土回弹法测试记录表
建设单位名称:四川凯信房地产开发有限公司测试单位:中建七局绵阳项目部
混凝土回弹法测试记录表
建设单位名称:四川凯信房地产开发有限公司 测试单位:中建七局绵阳项目部
测试单位负责人:
测试: 计算:
第2页
记录:
混凝土回弹法测试记录表
建设单位名称:四川凯信房地产开发有限公司测试单位:中建七局绵阳项目部
混凝土回弹法测试记录表
建设单位名称:四川凯信房地产开发有限公司
测试单位:中建七局绵阳项目部
测试单位负责人:
测试: 计算:
第4页
记录:
测试单位负责人:测试:记录:计算:第5页
混凝土回弹法测试记录表
建设单位名称:湖南龙华农牧有限公司测试单位:天建商砼有限公司
单位工程名称:湖南农华农牧有限公司十里冲养殖废水处理项目土建工程USR池A测试日期:2014年9月26日
测试单位负责人:测试:记录:计算:第页
Welcome To
Download !!
!
欢迎您的下载,资料仅供参考!。