互换性与测量技术课后习题答案
- 格式:doc
- 大小:585.50 KB
- 文档页数:10
《互换性与技术测量(第六版)》习题参考答案绪言0-1题:写出R10中从250~3150的优先数。
解:公比q10= ,由R10逐个取数,优先数系如下:250,315,400,500,630,800,1000,1250,1600,2000,2500,31500-2题:写出R10/3中从0.012~100的优先数系的派生数系。
= 3;由R10中的每逢3个取一个数,优先数系如下:解:公比q10/30.012, 0.025, 0.050, 0.100, 0.200, 0.400, 0.800,1.600, 3.150, 6.300, 12.50, 25.00, 50.00, 100.00。
0-3题:写出R10/5中从0.08~25的优先数系的派生数系。
解:公比q=5;由R10中的每逢5个取一个数,优先数系如下:10/50.80, 0.25, 0.80, 2.50, 8.00, 25.0第一章圆柱公差与配合1-1题 1.1-2题(1)为间隙配合,孔与轴配合的公差带代号为:φ2088d H(3)为过盈配合,孔与轴配合的公差带代号为:φ5567r H1-3题 (1)为基孔制的间隙配合φ+ 0 - H8最大间隙:Xmax=+0.131㎜ 最小间隙:Xmin=+0.065㎜配合公差为:f T =0.066㎜r 6φ+ 0 - H7 +0.060+0.041最大过盈:Ymax=-0.060㎜ 最小过盈:Ymin=-0.011㎜ 配合公差为:f T =0.049㎜+ 0 - H8孔、轴公差:h T =0.039㎜,s T =0.025㎜; 配合的极限:Xmax=+0.089㎜,Xmin=+0.025㎜(2)为基轴制的过渡配合 (5)为基孔制的过盈配合1-4题φ+ 0 - 孔、轴公差:h T =0.021㎜, s T =0.013㎜; 配合的极限:Xmax=+0.019㎜,Ymax=-0.015㎜ 配合的公差:f T =0.034㎜φ+ 0 - H7 u 6+0.235+0.210孔、轴公差:h T =0.040㎜,s T =0.025㎜; 配合的极限:Ymax=-0.235㎜,Ymin=-0.17㎜ 配合的公差:f T =0.065㎜;(1)φ600.1740.10000.01996D h ++- (2)φ50018.0002.0025.0067+++k H (5)φ800.0910.12100.01976U h --- 1-5题 (1)Ф2588f H 或Ф2588h F (2) Ф4067u H 或Ф4067h U (3) Ф6078k H 或Ф4078h K (1-6题)孔与轴的线胀大系数之差:△6105.11=⨯=α/℃, 降温-70℃导致的间隙减少量:△X = -0.040 mm设计结果:①Ф5078e H (基孔制);②Ф5078f F (非基准制,X m ax 和 X m in 相同)。
《互换性与技术测量》课后题参考答案一、选择题:1.车间生产中评定表面粗糙度最常用的方法是(D)。
A、光切法B、针描法C、干涉法D、比较法2.当孔、轴都处于最大实体尺寸时,它们装配的结果(③)①最好;②最差;③最紧;④最松。
3.平键联结中宽度尺寸b的不同配合是依靠改变(A )公差带的位置来获得。
A 、轴槽和轮毂槽宽度B 、键宽C 、轴槽宽度D 、轮毂槽宽度4.Φ40f7、φ40f8和φ40f9的相同偏差是(②)。
①下偏差;②基本偏差;③公差;④实际偏差。
5.一般情况下,圆柱形零件的形状公差值(轴线的直线度除外)与尺寸公差值的关系应是(A )。
A .形状公差小于尺寸公差;B .形状公差大于尺寸公差;C .两者相等6.与φ80H7/f6配合性质相同的配合是(①)。
①φ80F7/h6;②φ80F7/f7;③φ80H7/h6;④φ80H6/h7。
7.圆跳动度公差带的形状为(③)①圆内的区域;②圆柱体内的区域;③两同心圆之间的区域;④两同轴圆柱之间的区域。
8.比较相同尺寸的精度,取决于__B___。
A、偏差值的大B、公差值的大小C、基本偏差值的大小9.比较不同尺寸的精度,取决于___C__。
A、公差值的大小B、公差单位数的大小C、公差等级的大小D、基本偏差值的大小10.封闭环的公差是__C___。
A、所有增环的公差之和B、所有减环的公差之和C、所有增环与减环的公差之和D、所有增环公差之和减去所有减环的公差之和11.某减速器转轴两端安装深沟球轴承,该轴承承受一个大小和方向均不变的径向负荷,内圈旋转,外圈不旋转,内圈相对于负荷方向的运作状态为(②)。
①固定的内圈负荷;②旋转的内圈负荷;③摆动的内圈负荷;④摆动或旋转的内圈负荷12.形状误差一般说来_B___位置公差。
A、大于B、小于C、等于13.利用同一加工方法,加工φ50H5孔和φ100H7孔,应理解为(①)。
①前者加工困难;②后者加工困难;③两者加工难易相当;④无法比较。
习题1.什么是互换性?互换性的如何分类?2.完全互换和不完全互换有何区别?各用于何种场合?3.公差的概念?4.什么是标准和标准化?5.优先数系是一种什么数列?有哪些优先数的基本系列?答案1,互换性是指在同一规格的一批零件或部件中,任取其一,不需任何挑选或附加修配(如钳工修理)就能装在机器上,达到规定的功能要求。
这样的一批零件或部件就称为具有互换性的零、部件。
分类:按不同场合对于零部件互换的形式和程度的不同要求,把互换性可以分为完全互换性和不完全互换性两类。
对标准部件或机构来讲,其互换性又可分为内互换性和外互换性。
2.完全互换是指对于同一规格的零部件,装配前不经任何选择,装配时不需任何调整或修配,就能装配到机器上,并能满足预定的使用要求。
以零部件装配或更换时不需要挑选或修配为条件。
孔和轴加上后只要符合设计的规定要求,则它们就具有完全互换性。
不完全互换是指对于同种零件、部件加工好以后,在装配前需要经过挑选、调整或修配等才能满足使用要求。
在零部件装配时允许有附加条件的选择或调整。
对于不完全互换性可以采用分组装配法、调整法等来实现。
应用:零部件厂际协作应采用完全互换,部件或构件在同一厂制造和装配时,可采用不完全互换。
完全互换性应用于中等精度、批量生产;不完全互换性应用于高精度或超高精度、小批量或单件生产。
内互换指部件内部组成件间的互换;外互换指部件与相配合零件之间的互换。
3.公差即允许实际参数值的最大变动量。
4. 标准是指对重复性事物和概念所做的统一规定,它以科学技术和实践经验的综合成果为基础,经有关方面协商一致,由主管机构批准,以特定形式发布,作为共同遵守的准则和依据。
标准在一定范围内具有约束力。
标准化工作包括制定标准,发布标准、组织实施标准和对标准的实施进行监督的全部活动过程。
这个过程是从探索标准化对象开始,经调查、实验和分析,进而起草、制定和贯彻标准,而后修订标准。
因此,标准化是个不断循环而又不断提高其水平的过程。
第1章绪论一、填空题1.几何参数互换性功能互换性2.完全互换不完全互换不完全互换3.误差检测4.基础标准产品标准方法标准安全和环境保护标准5.R5 R10 R20 R40 先疏后密R80 参数分级很细或基本系列中的优先数不能适应实际情况二、选择题1.ABCD 2.A B 3.B三、判断题1.×2.×3.√4.√四、问答题1.什么是互换性?互换性在机械设计与制造中的意义如何?答:互换性是指在同一规格的一批零件或部件中,任取其一,不需任何挑选、调整或修配(如钳工修理)就能装在机器上,达到规定的性能要求。
互换性给产品的设计、制造、使用和维修都带来了很大的方便。
(1)设计方面从设计方面看,由于采用按互换性原则设计和生产的标准零件和部件,可以简少绘图、计算等设计工作量,缩短设计周期,提高设计的可靠性,有利于产品的多样化和计算机辅助设计。
(2)制造方面从制造方面看,互换性有利于组织大规模专业化生产,有利于采用先进的工艺和高效的专用设备,有利于实现加工和装配过程的机械化、自动化。
互换性与测量技术(3)使用和维修方面从使用和维修方面看,具有互换性的零部件在磨损或损坏后可以及时更换,因而减少了机器的维修时间和费用,可保证机器工作的连续性和持久性,提高了机器的使用价值。
因此,互换性对保证产品质量、提高生产率、降低产品成本、降低劳动强度等方面均具有重要意义,它已成为现代机械制造业中一个普遍遵循的原则。
2.完全互换和不完全互换有何区别?答:完全互换是指在零部件装配或更换时,不需要选择、调整或修配,就可以达到预定的装配精度要求。
例如,常见的螺栓、螺母等标准件的互换性就属于完全互换。
不完全互换是指在装配前需要将零部件预先分组或在装配时需要进行少量修配调整才能达到装配精度的要求。
例如,拖拉机、汽车的活塞销和活塞销孔装配时的分组法装配、减速机轴承盖装配时的垫片厚度调整法装配等都属于不完全互换。
3.按级别分,标准可分为哪几类?答:按级别分,我国的标准可分为国家标准、行业标准、地方标准和企业标准四级。
《互换性与技术测量》(胡凤兰任桂华版)课后完整答案1991.1中的互换性是什么?为什么互换性是现代机械制造中普遍遵守的原则?互换性只适用于大规模生产吗?答:(1)它是指同一规格的任何部分,可以组装成满足预期功能要求的机器或仪器,而无需任何选择、维修或调整。
零件的性能称为互换性。
(2)互换性已成为现代机械制造业普遍遵循的原则,因为它对保证产品质量、提高生产率和增加经济效益具有重要意义(3)否1.2生产中常用的互换性有哪些?他们之间有什么区别?答:(1)生产中常用的互换性有完全互换性和不完全互换性(2)区别是:1)完全互换性是一批零件或部件在装配时不需要分组、选择、调整和修理,装配后能满足预定要求。
然而,不完全互换性意味着零件加工后,通过测量根据实际尺寸将零件分成几组。
只有同一组中的零件具有互换性,不能在组之间互换。
2)当要求装配精度高时,使用完全互换性会增加零件制造精度的要求,使加工困难,并增加成本。
然而,通过采用不完全互换性,可以适当降低零件的制造精度,从而便于零件加工,降低成本1.3什么是公差、标准和标准化?它们与互换性有什么关系?答:(1)零件的几何数量在指定范围内变化,以确保相同规格的零件彼此完全相似。
这个允许的范围称为公差。
(2)标准是通过制定、发布和实施标准来统一经济、技术、科学和管理等社会实践中的重复性事物和概念,以实现最佳秩序和社会效益的过程。
(3)标准化反映了标准起草、制定和实施的全过程(4)标准和标准化是互换性生产的基础1.4什么是优先号码系统,什么是基本系列?公众比例是多少?答:(1)优先编号系统是一个科学的数字标准,它协调、简化和统一了各种技术参数的值。
这是一个无量纲的分级值。
它是十进制几何级数,适用于各种值的分级(2)基本系列包括R5、R10、R20和R40(3)公共比率qr=r10常规问题22-1根据问题1表格中的已知值,确定表格中的剩余值(mm)1孔:?40孔:?30洞:?1840.02530.01218.0172039.950604029.9911819.96739.88859.981+0.02 5+0.012+0.0170-0.0500?0.018?0.0020-0.0090-0.033-0.112-0.0190.0250.0210.0170.0330.0620.0190.025?40?00.012?30??0.0090.017?18岁?轴0:?轴线20:?40轴:?60?20?00.0330.050?40??0.112?60?00.0192-2。
第一章什么叫互换性?为什么说互换性已成为现代机械制造业中一个普遍遵守原则?答:(1)互换性是指机器零件(或部件)相互之间可以代换且能保证使用要求的一种特性。
(2)因为互换性对保证产品质量,提高生产率和增加经济效益具有重要意义,所以互换性已成为现代机械制造业中一个普遍遵守的原则。
1-2 按互换程度来分,互换性可分为哪两类?它们有何区别?各适用于什么场合?答:(1)按互换的程来分,互换性可以完全互换和不完全互换。
(2)其区别是:a、完全互换是一批零件或部件在装配时不需分组、挑选、调整和修配,装配后即能满足预定要求。
而不完全互换是零件加工好后,通过测量将零件按实际尺寸的大小分为若干组,仅同一组内零件有互换性,组与组之间不能互换。
b、当装配精度要求较高时,采用完全互换将使零件制造精度要求提高,加工困难,成本增高;而采用不完全互换,可适当降低零件的制造精度,使之便于加工,成本降低。
(3)适用场合:一般来说,使用要求与制造水平,经济效益没有矛盾时,可采用完全互换;反之,采用不完全互换。
1-3.什么叫公差、检测和标准化?它们与互换性有何关系?答:(1)公差是零件几何参数误差的允许范围。
(2)检测是兼有测量和检验两种特性的一个综合鉴别过程。
(3)标准化是反映制定、贯彻标准的全过程。
(4)公差与检测是实现互换性的手段和条件,标准化是实现互换性的前提。
1-4.按标准颁布的级别来分,我国的标准有哪几种?答:按标准颁布的级别来分,我国标准分为国家标准、行业标准、地方标准和企业标准。
1-5.什么叫优先数系和优先数?答:(1)优先数系是一种无量纲的分级数值,它是十进制等比数列,适用于各种量值的分级。
(2)优先数是指优先数系中的每个数。
1-7.下面两列数据属于哪种系列?公比为多少?机床主轴转速为200,250,315,400,500,630,、、、单位r/min (2)表面粗糙度R的基本系列为0.012,0.025,0.050,0.100,0.20,、、、,单位为um。
互换性与测量技术基础第三版周兆元李翔英主编教材课后习题答案第一章习题及答案1-1什么叫互换性它在机械制造中有何重要意义是否只适用于大批量生产答:同一规格的零部件,不需要做任何挑选、调整或修配,就能装配到机器中去,并达到使用要求,这种特性就叫互换性;互换性给产品的设计、制造和使用维修都带来了很大方便;它不仅适用于大批量生产,也适用于单件小批生产,互换性已经成为现代机械制造企业中一个普遍遵守的原则;1-2完全互换和不完全互换有何区别各用于什么场合答:互换程度不同:完全互换是同一规格的零部件,不需要做任何挑选、调整或修配,就能装配到机器中而满足使用要求;不完全互换是同一规格的零部件,需要经过挑选、调整或修配,再装配到机器中去才能使用要求;当使用要求和零件制造水平、经济效益没有矛盾,即机器部件装配精度不高,各零件制造公差较大时,可采用完全互换进行零件生产;反之,当机器部件装配精度要求较高或很高,零件制造公差较小时,采用不完全互换;1-5下面两列数据属于哪种系列公比为多少1电动机转速:375,750,1500,3000,、、、2摇臂钻床的主参数钻孔直径:25,40,63,80,100,125等(12答:1此系列为派生系列:R40/12,公比为2此系列为复合系列,前三个数为R5系列,后三位为R10系列;补充题:写出1~100之内的派生系列R20/3和R10/2的优先数常用值;答:R20/3:1.00,1.40,2.00,2.80,4.00,5.60,8.00,11.2,16.0,22.4,31.5,45.0,63.0,90.0 R10/2:1.00,1.60,2.50,4.00,6.30,10.0,16.0,25.0,40.0,63.0,100第二章习题及答案2-5略2-9试从83块一套的量块中,同时组合下列尺寸:48.98mm,29.875mm,10.56mm; 答:48.98=1.48+7.5+4029.875=1.005+1.37+7.5+2010.56=1.06+9.5提示:组合量块数量最多不超过4块,数量越少越好因误差越小;附加题:用内径百分表测量孔径属于哪种测量方法答:属于直接测量、相对测量、单项测量、接触测量和离线测量;第三章习题答案3-7如何区分间隙配合、过渡配合和过盈配合怎样计算极限间隙、极限过盈、平均间隙和平均过盈答:具有间隙的配合称为间隙配合,这时孔公差带在轴公差带之上;可能具有间隙或过盈的配合称为过渡配合,这时孔、轴公差带相互交叠;具有过盈的配合称为过盈配合,这时孔公差带在轴公差带之下;间隙配合:最大间隙:Xmax=Dmax-dmin=ES -ei最小间隙:Xmin=Dmin -dmax=EI -es平均间隙:Xav=Xmax+Xmin/2 过盈配合:最大过盈:Ymax=Dmin -dmax=EI -es 最小过盈:Ymin=Dmax -dmin=ES -ei 平均过盈:Yav=Ymax+Ymin/2 过渡配合:最大间隙: Xmax=Dmax -dmin=ES -ei 最大过盈:Ymax=Dmin -dmax=EI -es平均间隙Xav 或平均过盈Yav : Xav 或Yav=Xmax+Ymax/23-9什么是一般公差 线性尺寸的一般公差规定几个等级 在图样上如何表示答:一般公差是指在普通工艺条件下机床一般加工能力就能保证的公差;线性尺寸的一般公差规定了4个公差等级:精密级、中等级、粗糙级、最粗级,分别用字母f 、m 、c 、v 表示;当采用一般公差时,在图样上只注基本尺寸,不注极限偏差,而应在图样的技术要求或技术文件中,用标准号和公差等级代号作出总的表示;例如:GB/T 1804—m;3-10已知两根轴,第一根轴直径为φ5mm,公差值为5μm,第二根轴直径为φ180mm,公差值为25μm,试比较两根轴加工的难易程度;答:查表3-1可知,第一根轴的公差等级为IT5级,而第二根轴的公差等级为IT6级,所以第一根轴较难加工;3-11用查表法确定下列各配合的孔、轴的极限偏差,计算极限间隙或过盈,并画出公差带图;1φ20H8/f7 2φ30F8/h7 3φ14H7/r6 4φ60P6/h5 5φ45JS6/h5 6φ40H7/t6 答:查表3-4、3-5可得 1φ20H80.0330+/f70.0200.041--;Xmax=+0.074 Xmin=+0.020;公差带图略2φ30F80.0530.020++/h700.021-;Xmax=+0.074 Xmin=+0.020 3φ14H70.0180+/r60.0340.023++;Ymax=-0.034 Ymin=-0.005 4φ60P60.0260.045--/h50.013-;Ymax=-0.045 Ymin=-0.0135φ45JS6±0.008/h500.011-;Xmax=+0.019 Ymax=-0.0086φ40H70.0250+/t60.0640.048++;Ymax=-0.064 Ymin=-0.0233-12根据下表中给出的数据求空格中应有的数据并填入空格中;基本尺寸 孔 轴 X max 或Y min X min 或Y max X av 或Y av T f ES EI T h es ei T s φ25 +0.013 0 0.013 -0.040-0.0610.021 +0.074 +0.040 +0.057 0.034 φ14 +0.019 0 0.019 +0.012 +0.002 0.010 +0.017 -0.012 +0.0025 0.029 φ45-0.025-0.0500.025-0.0160.016-0.009-0.050-0.02950.0413-13设有一孔、轴配合,基本尺寸为φ40mm,要求配合的间隙为+0.025~+0.066mm,试用计算法确定孔、轴的公差等级、极限偏差、公差带代号,并画出公差带图; 解:Tf =Xmax -Xmin =+0.066-+0.025=0.041mm =41μm ∵Tf =Th +Ts 而Th =1.5Ts得:Ts =16.4μm Th =24.6μm查表得Ts =16μm 为IT6级 ;Th =25μm 为IT7级若采用基孔制,则EI =0,基本偏差代号为H ;孔的公差带代号为H7 ∴ES =EI +Th =0+25=+25μm∵Xmin =EI -es ∴es =EI -Xmin =0-+25=-25μm 查表3-4得轴的基本偏差代号为f ;轴的公差带代号为f6 ei =es -Ts =-25-16=-41μm ∴孔轴配合代号为0.0250.02500.041407()/6()H f φ+--;公差带图如下所示:也可采用基轴制进行计算,结果为孔轴配合代号为0.05000.0250.016407()/6()F h φ++-,过程与公差带图略;3-14如图所示,1为钻模板,2为钻头,3为定位套,4为钻套,5为工件;已知:1配合面①和②都有定心要求,需用过盈量不大的固定连接;2配合面③有定心要求,在安装和取出定位套时需轴向移动;3配合面④有导向要求,且钻头能在转动状态下进入钻套;试选择上述配合面的配合种类,并简述其理由; 答:1选择小过盈配合H/p 或H/r,因为有定心要求,连接固定;2选择小间隙配合H/h 或较松的过渡配合H/js,因为有定心要求且每次安装工件都需装卸定位套;3选择小间隙配合G/h,因为钻套孔要对钻头起到导向作用,间隙不能大,同时钻头要通过钻套,要有间隙;提示:以上答案不是唯一的标准答案,只是合理答案; 补充题:1、已知φ30g7的极限偏差为007.0028.0--,则φ30H7,φ30JS7,φ30h7和φ30G7的极限偏差分别为021.00+ mm 、 ±0.010 mm 、0021.0-mm 、028.0007.0++mm;2、有一基孔制的孔、轴配合,基本尺寸D=25mm,Ts=21μm ,Xmax=+74μm ,Xav=+47μm ,试求孔、轴的极限偏差、配合公差,并画出孔轴公差带示意图,说明配合种类; 解:由题意知:EI =0;∵max minav x x x 2+=∴X min =2Xav -X max =2×47-74=+20μm∵X min =EI -es ∴es =EI -X min =0-20=-20μm ei =es -T s =-20-21=-41μm∵T f =T h +T s =Xmax -Xmin =74-20=54μm ∴T h =T f -T s =54-21=33μm ∴ES =EI +T h =0+33=+33μm ∴孔为033.0025+φmm ,轴为020.0041.025--φmm;配合性质为间隙配合;公差带图如下所示:3、已知基孔制的配合 ,试用计算法确定配合性质相同的基轴制配合0.0250.0420.026407()/6()H p φ+++407/6P h φ的孔和轴的极限偏差以及极限间隙或过盈、配合公差,并画出孔、轴公差带示意图;解:由基孔制配合0.0250.0420.026407()/6()H p φ+++知:IT7=0.025mm ;IT6=0.016mm ;Ymin =ES -ei =+0.025-0.026=-0.001mmYmax =EI -es =0-0.042=-0.042mm则407/6P h φ配合为基轴制:es =0 ;ei =es -IT6=0-0.016=-0.016mm 因配合性质相同,所以Ymin =ES -ei =ES --0.016=-0.001mm ; 同时Ymax =-0.033mmES =-0.001-0.016=-0.017mm ;EI =ES -IT7=-0.017-0.025=-0.042mm Tf =Th+Ts =0.025+0.016=0.041mm所以可得0.01700.0420.016407()/6()N h φ---;公差带图如下:第四章习题答案4-5什么是体外作用尺寸 对于内、外表面,其体外作用尺寸的表达式是什么 答:在被测要素的给定长度上,与实际外表面体外相接的最小理想孔或与实际内表面体外相接的最大理想轴的直径或宽度,称作体外作用尺寸,用feD 、fed 表示;对于内表面:fe a D D t '=-;对于外表面:fe a d d t '=+a aD d 、——被测孔、轴的实际尺寸t '——被测孔、轴的几何误差;4-8几何公差带与尺寸公差带有何区别 几何公差的四要素是什么答:几何公差带是用来限制被测要素实际形状、方向、位置等变动的区域,可能是平面区域,也可能是空间区域;而尺寸公差带是用来限制零件实际尺寸的变动范围,只有大小和位置两个要素;几何公差带有四个要素:大小、形状、方向和位置;4-10试解释图4-29注出的各项几何公差的含义,填入下表 序号 公差项目名称 被测要素 基准要素 公差带形状 大小 公差带位置 ①圆柱度 连杆轴颈无 两同轴线0.01浮动4-12将下列几何公差要求分别标注在图4-31a 、b 上; 1标注在图4-31a 上的几何公差要求:100.0340φ-圆柱面对两00.02125φ-轴颈公共轴线的圆跳动公差为0.015mm ;2两00.02125φ-轴颈的圆度公差为0.01mm ;300.0340φ-左、右端面对两00.02125φ-轴颈公共轴线的端面圆跳动公差为0.02mm ; 4键槽00.03610-的中心平面对00.0340φ-轴线的对称度公差为0.015mm;2标注在图4-31b 上的几何公差要求: 1底平面的平面度公差为0.012mm ;20.021020φ+两孔的轴线分别对它们的公共轴线的同轴度公差为0.015mm ; 30.021020φ+两孔的公共轴线对底面的平行度公差为0.01mm,两孔表面的圆柱度公差为0.008mm; 答:1图4-31a2图4-31b4-13指出图4-32中几何公差的标注错误,并加以改正不许改变几何公差特征项目答:指出图中错误改正图如下:4-14指出图4-33中几何公差的标注错误,并加以改正不许改变几何公差特征项目答:指出图中错误改正图如下4-15按图4-34上标注的尺寸公差和几何公差填表,对于遵守相关要求的应画出动态公差图;a b f 答:图号 遵守的公差原则或相关要求的名称 遵守的边界名称及尺寸最大实体尺寸/mm 最小实体尺寸/mm 最大实体状态下允许的最大几何公差值μm最小实体状态下允许的最大几何公差值μm孔或轴实际尺寸的合格条件 a 独立原则 — 19.99 20.03 φ10 φ10 φ19.99≤Da ≤φ20.03 b 包容要求 最大实体边界 φ19.99 19.99 20.03 φ0 φ40 Da ≤φ20.03 f包容要求或最大实体边界φ404039.975φ0φ25da ≥φ39.975补充题: 1、如图所示零件,测得其中一根轴的da=19.985,轴线直线度误差为φ0.02mm,计算体外作用尺寸,试说明零件的合格条件,判断被测零件是否合格;解:被测零件的体外作用尺寸:19.9850.0220.005fe a d d t '=+=+=mm 零件需遵守包容要求,故合格条件是:max 2019.97fe M a L d d d d d ≤==≥=且∵20.00520fe M d d =>= ∴该零件不合格;2、分度值为0.02mm/m 的水平仪测量一导轨直线度,水平仪放在300mm 桥板上,得如下图所示的导轨直线的折线图,画出最小区域,求直线度误差;解:l 1的方程为:1324y x =+ l 2的方程为:23344y x =- 当x=1时,21110,4y y == 21114f y y =-==2.75格 直线度误差=11113000.020.0165100010004fLi =⨯⨯⨯=mm 第五章习题答案5-4表面粗糙度评定参数Ra 和Rz 的含义是什么 答:Ra 称为轮廓的算术平均偏差,含义是在一个取样长度内纵坐标Zxd 绝对值的算术平均偏差;Rz 称为轮廓最大高度,是指在一个取样长度内,最大轮廓峰高Rp 和最大轮廓谷深Rv 之和的高度;5-5选择表面粗糙度参数值时,应考虑哪些因素答: 1.同一零件上,工作表面的粗糙度轮廓参数值通常比非工作表面小;2.摩擦表面的粗糙度轮廓参数值应比非摩擦表面小;3.相对运动速度高、单位面积压力大、承受交变应力作用的表面粗糙度轮廓参数值应小;4.对于要求配合性质稳定的小间隙配合或承受重载荷的过盈配合,孔轴的表面粗糙度参数允许值都应小;5.表面粗糙度参数允许值应与孔、轴尺寸的标准公差等级协调;★ 孔、轴尺寸的标准公差等级越高 ,则该孔或轴的表面粗糙度参数值应越小 ; ★ 对于同一标准公差等级的不同尺寸的孔或轴,小尺寸 的孔或轴的表面粗糙度参数值应比大尺寸的小一些;6.标准件上的特定表面应按标准规定来确定其表面粗糙度参数值;7.对于防腐蚀、密封性要求高的表面以及要求外表美观的表面,其粗糙度轮廓参数值应小;5-7在一般情况下,φ40H7和φ80H7相比,φ40H6/f5和φ40H6/s5相比,哪个应选用较小的Ra值答:φ40H7、φ40H6/f5应选用较小的Ra值;补充题:看图,试将下列的表面粗糙度技术要求标注在该图上:1圆锥面a的表面粗糙度参数Ra的上限值为4.0μm;2轮毂端面b和c的表面粗糙度参数Ra的最大值为3.2μm;3Ф30mm孔最后一道工序为拉削加工,表面粗糙度参数Rz的最大值为10.0μm,并标注加工纹理方向;48±0.018mm键槽两侧面的表面粗糙度参数Ra的上限值为2.5μm;5其余表面的表面粗糙度参数Rz的最大值为40μm;答:答案不唯一;第八章习题答案3-16用普通计量器具测量φ50f80.0250.064--轴、φ20H100.0840+孔,试分别确定孔、轴所选择的测量器具并计算验收极限;答:由表3-15查得φ50f8的测量不确定的允许值为3.5μm=0.0035mm,由表3-17查得分度值为0.005mm 的比较仪测量不确定度为0.0030mm,它小于0.0035mm;所以可选作测量器具;由表3-15查得φ20H10的测量不确定度的允许值为7.6μm=0.0076mm,由表3-18查得分度值为0.001mm 的千分表的测量不确定度为0.005mm,它小于0.0076mm,所以可用作测量;按内缩方式确定φ50f8验收极限,由表3-15查得φ50f8安全裕度A 为3.9μm ;按不内缩方式确定φ20H10的验收极限;φ50f8的验收极限为上验收极限=50-0.025-0.0039=49.9711mm下验收极限=50-0.064+0.0039=49.9399mm按不内缩方式确定φ20H10的验收极限为上验收极限=20+0.084=20.084mm下验收极限=20mm8-1 试述光滑极限量规的作用和种类;答:光滑极限量规是一种没有刻度的专用检具,给定包容要求的孔、轴检测时要使用量规进行检测;检测时只能判断零件是否合格,不能得出具体的几何量数值;量规有通规和止规,必须成对使用;通规用来模拟最大实体边界,检验孔或轴是否超出该边界;止规用来检验孔或轴的实际尺寸是否超出最小实体尺寸;量规按测量表面不同分为塞规和环规卡规,按用途不同可分为工作量规、验收量规和校对量规;8-3 光滑极限量规的设计原则是什么说明其含义;答:光滑极限量规设计时应遵守泰勒原则;泰勒原则是指实际被测孔或轴的体外作用尺寸不允许超出最大实体尺寸,被测孔或轴的局部实际尺寸不允许超出最小实体尺寸;8-4 试计算遵守包容要求的φ40H7/n6配合的孔、轴工作量规的上下偏差以及工作尺寸,并画出量规公差带图;解:查第三章相关表格得被测孔φ40H7的极限偏差为:EI=0,ES=+25μm;被测轴φ40n6的极限偏差为:ei=+17μm es=+33μm;查表8-1得量规制造公差T1和位置要素Z1分别为:孔用量规:T1=3μm,Z1=4μm ;轴用量规:T1=2.4μm,Z1=2.8μm孔用量规公差带图 轴用量规公差带图由图可知:φ40H7孔用量规的通规:上偏差为+0.0055mm,下偏差为+0.0025mm,工作尺寸为0.00550.002540φ++mm,通规磨损极限为φ40mm;φ40H7孔用量规的止规:上偏差为+0.025mm,下偏差为+0.022mm,工作尺寸为0.0250.02240φ++mm 或00.00340.025φ-mm;φ40n6轴用量规的通规:上偏差为+0.314mm,下偏差为+0.029mm,工作尺寸为0.03140.02940φ++mm 或0.00160.00440.033φ--mm,磨损极限为φ40.033mm;φ40n6轴用量规的止规:上偏差为0.0194mm,下偏差为0.017mm,工作尺寸为0.01940.01740φ++mm 或0.0024040.017φ+mm;第九章习题答案9-2 某减速器传递一般转矩,其中某一齿轮与轴之间通过平键联接来传递转矩;已知键宽b=8mm,确定键宽b 的配合代号,查出其极限偏差值,并做公差带图;答:查表9-2,确定b 的配合代号:键宽为8h9、轴槽宽为8N9、轮毂槽宽为8JS9, 查表3-1得IT9=36μm,键宽8h9的上偏差es=0,ei=-0.036mm,即00.03689()h -mm查表3-5,可得轴槽宽8N9的基本偏差ES=0,EI=-0.036mm,即00.03689()N -mm查表3-5,可得轮毂槽宽8JS9的基本偏差ES=+18μm,EI=-18μm,即8JS9±0.018mm;9-3 什么是花键定心表面 国标为什么只规定小径定心答:花键的定心表面可以是小径、大径和键侧;国标中规定采用小径定心,这是因为花键的结合面需在淬火后磨削,而小径便于磨削,内花键小径可知内圆磨床上磨削,外花键小径可用成形砂轮磨削,可达到较高的尺寸精度和形状精度,因此标准规定采用小径定心;9-4 某机床变速箱中,有一个6级精度的齿轮的内花键与花键轴联接,花键规格:6×26×30×6,内花键长30mm,花键轴长75mm,齿轮内花键精车需要相对花键轴作轴向移动,要求定心精度较高;试确定:1齿轮内花键和花键轴的公差带代号,计算小径、大径、键槽宽的极限尺寸;2分别写出在装配图上和零件图上的标记;答:1由于齿轮精度较高,且内花键要相对花键轴轴向移动,定心精度要求较高,据表9-4确定齿轮内花键公差带代号为6×26H6×30H10×6H9;花键轴公差带代号为6×26f6或g6×30a11×6f7;内花键的极限尺寸:小径Φ26H6大径Φ30H10键槽宽6f7H9外花键轴的极限尺寸:小径Φ26f6或g6 大径Φ30a11键宽6f7 2在装配图上标记为 ,在齿轮零件图上内花键孔标注为6×26H6×30H10×6H9;花键轴零件图标注为6×26f6或g6×30a11×6f7;9-6 查出螺纹联接M20×2-6H/5g6g 的内外螺纹各直径的基本尺寸、基本偏差和公差,画出中径和顶径的公差带图,并在图上标出相应的偏差值;答:查表9-8可得内外螺纹各直径的基本尺寸:大径D 、d 为20mm,中径D 2、d 2为18.701mm,小径D 1、d 1为17.835mm;查表9-11可得内螺纹中径公差6级为212μm,外螺纹中径公差5级为125μm ; 内螺纹的中径、小径的公差带代号均为6H,查表9-12可得基本偏差EI=0,内螺纹小径公差为375μm ;外螺纹的中径公差带代号为5g 、大径的公差带代号为6g,查表9-12可得基本偏差es=-38μm,,外螺纹大径公差为280μm; 由此可得内螺纹中径D 2=0.212018.701φ+mm,小径D 1=0.375017.835φ+mm 外螺纹中径d 2=0.0380.16318.701φ--mm,大径d=0.0380.31820φ--mm;9-9滚动轴承与轴颈、外壳孔配合,采用何种基准制 其公差带分布有何特点答:轴承内圈与轴颈的配合采用基孔制,轴承外圈与外壳孔的配合采用基轴制;滚动轴承内、外径的公差带特点:国家标准规定:轴承内圈内径公差带位于公称内径d为零线的下方,即上偏差为零,下偏差为负值;这是因为考虑到轴承配合的特殊需要;在大多数情况下,轴承内圈要随轴颈一起转动,两者之间必须有一定过盈,但过盈量又不易过大,以保证装卸方便,防止内圈应力过大,当基本偏差代号为k、m、n等的轴颈与公差带位于零线之下的内圈配合时,就可得到小过盈的配合,可满足使用要求;轴承外圈外径的公差带分布于其公称直径D为零线的下方,即上偏差为零,下偏差为负值;。
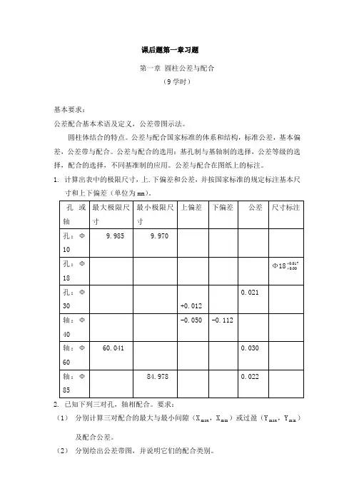
课后题第一章习题第一章圆柱公差与配合(9学时)基本要求:公差配合基本术语及定义,公差带图示法。
圆柱体结合的特点。
公差与配合国家标准的体系和结构,标准公差,基本偏差,公差带与配合。
公差与配合的选用:基孔制与基轴制的选择,公差等级的选择,配合的选择,不同基准制的应用。
公差与配合在图纸上的标注。
1.计算出表中的极限尺寸,上.下偏差和公差,并按国家标准的规定标注基本尺寸和上下偏差(单位为mm)。
2.已知下列三对孔,轴相配合。
要求:(1)分别计算三对配合的最大与最小间隙(Xmax ,Xmin)或过盈(Ymax,Ymin)及配合公差。
(2)分别绘出公差带图,并说明它们的配合类别。
① 孔:Φ20033.00+ 轴:Φ20065.0098.0-- ② 孔:Φ35007.0018.0+- 轴:Φ350016.0- ③ 孔:Φ55030.00+ 轴:Φ55060.0041.0++3. 下列配合中,查表1——7,表1——10,表1——11确定孔与轴的最大与最小间隙或过盈以及配合公差,画出公差带图,并指出它们属于哪种基准制和哪类配合?(1)Φ50H8/f7 (2)Φ80G10/h10 (3)Φ30K7/h6 (4)Φ140H8/r8 (5)Φ180H7/u6 (6)Φ18M6/h54.将下列基孔(轴)制配合,改换成配合性质相同的基轴(孔)制配合,并查表1——8,表1——10,表1——11,确定改换后的极限偏差。
(1)Φ60H9/d9 (2)Φ30H8/f7 (3)Φ50K7/h6 (4)Φ30S7/h6 (5)Φ50H7/u65.有下列三组孔与轴相配合,根据给定的数值,试分别确定它们的公差等级,并选用适当的配合。
(1)配合的基本尺寸=25mm ,X max =+0.086mm ,X min =+0.020mm (2)配合的基本尺寸=40mm ,Y max =-0.076mm ,Y min =-0.035mm (3)配合的基本尺寸=60mm ,Y max =-0.032mm ,Y min =+0.046mm6.根据结构的要求,图1——1所示为黄铜套与玻璃透镜间的工作温度t=-50℃时,应有0.009—0.075mm 的间隙量。
《互换性与技术测量基础,主编:胡凤兰》课后习题答案 P39 第1章课后作业1.1(1)正确。
原因:一般情况下,实际尺寸越接近基本尺寸说明制造的误差越小。
(2)错误。
原因:规定的是公差带的宽度,不是位置,没有正负。
(3)错误。
原因:配合是由孔、轴的配合性质、装配等综合因素决定,不是由零件的加工精度决定。
但在通常情况下,加工精度高,可在一定程度上提高配合精度。
(4)正确。
原因:过渡配合必须保证最大过盈量和最小间隙的要求。
(5)错误。
原因:可能是过渡配合,配合公差是孔、轴公差之和。
1.2(1)①28,②孔,③下偏差为零,④正值,⑤轴,⑥上偏差为零,⑦负值(2)①基孔制,②基轴制,③基孔制,④定值刀具、量具的规格和数量(3)①20,②01,③18,④5到12级(4)①间隙,②过盈,③过渡,④间隙1.3基本尺寸 最大极限尺寸 最小极限尺寸 上偏差 下偏差 公差 孔0500032012..++φ 12φ 05012.φ 03212.φ +0.050 +0.032 0.018 轴0720053060..++φ 60φ 07260.φ 05360.φ +0.072 +0.053 0.019 孔0410060030..--φ 30φ 95929.φ 94029.φ -0.041 -0.060 0.021 轴0050034050..+-φ 50φ 00550.φ 96649.φ +0.005 -0.034 0.0391.4(1)50φ +0.039 0 0.039 -0.025 -0.064 0.039 +0.103 +0.025 +0.064 0.078 间隙(2)25φ -0.014 -0.035 0.021 0 +0.013 0.013 -0.014 -0.048 -0.031 0.034 过盈(3)80φ +0.005 -0.041 0.046 0 -0.030 0.030 +0.035 -0.041 -0.003 0.076 过渡1.5(1)020*******..--φ,(2)1000146060..--φ,(3)0180002050..++φ,(4)020*******..++φ,(5)1420080050..++φ,(6)0170042040..--φ,(7)0021030.-φ,(8)023080.±φ1.6(1)618h φ,(2)9120H φ,(3)750e φ,(4)865M φ1.7解:因要求最大间隙为+0.013,最大过盈为-0.021,所以需采用过渡配合在没有特殊要求的前提下,一般采用基孔制配合,并根据工艺等价的要求,孔的公差等级要低于轴1至2个公差等级。
《互换性与测量技术基础》第三版周兆元李翔英主编教材课后习题答案第一章习题及答案1-1什么叫互换性?它在机械制造中有何重要意义?是否只适用于大批量生产?答:同一规格的零部件,不需要做任何挑选、调整或修配,就能装配到机器中去,并达到使用要求,这种特性就叫互换性。
互换性给产品的设计、制造和使用维修都带来了很大方便。
它不仅适用于大批量生产,也适用于单件小批生产,互换性已经成为现代机械制造企业中一个普遍遵守的原则。
1-2完全互换和不完全互换有何区别?各用于什么场合?答:互换程度不同:完全互换是同一规格的零部件,不需要做任何挑选、调整或修配,就能装配到机器中而满足使用要求;不完全互换是同一规格的零部件,需要经过挑选、调整或修配,再装配到机器中去才能使用要求.当使用要求和零件制造水平、经济效益没有矛盾,即机器部件装配精度不高,各零件制造公差较大时,可采用完全互换进行零件生产;反之,当机器部件装配精度要求较高或很高,零件制造公差较小时,采用不完全互换。
1-5下面两列数据属于哪种系列?公比为多少?(1)电动机转速:375,750,1500,3000,、、、(2)摇臂钻床的主参数(钻孔直径):25,40,63,80,100,125等(12答:(1)此系列为派生系列:R40/12,公比为(2)此系列为复合系列,前三个数为R5系列,后三位为R10系列。
补充题:写出1~100之内的派生系列R20/3和R10/2的优先数常用值。
答:R20/3:1.00,1。
40,2。
00,2.80,4.00,5。
60,8.00,11。
2,16.0,22.4,31.5,45.0,63。
0,90。
0R10/2:1.00,1。
60,2。
50,4.00,6.30,10.0,16。
0,25.0,40.0,63.0,100第二章习题及答案2—5(略)2-9试从83块一套的量块中,同时组合下列尺寸:48。
98mm,29.875mm,10.56mm。
答:48。
互换性与测量技术课后答案这是老师给的课后答案,本来分十份word ,我整合到一起了,哈哈希望你们学习愉快,我也能挣点财富。
1、按优先数的基本系列确定优先数:(1) 第一个数为10,按R5系列确定后五项优先数。
解:后五项优先数是16,25,40,63,100。
(2) 第一个数为100,按R10/3系列确定后三项优先数。
解:后三项优先数是200,400,800。
2、试写出R10优先数系从1~100的全部优先数(常用值)。
解:R10优先数系从1~100的全部优先数是1,1.25,1.6,2,2.5,3.15,4,5,6.3,8,10,12.5,16,20,25,31.5,40,50,63,80,100。
3、普通螺纹公差自3级精度开始其公差等级系数为:0.50,0.63,0.80,1.00,1.25,1.60,2.00。
试判断它们属于优先数系中的哪一种?其公比是多少? 解:它们属于R10 (0.50,2.00),公比是1.25。
1、用杠杆千分尺测量某轴直径共15次,各次测量值为(mm )10.492,10.435,10.432,10.429,10.427,10.428,10.430,10.434,10.428,10.431,10.430,10.429,10.432,10.429,10.429。
若测量中没有系统误差,试求:(1)算术平均值x 。
(2)单次测量的标准偏差σ。
(3)试用3σ法则判断该测量列中有无粗大误差?(4)单次测量的极限误差lim ∆,如用此杠杆千分尺对该轴直径仅测量1次,得测量值为10.431,则其测量结果和测量精度应怎样表示? (5)算术平均值的标准偏差x σ。
(6)算术平均值的极限误差是多少?以这15次测量的算术平均值作为测量结果时,怎样表示测量结果和测量精度? 解:(1) 算术平均值x434.1011==∑=ni i x n X(2)单次测量的标准偏差σ()m n x x ni i μσ08.161/12≈--=∑= (3) 用3σ法则判断±3σ≈±48μm该测量列中有粗大误差,即10.492超出精度要求。
第一章什么叫互换性?为什么说互换性已成为现代机械制造业中一个普遍遵守原则?答:(1)互换性是指机器零件(或部件)相互之间可以代换且能保证使用要求的一种特性。
(2)因为互换性对保证产品质量,提高生产率和增加经济效益具有重要意义,所以互换性已成为现代机械制造业中一个普遍遵守的原则。
1-2 按互换程度来分,互换性可分为哪两类?它们有何区别?各适用于什么场合?答:(1)按互换的程来分,互换性可以完全互换和不完全互换。
(2)其区别是:a、完全互换是一批零件或部件在装配时不需分组、挑选、调整和修配,装配后即能满足预定要求。
而不完全互换是零件加工好后,通过测量将零件按实际尺寸的大小分为若干组,仅同一组内零件有互换性,组与组之间不能互换。
b、当装配精度要求较高时,采用完全互换将使零件制造精度要求提高,加工困难,成本增高;而采用不完全互换,可适当降低零件的制造精度,使之便于加工,成本降低。
(3)适用场合:一般来说,使用要求与制造水平,经济效益没有矛盾时,可采用完全互换;反之,采用不完全互换。
1-3.什么叫公差、检测和标准化?它们与互换性有何关系?答:(1)公差是零件几何参数误差的允许范围。
(2)检测是兼有测量和检验两种特性的一个综合鉴别过程。
(3)标准化是反映制定、贯彻标准的全过程。
(4)公差与检测是实现互换性的手段和条件,标准化是实现互换性的前提。
1-4.按标准颁布的级别来分,我国的标准有哪几种?答:按标准颁布的级别来分,我国标准分为国家标准、行业标准、地方标准和企业标准。
1-5.什么叫优先数系和优先数?答:(1)优先数系是一种无量纲的分级数值,它是十进制等比数列,适用于各种量值的分级。
(2)优先数是指优先数系中的每个数。
1-7.下面两列数据属于哪种系列?公比为多少?(1)机床主轴转速为200,250,315,400,500,630,、、、单位r/min (2)表面粗糙度R的基本系列为0.012,0.025,0.050,0.100,0.20,、、、,单位为um。
互换性与技术测量作业参考答案第一章3.在相同条件下,在立式光学比较仪上,对某轴同一部位的直径重复测量10次,按测量顺序记录测得值为:30.4170;30.4180;30.4185;30.4180;30.4185;30.4180;30.4175;30.4180;30.4180;30.4185(单位为mm )。
(1)判断有无变值系统误差;(2)判断有无过失误差,若有则删去;(3)求轴这一部位直径的最近真值;(4)求表示测量系列值的标准偏差σ;(5)求表示算术平均值的标准偏差xσ与极限误差xlim ∆;(6)写出最后测量结果。
解:列表测量顺序测得值Vi =Xi -10X 6210×Vi XiXi Vi −=.'2Vi 130.4170-0.0011已剔除230.418000-0.00010.01330.4185+0.00050.25+0.00040.16430.418000-0.00010.01530.4185+0.00050.25+0.00040.16630.418000-0.00010.01730.4175-0.00050.25-0.00060.36830.418000-0.00010.01930.418000-0.00010.011030.4185+0.00050.25+0.00040.1610X =10101∑=i Xi=30.4180∑=1012i Vi=2∑=912i Vi=0.899X =991∑=i Xi=30.4181σ=1102−=0.4714umum 3335.01989.0'=−=σ(1)∑==510i umVi∑==1060i umVi∑∑===−106510i i umViVi 因此无变值系统误差。
(2)按肖维勒准则由n =10查表1-5得Zc =1.96故Zc σ=1.96×0.0004714=0.0009mm 有σˆ001.01Zc V >=由肖维勒准则第一项测得值含粗误差,应剔除。
第三章参考答案
3-1 BABCA BACDD B 3-2
(1)最多 (2)变化范围 (3)下 (4)孔和轴 (5)下 (6)间隙 (7)0.060 (8)-0.060mm (9)过渡 (10)-0.011
3-3 (1)P31-P32 (2)P35 (3)P35 (4)P42-P43 (5)P43-P44 3-4:
(1)孔的公差带位于轴的公差带上方,为间隙配合 Smax=ES-ei=0.021-(-0.020)=0.041 Smin=EI-es=0-(-0.007)=0.007
(2)基孔制配合(H), EI=0
TD=0.03 Td=0.019 δav=-0.0355 由EI=0 TD=0.03 得
0.030
ES EI ==
由 max min
()()
0.0355
2
2
0.019
av EI es ES ei es ei δδδ+-+-=
=
=--= 得: 0.0600.041
es ei ==
(3) 由基轴制配合h 得 es=0 TD=0.025 Td=0.016 Sav=0.025 由 es=0 Td=0.016 得:
0.016
es ei ==-
由: max min ()()
0.02522
0.025
av D S S ES ei EI es S T ES EI +-+-=
===-= 得: 0.0295
0.0045ES EI ==
(4) 原题中的“最小间隙为-0.076mm ,平均间隙为-0.055mm ”修改为“最大过盈为-0.076mm ,
平均过盈为-0.055mm ”
TD=0.025 ei=0.060 δmax=-0.076 δav=-0.055
由 max max min
0.0760.055
2
av δδδδ=-+==- 得: min 0.035δ=- 由
min 0.035
0.060
ES ei ei δ=-=-= 得 0.025
D ES EI ES T ==-=
由
max 0.076
0.060
EI es EI ei δ=-=-== 得
0.076
0.060
es ei ==
轴的公差带位为孔的公差带上方,为过盈配合
4-1
第四章课后习题答案
4-1
(1)AB (2)ACD (3)AB (4)BC (5)BCDE (6)BD (7)CDE (8)ACE (9)BCE (10)B
4-2
(1)半径为公差值t的两同心圆柱面间的区域,基准
(2)两平行平面,直径为公差值t的圆柱面间的区域
(3)两同心圆,两同心圆柱
(4)两平行平面
(5)长方体
(6)径向全跳动,径向全跳动
(7)内凹或外凸
(8)满足其它功能要求
(9)相同,固定,浮动
(10)直径为公差值t且与基准平面成理论正确角度的圆柱面内的区域;直径为公差值t,以理论正确位置为轴线的圆柱面内的区域
(11)0.025
(12)φ40.030 φ40.119 φ40.087
(13)最大实体边界φ20 0
(14)最小实体状态;φ9.972;0.010+t
4-3
4-4
第五章课后习题答案
第6章
6-1略
6-2 ×√√×√
1、工件公差
) 采用包容要求
φ120f7(-0.036
-0.071
2、安全裕度和测量不确定度(查表P109 6-4)
A=3.5 u=3.2
3、测量器具(查表P110 6-6)
选用分度值为0.005 的比较移测量不确定度为0.0030
4、验收极限
上验收极限=最大极限尺寸-A=120-0.036-0.0035=119.9605
下验收极限=最小极限尺寸+A=120-0.071+0.0035=119.9325 第9章
9-1 略
9-2 ×××√√×√
9-3
T D2=0.280 EI=0 ES=0.280
D2max=D2+ES=18.376+0.280=18.656
D2min=D2+EI=18.376+0=18.376
D2ZY=D2SJ-(f p+f a)=18.61-(0.015+0.023)=18.572 D2SJ=18.61
D2ZY> D2min
D2SJ< D2max
合格
9-4
M20×2-6H/6g-N
)
12-4(将A2修改为40+0.31
尺寸链如下
封闭环N 增环A1 =50 减环A2=40 N=A1-A2=10
ES N=ES A1-EI A2=0-0=0
EI N=EI A1-ES A2=-0.05-0.31=-0.36
N=100
-0.36
12-5
封闭环为键槽深度A0=87.9 组成环A1=84.8 A2=85.0 A
尺寸链
增环A A2/2 减环A1/2
由:A0=(A+A2/2)-A1/2
得:A=A0-A2/2+A1/2=87.9-85.0/2+84.8/2=87.8
由:ES A0=(ES A+ES A2/2)-EI A1/2
得:ES A= ES A0+ EI A1/2- ES A2/2=0.23+0/2-0.036/2=0.212 由:EI A0=(EI A+EI A2/2)-ES A1/2
得:EI A= EI A0+ ES A1/2- EI A2/2=0+0.07/2-0/2=0.035
所以:A=87.8+0.212
+0.035
第十二章
12-6
封闭环δ
增环A2/2
A1/2
减环A3=t/2=0+0.005
-0.005
δ= A2/2- A1/2- A3=42/2-30/2-0=6
ESδ= ES A2/2- EI A1/2- EI A3=0.033/2-0.020/2-(-0.005)=0.0115 EIδ= EI A2/2- ES A1/2- ES A0=0.017/2-0.041/2-0.005=-0.017
所以:δ=60.0115
-0.017。