混凝土外加剂泌水率试验记录
- 格式:doc
- 大小:32.00 KB
- 文档页数:1
附件1预拌砼生产企业技术资料目录原材料进货记录威SH—001原材料试验台账威SH—002混凝土试件试验台账威海市建设工程质量造价监督管理站监制校核:主检:检测日期:山东省建设工程质量监督总站监制校核:主检:检测日期:山东省建设工程质量监督总站监制水泥物理性能检测报告批准:校核:主检:检测单位:(盖章)签发日期:年月日山东省建设工程质量监督总站监制普通混凝土用砂检测原始记录(一)共页第页鲁JJC—009。
1校核:主检:检测日期:山东省建设工程质量监督总站监制普通混凝土用砂检测原始记录(二)校核:主检:检测日期:山东省建设工程质量监督总站监制普通混凝土用砂检测报告共页第页鲁JJC—009批准:校核:主检:检测单位:(盖章)签发日期:山东省建设工程质量监督总站监制普通混凝土用碎石、卵石检测原始记录(一)校核:主检:检测日期:山东省建设工程质量监督总站监制普通混凝土用碎石、卵石检测报告批准:校核:主检:检测单位:(盖章)签发日期:山东省建设工程质量监督总站监制混凝土防冻剂检测报告共页第页鲁JJC—024批准:校核:主检:检测单位:(盖章)签发日期:山东省建设工程质量监督总站监制混凝土泵送剂检测报告批准:校核:主检:检测单位:(盖章)签发日期:山东省建设工程质量监督总站监制混凝土防水剂检测报告批准:校核:主检:检测单位:(盖章)签发日期:山东省建设工程质量监督总站监制混凝土外加剂检测报告批准:校核:主检:检测单位:(盖章)签发日期:山东省建设工程质量监督总站监制混凝土外加剂检测原始记录鲁JJC-024。
1鲁JJC—025。
1鲁JJC—026.1校核:主检:检测日期:山东省建设工程质量监督总站监制混凝土收缩检测原始记录鲁JJC—024。
2鲁JJC—025。
2鲁JJC—026。
2校核:主检:检测日期:山东省建设工程质量监督总站监制钢筋锈蚀原始记录鲁JJC—024.3鲁JJC—025。
3鲁JJC—026。
3 分类号:共页第页鲁JJC-027。
混凝土性能指标检测作业指导书一、拌合物性能混凝土拌合物是指有胶凝材料、骨料、水和外加剂等拌制而成的未凝固的混合料,即指硬化以前的混凝土,也称新拌混凝土。
为控制混凝土工程质量,检测混凝土拌合物的各项性能及其质量和流动性特征,要求统一遵循混凝土拌合物性能试验方法,从而对各种建筑结构所使用的普通混凝土拌合物的基本性能进行检验。
混凝土拌合物试验主要包括:和易性、凝结时间、泌水与压力泌水、表观密度、含气量、水胶比分析等。
1.凝结时间试验混凝土凝结时间分为初凝时间和终凝时间。
当混凝土刚开始失去塑性叫做初凝,当混凝土完全失去塑性就叫做终凝;。
混凝土凝结时间采用贯入阻力法。
适用于从拌合物中筛出的砂浆用贯入阻力法来确定坍落度值不为零的混凝土拌合物凝结时间的测定。
(1)试验步骤从拌制好的混凝土拌合物试样中,用5mm的标准筛筛出砂浆,然后将其拌合均匀。
将砂浆一次分别装入三个试样桶中,做三个试验。
取样混凝土坍落度不大于70mm的混凝土宜采用振动台振实砂浆;取样混凝土坍落度大于70mm的宜采用捣棒人工捣实。
用振动台振实砂浆时,振动应持续到表面出浆为止.不得过振;用捣捧人工捣实时,应沿螺旋方向由外向中心均匀插捣25次,然后用橡皮锤轻轻敲打简壁,直至插捣孔消失为止。
振实或插捣后,砂浆表面应低于砂浆试样筒口约10mm;砂浆试样筒应立即加盖。
砂浆试样制备完毕.编号后应置于温度为20±2℃的环境中或现场同条件下待试,并在以后的整个测试过程中,环境温度应始终保持20±2℃。
现场同条件侧试时,应与现场条件保持一致。
在整个测试过程中,除在吸取泌水或进行贯入试验外,试样筒应始终加盖。
凝结时间测定从水泥与水接触开始计时。
根据混凝土拌合物的性能,确定指针试验时间,以后每隔0.5h测定一次,在临近初、终凝时可增加测定次数。
在每次测试前2min,将一片20mm厚的垫块垫入筒底一侧使其倾斜,用吸管吸去表面的泌水,吸水后平稳的复原。
材料交接单日期:年月日水利部长江科学院工程质量检测中心材料交接单日期:年月日砂子颗粒级配检测原始记录表产地:品种:检测:计算:校核:日期:年月日水利部长江科学院工程质量检测中心砂子表面含水检测原始记录表产地:比重:混凝土拌合成型原始记录表检测:计算:校核:日期:年月日水利部长江科学院工程质量检测中心混凝土拌合物泌水检测原始记录表检测:计算:校核:日期:年月日水利部长江科学院工程质量检测中心混凝土拌合物坍落度·含气量损失检测原始记录表检测:计算:校核:日期:年月日混凝土拌合物凝结时间检测原始记录表检测:计算:校核:日期:年月日混凝土养护室温度·湿度记录表混凝土干缩室温度·湿度记录表骨料堆积密度·紧密密度检测原始记录表检测:计算:校核:日期:年月日水利部长江科学院工程质量检测中心骨料含泥量·泥块含量·云母含量·有机物含量检测原始记录表检测:计算:校核:日期:年月日石子针片状颗粒含量检测原始记录表检测:计算:校核:日期:年月日水利部长江科学院工程质量检测中心石子超逊径颗粒含量检测原始记录表检测:计算:校核:日期:年月日石子组合堆积密度·紧密密度检测原始记录表产地:品种:检测:计算:校核:日期:年月日水利部长江科学院工程质量检测中心石子压碎指标检测原始记录表检测:计算:校核:日期:年月日水利部长江科学院工程质量检测中心骨料坚固性检测原始记录表产地:品种:检测:计算:校核:日期:年月日水利部长江科学院工程质量检测中心卵石软弱颗粒含量检测原始记录表产地:品种:检测:计算:校核:日期:年月日水利部长江科学院工程质量检测中心砂、石吸水率检测原始记录表检测:计算:校核:日期:年月日水利部长江科学院工程质量检测中心砂子表观密度检测原始记录表检测:计算:校核:日期:年月日水利部长江科学院工程质量检测中心石子表观密度检测原始记录表石料岩相鉴定原始记录表石料碱活性骨料含量测定原始记录表砂料碱活性骨料含量测定原始记录表水利部长江科学院工程质量检测中心骨料碱活性小砂浆棒快速法测定原始记录表混凝土抗压·劈裂抗拉强度检测原始记录表检测:计算:校核:混凝土力学变形检测原始记录表试件编号:检测龄期:(d)检测:计算:校核:日期:年月日混凝土抗折强度检测原始记录表水利部长江科学院工程质量检测中心混凝土绝热温升检测原始记录表检测:计算:校核:水利部长江科学院工程质量检测中心粉煤灰检验原始记录表检测:计算:校核:日期:年月日水利部长江科学院工程质量检测中心水泥水化热试验原始记录表检测:计算:校核:水利部长江科学院工程质量检测中心混凝土体积变形原始记录表配合比编号:仪器编号:初始电阻比Z0:仪器参数:f '=R0= a '=b=成型日期:年月日加荷龄期(d):加荷应力:第页水利部长江科学院工程质量检测中心回弹法检测混凝土抗压强度检测报告审核:校核:检测:骨料碱活性化学法检验容量法测定R C原始记录表骨料碱活性化学法检验重量法测定S C原始记录表混凝土抗渗检测原始记录表混凝土抗冻检测原始记录表混凝土干缩检测原始记录表外加剂匀质性检测原始记录表样品名称:水利部长江科学院工程质量检测中心水泥物理检验原始记录表水利部长江科学院工程质量检测中心水泥胶砂强度检测原始记录表(ISO法)检测:计算:校核:水利部长江科学院工程质量检测中心混凝土配合比设计表计算:校核:日期:年月日水利部长江科学院工程质量检测中心回弹法检测混凝土抗压强度原始记录表检测:记录:计算:校核:。
外加剂质量检验方法用于混凝土中的外加剂(包括减水剂、引气剂、泵送剂、速凝剂和早强剂等),其质量应符合《水工混凝土外加剂技术规程》(DL/T5100-1999)的规定。
根据混凝土的性能要求,结合混凝土配合比的选择,通过试验确定外加剂的掺量,其试验成果及时报送监理工程师。
一、外加剂的储存不同品种外加剂应分别储存,在运输与储存中不得相互混装,以避免交叉污染。
外加剂的贮存必须避免污染、蒸发和损耗,溶液状外加剂必须提供专门设施使之搅拌均匀。
引气剂若在工地存贮时间超过6个月或受过冷冻,则不能使用,除非重新测试证明其有效并报经监理人批准后方可使用。
缓凝减水剂若在工地存放时间超过6个月或出现冷凝结霜,则不能使用,除非有试验证明其有效性,并经监理人批准后方可使用。
粉剂的存放条件与水泥相同。
二、外加剂的检验配置混凝土所使用的各种外加剂均应有厂家的质量证明书,按国家和行业标准进行试验检定,符合《混凝土外加剂》(GB8076-1997)、《水工混凝土外加剂技术规程》(DL/T5100-1999)的标准,通过类似工程及按本规范要求进行过成功的商业性使用,且生产厂家具有一定生产规模和质量保证体系,质量均匀稳定。
外加剂在经过比选推荐,并经监理人审核、发包人批准的厂家中采购。
外加剂贮存时间过长的应重新取样检测,严禁使用变质的不合格外加剂。
现场掺用的减水剂溶液浓缩物,以5t为取样单位,引气剂以200kg为取样单位,对配置的外加剂溶液浓度,每班至少检查一次。
1、减水剂选用具有减水、缓凝、引气等作用的优质复合型缓凝高效减水剂,系缓凝高效减水剂除满足《水工混凝土外加剂技术规程》(DL/T5100-1999)外还应达到以下技术要求:(1)减水率:减水率≥20%;(2)泌水率比:常压泌水率比≤60%;(3)抗压强度比:28d抗压强度比≥120%;(4)碱含量:≤8%。
(5)凝结时间差:为满足不同季节施工要求,其凝结时间差满足工程要求即可。
GB8076-2022混凝土外加剂规范目次表1受检混凝土性能指标表2匀质性指标表3试验项目及所需数量表4外加剂测定项目前言本标准第5章的表1中抗压强度比、收缩率比、相对耐久性为强制性的,其余为推荐性的。
本标准代替GB8076—1997《混凝土外加剂》,与GB8076—1997相比,主要差异在于:——增加了高性能减水剂和泵送剂,并制定了技术要求和试验方法;——增加了产品代号一章;——对高性能减水剂、高效减水剂和普通减水剂划分了类型,即某类外加剂可分早强型、标准型和缓凝型;——取消了合格品,在原一等品性能指标的基础上,对产品技术指标进行了调整;——参考EN9342:2001及JISA6204:2006等标准,调整了匀质性项目的技术指标(如:含固量、含水率、密度等),增加了部分产品的混凝土试验的项目(如:坍落度和含气量1h的经时变化量);——删除了原标准中钢筋锈蚀的测试方法,制定了用离子色谱法测定混凝土外加剂中氯离子含量的测定方法;本标准由全国水泥制品标准化技术委员会归口。
本标准负责起草单位:中国建筑材料科学研究总院。
本标准参加起草单位:江苏省建筑科学研究院、浙江五龙化工股份有限公司、同济大学、上海市建筑科学研究院、中国建筑科学研究院、中国铁道科学研究院、南京水利水电科学研究院、中国建材检验认证中心、苏州混凝土水泥制品研究院、黑龙江省寒地科学研究院、广东佛山瑞龙建材科技有限公司、天津市雍阳减水剂厂、江苏海润化工有限公司、江西武冠新材料公司、湛江外加剂厂、四川柯帅外加剂有限公司、北京兴发水泥有限公司、格雷斯中国有限公司、山东华伟银凯建材有限公司、黑龙江省低温建筑科学研究院中间试验厂。
本标准主要起草人:田培、王玲、缪昌文、宋永良、孙振平、姚利君、郭京育、朱长华、张燕驰、崔金华、冯金之、朱卫中、仲以林、张俊超、徐兆桐、罗建成、何浩孟、帅希文、李全华、张书强、贾吉堂、朱广祥、白杰、高春勇、林晖。
本标准所代替的历次版本发布情况为:——GB8076—1987,GB8076—1997引言各种混凝土外加剂的应用改善了新拌和硬化混凝土性能,促进了混凝土新技术的发展,促进了工业副产品在胶凝材料系统中更多的应用,还有助于节约资源和环境保护,已经逐步成为优质混凝土必不可少的材料。
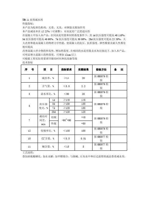
性能指标:
本产品为棕黄色粉剂,无毒、无臭,对钢筋无腐蚀作用
本产品减水率在15-25%(可调整),对水泥有广泛的适应性
在混凝土中加入本产品,在同水泥用量和同坍落度条件下,其1d抗压强度可提高40-110%,3d抗压强度可提高40-90%,7d抗压强度可提高30-80%,28d抗压强度可提高25-50%,大大改善和提高混凝土的物理力学性能,使混凝土的抗压、抗折强度、弹性模量及耐久性都有相应提高
改善混凝土拌合物的和易性,增加坍落度。
在相同的水泥用量及水灰比情况下,加入本产品,可明显增大混凝土的坍落度,可增加12cm以上
可根据工程实际需要调节凝结时间和抗冻融等级
萘加浓硫酸磺化,加水水解,加甲醛缩合,与烧碱、石灰水中和后过滤得到成品萘系减水剂。
性能指标:
本产品为棕黄色粉剂或灰色粉末,无毒、无臭,对钢筋无腐蚀作用
本产品减水率在12-18%(可调整),对水泥有广泛的适应性,不泌水、不离析,可明显改善混凝土的和易性、可塑性和耐久性
在常温情况下,3天强度可达空白混凝土的7天强度,7天强度可达空白混凝土的28强度,28天强度较空白混凝土有所提高
工艺流程:在萘系减水剂基础上加相应早强成分,混合均匀得到成品
TB-43防冻泵送剂
性能指标:
本产品为棕黄色粉末或灰色粉末,无毒、无臭、低碱、不含氯离子,对钢筋无锈蚀作用
减水率15-20%(可调整),可显著改善混凝土的和易性、泵送性、可塑性、耐久性
在同水泥用量,同坍落度条件下,3天强度提高50%以上,7天强度提高30%以上,28天强度提高100%,掺量越大,强度越高
防冻标号视工程要求在D100-D300范围内调整
工艺流程:
在萘系减水剂生产基础上加入早强防冻组分,混合均匀得到成品。
4.3。
7.1 0#块浇筑采用C55混凝土施工配合比主要参数性能如下
(1)混凝土原材料
①水泥:P.O 52。
5水泥,具体参数见下表:
表4-3—1 水泥参数表
②河砂:中砂,具体参数见下表:
表4-3-2 河砂参数表
③碎石:4。
75-9。
5mm:9。
5-19。
5mm=30%:70%组成级配.具体参数见下表:
表4—3—3 粗集料参数
④外加剂:高性能缓凝型减水剂
表4—3—4 减水剂参数表
(2)施工配合比见下表
表4—3-5 施工配合比表
(3)水泥水化热试验
根据施工配合比进行水泥水化热试验,试验结果见下表,并据此计算混凝土绝热温升值。
表4—3—6 水泥水化热表
表4-3—7 混凝土抗拉强度
)1()(t tk tk e f t f γ--=
式中:f tk --混凝土抗拉强度标准值,取2。
01MPa.
4-3—8 混凝土各龄期抗拉强度统计表
抗裂计算
)(/)()(t t f t tk σημ≥
式中:η——掺合料对混凝土抗拉强度影响系数,η=η1*η2,η取值见下表:
表4—3-9 掺合料对混凝土抗拉强度影响系数
其中抗裂安全系数取值1.15。
表
4-3—10 混凝土各龄期抗裂计算统计表
混凝土抗裂满足规范要求.。
外加剂(水利水电行业)检测方案1 检测方案目的本操作规程是为了规范外加剂(水利水电行业)检测,它包括坍落度、减水率、泌水率比、凝结时间差、抗压强度比和含气量,为了更好的控制各项试验的计算取值与修约。
2 适用范围外加剂(水利水电行业)检测数据的处理。
3 检测仪器与设备3.1 对外加剂坍落度的检验试验设备应符合DL/T 5150-2017中3.2.2的要求。
3.2 对外加剂泌水率比的检验试验设备应符合DL/T 5150-2017中3.5.2的要求。
3.3 对外加剂凝结时间差的检验试验设备应符合DL/T 5150-2017中3.9.2的要求。
3.4 对外加剂抗压强度比的检验试验设备应符合DL/T 5150-2017中4.2.2的要求。
3.5 对外加剂含气量的检验试验设备应符合DL/T 5150-2017中3.10.2的要求。
4 检测数据取值与判定4.1 外加剂(水利水电行业)坍落度的检验试验:依据标准编号:DL/T 5100-2014 4.2.1每组外加剂应参与搅拌三锅混凝土拌合物,取三次搅拌后的混凝土拌合物的坍落度30min和60min测量值。
实验结果应取三次搅拌的混凝土拌合物30min和60min 坍落度平均值。
计算结果精确至1mm,结果表达修约到5mm。
4.2 外加剂(水利水电行业)减水率的检验试验:依据标准编号:DL/T 5100-2014 4.2.1每组外加剂应参与搅拌三锅混凝土拌合物,取三次搅拌后的基准混凝土和掺外加剂混凝土拌合物的单位用水量及坍落度测量值。
实验结果应取三次减水率的平均值。
计算结果精确至1%。
4.3 外加剂(水利水电行业)泌水率比的检验试验:依据标准编号:DL/T 5100-2014 4.2.3每组外加剂应参与搅拌三锅混凝土拌合物,取三次搅拌后的基准混凝土和掺外加剂混凝土拌合物的泌水率测量值。
实验结果应取三次搅拌基准混凝土和掺外加剂混凝土泌水率的平均值的比值。
计算结果精确至1%。
1.引用标准GB8074 水泥比表面积测定方法(勃氏法)GB8075 混凝土外加剂的分类、命名与定义GB8076 混凝土外加剂GB50010 混凝土结构设计规范GB/T176 水泥化学分析方法GB/T1345 水泥细度检验方法(80μm筛筛析法)GB/T1346 水泥标准稠度用水量、凝结时间、安定性检验方法GB/T12573 水泥取样方法GB/T17671 水泥胶砂强度检验方法(ISO 法)GB/T8077 混凝土外加剂匀质性试验方法GB/T50080 普通混凝土拌合物性能试验方法标准GB/T50081 普通混凝土力学性能试验方法标准GB/T4357 碳素弹簧钢丝GB/T14684 建筑用砂GB/T14685 建筑用卵石、碎石GBJ82 普通混凝土长期性能和耐久性能试验方法JGJ55 普通混凝土配合比设计规程JGJ63 混凝土拌合用水标准JC473 混凝土泵送剂JC474 砂浆、混凝土防水剂JC476 混凝土膨胀剂JC477 喷射混凝土用速凝剂JC/T420 水泥原料中氯的化学分析方法3术语3.0.1 引气高效减水剂兼有引气和高效减水功能的外加剂。
3.0.2 引气缓凝高效减水剂兼有引气、缓凝和高效减水功能的外加剂。
3.0.3 高温缓凝剂在温度35±3℃,相对湿度60±3.0.4 聚羧酸盐高效减水剂以羧酸类梳形接枝共聚物为主体的外加剂。
3.0.5 抗裂防水剂兼有抗裂防渗、高效减水和膨胀性能的多功能外加剂。
3.0.6 混凝土膨胀剂其定义见JC476,其余混凝土外加剂的定义见GB8075。
3.0.7 基准水泥符合标准GB8076附录A 要求的、专门用于检验混凝土外加剂性能的水泥。
3.0.8 基准混凝土按照本标准试验条件规定配制的不掺有外加剂的混凝土。
3.0.9 受检混凝土按照本标准试验条件规定配制的掺有外加剂的混凝土。
4适用范围4.1普通减水剂、高效减水剂、聚羧酸盐高效减水剂4.1.1普通减水剂、高效减水剂及聚羧酸盐高效减水剂可用于素混凝土、钢筋混凝土、预应力混凝土,并可制备高强高性能混凝土。
1目的:明确公司外加剂的验收标准,为外加剂的进料提供可靠的判定依据。
2适用范围:适用于公司外加剂的验收检验和判定。
4注意事项
4.1一批=50t,不同批次不同品种需再次抽样检验;
4.2表中的 S、W 和D 分别为含固量、含水率、和密度的生产厂控制值;
4.3本标准参考 GB 8076-2008《混凝土外加剂》、GB/T8077-2012《混凝土外加剂匀致性试验方法》制定。
5表单附录
5.1《外加剂试验原始记录》
外加剂试验原始记录BZ-JL-031-A NO:
匀质性:
混凝土拌合过程:
外加剂减水率:
受检混凝土坍落度 1h 经时变化量:
含气量和含气量 1h 经时变化量:
收缩率比:
审核:试验:试验日期:年月日。
1、高性能减水剂与高效减水剂相比优点在于(ABD )。
A.更高减水率B.更好坍落度保持性能C.不引气D.干燥收缩小2、依据GB8076-2008标准,下列哪些指标为强制性指标。
(ABC )A.抗压强度比B.收缩率比C.相对耐久性D.含气量3、依据GB8076-2008标准,下列哪些混凝土外加剂品种1h经时变化量坍落度≤80mm。
(AC )A.标准型高性能外加剂B.标准型高效减水剂C.泵送剂D.标准型普通减水剂4、用于外加剂检测的基准水泥应符合哪些条件(ABCD)A.满足42.5等级硅酸盐水泥技术要求;B.熟料中铝酸三钙(C3A)含量6%~8%;C.水泥比表面积(350±10)m2/kg;D.水泥中碱(NaO+0.658K2O)含量不得超过1.0%;5、用于外加剂性能检测的石子应满足下列哪些规定(ABCD )A.连续级配,针片状物质含量小于等于10%;B.空隙率小于47%;C.含泥量小于等于0.5%;D.如有争议,以碎石结果为准。
6、依据GB8076-2008标准,匀质性指标包括(ABC)A.氯离子含量B.密度C.pH值D.与水泥相容性7、用于拌制混凝土的粉煤灰分为三个等级,这三个等级哪些性能指标要求不同。
(AB )A.细度B.烧失量C.安定性D.含水量8、用于粉煤灰细度试验的筛网,其校正系数可以是(ABC )。
A.0.85B.0.95C.1.05D.1.259、关于粉煤灰需水量比试验说法正确的有(ABD)A.需水量比试验中所用砂为ISO标准砂;B.对比胶砂配比为:水泥=250g;标准砂=750g;用水量=125ml;C.试验胶砂的用水量按流动度达到120─140mm来调整;D.试验中所用天平最小分度值不大于1g;10、关于粉煤灰含水量试验说法错误的有(ABC)A.称取试样约25g;B.烘干温度在100─105℃;C.称量应精确至0.1g;D.结果计算精确至0.1%11、关于粉煤灰活性指数试验说法错误的有(ABCD )A.对比胶砂配比为:水泥=500g;标准砂=1350g;用水量=225ml;B.试验胶砂配比中,粉煤灰掺量为胶凝材料总质量的30%;C.活性指数以试验胶砂和对比胶砂的7d抗压强度的比值表示;D.对比胶砂和试验胶砂分别按照GB/T 17671规定进行搅拌、试体成型和养护;12、GB8076-2008标准适用于(ABC)等混凝土外加剂。
中华人民共和国城乡建设环境保护部标准混凝土减水剂质量标准和试验方法Water Reducing Admixture Used forConcrete——Quality Requirements andTesting MethodsJGJ 56—84中华人民共和国城乡建设环境保护部批准1984—12—25发布1985—07—01实施目录1.总则1.1 适用范围1.2 定义及分类2.混凝土减水剂质量标准2.1 混凝土减水剂质量标准2.2 混凝土试验条件2.3 混凝土减水剂试验项目3.混凝土减水剂试验方法3.1 减水率3.2 泌水率3.3 含气量(气压法)3.4 含气量(水压法)3.5 凝结时间(贯入阻力法)3.6 立方体抗压强度3.7 收缩附录A 减水剂匀质性试验方法(参考件)A.1 固体含量或含水量A.2 PH值A.3 比重A.4 密度A.5 松散容重A.6 表面张力(铂环法)A.7 表面张力(毛细管法)A.8 起泡性(机摇法)A.9 起泡性(手摇法)A.10 氯化物含量A.11 硫酸盐含量(重量法)A.12 硫酸盐含量(转换法)A.13 全还原物含量A.14 木质素含量(盐酸法)A.15 木质素含量(β—萘胺法)A.16 钢筋锈蚀快速试验(钢筋在饱和氢氧化钙溶液中阳极极化电位的测定)A.17 钢筋锈蚀快速试验(钢筋在新拌砂浆中阳极极化电位的测定)A.18 钢筋锈蚀快速试验(钢筋在硬化砂浆中阳极极化电位的测定)附录B 掺减水剂的净浆及砂浆试验方法(参考件)B.1 水泥净浆流动度B.2 净浆减水率B.3 砂浆减水率B.4 砂浆含气量附录C 掺减水剂的混凝土试验方法(参考件)C.1 塌落度及塌落度损失C.2 抗冻融性C.3 混凝土中钢筋锈蚀试验1.总则1.1 适用范围本标准适用于工业、民用建筑及构筑物混凝土用减水剂质量的鉴定。
工程选用减水剂时,可参照本标准(试验时可采用该工程所用的材料)。
1.2 定义及分类减水剂是在不影响混凝土和易性条件下,具有减水及增强作用的外加剂。