水泥负压筛仪器设备期间核查记录表
- 格式:doc
- 大小:36.50 KB
- 文档页数:1
砂浆抗压试模自校记录表
校验人:校对人:校验日期:
仪器自校验记录表
第 1 页共
混凝土抗渗试模自校记录表
校验人:校对人:校验日期:
仪器自校验记录表
混凝土抗折试模自校记录表
校验人:校对人:校验日期:
仪器自校验记录表
第 1 页共
混凝土抗压试模自校记录表
校验人:校对人:校验日期:
仪器自校验记录表
混凝土抗压试模自校记录表
第页共
仪器自校验记录表
铝盒质量校验记录表
第页共
铝盒质量校验记录表
第页共
铝盒质量校验记录表
校验人:校对人:校验日期:。
水泥负压筛校验记录表第1页,共3页受校单位德商高速公路聊城至范县段工程第五项目部试验室记录编号ZJ-13-011-1仪器名称水泥负压筛设备编号DS-FYS-01 规格/型号孔径 0.045mm 生产日期/制造厂商浙江上虞市道墟张兴纱筛厂校验地点工地试验室校验条件温度/℃湿度/% 标准样质量/g21 49 25校验依据DB/T 1596—2005校验主要用仪器名称编号有效期证书编号电子天平DS-015 2014.9.13 DF 0613408-2013 筛析仪DS-023 2014.9.13 DF 1613435-2013序号校验项目技术要求校验结果1 2 3 平均值1 是否堵塞破洞现象/ 无堵塞破洞2标准样筛余质量/g / 0.92 0.90 0.91 0.89 标准样实际筛余百分数/% / 3.68 3.60 3.64 3.60 标准样给定筛余百分数/% / 3.60水泥细度筛校正系数0.80~1.20 1.02 1.00 1.01 1.01校验:陈彦莉校核:杨开川校验日期:2013年9月25日水泥负压筛校验记录表第2页,共3页受校单位德商高速公路聊城至范县段工程第五项目部试验室记录编号ZJ-213-011-4仪器名称水泥负压筛设备编号DS-FYS-04 规格/型号Φ150×25/0.08mm 生产日期/制造厂商浙江省上虞市申克试验仪器厂校验地点工地试验室校验条件温度/℃湿度/% 标准样质量/g21 49 25校验依据DB/T 1596—2005校验主要用仪器名称编号有效期证书编号电子天平DS-015 2014.9.13 DF 0613408-2013 筛析仪DS-023 2014.9.13 DF 1613435-2013序号校验项目技术要求校验结果1 2 3 平均值1 是否堵塞破洞现象/ 无堵塞破洞2标准样筛余质量/g / 0.06 0.05 0.07 0.06 标准样实际筛余百分数/% / 0.24 0.20 0.28 0.24 标准样给定筛余百分数/% / 0.24水泥细度筛矫正系数0.80~1.20 1.00 0.83 1.16 1.0 校验:陈彦莉校核:杨开川校验日期: 2013 年9 月25 日水泥砼用粉煤灰负压筛校验记录表第3页,共3页受校单位德商高速公路聊城至范县段工程第五项目部试验室记录编号ZJ-13-011-5仪器名称水泥砼用用粉煤灰负压筛设备编号DS-FYS-01 规格/型号孔径0.045mm 生产日期制造厂商浙江上虞市道墟张兴纱筛厂校验地点工地试验室校验条件温度/℃湿度/% 标准样质量/g21 49 25校验依据DB/T 1596—2005校验主要用仪器名称编号有效期证书编号电子天平DS-015 2014.9.13 DF 0613408-2013 筛析仪DS-023 2014.9.13 DF 1613435-2013序号校验项目技术要求校验结果1 2 3 平均值1 是否堵塞破洞现象/ 无堵塞破洞2标准样筛余质量/g / 0.89 0.90 0.89 0.89 标准样实际筛余百分数/% / 3.56 3.60 3.56 3.57 标准样给定筛余百分数/% / 3.60水泥细度筛矫正系数0.80~1.20 0.99 1.00 0.99 0.99 校验:校核:校验日期:年月日。
仪器设备期间核查记录表
校验:核查:仪器设备运行检查校核结果分析
批准:审核:分析:
日期:年月日
仪器设备期间核查记录表
校验:核查:仪器设备运行检查校核结果分析
批准:审核:分析:
日期:年月日
仪器设备期间核查记录表
DYQJCC4044.5-2012
校验:核查:仪器设备运行检查校核结果分析
DYQJCC4085.5-2012
批准:审核:分析:
日期:年月日
仪器设备期间核查记录表
DYQJCC4044.6-2012
校验:核查:
仪器设备运行检查校核结果分析
DYQJCC4085.6-2012
批准:审核:分析:
日期:年月日
仪器设备期间核查记录表
DYQJCC4044.7-2012
校验:核查:
仪器设备期间核查记录表
DYQJCC4044.8-2012
校验:核查:
仪器设备期间核查记录表
DYQJCC4044.9-2012
校验:核查:
仪器设备期间核查记录表
DYQJCC4044.10-2012
校验:核查:
仪器设备期间核查记录表
DYQJCC4044.12-2012
校验:核查:
仪器设备期间核查记录表
DYQJCC4044.13-2012
校验:核查:
仪器设备期间核查记录表
DYQJCC4044.14-2012
校验:核查:
仪器设备期间核查记录表
DYQJCC4044.15-2012
校验:核查
仪器设备期间核查记录表
DYQJCC4044.18-2012
校验:核查:。
检(校) 验证书字第号仪器名称型号制造厂出厂编号送校(检)单位校(检)验结论校(检)验日期: 年月日校(检)验周期: 个月有效日期: 年月日至年月日校(检)验员校核员技术负责人校(检)验单位(章)水泥负压筛析仪期间核查记录规格型号:仪器编号:检测环境:温度℃,湿度%RH规格型号:仪器编号:检测环境:温度℃,湿度%RH规格型号:仪器编号:检测环境:温度℃,湿度%RH水泥胶砂试模期间核查记录规格型号:仪器编号:检测环境:温度℃,湿度%RH雷氏膨胀测定仪期间核查记录规格型号:仪器编号:检测环境:温度℃,湿度%RH雷氏夹期间核查记录规格型号:仪器编号:检测环境:温度℃,湿度%RH水泥抗压夹具期间核查记录规格型号:仪器编号:检测环境:温度℃,湿度%RH恒温恒湿养护箱期间核查记录规格型号:仪器编号:检测环境:温度℃,湿度%RH振筛机期间核查记录规格型号:仪器编号:检测环境:温度℃,湿度%RH容量筒期间核查记录规格型号:仪器编号:检测环境:温度℃,湿度%RH规格型号:仪器编号:检测环境:温度℃,湿度%RH规格型号:仪器编号:检测环境:温度℃,湿度%RH规格型号:仪器编号:检测环境:温度℃,湿度%RH电热干燥箱期间核查记录规格型号:仪器编号:检测环境:温度℃,湿度%RH压碎指标值测定仪期间核查记录规格型号:仪器编号:检测环境:温度℃,湿度%RH规格型号:仪器编号:检测环境:温度℃,湿度%RH规格型号:仪器编号:检测环境:温度℃,湿度%RH规格型号:仪器编号:检测环境:温度℃,湿度%RH规格型号:仪器编号:检测环境:温度℃,湿度%RH混凝土坍落度筒期间核查记录规格型号:仪器编号:检测环境:温度℃,湿度%RH混凝土标准养护室期间核查记录规格型号:仪器编号:检测环境:温度℃,湿度%RH试验室用混凝土搅拌机期间核查记录规格型号:仪器编号:检测环境:温度℃,湿度%RH冷冻箱期间核查记录规格型号:仪器编号:检测环境:温度℃,湿度%RH混凝土及砂浆试模期间核查记录仪器编号:试模品种规格检测环境:温度℃,湿度%RH使用中混凝土及砂浆试模期间核查记录仪器编号:试模品种规格检测环境:温度℃,湿度%RH砂浆分层度仪期间核查记录规格型号:仪器编号:检测环境:温度℃,湿度%RH跳桌期间核查记录规格型号:仪器编号:检测环境:温度℃,湿度%RH砂浆稠度仪期间核查记录规格型号:仪器编号:检测环境:温度℃,湿度%RH道碴筛期间核查记录规格型号:仪器编号:检测环境:温度℃,湿度%RH道碴集料压碎率试模期间核查记录规格型号:仪器编号:检测环境:温度℃,湿度%RH规格型号:仪器编号:检测环境:温度℃,湿度%RH规格型号:仪器编号:检测环境:温度℃,湿度%RH洛杉矶磨耗机期间核查记录规格型号:仪器编号:检测环境:温度℃,湿度%RH沥青软化点仪期间核查记录规格型号:仪器编号:检测环境:温度℃,湿度%RH沥青延度仪期间核查记录规格型号:仪器编号:检测环境:温度℃,湿度%RH沥青针入度仪期间核查记录规格型号:仪器编号:检测环境:温度℃,湿度%RH动力触探(标贯)仪期间核查记录规格型号:仪器编号:检测环境:温度℃,湿度%RH击实仪期间核查记录规格型号:仪器编号:检测环境:温度℃,湿度%RH光电式液、塑限测定仪期间核查记录规格型号:仪器编号:检测环境:温度℃,湿度%RH相对密度试验仪期间核查记录规格型号:仪器编号:检测环境:温度℃,湿度%RH灌砂仪期间核查记录规格型号:仪器编号:检测环境:温度℃,湿度%RHK30平板载荷试验仪期间核查记录规格型号:仪器编号:检测环境:温度℃,湿度%RH比重瓶期间核查记录规格型号:仪器编号:检测环境:温度℃,湿度%RH玻璃仪器期间核查记录规格型号:仪器编号:检测环境:温度℃,湿度%RH金属线材反复弯曲试验机期间核查记录规格型号:仪器编号:检测环境:温度℃,湿度%RH钢筋冷弯弯芯期间核查记录规格型号:仪器编号:检测环境:温度℃,湿度%RH环刀期间核查记录规格型号:仪器编号:检测环境:温度℃,湿度%RH砼气压式含气量测定仪期间核查记录规格型号:仪器编号:检测环境:温度℃,湿度%RHHG-80砼贯入阻力仪期间核查记录规格型号:仪器编号:检测环境:温度℃,湿度%RH。
<建筑工程管理>公路工程试验室仪器期间核查记录水泥负压筛析仪期间核查记录规格型号:仪器编号:维卡仪期间核查记录规格型号:仪器编号:沸煮箱期间核查记录规格型号:仪器编号:水泥胶砂试模期间核查记录规格型号:仪器编号:雷氏膨胀测定仪期间核查记录规格型号:仪器编号:雷氏夹期间核查记录规格型号:仪器编号:检测环境:温度℃,湿度%RH水泥抗压夹具期间核查记录规格型号:仪器编号:检测环境:温度℃,湿度%RH恒温恒湿养护箱期间核查记录规格型号:仪器编号:振筛机期间核查记录规格型号:仪器编号:容量筒期间核查记录规格型号:仪器编号:砂、石标准筛期间核查记录规格型号:仪器编号:砂、石标准筛期间核查记录规格型号:仪器编号:检测环境:温度℃,湿度%RH砂、石标准筛期间核查记录规格型号:仪器编号:电热干燥箱期间核查记录规格型号:仪器编号:压碎指标值测定仪期间核查记录规格型号:仪器编号:碎石或卵石针状规准仪期间核查记录规格型号:仪器编号:碎石或卵石片状规准仪期间核查记录规格型号:仪器编号:混凝土抗渗仪期间核查记录规格型号:仪器编号:混凝土震动台期间核查记录规格型号:仪器编号:混凝土坍落度筒期间核查记录规格型号:仪器编号:混凝土标准养护室期间核查记录规格型号:仪器编号:试验室用混凝土搅拌机期间核查记录规格型号:仪器编号:冷冻箱期间核查记录规格型号:仪器编号:混凝土及砂浆试模期间核查记录仪器编号:试模品种规格使用中混凝土及砂浆试模期间核查记录仪器编号:试模品种规格检测环境:温度℃,湿度%RH砂浆分层度仪期间核查记录规格型号:仪器编号:跳桌期间核查记录规格型号:仪器编号:砂浆稠度仪期间核查记录规格型号:仪器编号:道碴筛期间核查记录规格型号:仪器编号:检测环境:温度℃,湿度%RH道碴集料压碎率试模期间核查记录规格型号:仪器编号:道碴针状规准仪期间核查记录规格型号:仪器编号:道碴片状规准仪期间核查记录规格型号:仪器编号:洛杉矶磨耗机期间核查记录规格型号:仪器编号:沥青软化点仪期间核查记录规格型号:仪器编号:沥青延度仪期间核查记录规格型号:仪器编号:沥青针入度仪期间核查记录规格型号:仪器编号:动力触探(标贯)仪期间核查记录规格型号:仪器编号:击实仪期间核查记录光电式液、塑限测定仪期间核查记录相对密度试验仪期间核查记录灌砂仪期间核查记录K30平板载荷试验仪期间核查记录规格型号:仪器编号:。
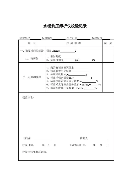
水泥负压筛析仪校验记录
维卡仪校验记录
水泥沸煮箱校验记录
水泥胶砂试模校验记录
水泥透气比表面积仪校验记录
雷氏膨胀测定仪校验记录
雷氏夹校验记录
水泥抗压夹具校验记录
振筛机校验记录
容量筒校验记录
标准土壤筛校验记录
标准砂子筛校验记录
标准石子筛校验记录
电热鼓风干燥箱校验记录
石子压碎指标值测定仪校验记录
机制砂压碎指标值测定仪校验记录
碎石或卵石片状规准仪校验记录
碎石或卵石针状规准仪校验记录
混凝土抗渗仪校验记录
混凝土坍落度筒校验记录
混凝土搅拌机校验记录
砂浆分层度仪校验记录
砂浆稠度仪校验记录
洛杉矶磨耗机校验记录
动力触探(标贯)仪校验记录
光电式液、塑限测定仪校验记录
灌砂仪校验记录
钢筋冷弯弯芯夹具校验记录
砂当量测定仪校验记录
击实仪校验记录
混凝土标准养护室检验记录
气压式含气量测定仪校验记录
砂浆试模校验记录
标准恒温恒湿养护箱校验记录
水泥混凝土恒温恒湿养护箱校验记录
无侧限抗压试模自校验记录
混凝土抗渗试模校验记录
自由膨胀率测定仪校验记录
水泥净浆流动度测定仪校验记录
小铝盒校验记录
中铝盒校验记录
大铝盒校验记录
环刀校验记录
送检单位仪器编号生产厂家校验编号
电动钢筋标距仪校验记录
送检单位仪器编号生产厂家校验编号
比重瓶校验记录。
试验仪器校验期间核查记录(全套表格)检(校)验证书字第号校(检)验日期:年月日校(检)验周期:个月有效日期:年月日至年月日校(检)验员校核员技术负责人校(检)验单位(章)水泥负压筛析仪期间核查记录项目校验数据结果一、数显时间控制器误差2min±S二、筛析仪1、密封程度2、负压可调范围KPa~KPa1、是否有堵塞破洞现象2、修正系数测定结果标准样质量mn=25g三、水泥细度筛标准样筛余质量mi=g标准样给定筛余百分率Fn=%标准样实际筛余百分率Fi=mi/mn=%水泥细度筛修正系数C=Fn/Fi=%期间核查结论:依据TG某001~060-2022《工程试验专用仪器期间核查检验方法》检定,该水泥负压筛校验员核验员期间核查日期年月日维卡仪期间核查记录项目一、外观校验数据有无铭牌、合格证试杆长度mm,试杆直径mm 初凝针长度mm,初凝针直径mm终凝针长度mm,终凝针直径mm结果二、试杆与试杆尺寸环形附件高度顶部外径mm底部外径mm终凝针端部露出环形附件长度mm滑动杆加试杆总质量g三、滑动部分总质量滑动杆加初凝针总质量g滑动杆加终凝针总质量g上口内径mm四、截顶圆锥体试模尺寸下口内径mm高mm期间核查结论:依据TG某001~060-2022《工程试验专用仪器期间核查检验方法》检定,该维卡仪校验员核验员期间核查日期年月日沸煮箱期间核查记录项目一、外观2、外观有无锈蚀、漏水现象1、仪器有无接地二、仪器漏电测试2、沸煮箱、控制器有无漏电1、加热至沸腾时间min三、程序控制器控制时间2、维持沸腾时间min期间核查结论:依据TG某001~060-2022《工程试验专用仪器期间核查检验方法》检定,该沸煮箱校验员核验员期间核查日期年月日校验数据1、有无产品合格证和说明书结果水泥胶砂试模期间核查记录项目外观校验数据是否有铭牌、合格证、产品说明书长mm宽mm试模尺寸深mm试模组装后漏浆检查结果试模内表面试模垂直度期间核查结论:依据TG某001~060-2022《工程试验专用仪器期间核查检验方法》检定,该水泥胶砂试模校验员核验员期间核查日期年月日平整度%偏差o结果雷氏膨胀测定仪期间核查记录项目外观状态直径mm模厚mm环模尺寸高度mm切口mm长度mm直径mm指针尺寸间距mm挂砝码后针尖距离mm取法码后针尖距离mm期间核查结论:依据TG某001~060-2022《工程试验专用仪器期间核查检验方法》检定,该雷氏夹校验员核验员期间核查日期年月日校验数据材料结果水泥抗压夹具期间核查记录项目一、外观2、是否有铭牌、内容是否完全1、上压板长mm宽mm厚mm二、上下压板尺寸、2、上压板长mm宽mm厚mm自由距离及球座中3、自由距离mm心位置4、球座中心位置期间核查结论:依据TG某001~060-2022《工程试验专用仪器期间核查检验方法》检定,该水泥抗压夹具校验员核验员期间核查日期年月日校验数据1、是否清洁,有否碰伤、划痕结果恒温恒湿养护箱期间核查记录容量筒期间核查记录压碎指标值测定仪期间核查记录项目震动台面水平度校验数据是否水平振幅mm震动功能频率次/min期间核查结论:依据TG某001~060-2022《工程试验专用仪器期间核查检验方法》检定,该混凝土震动台校验员核验员期间核查日期年月日结果混凝土坍落度筒期间核查记录项目校验数据1、是否有铭牌、合格证、产品说明书2、外观是否整洁外观3、启动、关闭是否平稳4、控制器操作是否灵活5、电器电路是否有安全装置搅拌机性能测试期间核查结论:依据TG某001~060-2022《工程试验专用仪器期间核查检验方法》检定,该混凝土搅拌机校验员核验员期间核查日期年月日满载停机再启动,是否正常运转结果冷冻箱期间核查记录使用中混凝土及砂浆试模期间核查记录项目筒内径(mm)上节高度(mm)下节高度(mm)校验数据结果筒顶、底面是否与轴线垂直期间核查结论:依据TG某001~060-2022《工程试验专用仪器期间核查检验方法》检定,该砂浆分层度仪校验员核验员期间核查日期年月日跳桌期间核查记录项目1.圆盘台面水平度最高mm2.圆盘跳动落距最低mm落距mm3.可振动部分总质量4.圆柱捣棒尺寸g直径mm长度mm高度mm5.截锥圆模尺寸上口内径mm下口内径mm期间核查结论:依据TG某001~060-2022《工程试验专用仪器期间核查检验方法》检定,该跳桌校验员核验员期间核查日期年月日校验数据结果砂浆稠度仪期间核查记录项目校验数据1、齿条是否清洁、变形结果1.外观2、刻度盘固定、清晰、变形情况3、滑杆及试锥平行、光滑、下落情况2.试锥垂直度3.试锥尺寸最大偏离度mm锥尖画圆直径mm锥角o高mm4.试锥与滑杆总质量g5.金属筒尺寸期间核查结论:锥底直径mm高mm依据TG某001~060-2022《工程试验专用仪器期间核查检验方法》检定,该砂浆稠度仪校验员核验员期间核查日期年月日道碴筛期间核查记录道碴集料压碎率试模期间核查记录项目1、钢球质量g上口直径mm2、试样环高mm下口直径mm3、钢球定位器4、试样环下缘与下承板mm间距离期间核查结论:依据TG某001~060-2022《工程试验专用仪器期间核查检验方法》检定,该沥青软化点仪校验员核验员期间核查日期年月日定位孔直径mm校验数据直径mm结果沥青延度仪期间核查记录项目1.启动运转校验数据有无振动①mm/min2.拉伸速度②mm/min平均mm/min总长mm端模间距mm3.试件模具尺寸端模口宽mm最小横断面宽mm全部厚度mm期间核查结论:依据TG某001~060-2022《工程试验专用仪器期间核查检验方法》检定,该沥沥青延度仪校验员核验员期间核查日期年月日结果沥青针入度仪期间核查记录项目一、外观与工作性能校验数据1.连杆表面是否光滑平整2.刻度圆盘及齿条是否清洁灵活1.标准针连杆质量g连杆和标准针组合件质量g两个砝码质量g和g2.标准针尺寸:长mm二、技术参数直径mm针尖锥体角度o3.标准针偏离度:(1)mm(2)mm(3)mm平均mm期间核查结论:依据TG某001~060-2022《工程试验专用仪器期间核查检验方法》检定,该沥针入度仪校验员核验员期间核查日期年月日结果动力触探(标贯)仪期间核查记录项目一、落锥2、落距cm二、探杆直径1mm2mm平均mm锥角1o2o平均o三、圆锥头直径1mm2mm平均mm面积1mm22mm2平均mm2外径1mm2mm平均mm四、贯入器尺寸内径1mm2mm平均mm长度1mm2mm平均mm期间核查结论:依据TG某001~060-2022《工程试验专用仪器期间核查检验方法》检定,该动力触探仪校验员核验员期间核查日期年月日校验数据1、质量kg结果击实仪期间核查记录项目校验数据锥质量g一、击锥锥底直径mm锥落距mm内径mm二、击实筒高mm期间核查结论:依据TG某001~060-2022《工程试验专用仪器期间核查检验方法》检定,该击实仪校验员核验员期间核查日期年月日结果光电式液、塑限测定仪期间核查记录项目校验数据结果下落情况下落过程中有无旷动锥体质量g锥底直径mm二、锥体部分技术参锥体高度mm数测定值锥尖磨耗mm锥体夹角o期间核查结论:依据TG某001~060-2022《工程试验专用仪器期间核查检验方法》检定,该光电式液、塑限测定仪校验员核验员期间核查日期年月日一、锥体吸附断电后断电后可否自由落下。
仪器设备期间核查记录表
校验:核查:
仪器设备运行检查校核结果分析
批准:审核:分析:
日期:年月日
仪器设备期间核查记录表
校验:核查:
仪器设备运行检查校核结果分析
批准:审核:分析:
日期:年月日
仪器设备期间核查记录表
DYQJCC4044.5-2012
校验:核查:
仪器设备运行检查校核结果分析
DYQJCC4085.5-2012
批准:审核:分析:
日期:年月日
仪器设备期间核查记录表
DYQJCC4044.6-2012
校验:核查:
仪器设备运行检查校核结果分析
DYQJCC4085.6-2012
批准:审核:分析:
日期:年月日
DYQJCC4044.7-2012
校验:核查:
DYQJCC4044.8-2012
校验:核查:
仪器设备期间核查记录表
DYQJCC4044.9-2012
校验:核查:
仪器设备期间核查记录表
DYQJCC4044.10-2012
仪器设备期间核查记录表
DYQJCC4044.12-2012
校验:核查:
仪器设备期间核查记录表
DYQJCC4044.13-2012
校验:核查:
DYQJCC4044.14-2012
DYQJCC4044.15-2012
校验:核查
DYQJCC4044.18-2012
校验:核查:。
仪器设备期间核查记录表
校验:核查:仪器设备运行检查校核结果分析
批准:审核:分析:
日期:年月日
仪器设备期间核查记录表
校验:核查:仪器设备运行检查校核结果分析
批准:审核:分析:
日期:年月日
仪器设备期间核查记录表
DYQJCC4044.5-2012
校验:核查:仪器设备运行检查校核结果分析
DYQJCC4085.5-2012
批准:审核:分析:
日期:年月日
仪器设备期间核查记录表
DYQJCC4044.6-2012
校验:核查:
仪器设备运行检查校核结果分析
DYQJCC4085.6-2012
批准:审核:分析:
日期:年月日
仪器设备期间核查记录表
DYQJCC4044.7-2012
校验:核查:
仪器设备期间核查记录表
DYQJCC4044.8-2012
校验:核查:
仪器设备期间核查记录表
DYQJCC4044.9-2012
校验:核查:
仪器设备期间核查记录表
DYQJCC4044.10-2012
校验:核查:
仪器设备期间核查记录表
DYQJCC4044.12-2012
校验:核查:
仪器设备期间核查记录表
DYQJCC4044.13-2012
校验:核查:
仪器设备期间核查记录表
DYQJCC4044.14-2012
校验:核查:
仪器设备期间核查记录表
DYQJCC4044.15-2012
校验:核查
仪器设备期间核查记录表
DYQJCC4044.18-2012
校验:核查:。