电磁阀型号系列代号含义【解析】
- 格式:docx
- 大小:17.43 KB
- 文档页数:3
阀门型号上每个字母的含义-lk一、阀门的型号阀门的型号是用来表示阀类、驱动及连接形式、密封圈材料和公称压力等要素的。
由于阀门种类繁杂,为了制造和使用方便,国家对阀门产品型号的编制方法做了统一规定。
阀门产品的型号是由七个单元组成,用来表明阀门类别、驱动种类、连接和结构形式、密封面或衬里材料、公称压力及阀体材料。
阀门型号的组成由七个单元顺序组成(见下表)1.阀门的类型代号表1—1阀门类型代号阀门类型代号阀门类型代号闸阀Z 球阀Q 疏水阀S截止阀J 旋塞阀X 安全阀 A 节流阀L 液面指示器M 减压阀Y 隔膜阀G 止回阀H柱塞阀U 碟阀 D2.传动方式代号用阿拉伯数字表示,按表1—2的规定表1—2传动方式代号传动方式代号电磁阀电磁—液动电—液动蜗轮正齿轮01234伞齿轮气动液动气—液动电动56789注:①手轮、手柄和扳手传动以及安全阀、减压阀、疏水阀省略本代号。
②对于气动或液动:常开式用6K、7K表示;常闭式用6B、7B表示;气动带手动用6S表示。
防爆电动用“9B”表示。
3.连接形式代号用阿拉伯数字表示,按表1—3的规定表 1—3连 节 形 式 代 号 连 节 形 式 代 号 内 螺 纹 外 螺 纹 法 兰 焊 接1 2 4 6对 夹 卡 箍 卡 套7 8 9注:焊接包括对焊和承插焊4.结构形式代号用阿拉伯数字表示1—4~13 表 1—4闸 阀 结 构 形 式 代 号 弹 性 闸 板 0 单 闸 板 1楔 式 双 闸 板 2 单 闸 板 3明 杆平 行 式双 闸 板 4 单 闸 板 5 暗 杆 楔 式刚 性双 闸 板6表 1—5截 止 阀 和 节 流 阀 结 构 形 式 代 号 直 通 式 1 角 式 4 直 流 式5 直 通 式6 平 衡角 式7表 1—6球 阀 结 构 形 式 代 号 直 通 式 1 L 形 4浮 动 T 形三 通 式5 固 定直 通 式7表 1—7蝶 阀 结 构 形 式代 号杠 杆 式 垂 直 板 式 斜 板 式0 1 3表 1—8隔 膜 阀 结 构 形 式代 号 屋 脊 式 1截 止 式 闸 板 式3 7表 1—9旋 塞 阀 结 构 形 式 代 号 直 通 式 3 T 形 三 通 式 4填 料 四 通 式 5 直 通 式 7 油 封T 形 三 通 式8表 1—10止 回 阀 和 底 阀 结 构 形 式 代 号 直 通 式 1 升 降 立 式 2 单 瓣 式 4 多 瓣 式 5旋 启双 瓣 式6表 1—11安 全 阀 结 构 形 式 代 号 带 散 热 片 全 启 式0 12封 闭全 启 式 4 双弹簧微启式 3 微 启 式 7 全 启 式 8带 板 手微 启 式5弹 簧不 封 闭带控制机构全 启 式6 脉 冲 式9注:杠杆式安全阀在类型代号前加“G ”汉语拼音字母。
阀门的类型代号详情(全)一、阀门的型号阀门的型号是用来表示阀类、驱动及连接形式、密封圈材料和公称压力等要素的。
由于阀门种类繁杂,为了制造和使用方便,国家对阀门产品型号的编制方法做了统一规定。
阀门产品的型号是由七个单元组成,用来表明阀门类别、驱动种类、连接和结构形式、密封面或衬里材料、公称压力及阀体材料。
阀门型号的组成由七个单元顺序组成(见下表)1、阀门的类型代号表1—1阀门类型代号阀门类型代号阀门类型代号闸阀Z 球阀Q 疏水阀S截止阀J 旋塞阀X 安全阀 A液面指示M 减压阀Y 节流阀L器隔膜阀G 止回阀H柱塞阀U 蝶阀 D2、传动方式代号用阿拉伯数字表示,按表的规定表1—2传动方式代号传动方式代号电磁阀0 伞齿轮 5电磁-液动 1 气动 6电-液动 2 液动7涡轮 3 气-液动8正齿轮 4 电动9注:①手轮、手柄和扳手传动以及安全阀、减压阀、疏水阀省略本代号。
②对于气动或液动:常开式用6K、7K表示;常闭式用6B、7B表示;气动带手动用6S表示。
防爆电动用“9B”表示。
3.连接形式代号用阿拉伯数字表示,按表1—3的规定表1—2连接形式代号连接形式代号内螺纹 1 对夹7外螺纹 2 卡箍8法兰 4 卡套9焊接 6注:焊接包括对焊和承插焊4.结构形式代号用阿拉伯数字表示1—4~13表1—4阀门结构形式代号明杆楔式弹性闸阀0刚性单闸板 1双闸板 2 平行式单闸板 3双闸板 4 暗杆楔式单闸板 5双闸板 6表1—5截止阀和节流阀形式代号直通式 1角式 4直流式 5 平衡直通式 6角式7表1—6球阀结构形式代号浮动式直通式 1 L形三通24 T形 5固定直通式7 表1—7蝶阀结构形式代号杠杆式0垂直式 1斜板式 3表1—8隔膜阀结构形式代号屋脊式 1截止式 3闸板式7表1—9旋塞阀结构形式代号填料直通式 3T形三通式 4四通式 5油封直通式7T形三通式8表1—10止回阀和底阀结构形式代号升降式直通式 1立式 2旋启单瓣式 4多瓣式 5双瓣式8表1—11安全阀结构形式代号弹簧封闭带散热片全启式012带扳手全启式 4 不封闭双弹簧微启式3微启式7全启式8微启式 5带控制机构全启式 6脉冲式9 注:杠杆式安全阀在类型代号前加“G”汉语拼音字母。
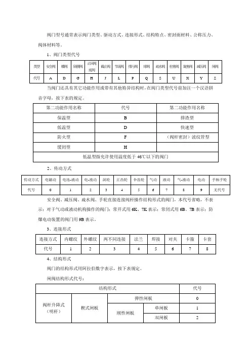
阀门型号通常表示阀门类型、驱动方式、连接形式、结构特点、密封面材料、公称压力、阀体材料等。
1、阀门类型代号
当阀门还具有其它功能作用或带有其他特异结构时,在阀门类型代号前加注一个汉语拼音字母,按下表的规定。
2、传动方式
安全阀、减压阀、疏水阀、手轮直接连接阀杆操作结构形式的阀门,本代号省略,不表示;对于气动或液动机构操作的阀门:常开式用6K、7K表示;常闭式用6B、7B表示;防爆电动装置的阀门用9B表示。
3、连接形式
4、结构形式
阀门的结构形式用阿拉伯数字表示,按下表规定。
闸阀结构形式代号:
截止阀、节流阀和柱塞阀结构形式代号
球阀结构形式代号
蝶阀结构形式代号
隔膜阀结构形式代号
旋塞阀结构形式代号
止回阀结构形式代号
安全阀结构形式代号
减压阀结构形式代号
蒸汽疏水阀结构形式代号
排污阀结构形式代号
五、密封副材料
六、公称压力数值用阿拉伯数字直接表示,它是MPa的10倍。
七、阀体材料
PL50-1.6RF (其中PL是指板式平焊钢制管法兰50是指公称通径DN50 1.6是指公称压力PN1.6 RF是指法兰密封面型式是突面)。
核心提示:电磁阀顾名思义即利用电磁来控制的工业设备,它对液压、气动等流体均能有效控制。
能在整个工业系统中调整介质的方向、流量等各种参数。
电磁阀的型号有很多种,每个型号有各自电磁阀顾名思义即利用电磁来控制的工业设备,它对液压、气动等流体均能有效控制。
能在整个工业系统中调整介质的方向、流量等各种参数。
电磁阀的型号有很多种,每个型号有各自的特点,以下我们将介绍几种电磁阀型号特点。
一、电磁阀O型符号其中P 表示进油口,T表示回油口,A、B表示工作油口。
结构特点:在中位时,各油口全封闭,油不流通。
机能特点:1、工作装置的进、回油口都封闭,工作机构可以固定在任何静止不动,即使有外力作用也不能使工作机构移动或转动,因而不能用于带手摇的机构。
2、从停止到启动比较平稳,因为工作机构回油腔中充满油液,可以起缓冲作用,当压力油推动工作机构开始运动时,因油阻力的影响而使其速度不会太快,制动时运动惯性引起液压冲击较大。
3、油泵不能卸载。
4、换向精度高。
二、电磁阀H型符号结构特点:在中位时,各油口全开,系统没有油压。
机能特点:1、进油口P、回油口T与工作油口A、B全部连通,使工作机构成浮动状态,可在外力作用下运动,能用于带手摇的机构。
2、液压泵可以卸荷。
3、从停止到启动有冲击。
因为工作机构停止时回油腔的油液已流回油箱,没有油液起缓冲作用。
制动时油口互通,故制动较O型平稳。
4、对于单杆双作用油缸,由于活塞两边有效作用面积不等,因而用这种机能的滑阀不能完全活塞处于停止状态。
三、电磁阀M型符号结构特点:在中位时,工作油口A、B关闭,进油口P、回油口T直接相连。
机能特点:1、由于工作油口A、B封闭,工作机构可以保持静止。
2、液压泵可以卸荷。
3、不能用于带手摇装置的机构。
4、从停止到启动比较平稳。
5、制动时运动惯性引起液压冲击较大。
6、可用于油泵卸荷而液压缸锁紧的液压回中。
四、电磁阀Y型符号结构特点:在中位时,进油口P 关闭,工作油口A、B与回油口T相通。
电磁阀符号及含义详解
电磁阀符号及含义详解:
1.用方框表示阀的工作位置,有几个方框就表示有几“位”。
2.方框内的箭头表示油路处于接通状态,但箭头方向不一定表示液流的实际方向。
3.方框内符号“┻”或“┳”表示该通路不通。
4.方框外部连接的接口数有几个,就表示几“通”。
5.一般,阀与系统供油路或气路连接的进油口/进气口用字母P 表示;阀与系统回油路/气路连通的回油/回气口用T(有时用字母O)表示;而阀与执行元件连接的油口/气口用A、B等表示。
有时在图形符号上用L表示泄漏油口。
阀门型号及含义说明一、通用阀门:所有阀门型号都有下面七个单元组成:1 23 4 5——67通常应表示阀门类型、驱动方式、连接形式、结构特点、密封面材料、公称压力、阀体材料等。
以下图为例:1、阀门类型代号:即: ZD 闸阀蝶阀J 截止阀A 安全阀L 节流阀H 止回阀和底阀S 蒸汽疏水阀Y 减压阀Q 球阀G 隔膜阀X 旋塞阀注明:当阀门还具有其它功能作用或带有其它特异结构时,在阀门类型代号前再加注一个汉语拼音字母(1)阀门类型代号前加“ D”为低温阀门(低于- 40℃);代号前加“B ”为保温的阀门(带加热套);防火型 F;缓闭型 H。
(2)截止阀类型代号前加“ W”,表示波纹管密封阀门。
(3)闸阀类型代号前加“ P”表示用于排渣系统阀门,加“ X ”或“ K ”为排渣用泥浆阀。
(4)在地下水用闸阀类型代号前加“ S”表示竖式安装,加“ W”表示卧式安装。
(5)在地下水用闸阀类型代号前加“ D1”、“ D2”表示短系列,加“ Q”表示球蝶阀,加“ S”表示用于地下管网蝶阀。
2、传动方式代号:即: 0电磁动 1 电磁 -液动 2 电-液动 3 蜗轮(蜗杆) 4 正齿轮5 锥齿轮6 气动7 液动8 气-液动9 电动若为手动则省略注明:对于齿轮、手柄、扳手等直接传动或自动阀门(安全阀、减压阀、疏水阀、手轮直接连接阀杆操作结构形式的阀门)本代号省略,不表示;对于气动或液动机构操作的阀门,常开式用 6K 、7K 表示,常闭式用6B、7B 表示,气动带手动用6S 表示。
防爆电动装置的阀门用9B 表示,户外耐热式用9R 表示。
3、连接方式代号:即:1内螺纹 2 外螺纹4法兰式 6 焊接式7 对夹式8卡箍9 卡套4、结构形式代号阀门结构形式用 1 位阿拉伯数字表示,如下:(一)闸阀结构形式代号:即:0楔式弹性闸板 1 楔式单闸板 2 楔式双闸板3 平行式单闸板4 平行式双闸板(二)截止阀、截流阀结构形式代号:即:1直通式4角式5直流式(三)止回阀结构形式代号:代号123456789升降式阀瓣旋启式阀瓣升降式阀瓣节流蝶结构直通立式角式单瓣多瓣双瓣直流型式再循式流道结构结构结构结构结构式环式即: 1 直通式 2 升降立式 3 升降角式 6 旋启单瓣式(四)安全阀结构形式代号:(五)调节阀结构形式代号:(六)球阀结构形式代号:即: 1 浮球直通式7 固定直通式(七)给水分配阀、减压阀、旋塞阀、蝶阀、输水阀、隔膜阀结构形式代号:注明:结构形式如为杠杆式安全阀,在结构形式代号前加“ G”, 1 代表单杆微启, 2 代表单杆全启, 3 代表双杆微启, 4 代表双杆全启 .5、密封面材质代号:(用汉语拼音字母表示)注:当阀座与阀瓣材质不同时,用底硬度材料代号表示(隔膜阀除外)即:H 合金钢Y 硬质合金 F 氟塑料T 铜合金P N 尼龙塑料 B 锡基轴承合金(巴氏合金)Q C、 P 陶瓷、渗硼钢W 本体材质 ( 碳化钨硬质合金渗硼钢X 橡胶衬铅J 衬胶)6、公称压力代号:公称压力数值用阿拉伯数字直接表示,并用短线与前五个单元分开。
阀门型号及含义说明一、通用阀门:所有阀门型号都有下面七个单元组成:1 2 3 4 5 ——6 7通常应表示阀门类型、驱动方式、连接形式、结构特点、密封面材料、公称压力、阀体材料等。
以下图为例:1、阀门类型代号:即:Z 闸阀J截止阀L节流阀H止回阀和底阀Q球阀X旋塞阀D蝶阀A安全阀S蒸汽疏水阀Y减压阀G隔膜阀注明:当阀门还具有其它功能作用或带有其它特异结构时,在阀门类型代号前再加注一个汉语拼音字母(1)阀门类型代号前加“D”为低温阀门(低于-40℃);代号前加“B”为保温的阀门(带加热套);防火型F;缓闭型H。
(2)截止阀类型代号前加“W”,表示波纹管密封阀门。
(3)闸阀类型代号前加“P”表示用于排渣系统阀门,加“X”或“K”为排渣用泥浆阀。
(4)在地下水用闸阀类型代号前加“S”表示竖式安装,加“W”表示卧式安装。
(5)在地下水用闸阀类型代号前加“D1”、“D2”表示短系列,加“Q”表示球蝶阀,加“S”表示用于地下管网蝶阀。
2、传动方式代号:即:0电磁动1电磁-液动2电-液动3蜗轮(蜗杆)4正齿轮5锥齿轮6气动7液动8气-液动9电动若为手动则省略注明:对于齿轮、手柄、扳手等直接传动或自动阀门(安全阀、减压阀、疏水阀、手轮直接连接阀杆操作结构形式的阀门)本代号省略,不表示;对于气动或液动机构操作的阀门,常开式用6K、7K表示,常闭式用6B、7B表示,气动带手动用6S表示。
防爆电动装置的阀门用9B表示,户外耐热式用9R表示。
3、连接方式代号:即:1内螺纹2外螺纹4法兰式6焊接式7对夹式8卡箍9卡套4、结构形式代号阀门结构形式用1位阿拉伯数字表示,如下:(一)闸阀结构形式代号:即:0楔式弹性闸板1楔式单闸板2楔式双闸板3平行式单闸板4平行式双闸板(二)截止阀、截流阀结构形式代号:即:1直通式4角式5直流式(三)止回阀结构形式代号:代号 1 2 3 4 5 6 7 8 9结构型式升降式阀瓣旋启式阀瓣升降式阀瓣蝶式直通流道立式结构角式结构单瓣结构多瓣结构双瓣结构直流式节流再循环式即:1直通式2升降立式3升降角式6旋启单瓣式(四)安全阀结构形式代号:(五)调节阀结构形式代号:(六)球阀结构形式代号:即:1浮球直通式7固定直通式(七)给水分配阀、减压阀、旋塞阀、蝶阀、输水阀、隔膜阀结构形式代号:注明:结构形式如为杠杆式安全阀,在结构形式代号前加“G”,1代表单杆微启,2代表单杆全启,3代表双杆微启,4代表双杆全启.5、密封面材质代号:(用汉语拼音字母表示)注:当阀座与阀瓣材质不同时,用底硬度材料代号表示(隔膜阀除外)即:H合金钢Y硬质合金F氟塑料T铜合金P渗硼钢X橡胶N尼龙塑料B锡基轴承合金(巴氏合金)Q衬铅J衬胶C、P 陶瓷、渗硼钢W本体材质( 碳化钨硬质合金)6、公称压力代号:公称压力数值用阿拉伯数字直接表示,并用短线与前五个单元分开。
电磁阀符号解释
工控技术 2009-08-26 15:02 阅读369 评论1
字号:大中小
前面的“几位”,你要看这个阀有几种工作状态,就可以说是几位,如有气动元件符号,就更好理解了,在图符上代表阀体的正方形(内有箭头或T线)有几个就是几位。
而后面的“几通”,是代表在其中的一个正方形上有几个点(和箭头线还有T线相交的点),就是几通。
图形符号的含义一般如下:
(1)用方框表示阀的工作位置,有几个方框就表示有几“位”;
(2)方框内的箭头表示油路处于接通状态,但箭头方向不一定表示液流的实际方向;
(3)方框内符号“┻”或“┳”表示该通路不通;
(4)方框外部连接的接口数有几个,就表示几“通”;
(5)一般,阀与系统供油路或气咱连接的进油口/进气口用字母p表示;阀与系统回油路/气路连通的回油/回气口用t(有时用o)表示;而阀与执行元件连接的油口/气口用a、b等表示。
有时在图形符号上用l表示泄漏油口;
(6)换向阀都有两个或两个以上的工作位置,其中一个为常态位,即阀芯未受到操纵力时所处的位置。
图形符号中的中位是三位阀的常态位。
利用弹簧复位的二位阀则以靠近弹簧的方框内的通路状态为其常态位。
绘制系统图时,油路/气路一般应连接在换向阀的常态位上。
电磁阀的符号表示方法,一般电磁阀的符号是有几个部分构成的,分别是:方框,箭头线,"T"字及数字/字母.那么,一个电磁阀的符号上有几个方框就称为"几位"而上面有标几个字母/T字/数字就称位"几通".。
电磁阀的构成和工作原理示意图非通社时通电时IF通也通他电溯符号时含义誉电磁阀符号由方框、箭头.和字符构成.电舷阀图形符号的含义一股如下:E用方框表示阀的工作位置,每个右块表示电曲祠的一种工作位直,即“位r有几个方框就表示有几“位”,如二位三通表示有两种工作位B-上图时TE通电力和“通电”就是两个不同的工作位買。
“2、识别常态位.电磁阀有两个或两个以上的工作位置,其中一个为常态位,目芯在非通电时所处的位置•对于二位阀,利用弹簧复位的二位阀则以乖近弹簧的方框内的通路状态为其常态位.对于三位阀,图形符号中册中位是常态位.垛制系统图时,沁超一K®^鏈向阀丝常态位上.33、方框内的箭头表示对应的两个接口处于连通状态•』4、方框内符号立丁”表示该接口不通.屮5、用醪血连接的接口敎有几个,就表示几“通巴卩6、一段,涼体伯迸口端用字母P表示,诽出口R表示,而阀与执行元件连接的接口用A、B等表示・卩电礎阀符号有两种国际通用的标法,分别是数字标法和字母标法,他们的关系是1=?龍气口,5=R=^E气口,3=s= 扫E 气口,2冬工作口1, 4=b=T作口2・其他还有82, 84, 12, 14 口,暂不表述,属于先导那一块的.3下例中,二位三通电磁阀有两个工作位買和三个通气接口,三个接□分别为逬气口(P),工作出气口(A),还有一个肢气口(R).当电磁阀得电励磁时,P和Aft;失电回到常位态时,R和為通• aRPF 面两张图详细说明了气阀工作的全部状态黄圈里的方框表示的是电磁阀常态位的接口连通状态2、黄圈里的方框是电磁阀励磁状态的接口连通状态图形符号的含义一般如下:(1) 用方框表示阀的工作位置,有几个方框就表示有几“位”;(2) 方框内的箭头表示油路处于接通状态,但箭头方向不一定表示液流的实际方向 ;(3) 方框内符号“丄”或“丁”表示该通路不通; (4) 方框外部连接的接口数有几个,就表示几“通” ;(5) 一般,阀与系统供油路或气连接的进油口 /进气口用字母p 表示;阀与系统回油路/气路连通的回油/回气口用 t(有时用o)表示;而阀与执行元件连接的油口/气口用a 、b 等表示。
液压电磁阀符号及含义详解
液压电磁阀符号及含义详解
液压电磁阀的符号可以作为系统设计者设计液压电磁阀的技术支持,因此,了解液压电磁阀的符号是很有必要的。
液压电磁阀的符号由三个部分组成:符号,标签和技术参数。
一、符号
1、驱动力源
液压电磁阀的驱动力源有:液压驱动力、液体驱动力、气动驱动力和电动驱动力。
其符号如下:
P:液压驱动力
F:液体驱动力
A:气动驱动力
E:电动驱动力
2、工作方式
液压电磁阀的工作方式有:单向流动方式、双向流动方式和全放式等。
其符号如下:
SE:单向流动方式
SD:双向流动方式
J:全放式
3、动作方式
液压电磁阀的动作方式有:正压动作方式、负压动作方式和机械动作方式等。
其符号如下:
UP:正压动作方式
DW:负压动作方式
M:机械动作方式
4、连接方式
液压电磁阀的连接方式有:法兰端连接、四角形连接和六角形连接等。
其符号如下:
FL:法兰端连接
RR:四角形连接
XR:六角形连接
二、标签
标签是液压电磁阀的型号标记,由多个符号组合而成,可以快速了解电磁阀的型号、类型和功能参数等。
例如,电磁阀SE-UP-FL-K17可以反映出:该液压电磁阀为单向流动结构,采用正压动作方式,法兰端连接,而且K17为电磁阀系列名称。
液压电磁阀规格型号含义详解液压电磁阀的规格型号含义一般由一系列字母、数字和符号组成,每个部分都代表着不同的意义。
以下是常见的液压电磁阀规格型号含义的解释:1. 制造商代码:液压电磁阀的制造商会在型号中包含一个特定的代码,用于标识制造商的身份。
2. 阀体尺寸:液压电磁阀的型号中通常会包含一个数字,表示阀体的尺寸。
通常使用公制单位进行表示,例如,数字“10”表示阀体直径为10毫米。
3. 工作压力范围:型号中可能会包含一个数字或者一组数字,表示液压电磁阀的工作压力范围。
这个范围通常使用单位巴(Bar)来表示,例如,数字“0-350”表示液压电磁阀的工作压力范围是0到350巴。
4. 电气连接方式:液压电磁阀的型号中可能会包含一个字母或者一组字母,表示电气连接方式。
常见的电气连接方式包括DIN插头连接、线束连接等。
5. 动作方式:型号中可能会包含一个字母或者一组字母,表示液压电磁阀的动作方式。
常见的动作方式包括单向通电动作、双向通电动作等。
6. 阀位数量和符号:型号中可能会包含一个数字或者一组数字,表示液压电磁阀可调节的阀位数量。
常见的阀位符号包括2位、3位、4位等。
7. 电压:型号中可能会包含一个数字,表示液压电磁阀的额定电压。
常见的额定电压包括12V、24V、110V、220V等。
8. 阀内孔尺寸:型号中可能会包含一个数字,表示液压电磁阀内孔的尺寸。
这个尺寸通常使用公制单位进行表示,例如,数字“6”表示阀内孔直径为6毫米。
请注意,不同的制造商可能会在液压电磁阀的规格型号中使用不同的表示方式,因此,在购买液压电磁阀时,最好咨询制造商或参考产品说明书以确保理解和选择正确的型号。
电磁阀型号对照表查询首先,电磁阀模型通常分为4个部分,第一部分通常以DCF(电磁阀拼音的第一个字母)开头。
这通常可以区分制造商的编号。
第二,第二段提到电磁阀的样式。
从左到右,如下所示:带字母“T”的直阀带有字母“Y”的潜水阀带字母“Z”的直角阀带字母'ZM'的外螺纹阀另外,数字的第三段表示如图所示的孔。
一般从左到右20位六点阀251英寸阀401.5英寸阀门502英寸阀门622.5英寸阀76和803英寸阀门1024英寸阀最后,在第四段中,数字后面的字母“S”表示它是双隔膜。
如果数字后没有字母,则表示它是单个隔膜。
另一个:型号标记为“FB”,因此它是防爆电磁阀。
如图所示,该阀具有防爆线圈。
可以直观区分。
电磁阀型号说明:1.阀体材料代码---“C”代表铸钢,“P”代表不锈钢304,“R”代表不锈钢316,“L”代表铝合金,“T”代表黄铜,塑料2.防爆代码---“F”表示防爆类型,它不是防爆的并且没有标记。
3.操作模式代码---常开时使用“K”,常闭时不表示使用“Z”自持。
4.附加功能代码---带信号反馈功能的“X”,带手动功能的“S”,带检查功能的“D”5.连接代码--内螺纹“1”,外螺纹“2”,法兰“4”,焊接“6”,卡套“9”6.电源线---“D”代表直流电源,“A”代表交流电源7.公称直径尺寸(mm)8.压力等级代码---“Y”表示真空,“M”表示0-6.4MPa之间的低压,“H”表示6.5MPa-99MPa的高压,“G”表示100MPa以上的超高压B.电磁阀选型指南电磁阀的选择应遵循安全性,可靠性,适用性和经济性四个原则的要求,以及六个现场工作条件(即标称通道,中间类型,压力水平,电源电压,操作模式,特殊功能)的要求。
)。
选择标准1.根据管道参数选择电磁阀的通行规格(DN),借口方法(连接方法)。
2.根据介质类型选择电磁阀的阀体材料,密封材料和温度。
关于液压电磁阀型号,不同的厂家对型号的编排有所不同,这里小编举个例子说明液压电磁阀型号含义。
例如:34BYM-L20H-T。
其中34表示的是3位4通,B为交流型,Y为液动,M是滑阀机能,L表示螺纹连接形式,20为公称直径,H为公称压力,H表示为高压31.5MPA,T表示弹簧对中型代号。
WMM型手动换向阀手动换向阀是利用手动杠杆来操纵的方向控制阀。
该阀根据定位方式不同,有弹簧复位式和钢球定位式两种。
弹簧复位式手动换向阀,当操纵手柄的外力取消后,复位弹簧把阀芯推回到初始位置。
钢球定位式是当操纵手柄的外力取消后,阀芯依靠钢球定位保持在换向位置。
2FRM型调速阀2FRM型调速阀是二通的流量控制阀,该元件是由减压阀和节流阀串联构成的,由于减压阀对节流阀进行了压力补偿,所以调速阀的流量不受负载变化的影响,保持稳定。
同时节流窗口设计成薄刃状,流量受温度变化很小。
调速阀与单向阀并联时,油流能反向回流。
直动式溢流阀DBD型直动式溢流阀用于防止系统过载和保持系统压力恒定。
结构原理:进油口的压力油通过阻尼活塞作用在其底部,形成一个与弹簧力相抗衡的页压力。
当次液压力小于调压弹簧的弹簧力时,锥阀关闭,此阀不起调压作用。
随着进油口压力的不断提高。
当液压力大于弹簧力时,锥阀开启,多余的油液溢回油箱,使进油口压力稳定在调定值上。
顺序阀DZ-3X型先导式顺序阀:该阀利用油路本身压力来控制液压缸或马达的先后动作顺序,以实现油路系统的自动控制。
改变控制油和泄油的联接方法,该阀还可作为卸荷阀和背压阀使用。
SV/SL型液控单向阀液控单向阀的应用很广,如利用液控单向阀的锁紧回路、防止自重下降的回路、充液阀回路、旁通放油阀回路、蓄能器供油回路等。
扩展资料:性能特色:1)滑阀的中位性能各种把持方法的三位四通和三位五通式换向滑阀,阀芯在两头位置时,各油口的连通情形称替换向阀的中位性能。
其罕用的有“O”型、“H”型、“P”型、K”型、“M”型等。
阀门型号及含义说明令狐采学一、通用阀门:所有阀门型号都有下面七个单元组成:1 2 3 4 5—— 6 7通常应表示阀门类型、驱动方式、连接形式、结构特点、密封面材料、公称压力、阀体材料等。
以下图为例:1、阀门类型代号:即:Z 闸阀 J截止阀 L节流阀 H止回阀和底阀 Q球阀 X旋塞阀D蝶阀 A安全阀 S蒸汽疏水阀 Y减压阀G隔膜阀注明:当阀门还具有其它功能作用或带有其它特异结构时,在阀门类型代号前再加注一个汉语拼音字母(1)阀门类型代号前加“D”为低温阀门(低于-40℃);代号前加“B”为保温的阀门(带加热套);防火型F;缓闭型 H。
(2)截止阀类型代号前加“W”,表示波纹管密封阀门。
(3)闸阀类型代号前加“P”表示用于排渣系统阀门,加“X”或“K”为排渣用泥浆阀。
(4)在地下水用闸阀类型代号前加“S”表示竖式安装,加“W”表示卧式安装。
(5)在地下水用闸阀类型代号前加“D1”、“D2”表示短系列,加“Q”表示球蝶阀,加“S”表示用于地下管网蝶阀。
2、传动方式代号:即:0电磁动 1电磁液动 2电液动 3蜗轮(蜗杆) 4正齿轮 5锥齿轮 6气动 7液动 8气液动 9电动若为手动则省略注明:对于齿轮、手柄、扳手等直接传动或自动阀门(安全阀、减压阀、疏水阀、手轮直接连接阀杆操作结构形式的阀门)本代号省略,不表示;对于气动或液动机构操作的阀门,常开式用6K、7K表示,常闭式用6B、7B表示,气动带手动用6S表示。
防爆电动装置的阀门用9B表示,户外耐热式用9R表示。
3、连接方式代号:即:1内螺纹 2外螺纹 4法兰式 6焊接式 7对夹式 8卡箍 9卡套4、结构形式代号阀门结构形式用1位阿拉伯数字表示,如下:(一)闸阀结构形式代号:即:0楔式弹性闸板 1楔式单闸板 2楔式双闸板3平行式单闸板 4平行式双闸板(二)截止阀、截流阀结构形式代号:即:1直通式 4角式 5直流式(三)止回阀结构形式代号:即:1直通式 2升降立式 3升降角式6旋启单瓣式(四)安全阀结构形式代号:(五)调节阀结构形式代号:(六)球阀结构形式代号:即:1浮球直通式 7固定直通式(七)给水分配阀、减压阀、旋塞阀、蝶阀、输水阀、隔膜阀结构形式代号:注明:结构形式如为杠杆式安全阀,在结构形式代号前加“G”,1代表单杆微启,2代表单杆全启,3代表双杆微启,4代表双杆全启.5、密封面材质代号:(用汉语拼音字母表示)注:当阀座与阀瓣材质不同时,用底硬度材料代号表示(隔膜阀除外)即:H合金钢 Y硬质合金 F氟塑料 T铜合金 P渗硼钢 X 橡胶 N尼龙塑料 B锡基轴承合金(巴氏合金) Q衬铅 J 衬胶 C、P 陶瓷、渗硼钢 W本体材质( 碳化钨硬质合金 )6、公称压力代号:公称压力数值用阿拉伯数字直接表示,并用短线与前五个单元分开。
阀门型号及含义说明阀门型号及含义说明一、通用阀门:所有阀门型号都有下面七个单元组成:1 2 3 4 5 ——6 7通常应表示阀门类型、驱动方式、连接形式、结构特点、密封面材料、公称压力、阀体材料等。
以下图为例:1、阀门类型代号:即:Z 闸阀J截止阀L节流阀H止回阀和底阀Q球阀X旋塞阀D 蝶阀A安全阀S蒸汽疏水阀Y减压阀G隔膜阀注明:当阀门还具有其它功能作用或带有其它特异结构时,在阀门类型代号前再加注一个汉语拼音字母(1)阀门类型代号前加“D”为低温阀门(低于-40℃);代号前加“B”为保温的阀门(带加热套);防火型F;缓闭型H。
(2)截止阀类型代号前加“W”,表示波纹管密封阀门。
(3)闸阀类型代号前加“P”表示用于排渣系统阀门,加“X”或“K”为排渣用泥浆阀。
(4)在地下水用闸阀类型代号前加“S”表示竖式安装,加“W”表示卧式安装。
(5)在地下水用闸阀类型代号前加“D1”、“D2”表示短系列,加“Q”表示球蝶阀,加“S”表示用于地下管网蝶阀。
2、传动方式代号:即:0电磁动1电磁-液动2电-液动3蜗轮(蜗杆)4正齿轮5锥齿轮6气动7液动8气-液动9电动若为手动则省略注明:对于齿轮、手柄、扳手等直接传动或自动阀门(安全阀、减压阀、疏水阀、手轮直接连接阀杆操作结构形式的阀门)本代号省略,不表示;对于气动或液动机构操作的阀门,常开式用6K、7K表示,常闭式用6B、7B表示,气动带手动用6S表示。
防爆电动装置的阀门用9B表示,户外耐热式用9R表示。
3、连接方式代号:即:1内螺纹2外螺纹4法兰式6焊接式7对夹式8卡箍9卡套4、结构形式代号阀门结构形式用1位阿拉伯数字表示,如下:(一)闸阀结构形式代号:即:0楔式弹性闸板1楔式单闸板2楔式双闸板3平行式单闸板4平行式双闸板(二)截止阀、截流阀结构形式代号:即:1直通式4角式5直流式(三)止回阀结构形式代号:即:1直通式2升降立式3升降角式6旋启单瓣式(四)安全阀结构形式代号:(五)调节阀结构形式代号:(六)球阀结构形式代号:即:1浮球直通式7固定直通式(七)给水分配阀、减压阀、旋塞阀、蝶阀、输水阀、隔膜阀结构形式代号:注明:结构形式如为杠杆式安全阀,在结构形式代号前加“G”,1代表单杆微启,2代表单杆全启,3代表双杆微启,4代表双杆全启.5、密封面材质代号:(用汉语拼音字母表示)注:当阀座与阀瓣材质不同时,用底硬度材料代号表示(隔膜阀除外)即:H合金钢Y硬质合金F氟塑料T铜合金P渗硼钢X橡胶N尼龙塑料B锡基轴承合金(巴氏合金)Q衬铅J衬胶C、P 陶瓷、渗硼钢W本体材质( 碳化钨硬质合金)6、公称压力代号:公称压力数值用阿拉伯数字直接表示,并用短线与前五个单元分开。
国内电磁阀型号系列代号:TM TM 1 2 3 4-5 6 7 8 9 10
1、防爆形式代号---防爆型用“F”,不是防爆不表示
2、控制方式代号---常开用“K”,常闭不表示,自保持用“Z”
3、结构形式代号---直动式用“0”,分步直动式用“3”,先导式用“5”,
4、耐温等级代号---低温用“L”,高温用“G”,常温不表示
5、连接方式代号---内螺纹用“1”,外螺纹用“2”,法兰用“4”,焊接用“6”,活接用“7”,卡箍用“8”,卡套用“9”,
6、公称通径的大小(mm)
7、耐压等级代号---低压-0.1-1.6MPa不表示,中压2.0-6.4MPa用“M”,高压6.5MPa-99MPa用“H”,超高压100MPa以上用“G”
8、阀体材质代号---铸铁用“Z”铸钢用“C”,不锈钢304用“P”,316用“R”,316L用“RL”,铝合金用“L”,黄铜用“T”,聚四氟用“F”,聚丙烯用“J”,PVC用“S”,CPVC 用“SC”
9、附加功能代号---带信号反馈功能用“X”,带手动功能用“S”,带止回功能用“Z”,快速紧急切断带手动复位用"Q"
10、电源电压代号---直流电源24V用“D”,交流电源220V用“A”其他电源用“V”
二位三通电磁阀表示:一进一出:防爆用TMF2/3+其它应有的表示及代号一进两出:防爆用TMF2/31+其它应有的表示及代号两进一出:防爆用TMF2/32+其它应有的表示及代号
特别提示:
1、电磁阀水平安装,线圈向上*,如需垂直安装,定货时说明
2、介质中有杂质,请安装过滤器网30~100目/寸
3、电磁阀如出口压力大于进口压力,阀将反向导通,此时应在出口安装止回阀
4、公司可专门为你设计特殊需要的电磁阀系列产品
电磁阀型号编制示例:不锈钢内螺纹中高压电磁阀型号编制:(TM51-15HPX)为不防爆,防爆“F”表示,不防爆不表示
TM51-1HP,TM51-2HP,TM51-3HP,TM51-4HP,TM51-5HP,TM51-6HP,TM51-8HP,TM51-10HP,TM51-15HP,TM51-20HP,TM51-25HP,TM51-32HP,TM51-40HP,TM51-50HP
不锈钢内螺纹高压防爆电磁阀型号编制:
TMF51-1HP,TMF51-2HP,TMF51-3HP,TMF51-4HP,TMF51-5HP,TMF51-6HP,TMF51-8H P,TMF51-10HP,TMF51-15HP,TMF51-20HP,TMF51-25HP,TMF51-32HP,TMF51-40HP,T MF51-50HP
不锈钢法兰式中高压电磁阀型号编制:(TM54-15HP)为不防爆,防爆“F”表示,不防爆不表示
TM54-15HP,TM54-20HP,TM54-25HP,TM54-32HP,TM54-40HP,TM54-50HP,TM54-65 HP,TM54-80HP,TM54-100HP,TM54-125HP,TM54-150HP,TM54-200HP,TM54-250HP, TM54-300HP
不锈钢法兰式高压防爆电磁阀型号编制:
TMF54-15HP,TMF54-20HP,TMF54-25HP,TMF54-32HP,TMF54-40HP,TMF54-50HP,TM F54-65HP,TMF54-80HP,TMF54-100HP,TMF54-125HP,TMF54-150HP,TMF54-200HP,T MF54-250HP,TMF54-300HP
不锈钢内螺纹防爆带信号反馈功能电磁阀型号编制:(TM51-15HPX)为不防爆,防爆“F”表示,不防爆不表示
TMF51-1HPX,TMF51-2HPX,TMF51-3HPX,TMF51-4HPX,TMF51-5HPX,TMF51-6HPX, TMF51-8HPX,TMF51-10HPX,TMF51-15HPX,TMF51-20HPX,TMF51-25HPX,TMF51-3 2HPX,TMF51-40HPX,TMF51-50HPX
不锈钢法兰式防爆带信号反馈功能电磁阀型号编制:
TMF54-15HPX,TMF54-20HPX,TMF54-25HPX,TMF54-32HPX,TMF54-40HPX,TMF54-50HPX,TMF54-65HPX,TMF54-80HPX,TMF54-100HPX,TMF54-125HPX,TMF54-150H PX,TMF54-200HPX,TMF54-250HPX,TMF54-300HPX。