某自来水厂恒压供水全套图纸 主回路
- 格式:dwg
- 大小:178.05 KB
- 文档页数:1
系统简介为改善生产环境,某公司投资清洁水技改工程并建成一座日产水2.5万顿的供水系统,分别建设了抽水泵系统、加压泵系统和高位水池。
根据公司用水需求特点,从抽水泵系统过来的水一部分直接供给生产用水部门,一部分则需通过加压泵输送到高位水池,而供给生产用水部门的水压与供给高位水池的水压相差较大。
同时高位水池距抽水泵房较远达十多公里,高位水池的液位高低和加压泵系统的设计以及如何与抽水泵系统“联动”也是较难解决的。
鉴于以上特点,从技术可靠和经济实用角度综合考虑,我们设计了用PLC控制与变频器控制相结合的自动恒压控制供水系统,同时通过主水管线压力传递较经济地实现了加压泵系统与抽水泵系统“远程联动”的控制目的。
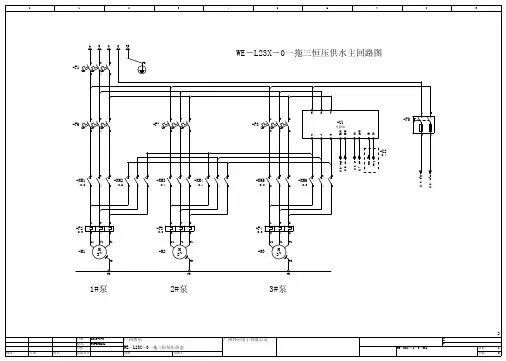
系统方案系统主要由三菱公司的PLC控制器、ABB公司的变频器、施耐德公司的软启动器、电机保护器、数据采集及其辅助设备组成(见图1)。
抽水泵系统整个抽水泵系统有150KW深井泵电机四台,90KW深井泵电机两台,采用变频器循环工作方式,六台电机均可设置在变频方式下工作。
采用一台150KW和一台90KW的软起动150KW和90KW的电机。
当变频器工作在50HZ,管网压力仍然低于系统设定的下限时,软起动器便自动起动一台电机投入到工频运行,当压力达到高限时,自动停掉工频运行电机。
一次主电路接线图如下:系统为每台电机配备电机保护器,是因为电机功率较大,在变频器的控制下稳定运行;当用水量大到变频器全速运行也在变频器的控制下稳定运行;当用水量大到变频器全速运行也不能保证管网的压和稳定时,控制器的压力下限信号与变频器的高速信号同时被PLC检测到,PLC自动将原工作在变频状态下泵投入到工频运行,以保持压力的连续性,同时将一台备用的泵用变频器起动后投入运行,以加大管网的供水量保证压力稳定。
若两台泵运转仍,则依次将变频工作状态下的泵投入到工频运行,而将另一台备用泵投入变频运行。
当用水量减少时,首先表现为变频器已工作在最低速信号有效,这时压力上限信号如仍出现,PLC首先将工频运行的泵停掉,以减少供水量。
变频恒压供水系统主电路和控制线路图变频恒压供水系统主电路和控制线路图:控制原理简述如下:系统由变频器、plc和两台水泵构成。
利用了变频器控制电路的PID等相关功能,和PLC配合实施变频一拖二自动恒压力供水。
具有自动/手动切换功能。
变频故障时,可切换到手动控制水泵运行。
控制过程:水路管网压力低时,变频器启动1#泵,至全速运行一段时间后,由远传压力表来的压力信号仍未到达设定值时,PLC控制1#泵由变频切换到工运行,然后变频启动2#泵运行,据管网压力情况随机调整2#泵的转速,来达到恒压供水的目的。
当用水量变小,管网压力变高时,2#泵降为零速时,管网压力仍高,则PLC控制停掉1#工频泵,由2#泵实施恒压供水。
至管网压力又低时,将2#泵由变频切为工频运行,变频器启动1#泵,调整1#泵的转速,维修恒压供水。
如此循环不已。
需要明说一下的是:变频器必须设置好PID运行的相关参数,和配合PLC控制的相关工作状态触点输出。
详细调整,参见东元M7200的明说书。
在本例中,须大致调整以下几个参数。
1、设置变频器启/停控制为外部端子运行;2、设置为自由停车方式,以避免变频/工频切换时造成对变频器输出端的冲击;3、设置PID运行方式,压力设定值由AUX端子进入。
反馈信号由VIN端子进入;4、对变频器控制端子——输出端子的设置。
设定RA、RC为变频故障时,触点动作输出;设定R2A、R2C为变频零速时,触点动作输出;设定DO1、DOG为变频器全速(频率到达)时,触点动作输出。
上图为PLC控制接线图。
水泵和变频器的故障信号未经PLC处理,而是汇总给继电器KA2。
其手动/自动的切换控制继电器KA1来切换。
变频/工频的运行由接触器触点来互锁,以提高运行安全性。
可以看出,R2A和DO1是PLC的两个关键输入信号。
在PLC的控制动作输出中,对变频到工频的切换是通过DO1(变频器零速信号)来进行的;对工频到变频的切换是通过R2A(变频器频率到达信号)来进行的。