管片拼装技术交底
- 格式:doc
- 大小:43.50 KB
- 文档页数:2
管片拼装施工技术交底管片拼装施工技术交底本旨在详细介绍管片拼装施工的技术要点和流程。
通过本,施工人员将能够全面了解管片拼装施工的操作规范和注意事项,从而确保施工质量和安全。
一、工程概况1.1 工程名称:管片拼装施工1.2 工程地点:XXX地区1.3 工程时间:XXXX年X月X日开始,估计工期X个月二、施工准备2.1 施工前准备2.1.1 确定施工方案2.1.2 确认拼装工具和设备的数量和规格2.1.3 准备施工场地和搭建暂时设施2.1.4 安排施工人员并进行培训2.2 材料准备2.2.1 确定管片的数量和规格2.2.2 检查管片的质量和外观2.2.3 确保管片的运输和储存安全三、管片拼装施工流程3.1 施工平台搭设3.1.1 选择适当的施工平台材料3.1.2 搭建施工平台并进行检查3.2 管片吊装3.2.1 确定吊装计划和方法3.2.2 配备适当的吊装设备3.2.3 进行管片的吊装和安装3.3 管片拼装3.3.1 按照设计要求进行管片的拼装3.3.2 严格控制拼装质量,确保连接坚固3.4 框架支撑3.4.1 确定框架支撑方案3.4.2 安装和调整框架支撑3.4.3 进行框架支撑的检查和验收3.5 密封处理3.5.1 确定密封材料和方法3.5.2 进行管片的密封处理3.5.3 检查密封效果并进行修补3.6 管片固结3.6.1 确定固结材料和方法3.6.2 进行管片的固结处理3.6.3 检查固结效果并进行修补四、施工安全措施4.1 施工现场安全4.1.1 制定施工安全管理措施4.1.2 安排专人负责现场安全监控4.1.3 设立安全警示标志和防护设施4.2 操作安全4.2.1 培训施工人员,提高操作技能4.2.2 使用合适的个人防护装备4.2.3 遵守施工规范和安全操作流程4.3 紧急救援预案4.3.1 制定紧急情况下的救援预案4.3.2 配备必要的急救设备和人员4.3.3 定期组织紧急救援演练附件:1. 管片拼装施工方案2. 吊装设备清单3. 框架支撑方案4. 密封材料规格表5. 固结材料供应商信息法律名词及注释:1. 施工方案:指根据设计要求和施工实际情况制定的施工方案文件。
技术交底书1、技术交底范围交底内容:南昌阳明东市政地下综合管廊工程隧道管片拼装。
交底范围:盾构隧道。
工程数量:1297环(单线)。
2、设计情况(1)施工图情况:按照“西侧盾构管片施工图SA09671S-T0701-01〜23”图,确定了盾构隧道管片参数如下:盾构始发井〜盾构接收井采用浅埋管片,区间共1297环,其中钢筋混凝土管片1269环,钢管片28环,永外正街预留接口5环,过拟建地铁4号线18环,贤士二路5环。
每环由封顶块K、邻接块B1、邻接块B2、标准块A1、标准块A2、标准块A3构成,采用通用楔型管片,为双面楔,楔形量根据半径R=400m计算而得,每环管片宽度最大值为1218mm,最小值为1182mm,衬砌管片内径为3500mm, 外径为4000mm,厚度为250mm,环宽为1200mm。
环间错缝拼装。
每环管片纵向共12只M24螺栓,环向共14只M24螺栓。
混凝土强度等级C50;混凝土抗渗等级P10。
(2)地质情况:无。
(3)周边影响因素:无。
3、开始施工的条件及施工准备工作(1)作业人员劳动力配置见表3-1。
(2)主要材料管片拼装主要材料见表3-2(3)主要机具管片拼装主要设备、机具配置见表3-3,各机具性能完好,满足施工生产需求。
表3-3管片拼装主要设备、机具配置表(4)作业条件管片及螺栓全部检查完成并验收合格;盾构掘进完成、人员到位、设备机具完好;照明满足要求。
4、施工工艺4.1施工顺序及工艺流程(1)施工顺序管片拼装的施工过程大体分为:管片质量检查、管片选型、下井和运输组织、管片吊机卸车、导运管片、管片安装区清理、管片拼装、管片脱离盾尾后二次复紧。
(2)工艺流程施工工艺流程见图4-1。
图4-1管片拼装工艺流程图4.2施工步骤及要点(1)管片质量检查所有用于隧道主体的管片必须经过质检工程师检查验收合格后方可吊装下井,凡存在缺角、止水材料粘贴不合格、蜂窝、麻面、裂缝、破损等缺陷的混凝土管片一律不得吊运下井。
管片拼装施工技术交底1. 工程概况本项目为XXX隧道工程,隧道全长XXX米,采用管片拼装法施工。
隧道内径直径为XXX米,外径直径为XXX米,管片厚度为XXX厘米。
隧道穿越地层主要为粘土、砂土及粉土层。
工程采用土压平衡式盾构机进行施工。
2. 管片拼装施工流程管片拼装施工流程分为以下几个步骤:1.盾构推进前的准备工作:包括施工现场的布置、管片的运输和储存、拼装设备的检查等。
2.盾构推进:根据设计速度和推进计划进行盾构推进,同时进行土层的地质观察和记录。
3.管片拼装:在盾构推进过程中,按照设计要求进行管片的拼装,确保管片的质量和拼装速度。
4.隧道轴线控制:通过测量和调整,保证隧道轴线符合设计要求。
5.管片接缝防水处理:对管片接缝进行防水处理,确保隧道的防水性能。
6.隧道内部施工:在管片拼装完成后,进行隧道内部的施工,包括轨道铺设、通风系统安装等。
3. 管片拼装施工技术要求1.管片选型:根据隧道直径、地质条件、施工环境等因素选择合适的管片。
2.管片质量:管片应符合国家标准和设计要求,表面应平整、无裂缝、无破损。
3.拼装顺序:根据隧道轴线和曲线变化,按照设计要求进行管片的拼装。
4.拼装精度:管片拼装应满足隧道轴线、高程和横向误差的要求。
5.接缝处理:管片接缝应采用防水材料进行处理,确保隧道的防水性能。
6.施工安全:施工过程中应严格遵守安全规定,确保施工人员的安全。
4. 质量控制与验收1.质量控制:在管片拼装过程中,应定期进行质量检查,发现问题及时处理。
2.验收标准:管片拼装完成后,应按照国家标准和设计要求进行验收。
3.验收程序:验收组应由施工方、设计方、监理方等相关单位组成,共同进行验收。
5. 施工安全与环保措施1.施工安全:加强施工现场的安全管理,定期进行安全教育培训和演练。
2.环保措施:遵守国家环保法规,采取有效措施减少施工过程中的噪音、扬尘等污染。
其他为管片拼装施工技术交底的主要内容,施工过程中应严格遵守相关规定,确保工程质量和施工安全。
管片拼装施工技术交底一、引言管片拼装施工是地下工程中常用的一种施工方法,通过将管片进行组装和拼接,形成一个整体的管道系统。
本文将详细介绍管片拼装施工的技术要点和注意事项。
二、施工前的准备工作1. 管片材质检查:在开始管片拼装施工之前,需要检查管片的材质是否符合工程的要求。
检查管片的厚度、强度等指标,确保其符合相关标准。
2. 管片尺寸确认:根据设计图纸和实际情况,确认管片的尺寸和数量,确保能够满足工程的需求。
3. 施工现场清理:在施工开始前,需要对施工现场进行清理,确保没有杂物和障碍物,以便进行管片的拼装施工。
三、管片拼装施工步骤1. 准备工作:将拼装所需的工具和设备准备好,包括拼装夹具、吊装设备等。
2. 管片组装:根据设计要求,将管片按照一定的顺序进行组装。
在组装过程中,需要注意管片的正确位置和方向,以确保拼装后的管道系统的连续性和稳定性。
3. 管片连接:在管片组装完成后,进行管片的连接。
可以采用橡胶圈或其他密封材料,将管片连接紧密,确保管道系统的密封性。
4. 吊装安装:在管片组装和连接完成后,使用吊装设备将管道系统安装到预定位置。
在吊装过程中,需要注意保持管道系统的平衡和稳定,以及与周围设施的安全距离。
5. 固定和调整:在管道系统安装到预定位置后,进行固定和调整工作。
通过焊接、固定夹具等方式,将管道系统固定在地基或结构物上,以确保稳定性和安全性。
四、施工中的注意事项1. 安全注意:在进行管片拼装施工时,应严格遵守相关的安全规定和操作规程。
必须佩戴个人防护装备,保持施工现场的整洁和安全。
2. 质量控制:在管片拼装施工过程中,需要严格控制质量。
对于存在缺陷或不合格的管片,应及时进行更换或修复。
3. 施工进度管理:在进行管片拼装施工时,需要合理安排施工进度,确保施工的顺利进行。
及时调整施工计划,避免延误工期。
4. 施工记录和交底:在施工中应做好详细的记录,包括材料使用情况、施工质量检查等。
并及时进行技术交底,与相关人员共同沟通和解决问题。
技术交底记录A3.12工程名称XX轨道交通4号线Ⅳ-TS-13标土建工程
交底部位笠泽西站~流虹西路站
区间
工序名称管片拼装
交底提要:
管片拼装技术交底
交底内容:
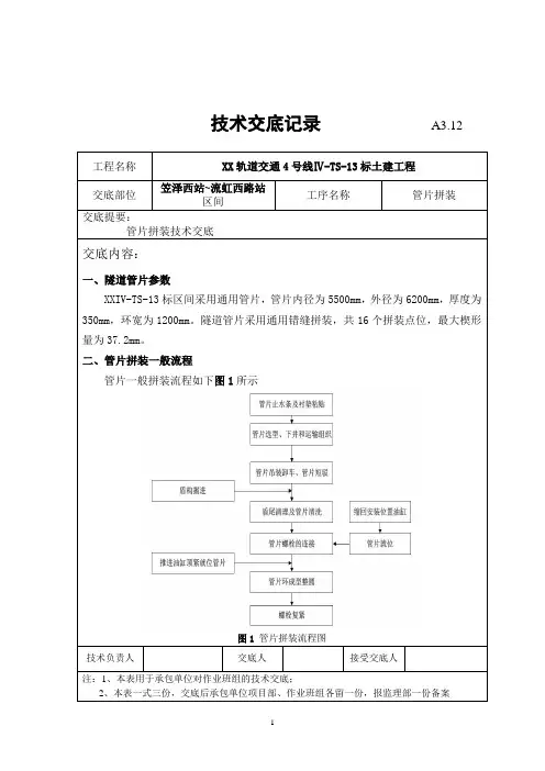
一、隧道管片参数
XXIV-TS-13标区间采用通用管片,管片内径为5500mm,外径为6200mm,厚度为350mm,环宽为1200mm。
隧道管片采用通用错缝拼装,共16个拼装点位,最大楔形量为37.2mm。
二、管片拼装一般流程
管片一般拼装流程如下图1所示
图1管片拼装流程图
技术负责人交底人接受交底人
注:1、本表用于承包单位对作业班组的技术交底;
2、本表一式三份,交底后承包单位项目部、作业班组各留一份,报监理部一份备案
技术交底记录A3.12
技术交底记录A3.12
技术交底记录A3.12
技术交底记录A3.12
技术交底记录A3.12。
隧道内管片的吊装、运输及拼装9 管片拼装9.1一般规定9.1.1盾构施工前,拼装人员必须熟悉管片排列位置、拼装顺序,施工过程中施工人员依据上一环管片位置、盾构姿态、盾尾间隙等准备、运输、安装管片。
9.1.2拼装管片时,拼装机作业范围内不得有人和障碍物。
9.2拼装前的准备9.2.1应对管片及防水密封条进行验收,并按拼装顺序存放。
9.2.2盾构推进后的姿态应符合拼装要求。
9.2.3应对前一环管片环面进行质量检查和确认。
9.2.4应对拼装机具和材料进行检查。
9.3拼装作业9.3.1管片拼装应按拼装工艺要求逐块进行。
9.3.2在管片拼装过程中,应严格控制盾构千斤顶的压力和伸缩,使盾构位置保持不变。
9.3.3管片连接螺栓紧固质量应符合设计要求。
9.3.4拼装管片时必须防止管片及防水密封条的损坏。
9.3.5对已拼装成环的管片环作真圆度的抽查,确保拼装精度。
9.3.6平曲线段管片拼装时,必须使各种管片在环向定位准确,保证隧道轴线符合设计要求。
9.3.7特殊位置管片拼装时,应根据特殊管片的设计位置,调整好盾构姿态和盾尾间隙,按设计拼装管片。
14.2水平运输14.2.1水平运输宜采用轨道运输。
14.2.2水平运输的轨道应保持平稳、顺直、牢固,轨距误差应符合有关规定。
14.2.3长距离掘进时,宜每隔500m设置会车道或转辙装置。
14.2.4牵引设备的牵引能力应满足牵引隧道最大纵坡重量和的要求。
14.2.5车辆配置应满足出碴、进料及掘进进度的要求。
14.3垂直运输14.3.1垂直运输方式应根据竖井深度、盾构施工速度等因素综合考虑。
14.3.2提升设备的提升能力应满足出碴、进料的需要。
14.3.3垂直运输可根据安全需要采用稳定设施。
14.3.4垂直运输通道上不得有妨碍运输畅通的障碍物。
4.5 管片拼装:4.5.1、盾构工程中的管片选型:管片选型的原则有三个:①管片选型要适合隧道设计线路;②管片选型要适应盾构机的姿态;③根据现有的管模数量和类型,及生产能力。
中建隧道建设有限公司安全技术交底1、工程概况和施工参数本区间左线起讫里程ZDK5+588.469~ZDK7+908.090,长链2.725m,长2319.621m;右线起讫里程YDK5+588.469~YDK7+908.090,长2319.621m。
采用盾构法施工,管片外径6m、内径5.4m、宽1.5m,每环由3块标准块、2块邻接块、1块封顶块组成。
2、工程数量本次交底范围为区间盾构管片拼装,区间设计管片拼装环数共3010环。
3、工序及工艺3.1管片拼装方式标准环管片拼装点位为1点、11点位交错进行,同时可根据管片环号进行确定,管片环号为双数的拼装1点位,管片环号为单数的拼装11点位。
管片拼装采用错缝拼装,同时根据姿态调整需求进行点位选择。
标准环管片拼装点位图3.2 拼装顺序拼装顺序为:B2 →B3 →B1 →L2 →L1 →K。
其中B1、L1在盾构掘进方向的右侧,B3、L2在左侧。
拼装过程中按各块管片位置,缩回相应位置的千斤顶,形成管片拼装空间,可有效防止盾构后移。
管片运至拼装机下后,将管片吊装螺栓插入拼装机的举臂孔内,通过水平插销紧固,再由拼装机将管片运至相应位置进行拼装。
每一环管片拼装完后,拿掉吊装孔内的吊装螺栓。
管片拼装点位图(2)竖曲线调整区间竖曲线调整正常情况下采取分段粘贴低压石棉橡胶板的形式人为形成竖向楔形量。
石棉橡胶板粘贴图1)竖曲线段各衬砌环背千斤顶环面如图所示,分段粘贴低压石棉橡胶板,在推进过程中,使其经千斤顶压缩后成一平整楔形环面,当R=3000M时,最大楔形量为3.5mm;当R=5000时,最大楔形量为2.9mm。
2)粘贴方法:将需粘贴低压石棉橡胶板环面上的浮灰清除,采用氯丁胶粘剂涂于混凝土表面及低压石棉橡胶板上,等到不粘手时再粘贴。
3)管片纠偏段应在相应的EPDM密封垫表面加贴与石棉橡胶板同厚度的遇水膨胀橡胶条,橡胶条的宽度36mm,长度与相应位置的石棉橡胶板相同。
4、验收标准注:本表一式三份,由项目技术负责人签发,后附交底过程照片。
附件三错缝管片拼装技术概述及常见问题一、概述1. 管片采用错缝拼装,因错缝后能加强圆环接缝刚度,约束接缝变形。
从受力角度考虑,最好将管片接缝设置在内力较小的45°或135°处,使管片环具有较好的刚度和强度。
2. 提高管片的制作精度和采用高弹性密封垫,是管片接缝防水的有效措施。
高精度的管片可以减小接缝间隙,使管片在没有衬垫的情况下接触面不致产生过大的局部接触应力。
我国有关单位生产的管片精度是:宽度为±1.O mm,弧弦长(张角值)为1.Omm,厚度为±3.Omm。
高弹性密封垫设置在管片接缝中,既能靠压密防水,又能靠弹性复原力适应地道沉降和变形产生接缝的防水。
因此要求高弹性密封垫能在通道的设计水压下不漏水,并能承受千斤顶顶力、螺栓扭力、压浆压力,在地层土压力和自重等荷载作用下,具有较高的弹性复原力、良好的耐久性和稳定性。
二、管片进场防水加工常见问题(一)地面管片进场及堆放:1.管片进入现场应有出厂合格证,并且龄期达到28天。
2.进入现场的管片外观质量完好,不得出现裂缝、起皮和缺边掉角现象,对损坏至粘贴止水带凹槽的管片应退回生产单位。
3.管片内弧面应有明确的标记,包括管片部位、管片型号、管片种类等。
4.特殊环管片应单独堆放,并有明显标记。
5.现场管片应堆放在砼地坪,内弧面向上叠放,管片间应有两条垫木,上下对齐,不得倾斜,堆放限量为3块,堆放场地内应设置人员安全通道。
(二)管片防水制作监理措施1.用于防水制作的管片,必须是达到设计要求的合格品。
2.管片止水槽在涂刷胶凝剂前,应清理干净。
3.弹性密封垫按0.5%进行抽检。
4.弹性密封垫的防霉、折出物、老化等指标单条隧道抽查2次。
5.弹性密封垫四角应和管片四角对齐,密封垫应粘结牢固。
6.密封垫四角应采取包角措施,包角粘子尺寸应符合设计要求,位置正确。
7.传力衬垫按设计要求予以粘贴。
8.现场应设置防雨设施,有防潮措施。
9.采用氯丁橡胶弹性密封垫,冬季施工时,施工现场应为框型弹性密封设置烘房。
管片拼装安全技术交底注:本交底一式三份,班组、交底人、资料保管员各一份.附件:工程施工现场应急预案及安全保证措施一、编制原则1、以人为本,安全第一原则。
把保障人民群众生命财产安全,最大限度地预防和减少突发事件所造成的损失作为首要任务。
2、统一领导,分级负责原则。
在本项目部领导统一组织下,发挥各职能部门作用,逐级落实安全生产责任,建立完善的突发事件应急管理机制。
3、依靠科学,依法规范原则。
科学技术是第一生产力,利用现代科学技术,发挥专业技术人员作用,依照行业安全生产法规,规范应急救援工作。
4、预防为主,防止结合原则。
认真贯彻安全第一,预防为主,综合治理的基本方针,坚持突发事件应急与预防工作相结合,重点做好预防、预测、预警、预报和常态下风险评估、应急准备、应急队伍建设、应急演练等项工作。
确保应急预案的科学性、权威性、规范性和可操作性。
二、编制目的1、应急预案应针对那些可能造成企业、系统人员死亡或严重伤害、设备和环境受到严重破坏的突发性灾害,如触电事故、泥石流灾害、火灾、环境破坏等。
2、应急预案是对日常安全管理工作的必要补充,应急预案应以完善的预防措施为基础,体现“安全第一、预防为主”的方针。
3、应急预案应以努力保护人身安全、防止人员伤害为第一目的,同时兼顾设备和环境的防护,尽量减少灾害的损失程度。
4、应急预案应结合实际,措施明确具体,具有很强的可操作性。
5、应急预案应经常检查修订,以保证先进科学的防灾、减灾设备和措施被采用。
三、应急组织机构及职责1、应急组织机构为加强安全领导,进行系统化、网络化管理,项目部成立应急预案管理领导小组,项目经理任组长,项目总工程师、常务副经理、安全总监、项目副经理为副组长,各职能部门负责人、安全环保部安全员、各施工队专职安全员、施工队队长为组员,负责日常的安全管理工作。
2、应急领导小组职责负责重、特大事故的现场应急抢险救援指挥,对施工现场突发性情况进行技术、资金和设备支持,在施工现场发生重特大事故时以最快的时间达到现场,分析紧急状态和确定风险事故级别,负责分部和有关地方管理部门、组织、机构联络和报告事故情况,制定抢险救援的方案措施,领导现场应急抢险救援工作,确定紧急状态的解除,协助事故原因的调查和处理工作。
一、交底目的为确保管片成型作业过程中的安全,提高作业人员的安全意识,减少安全事故的发生,特制定本安全技术交底。
二、交底对象所有参与管片成型作业的施工人员、管理人员。
三、交底内容1. 作业前的准备工作(1)熟悉管片成型工艺流程,了解作业环境。
(2)检查机械设备、工具及安全防护用品,确保其完好。
(3)对作业人员进行安全教育,提高安全意识。
2. 作业过程中的安全注意事项(1)进入施工现场必须佩戴安全帽、安全带、防尘口罩等防护用品。
(2)作业人员应穿防滑鞋,防止滑倒。
(3)操作机械设备前,应先检查设备是否正常,确认无误后方可启动。
(4)操作人员应严格遵守操作规程,不得违规操作。
(5)严禁酒后作业、疲劳作业。
3. 作业现场安全措施(1)作业区域设置明显的安全警示标志,并设立安全通道。
(2)施工现场应保持整洁,防止杂物堆积。
(3)高处作业时,必须使用安全带,并系好保险钩。
(4)上下立体交叉作业时,应设置隔离设施,防止物体坠落。
(5)施工现场严禁吸烟、动火,防止火灾事故发生。
4. 管片成型作业具体安全措施(1)管片模具组装前,应检查模具是否完好,连接件是否牢固。
(2)管片模具组装时,严禁站在模具下方作业。
(3)管片成型过程中,严禁操作人员进入模具内部。
(4)管片脱模时,应确保模具稳定,防止发生意外。
(5)管片堆放时,应遵循“先出后进、上轻下重”的原则,防止倾倒。
(6)管片运输过程中,应确保车辆安全行驶,防止发生交通事故。
5. 应急措施(1)发生事故时,立即停止作业,迅速报警。
(2)对受伤人员进行急救,并送往医院救治。
(3)保护现场,等待相关部门处理。
四、交底要求1. 作业人员应认真听取安全技术交底,确保掌握安全操作规程。
2. 作业人员应严格遵守安全操作规程,不得违规操作。
3. 作业人员应积极参加安全教育培训,提高安全意识。
4. 施工单位应定期对作业人员进行安全检查,确保安全生产。
五、交底时间本次安全技术交底时间为[日期],请各作业人员务必按时参加。