封装及管脚定义(精)
- 格式:doc
- 大小:2.87 MB
- 文档页数:24
宁海诚芯电子科技有限公司 CX5252(文件编号:S&CIC0804) 太阳能LED驱动器
第 1 页 共 3 页 一、 概述 CX5252 是一款专为太阳能LED 照明装置设计的专用集成电路。它由开关型驱动电路、光开关电路、内部集成肖特基二极管等电路组成。仅需一个外接电感即可组成太阳能照明装置。CX5252 也可用于其它小功率的可充电LED 照明装置,如可充电手电筒、应急灯等。
二、 特点 工作电压:0.85V~1.80V; 输出电流:6mA~300mA; 内部集成光控开关; 外接元件仅需一个电感; 高效率; 内部集成太阳能充电电路,节省充电用肖特基二极管; 低使能控制电压; TO-94封装; 具有欠压保护功能。
三、 极限参数
电气参数 符号 数值 单位 IC各端极限电压 VMAX 8 V LX端极限电流 IMAX 0.8 A 工作温度 TOPR -40 ~ +125 ℃ 存贮温度 TSTG -65 ~ +150 ℃ ESD电压(人体模型) VESD 2000 V
四、 LED功率的设定 LED消耗的功率由电感L设定为:
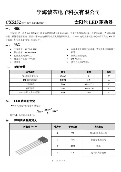
其中VIN为充电电池电压。 五、 封装图及管脚定义
封装图 TO-94 管脚号 管脚名称 功能描述 1 TG 接太阳能电池正端
2 VDD 接充电电池正端
3 GND 接地
4 LX 功率开关管漏极 宁海诚芯电子科技有限公司 CX5252(文件编号:S&CIC0804) 太阳能LED驱动器
第 2 页 共 3 页 六、 电路原理图 (1)驱动白灯线路:
23
32
控制电路与驱动电路
LVDDLX-++-TG
VSS白灯
测试参数 Vin=1.3V 白灯 47uH 100uH 120uH 150uH Iin(mA) 77 35 19 9 Iout(mA) 16 10 6 3 η(%) 48 73 73 77 Vin=1.5V 白灯 47uH 100uH 120uH 150uH Iin(mA) 86 45 33 10 Iout(mA) 19.5 15 11.8 4 η(%) 45 67 72 80 宁海诚芯电子科技有限公司 CX5252(文件编号:S&CIC0804) 太阳能LED驱动器
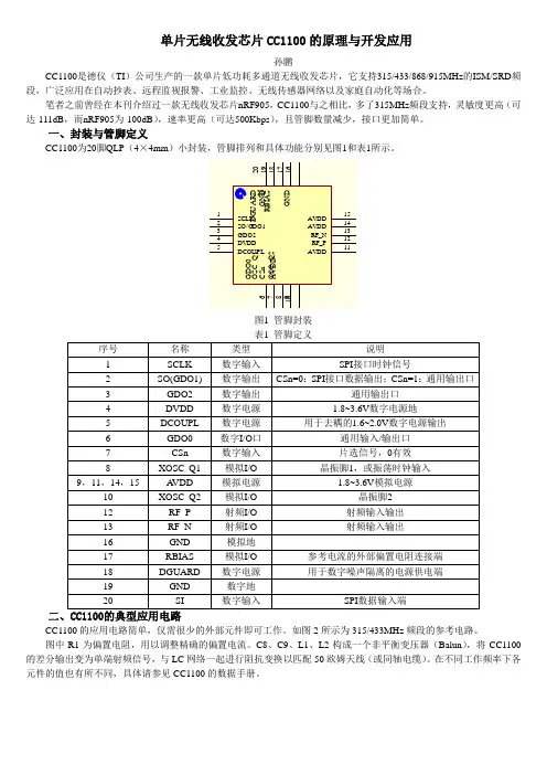
2.1 器件一览表二:器件功能和配置(STM32F103xx增强型)图一.STM32F103xx增强型模块框图工作温度=-40至+105°C (结温达125°C) AF: I/O口上的其他功能3管脚定义图二.STM32F103xx增强型VFQFPN36管脚图四.STM32F103xx增强型LQFP64管脚表三. 管脚定义表三.管脚定义(续)注:1. I :输入, O:输出, S:电源, HiZ:高阻2. FT:兼容5V3. 其中部分功能仅在部分型号芯片中支持,具体信息请参考表2。
4. PC13,PC14和PC15引脚通过电源开关进行供电,因此这三个引脚作为输出引脚时有以下限制:9作为输出脚时只能工作在2MHz模式下9最大驱动负载为30pF9同一时间,三个引脚中只有一个引脚能作为输出引脚。
5. 仅在内嵌大等于64K Flash的型号中支持此类功能。
6. VFQFPN36封装的2号,3号引脚和LQFP48,LQFP64封装的5号,6号引脚在芯片复位后默认配置为OSC_IN和OSC_OUT功能脚。
软件可以重新设置这两个引脚为PD0和PD1功能脚。
但对于LQFP100封装,由于PD0和PD1为固有的功能脚,因此没有必要再由软件进行设置。
更多详细信息请参考STM32F10xxx参考手册的复用功能I/O章节和调试设置章节。
PD0和PD1作为输出引脚只能工作在50MHz模式下。
7. 此类复用功能能够由软件配置到其他引脚上,详细信息请参考STM32F10xxx参考手册的复用功能I/O章节和调试设置章节。
4存储器映像图七存储器图5电气特性请参考英文版数据手册6封装参数请参考英文版数据手册7订货代码表四. 订货代码型号闪存存储器K字节SRAM存储器K字节封装STM32F103C6T6 32 10STM32F103C8T6 64 20STM32F103CBT6 128 20LQFP48STM32F103R6T6 32 10STM32F103R8T6 64 20STM32F103RBT6 128 20LQFP64STM32F103V8T6 64 20STM32F103VBT6 128 20LQFP100STM32F103V8H6 64 20STM32F103VBH6 128 20LFBGA100STM32F103T6U6 32 6STM32F103T8U6 64 10VFQFPN367.1 后续的产品系列后续的STM32F103xx增强型系列产品将会有更广泛的型号选择,芯片将会有更大的封装尺寸并内嵌多达512KB的Flash和48KB的SRAM。
CC1100的应用电路简单,仅需很少的外部元件即可工作。
如图2所示为315/433MHz频段的参考电路。
图中R1为偏置电阻,用以调整精确的偏置电流。
C8、C9、L1、L2构成一个非平衡变压器(Balun),将CC1100的差分输出变为单端射频信号,与LC网络一起进行阻抗变换以匹配50欧姆天线(或同轴电缆)。
在不同工作频率下各元件的值也有所不同,具体请参见CC1100的数据手册。
2、通用输出管脚CC1100具有3个通用数字输出管脚:GDO0、GDO1和GDO2,它们可以通过SPI接口被MCU配置成不同的功能,配置寄存器IOCFG【0,1,2】分别对应三个管脚的功能配置。
GDO1同时也是SPI接口的SO口,因此,只有在CSn=1时,所配置的输出功能才有效。
GDO1默认的配置为三态输出,在CSn为高时此管脚保持为高阻态,这样在总线连接多个器件时不会影响总线工作;GDO0默认配置为晶振频率的192分频输出(126KHz~146KHz)。
由于一上电复位Xosc就开始工作,因此此时钟输出可以用于给系统中其它器件提供振荡信号。
另外,CC1100片上集成有1个模拟温度传感器,当向IOCFG0.GDO0_CFG写入0x80时使能传感器,此时,GDO0脚的电压与温度成比例关系。
而GDO2的默认设置为CHIP_RDYn信号输出。
通过对IOCFG【0,1,2】寄存器的编程不仅可以改变GDO口线的功能,还可以改变其输出高低电平状态,寄存器构成如表3所示:表3 IOCFGx寄存器结构标志、三态输出、晶振频率分频输出等等,详见数据手册。
GDOx的配置在与MCU接口中非常重要,MCU可通过检测它们的输出来判断CC1100所处的状态。
四、CC1100的寄存器CC1100的内部寄存器包括五种:配置寄存器、命令滤波寄存器、状态寄存器、收/发FIFO以及功率配置表PATABLE。
1、配置寄存器:CC1100共有47个配置寄存器,如表4所示,包括GDO【0~2】配置、收发缓冲区门限、工作频率、调制模式等。
PCB元件封装知识器件封装,就是指把硅片上的电路管脚,用导线接引到外部接头处,以便与其它器件连接。
封装形式是指安装半导体集成电路芯片用的外壳。
它不仅起着安装、固定、密封、保护芯片及增强电热性能等方面的作用,而且还通过芯片上的接点用导线连接到封装外壳的引脚上,这些引脚又通过印刷电路板上的导线与其他器件相连接,从而实现内部芯片与外部电路的连接。
因为芯片必须与外界隔离,以防止空气中的杂质对芯片电路的腐蚀而造成电气性能下降。
另一方面,封装后的芯片也更便于安装和运输。
由于封装技术的好坏还直接影响到芯片自身性能的发挥和与之连接的PCB(印制电路板)的设计和制造,因此它是至关重要的。
衡量一个芯片封装技术先进与否的重要指标是芯片面积与封装面积之比,这个比值越接近1越好。
封装时主要考虑的因素:1、芯片面积与封装面积之比为提高封装效率,尽量接近1:1;2、引脚要尽量短以减少延迟,引脚间的距离尽量远,以保证互不干扰,提高性能;3、基于散热的要求,封装越薄越好。
封装主要分为DIP双列直插和SMD贴片封装两种。
从结构方面,封装经历了最早期的晶体管TO(如TO-89、TO92)封装发展到了双列直插封装,随后由PHILIP公司开发出了SOP小外型封装,以后逐渐派生出SOJ(J型引脚小外形封装)、TSOP(薄小外形封装)、VSOP(甚小外形封装)、 SSOP(缩小型SOP)、TSSOP(薄的缩小型SOP)及SOT(小外形晶体管)、SOIC(小外形集成电路)等。
从材料介质方面,包括金属、陶瓷、塑料、塑料,目前很多高强度工作条件需求的电路如军工和宇航级别仍有大量的金属封装。
封装大致经过了如下发展进程:结构方面:TO->DIP->PLCC->QFP->BGA ->CSP;材料方面:金属、陶瓷->陶瓷、塑料->塑料;引脚形状:长引线直插->短引线或无引线贴装->球状凸点;装配方式:通孔插装->表面组装->直接安装具体的封装形式1、 SOP/SOIC封装SOP是英文Small Outline Package的缩写,即小外形封装。
零件封装是指实际零件焊接到电路板时所指示的外观和焊点的位置。
是纯粹的空间概念.因此不同的元件可共用同一零件封装,同种元件也可有不同的零件封装。
像电阻,有传统的针插式,这种元件体积较大,电路板必须钻孔才能安置元件,完成钻孔后,插入元件,再过锡炉或喷锡(也可手焊),成本较高,较新的设计都是采用体积小的表面贴片式元件(SMD)这种元件不必钻孔,用钢膜将半熔状锡膏倒入电路板,再把SMD元件放上,即可焊接在电路板上了。
电阻AXIAL无极性电容RAD电解电容RB-电位器VR二极管DIODE三极管TO电源稳压块78和79系列TO-126H和TO-126V场效应管和三极管一样整流桥D-44 D-37 D-46单排多针插座CON SIP双列直插元件DIP晶振XT AL1电阻:RES1,RES2,RES3,RES4;封装属性为axial系列无极性电容:cap;封装属性为RAD-0.1到rad-0.4电解电容:electroi;封装属性为rb.2/.4到rb.5/1.0电位器:pot1,pot2;封装属性为vr-1到vr-5二极管:封装属性为diode-0.4(小功率)diode-0.7(大功率)三极管:常见的封装属性为to-18(普通三极管)to-22(大功率三极管)to-3(大功率达林顿管)电源稳压块有78和79系列;78系列如7805,7812,7820等79系列有7905,7912,7920等常见的封装属性有to126h和to126v整流桥:BRIDGE1,BRIDGE2: 封装属性为D系列(D-44,D-37,D-46)电阻:AXIAL0.3-AXIAL0.7其中0.4-0.7指电阻的长度,一般用AXIAL0.4瓷片电容:RAD0.1-RAD0.3。
其中0.1-0.3指电容大小,一般用RAD0.1电解电容:RB.1/.2-RB.4/.8 其中.1/.2-.4/.8指电容大小。
一般<100uF用RB.1/.2,100uF-470uF用RB.2/.4,>470uF用RB.3/.6二极管:DIODE0.4-DIODE0.7 其中0.4-0.7指二极管长短,一般用DIODE0.4发光二极管:RB.1/.2集成块:DIP8-DIP40, 其中8-40指有多少脚,8脚的就是DIP8贴片电阻0603表示的是封装尺寸与具体阻值没有关系但封装尺寸与功率有关通常来说0201 1/20W0402 1/16W0603 1/10W0805 1/8W1206 1/4W电容电阻外形尺寸与封装的对应关系是:0402=1.0x0.50603=1.6x0.80805=2.0x1.21206=3.2x1.61210=3.2x2.51812=4.5x3.22225=5.6x6.5关于零件封装我们在前面说过,除了DEVICE。
bga封装管脚过电流
BGA(Ball Grid Array)封装管脚过电流是指在BGA封装器
件中,管脚所能承受的电流超过了设计规格,导致管脚出现故障或损坏的情况。
BGA封装是一种在PCB(Printed Circuit Board)上焊接的技术,其特点是有大量的焊球(bumps)分布在器件底部,与PCB上的焊盘(pads)相连接。
这种封装方式具有较高的密度和较好的热性能,但也对电流的承载能力有一定要求。
当电流在BGA封装器件中通过管脚时,管脚与焊球之间会出
现一定的接触电阻和导热阻抗。
如果电流过大,管脚所承受的电压降和温升就会超过设计规格,导致管脚的金属连接或焊点可能会烧毁、熔化或断裂。
为了解决BGA封装管脚过电流的问题,可以采取以下措施:1. 根据设备的设计规格,合理选择BGA封装器件的电流承受
能力。
2. 在PCB设计中,合理布局BGA器件,避免相邻器件之间的电流干扰。
3. 使用合适的散热设计,确保BGA器件能够及时散热,降低
温升。
4. 增加BGA器件与PCB之间的接触面积,提高电流承载能力。
5. 定期检查BGA器件的管脚连接和焊点状况,及时修复或更
换损坏的部件。
总之,在设计和使用BGA封装器件时,应注意管脚的电流承
载能力,合理布局和散热设计,以确保其正常工作,避免管脚过电流带来的问题。
ESP32-S3-WROOM-1ESP32-S3-WROOM-1U技术规格书2.4GHz Wi-Fi(802.11b/g/n)+Bluetooth®5(LE)模组内置ESP32-S3系列芯片,Xtensa®双核32位LX7处理器Flash最大可选16MB,PSRAM最大可选8MB36个GPIO,丰富的外设板载PCB天线或外部天线连接器ESP32-S3-WROOM-1ESP32-S3-WROOM-1U版本1.2乐鑫信息科技版权©20231模组概述1.1特性CPU 和片上存储器•内置ESP32-S3系列芯片,Xtensa ®双核32位LX7微处理器(支持单精度浮点运算单元),支持高达240MHz 的时钟频率•384KB ROM •512KB SRAM •16KB RTC SRAM •最大8MB PSRAM Wi-Fi•802.11b/g/n•802.11n 模式下数据速率高达150Mbps •帧聚合(TX/RX A-MPDU,TX/RX A-MSDU)•0.4µs 保护间隔•工作信道中心频率范围:2412~2484MHz蓝牙•低功耗蓝牙(Bluetooth LE):Bluetooth 5、Bluetooth mesh•速率支持125Kbps 、500Kbps 、1Mbps 、2Mbps •广播扩展(Advertising Extensions)•多广播(Multiple Advertisement Sets)•信道选择(Channel Selection Algorithm #2)•Wi-Fi 与蓝牙共存,共用同一个天线外设•GPIO 、SPI 、LCD 、Camera 接口、UART 、I2C 、I2S 、红外遥控、脉冲计数器、LED PWM 、USB 1.1OTG 、USB Serial/JTAG 控制器、MCPWM 、SDIO 主机接口、GDMA 、TWAI ®控制器(兼容ISO 11898-1)、ADC 、触摸传感器、温度传感器、定时器和看门狗模组集成元件•40MHz 集成晶振•最大16MB Quad SPI flash 天线选型•板载PCB 天线(ESP32-S3-WROOM-1)•通过连接器连接外部天线(ESP32-S3-WROOM-1U)工作条件•工作电压/供电电压:3.0~3.6V •工作环境温度:–65°C 版模组:–40~65°C –85°C 版模组:–40~85°C –105°C 版模组:–40~105°C认证•RF 认证:见证书•环保认证:RoHS/REACH 测试•HTOL/HTSL/uHAST/TCT/ESD1.2描述ESP32-S3-WROOM-1和ESP32-S3-WROOM-1U是两款通用型Wi-Fi+低功耗蓝牙MCU模组,搭载ESP32-S3系列芯片。
AIP1620LED 驱动控制专用电路产品说明书1、概述AIP1620 是LED 驱动控制专用电路,内部集成有MCU 数字接口、数据锁存器等电路。
本产品主要应用于VCR、VCD、DVD 及家庭影院等产品的显示屏驱动。
其主要特点如下:采用功率CMOS 工艺显示模式(8 段×6 位~10 段×4 位)辉度调节电路(占空比8 级可调)串行接口(CLK,STB,DIO)内置RC 振荡(450KHz±5%)内置上电复位电路封装形式:SOP202、引脚排列图及引脚说明2.1、引脚排列图2.2、引脚说明引脚引脚名称符号说明1 逻辑电源VDD 电源电压2 输出(段)SEG1 段输出,P 管开漏输出。
3 输出(段)SEG2 段输出,P 管开漏输出。
4 输出(段)SEG3 段输出,P 管开漏输出。
5 输出(段)SEG4 段输出,P 管开漏输出。
6 输出(段)SEG5 段输出,P 管开漏输出。
7 输出(段)SEG6 段输出,P 管开漏输出。
第 2 页共11 页8 输出(段)SEG7 段输出,P 管开漏输出。
9 输出(段)SEG8 段输出,P 管开漏输出。
10 输出(段/位)SEG13/GRID6 段/位复用输出11 输出(段/位)SEG14/GRID5 段/位复用输出12 逻辑地GND 接系统地13 输出(位)GRID4 位输出,N 管开漏输出。
14 输出(位)GRID3 位输出,N 管开漏输出。
15 逻辑地GND 接系统地16 输出(位)GRID2 位输出,N 管开漏输出。
17 输出(位)GRID1 位输出,N 管开漏输出。
在时钟下升沿输入/输出串行数据,从低位开始。
18 数据输入/输出DIO输出为N-ch open drain,且内部集成上拉电阻20K 左右。
19 时钟输入CLK 在上升沿读取串行数据,下降沿输出数据。
在上升或下降沿初始化串行接口,随后等待接收指20 片选STB 令。
1. 标准电阻:RES1、RES2;封装:AXIAL-0.3到AXIAL-1.0两端口可变电阻:RES3、RES4;封装:AXIAL-0.3到AXIAL-1.0三端口可变电阻:RESISTOR TAPPED,POT1,POT2;封装:VR1-VR52.电容:CAP(无极性电容)、ELECTRO1或ELECTRO2(极性电容)、可变电容CAPVAR 封装:无极性电容为RAD-0.1到RAD-0.4,有极性电容为RB.2/.4到RB.5/1.0.3.二极管:DIODE(普通二极管)、DIODE SCHOTTKY(肖特基二极管)、DUIDE TUNNEL (隧道二极管)DIODE VARCTOR(变容二极管)ZENER1~3(稳压二极管)封装:DIODE0.4和DIODE 0.7;(上面已经说了,注意做PCB时别忘了将封装DIODE的端口改为A、K)4.三极管:NPN,NPN1和PNP,PNP1;引脚封装:TO18、TO92A(普通三极管)TO220H (大功率三极管)TO3(大功率达林顿管)以上的封装为三角形结构。
T0-226为直线形,我们常用的9013、9014管脚排列是直线型的,所以一般三极管都采用TO-126啦!5、效应管:JFETN(N沟道结型场效应管),JFETP(P沟道结型场效应管)MOSFETN(N 沟道增强型管)MOSFETP(P沟道增强型管)引脚封装形式与三极管同。
6、电感:INDUCTOR、INDUCTOR1、INDUCTOR2(普通电感),INDUCTOR VAR、INDUCTOR3、INDUCTOR4(可变电感)8.整流桥原理图中常用的名称为BRIDGE1和BRIDGE2,引脚封装形式为D系列,如D-44,D-37,D-46等。
9.单排多针插座原理图中常用的名称为CON系列,从CON1到CON60,引脚封装形式为SIP系列,从SIP-2到SIP-20。
10.双列直插元件原理图中常用的名称为根据功能的不同而不同,引脚封装形式DIP系列,不如40管脚的单片机封装为DIP40。
1、实物及引脚简介
在做开发的时候经常会用到串行接口,一般9针的串行接口居多。
如下图所示:
公头母头用于连接线的采用上图封装。
但用于开发板的时候采用90度弯角插针的封装。
如下图:
各引脚的定义为:
2、公头母头与MAX232的连接
当公头母头与MAX232进行连接的时候,我们会发现按照上图所说的9个引脚的定义,好像除了外观,公头和母头并没有什么区别,因为每个管脚的定义都是一样的。
这样想是不对的!仔细看第一张图会发现,在公头和母头进行连接时,公头的2脚接了母头的2脚,公头的3脚接了母头的3脚。
如果按引脚定义就会变成接收端连接接收端,发送端连接发送端了。
所以,对于公头可以采用引脚定义,对于母头可以理解为是她要接收的引脚定义。
例如母头2脚理解为她要连接公头的接收数据端。
下面是MAX232的内部结构图:
如果采用公头,连接方法是:MAX232(14,7)连接公头(3),MAX232(13,8)连接公头(2)。
如果采用母头,连接方法是:MAX232(14,7)连接母头(2),MAX232(13,,8)连接公
头(3)。
我们用的连接线一般是两端都是母头的连接线,两端都是公头的连接线,一端是公头一端是母头的线。
用万用表测试会发现,两端都是公头或母头的线,在线的内部把2,3引脚的连线颠倒了,即一端的2脚连接了另一端的3脚,3脚连接了另一端的2脚。
而一端是公头一端是母头的线,一端的2脚连接另一端的2脚,3脚连接另一端的3脚。
3、串口的封装尺寸。
数据手册DATASHEET8022WS单键单输出LED调光触摸芯片(Rev:1.3)一、概述8022WS触摸感应IC是为实现人体触摸界面而设计的集成电路。
可替代机械式轻触按键,实现防水防尘、密封隔离、坚固美观的操作界面。
使用该芯片可以实现LED 灯光的触摸开关控制和亮度调节。
方案所需的外围电路简单,操作方便。
确定好灵敏度选择电容,IC就可以自动克服由于环境温度、湿度、表面杂物等造成的各种干扰,避免由于电阻、电容误差造成的按键差异。
二、特性1、工作电压范围:2.2~5.5V。
2、待机功耗低:V DD=5V,待机电流14uA;V DD=3V,待机电流7uA。
3、工作温度:-25℃~85℃。
4、HBM ESD:±4KV以上。
5、按键响应时间:小于100ms。
6、灯光亮度可根据需要随意调节,选择范围宽,操作简单方便。
7、控制信号输出频率达32KHz,无频闪现象。
8、封装类型:SOP8。
9、内置稳压源、上电复位、低压复位、环境自适应算法等多种措施,可靠性高。
10、抗电源干扰及手机干扰特性好,近距离、多角度手机干扰情况下触摸响应灵敏度及可靠性不受影响。
11、高灵敏度(用户可自行调节)。
12、高防水性能。
13、应用电路简单,外围器件少,成本低。
14、按键感应盘大小:大于3mm*3mm,根据不同面板材质跟厚度而定,可以直接用大面积金属片。
15、按键感应盘间距:大于2mm。
16、按键感应盘形状:任意形状(必须保证与面板的接触面积)。
17、按键感应盘材料:PCB铜箔,金属片,平顶圆柱弹簧,导电橡胶,导电油墨,导电玻璃的ITO层等。
18、面板厚度:0~12mm,根据不同的面板材质有所不同。
19、面板材质:绝缘材料,如有机玻璃,普通玻璃,钢化玻璃,塑胶,木材,纸张,陶瓷,石材等。
20、芯片内置防水工作模式。
在防水模式下,无论面板上有溅水、漫水甚至完全被水淹没,按键都可以正确快速的响应。
不同于目前一般感应按键在面板溅水、漫水时容易误动作,积水后反应迟钝或误响应的情况。
SOT363npn的管脚排序
NPN三极管具有三个引脚,定义分别为基极b、集电极c、发射极e,在设计电路和设计封装时,这三个引脚的顺序必须和封装对应一致,否则电路无法正常工作,三极管常用的封装有:直插TO-92,贴片SOT-23、SOT323、SOT89等。
SOT23封装三极管引脚排列
SOT23封装是信号、小功率三极管常用的封装形式,体积小、占空空间小,使用比较广泛。
以BC817NPN三极管为例,三极管的电路符号图和封装图如下图所示。
将芯片按照图中的摆放方式,左下为第一引脚、上边为第三引脚,逆时针序号增大,分别为b、e、c。
SOT89封装三极管引脚排列
SOT89的封装稍大,中功率三极管适用于这个封装,过电流能力稍大。
NPN三极管的电路符号和封装图如下图所示。
上图以BCX56NPN三极管为例,可以看出该三极管引脚分布与SOT23的引脚分布是不同的,封装的第二引脚和大焊盘连接在一起,从左到右依次为b、c、e。
TO-92封装三极管引脚排列
信号三极管、小功率三极管这种直插封装比较多,下图是9013NPN三极管的电路符号和封装。
将字面面向自己,从左到右依次是e、b、c。
在使用三极管时,为了防止将引脚顺序搞错,一定要对照具体型号的数据手册去查看对照,不要直接用不熟悉库中的元器件。
Seal(海豹)SA5Z-30 FPGA产品手册西安智多晶微电子有限公司XIAN Intelligent Silicon Technology 西安市高新区科技二路72号西安软件园西岳阁102室邮编710075SA5Z -30 FPGA 手册西安智多晶微电子有限公司Xi ’an Intelligence Silicon Technology Co.,Ltd.文档修订历史日期 版本 修订内容 2021.01 1.0 首次发布。
2021.05 1.1 修改DSP 个数, 加SA5Z-30-D2和SA5Z-30-D0器件 2012.07 1.2 修正U213和U324封装管脚定义 2021.081.31. 修正1.1章节2. 修正表1.12021.091.41. 节1.1,增加上电顺序与Vccaux 所需电压2. 收改表2-2中的注7目录1器件概述 (1)1.1特性 (2)1.2器件资源 (3)1.3器件结构概述 (4)1.4合封DDR2SDRAM (4)1.5封装特性 (6)2管脚与封装 (7)2.1管脚定义 (7)2.2器件编号说明 (8)2.3SA5Z-30-D1(2)-U BGA213管脚列表 (9)2.4SA5Z-30-D0-U BGA324管脚列表 (13)2.5213-PIN U BGA封装尺寸 (18)2.6324-PIN U BGA封装尺寸 (19)3SA5Z-30交直流特性 (20)1器件概述西安智多晶微电子有限公司的Seal(海豹)5000 SA5Z-30系列FPGA器件(下称“本系列FPGA”),建立在一个优化的低功耗,高性能28nm工艺基础之上。
通过最低的成本,融合新架构,多个崭新与优化功能的嵌入式模块来实现高速FPGA,使系统设计师在降低成本的同时又能够满足不断增长的高性能应用要求。
对无线和有线通信、工业控制,图像处理,人工智慧,数据处理中心及云信息等行业中的低功耗,高性能的大小型应用,本系列FPGA 无疑是最理想的选择。
一、 概述TM1802是单通道LED(发光二极管)驱动控制专用电路,内部集成有LED高压驱动等电路。
通过外围电感和二极管的连接实现该芯片的二极管并联控制,实现户外发光二极管照明控制。
本产品性能优良,质量可靠。
采用SOT-23或TO-92的封装形式。
二、 特性说明z采用高压功率CMOS工艺z输入电源可采用一节或者两节1.2V或者1.5V干电池z外围器件仅需一个电感z LED驱动电流范围30-400mA可调z电源转换效率为80%z封装形式:SOT23 TO-92三、 原理框图:TM1802原理框图四、管脚定义:五、管脚功能定义:符号 SOT23 TO92 管脚名称 说明OUT 2 3 LED驱动输出 发光LED的控制输出VDD 1 1 逻辑电源 0—5±10% VGND 3 2 逻辑地 接系统地六、 电气参数:极限参数(Ta = 25℃, Vss = 0 V)参数 符号 范围 单位逻辑电源电压 VDD -0.5 ~+5.0(根据电感值而定,具体参看应用说明)V 输出端口耐压 VOUT 10 V LED驱动输出电流IO1 30~400可调mA 功率损耗 PD 200 mW 工作温度 Topt -40 ~ +80 ℃ 储存温度Tstg-65 ~+150℃正常工作范围(Ta = -20 ~ +70℃,Vss = 0 V)参数 符号 最小 典型 最大 单位 测试条件 逻辑电源电压VDD1.23.05.0V-七、应用电路:电感20uH~560uH八、应用说明:1、改变电感系数调节LED电流大小,具体如下(供参考)电感系数与输入电压,电流的关系图:注意事项:从图中可以看出,当 22uH<电感<33 uH时,电压<=3.0V当 47uH<电感<220 uH时,电压<=3.5V当 330uH<电感时,电压<=5.0V当电压一定时,电感值越小,电流越大,所以使用时要根据具体情况而定,以免电流过大损坏芯片。
管脚定义
1. LCM参数:
1.1 屏幕大小:240*RGB*302 dots,262144色(2的(R(6位数+G(6位数+B(6位数)次方)
1.2 控制器:HX8347-A
1.2.1最低供电电压:1.65V ,内置升压器,
1.2.2三种接口模式:
①命令参数接口模式
②寄存器内容接口模式
③RGB 接口模式
1.2.3工作温度:-40~85℃ 1.3显示:
1.3.1正常显示模式
①命令参数接口模式:262144(R(6,G(6,B(6色
②寄存器内容接口模式:a262144(R(6,G(6,B(6,b 65536(R(5,G(6,B(5色 1.3.2空闲显示模式①8(R(1,G(1,B(1色
1.4显示组件
1.4.1 VCOM 控制组件:-2V~5.5V
1.4.2 DC/DC转换
①DDVDH :3.0V~6.0
②VGH :+9.0V~16.5V ③VGL :-6.0V~-13.5V
1.4.3 帧存储区域240(水平)*320(垂直)*18bit
1.5显示/控制接口
1.5.1显示接口模式
①命令参数接口模式
A .8/16bit并行总线接口
B .串行总线接口
C .16/18bit并行RGB 总线
②寄存器内容接口模式
A .8/16/18bit并行接口
B .串行总线接口
C .16/18bit并行RGB 总线
1.5.2控制接口模式
IFSEL0=0:命令参数接口模式 IFSEL0=1:寄存器内容接口模式
1.5.3电压
①逻辑电压(IOVCC ):1.65V~3.3V
②驱动电压(VCI ):2.3V~3.3V
1.5.4颜色模式
A .16Bit :R(5,G(6,B(5
A .18Bit :R(6,G(6,B(6
接口模式选择:
写寄存器:
备注:NWR_RNW第一个低电平期间,把数据(index )写出去NWR_RNW第二个低电平期间,把数据(index )写出去读寄存器:
备注: NWR_RNW低电平期间,把数据(index )写出去
NRD_E低电平期间,把数据(command )读回来
写图片
RAM
读图片RAM
接口电路:
并行接口特征:
GAMMA 寄存器:
WINDOW 寄存器:
显示模式控制寄存器:
Memory 访问控制寄存器:
颜色定义:
绿色:0x07e0 蓝色:0x001f 白色:0x0000 黑色:0xfffff 混色:0x1234 CYCLE 寄存器:
显示控制寄存器:
OSC 控制寄存器:
Power 寄存器:
位 GON DTE D1-0 SAP7-0 AP0-2 PON DK VCOMG 寄存器 R26 R26 R26 R90 R1C R1B R1B R43。