物质的分离与提纯-学案
- 格式:doc
- 大小:73.00 KB
- 文档页数:4
物质的分离和提纯【学习目标】1、复习结晶、过滤分离物质的原理、主要仪器及操作注意点。
2、理解萃取、分液、蒸馏分离物质的实验原理,了解主要仪器。
3、能够根据物质的性质差异选择不同的方法进行分离或提纯【情景设计】通过一定的物理和化学方法,人类从大自然中获得了油、辣油、盐等厨房食品。
【交流讨论一】如何从海水中获取粗盐?【交流讨论二】如何除去粗盐中的泥沙?【知识整理】【交流讨论三】如何从海水中获取淡水?【问题解决】1、根据实验需要设计实验仪器。
2、如何改进实验装置,更好分离酒精和CCl4三种有机混合物。
(沸点:酒精78.3℃,苯76.8℃,CCl480.1℃)【知识整理】1、通常状况下,溴是深红棕色、有剧烈的刺激性气味、密度比水大的液体,易挥发(沸点58.8℃)。
有强烈的腐蚀性。
可用于生产多种药剂,如熏蒸剂、杀虫剂、抗爆剂等。
2、地球上99%以上的溴蕴藏在大海中,海水中溴的总储量高达1×1014t,因此溴被称为海洋元素。
海水中溴含量为65mg/L。
(储量极大,浓度极小)工业上经过一定的工艺可以将海水中的溴元素转变为极稀的溴水。
【交流讨论四】如何从海水中获取溴?极稀Br2水【实验探究】①在一支试管中加入约4mL溴水。
②向其中滴加2mL(酒精或四氯化碳或苯)。
③振荡后静置,观察到的现象是什么?【知识整理】现要分离下列物质,请用直线将分离实例、分离方法和选择分离方法的依据连接起来。
实例分离方法选择的依据除去澄清石灰水中的碳酸钙蒸馏溶解度随温度变化不大用CCl4提取溴水中溴单质过滤在不同溶剂中溶解度的差异分离水与乙醇分液沸点的差异较大分离汽油和水蒸发两溶剂互不相溶获得氯化钾溶液中的氯化钾萃取物质在水中溶解度的不同【调查研究】在课后查阅有关碘单质的信息,设计从海水中获得碘的实验流程。
专题1第2单元物质的分离与提纯学案【学习目标】1、知识与技能:初步学会过滤、结晶、萃取、分液、蒸馏等分离物质的实验技能,能独立完成一些简单的物质分离、提纯的实验操作;初步学会设计简单的实验方案。
2、过程与方法:初步了解根据混合物的性质,选择不同的分离方法对物质进行分离。
3、情感态度与价值观:结合实际事例讨论遵守实验安全守则的重要性。
树立安全意识,初步形成良好的实验工作习惯。
【引入】某化学兴趣小组在实验室中用KClO3在MnO2催化下受热分解制取氧气,为了节约试剂以及防止污染环境,打算分离回收反应后的KCl和MnO2(难溶于水),请你帮助他们设计完成实验方案。
【方案设计】将混合物溶解在适量水中,并充分______,静置,_____,洗涤滤渣,即得到MnO2,将滤液___________,可得到KCl晶体。
【归纳总结】过滤:用于难溶性固体与溶剂的分离操作注意事项:“一贴二低三靠”(请学生上台模拟实验,体现“一贴二低三靠”) 蒸发结晶:用于可溶性固体与溶剂的分离操作注意事项:1、蒸发皿中的液体不能超过其容积的________。
2、蒸发过程中必须________________,防止局部温度过高而使液体飞溅。
3、当出现大量固体时,应_________用余热蒸干。
【交流讨论】将90℃的KNO3浓溶液冷却至室温,会有大量晶体析出,请结合教材P18图1-11解释产生这一现象的原因。
【思考】若是上述溶液的溶质为KCl,仍会有大量晶体析出吗?【问题探讨】现有混有少量氯化钾的硝酸钾粉末,请完善提纯硝酸钾的实验方案。
【方案设计】在________下将混合物溶于水中形成______,然后冷却到一定温度,_______,即可得到纯净的硝酸钾晶体【交流讨论】在该方案中所使用的方法我们称为降温结晶,适用于_________随______变化有明显差异的可溶性固体混合物的分离。
【拓展思考】若上述提纯的KNO3仍含有少量KCl,我们该怎么办?【拓展】给出重结晶概念【分组实验】取一支试管,向其中分别加入3~4ml水和1~2ml四氯化碳(CCl4);另取两支试管,向其中各加入2~3ml溴水,再向其中一支试管中滴加1ml四氯化碳(CCl4),振荡,静置。
【学习目标】 1.学会过滤、结晶、萃取、分液、蒸馏等分离物质的实验方法和原理,初步学会设计简单的实验方案。
2.小组合作探究学会根据混合物的性质,选择不同的分离方法对物质进行分离的实验方法。
3.结合生活实际,体会生活中的化学,激发学学习兴趣。
【重点难点】重点:几种分离方法的原理及实验操作难点:根据混合物的性质选择不同的分离方法一.相关知识1.对于不相溶的固液混合物我们通常选用________的方法对其进行分离。
在分离过程中需要用到烧杯________________________________________等仪器,在操作时我们要严格将_________紧贴_________;且还需使_________低于____________、使_________低于____________;____________紧靠____________、____________紧靠____________、____________紧靠____________。
【即:一贴二低三靠】2.对于______________________________的混合物我们可以采用蒸发的方法对其进行分离提纯。
在进行蒸发操作时需要用到的仪器有_____________________________________________________________。
加热蒸发皿使溶液蒸发时,要用玻璃棒不断____________,防止____________;当蒸发皿中出现较多的固体时,就应该______________(不能加热至干,最后用余热蒸干) ;冷却时用坩埚钳取下蒸发皿放到石棉网上。
3.要分离KNO3和KCl这样的__________________________________混合物,应选用______方法。
4.萃取是指_____________________________________________________________________。
物质的分离和提纯分离和提纯(除杂)的原则:① ____________________________ ; ② ______________________________ ;③ 除杂质时,被分离的物质或离子尽可能除尽,因此需要 . 分离过程中,后加试剂应把前面所加入的无关物质或离子除去。
物质分离的几种情况: (1) 固体与固体混合物:a. 若杂质易分解、升华时,可用 ___________ 法;b. 若一种易溶,另一种难溶,可用 _________________ 法; C.若两者均易溶,但其溶解度受温度影响不同,用 ___________(2) 液体一液体混合物:a. 若互溶且沸点相差较大时,用 ______________b. 若在溶剂中的溶解度不同时,用 ____________ C.若互不相溶时,用 ____________ 法。
(3) 气体与气体混合物:一般可用 _______________ 或 __________________ 。
(4) ____________________________________ 固体与液体混合物:可用 法。
当不具备上述条件时一般可先用适当的化学方法处理, 待符合上述条件时再选用适当的方法。
物质分离和提纯的方法和实验操作: 一、物理分离提纯法1•过滤:[适用范围]:用于 ________仪器 ___________________________ 注意事项:一贴 __________________二低: _______________ ——*二靠:过滤完成后:① 过滤后得到的沉淀一般要洗涤。
洗涤方法:,在多步 法。
法; —法; 法,也可用固体 的分离[适用范围]:用于固体与液体的分离2. 蒸发、结晶与重结晶(1) 蒸发一般是用加热的方法,使溶剂不断挥发,从而使溶质析出的过程。
(2) 结晶是溶质从溶液中析出晶体的过程。
结晶原理是根据混合物中各成分在某种溶剂里的溶解度不同, 通过蒸发溶剂(溶解度 随温度变化不大)或降低温度(溶解度随温度变化较大),从而使晶体析出。
义务教育课程标准人教版化学九年级全册专题《物质的分离与提纯》导学案一、学习目标①回顾和归纳初中化学有关物质分离提纯的知识。
②掌握分离与提纯的一般原则和方法。
重点:掌握过滤、蒸发、结晶、蒸馏方法的原理和使用范围。
难点:综合应用化学或物理方法进行分离提纯的方法。
二、回顾知识1、回顾和归纳初中化学有关物质分离提纯的知识。
2、提出存在的问题或疑惑。
三、课堂探究1、NaCl(Na2CO3),用沉淀法除去括号里面的杂质。
2、NaCl(Na2CO3),用气化法除去括号里面的杂质。
3、ZnSO4(CuSO4),用置换法除去括号里面的杂质。
4、CO2(CO),用还原法除去括号里面的杂质。
四、讨论释疑、总结升华达标自测1、下列化合物可以用溶解、过滤、蒸发操作来分离的是()A.CaCO3 CaOB.KCl MnO2C.KNO3 K2SO4D.BaSO4 CaCO32、氯化钠溶液中混有少量的硫酸钠杂质,除杂质所用的试剂是()A、Ba(OH)2B、BaCl2C、Ba(NO3)2D、BaCO33、下列除杂的实验过程都正确的是(括号内为杂质)()A、MnO2(KCl) 加水溶解、过滤、洗涤、干燥。
B、NaOH(Na2CO3) 加适量稀HCl,干燥。
C、CuSO4(FeSO4) 加适量Cu,过滤、洗涤、蒸发。
D、KCl(K2CO3)加适量Ca(OH)2溶液,过滤、蒸发。
4、下列各组物质中,都含有少量的杂质,分别用什么试剂可以将括号内的杂质去(只要求写所加物质的名称或方法及化学方程式)?(1)CO(C02) 。
(2)NaOH[Ca(OH)2] 。
(3)KN03(KCl) 。
(4)NaCl(Na2C03) 。
(5)FeS04(CuS04) 。
附:达标自测答案1、B。
2、B。
3、A。
4、(1)CO(C02): NaOH 溶液,CO2 +2NaOH=Na2CO3+H2O。
(2)NaOH[Ca(OH)2]:Na2C03溶液,Na2CO3+ Ca(OH)2=CaCO3↓+2NaOH。
江苏省徐州市王杰中学高一化学必修一学案:物质的分离与提纯课时学习目标1.初步了解过滤、结晶、萃取和分液、蒸馏等分离方法的原理。
2.初步了解根据混合物的性质,选择不同的分离方法对物质进行分离。
3.初步学会过滤、结晶、萃取和分液、蒸馏等分离物质的实验技能。
重点难点萃取和分液;蒸馏的分离方法教学资源使用PPT 课件(一)自学质疑借助实验,利用不同方法可对混合物进行分离与提纯。
1.物理方法⑴常用的物理方法:、、、和⑵过滤:分离的一种方法。
如氯化钾和二氧化锰的分离:先加适量的水混合物,然后,得滤渣,将蒸发结晶得到可溶解的组分。
⑶结晶:利用物质在同一溶液中随温度的变化幅度不同,进行分离。
如KNO3、KCl。
在提纯时混有少量氯化钾的硝酸钾时,先在下将混合物中形成,然后到一定温度,由于硝酸钾的随急剧下降,因此有大量,而氯化钾,再,即可得到纯净的硝酸钾晶体。
⑷萃取和分液:①萃取:是利用物质在不同,将物质从一种溶剂中转移到另一种溶剂中,从而实现分离的方法。
②分液:是的方法。
在实验室中,萃取和分液通常在中进行。
分液时,当液体分成后,打开旋塞,将放出,然后关闭旋塞,将上层液体从倒出。
⑸蒸馏:是分离或提纯的实验方法,可以除去的杂质。
①原理:将液态物质加热至,使之,然后将重新冷凝为液体的操作过程。
②注意事项:蒸馏烧瓶中应放少量,防止;温度计的水银球应置于处;蒸馏烧瓶中所放液体不能超地容积的,也不能少于;冷凝管中的冷凝水应。
2.化学方法化学方法是利用物质的不同,将杂质转化成可利用分离状态进分离的方法。
是重要的化学分离方法之一。
例如:除去粗食盐中的MgCl2和泥沙时,先将粗盐溶液于中,向粗盐水加入稍过量的,使氯化镁转化为,方程式为:。
然后,除去泥沙和氢氧化镁沉淀,再向中加入盐酸,最后加热蒸发溶液,获得纯净的氯化钠晶体。
(二)互动探究1.针对自学质疑部分进行交流展示。
2.在分液漏斗中用一种有机溶剂提取水溶液里的某物质时,静置分层后,如果不知道哪一层液体是“水层”,如何设计实验加以判断?3.能否用酒精代替四氯化碳作为萃取剂?为什么?4.今有下列仪器:铁架台、铁圈、三脚架、烧杯、漏斗、石棉网、酒精灯、玻璃棒、量筒、蒸发皿、火柴。
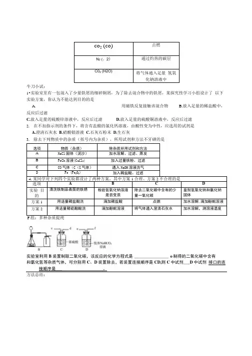
co2 (co)点燃N2(。
2)通过灼热的碳层C02 (H2O)将气体通入足量氢氧化钠溶液中牛刀小试:1•实验室里有一包混入了少量铁屑的细碎铜屑,为了除去混合物中的铁屑,某探究性学习小组设计了以下实验方案,你认为不能达到目的的是A.用磁铁反复接触该混合物B.放入足量的稀盐酸中,反应后过滤C.放入足量的硫酸锌溶液中,反应后过滤D.放入足量的硫酸铜溶液中,反应后过滤2.在不加指示剂的条件下,将含有盐酸的氯化钙溶液,由酸性变为中性,应选用的试剂是A.澄清石灰水B.硝酸银溶液C.石灰石粉末D.生石灰3.除去下列物质中的杂质(括号內为杂质),所用试剂和方法不牙硒的是选项物质(杂质)除杂质所用试剂和方法A NaCl固体(泥沙)加水溶解、过滤、蒸发B FeCh溶液(CuCl2)加入过量铁粉、过滤C CO气体(C(X气体)通入NaOH溶液洗气D Fe (Fe203)加入稀盐酸、过滤4.某同学对下列四个实验都设计了两种方案,其中方案1合理、方案2不合理的是选项A B C D实验目的清洗铁制品表面的铁锈检验氢氧化钠溶液是否变质除去二氧化碳中含有的少量一氧化碳鉴别氢氧化钠和氯化钠固体方案1用适量稀盐酸洗滴加稀盐酸点燃加水溶解,滴加酚猷溶液方案2用适量稀硫酸酸洗滴加酚猷溶液将气体通入澄清石灰水加水溶解,测溶液温度F组:多种杂质提纯实验室利用B装置制取二氧化碳,该反应的化学方程式是________________ o制得的二氧化碳中含有和氯化氢等杂质气体,可分别用C、D装置除去,若装置连接顺序是CD,则C中试剂___D中试剂接口的连接顺序是___ 。
方法总结:反馈练习:海洋的物产资源十分丰富,以下是对海水资源的部分利用。
(1)_____________________________ 海水中含量最高的盐是O(2)粗盐中含有泥沙、氯化镁、氯化钙等杂质。
将粗盐溶于水,然后再进行如下操作即可得到较纯的氯化钠:①过滤;②加过量的NaOH溶液;③加适量的盐酸;④加过量的Na2C03溶液。
物质的检验、分离和提纯学案一、物质的检验:㈠、基本概念:鉴别:对两种或两种以上的物质进行辨认。
鉴定:根据物质的化学性质,对一种物质分别检验出阴、阳离子。
推断:通过已知实验事实,根据性质分析,推出被检物质的组成或名称。
共同点:均需根据物质的特征反应,选择恰当的试剂和方法,准确观察反应中颜色变化....、沉淀的生成或溶解..等现象加以判定。
........、气体的生成.....、焰色㈡、常见物质的检验方法:一般是根据物理性质(如颜色、状态、气味、密度等)或利用化学性质。
在做题时必须交待操作步骤、观察到的现象以及根据现象而得的结论。
同时要注意共有现象的干扰。
如:(1)和Na2SO4均能与酸化的Ba(NO3)2产生白色沉淀,CO2和通入澄清石灰水产生沉淀,继续通入则都可变澄清。
(2)检验SO42-离子存在的正确方法是:先用盐酸酸化,这样可排除CO32-、SO32-、PO43-和Ag+干扰,再加溶液,若有沉淀生成,则证明一定有SO42-离子存在。
1.常见气体的检验常见气体检验方法氢气氧气氯气氯化氢氨气二氧化碳一氧化碳2.几种重要阳离子的检验(l)H+(2)Na+、K+(3)Ba2+(4)Mg2+(5)Ag+(6)NH4+3.几种重要的阴离子的检验(1)OH-(2)Cl-(3)Br-(4)I-(5)SO 42-(6)CO 32-(7)HCO 3-㈢、物质鉴别1、不用任何试剂鉴别多种物质不用其他试剂来鉴别一组物质,一般从以下四个方面考虑:①利用某些物质的特殊性质(如颜色、气味、溶解性等),首先鉴别出来,然后再用该试剂去鉴别其他物质。
②若均无明显外观特征,可考虑能否用加热或焰色反应区分开来。
③若以上方法都不能鉴别时,可考虑两两混合法,记录混合后的反应现象,分析确定。
④若被鉴别物质为两种时,可考虑因试剂加入的顺序不同,现象不同进行鉴别。
2、只用一种试剂鉴别多种物质用一种试剂来鉴别多种物质时,所选用的试剂必须能和被鉴别的物质大多数能发生反应,而且能产生不同的实验现象。
第一单元物质的分离和提纯学案【学习目标】1、初步学会过滤、结晶、萃取和分液、蒸馏等分离物质的实验技能,能独立完成一些简单的物质分离、提纯上的实验操作。
2、初步了解根据混合物的性质,选择不同的分离方法对物质进行分离。
3、初步认识实验方案设计、实验条件控制、实验现象分析等方法在化学学习和科学研究中的应用。
能够独立或与同学合作完成实验,记录现象和数据,并能主动进行交流。
【学习过程】一、分离和提纯的区别:分离是通过适当的方法,把混合物中的几种物质分开,每一组分都要保留下来,且如原来是固体,最后还是固体提纯指保留混合物中的某一主要组分,把其佘杂质通过一定方法都除去二、旧知识的复习:初中阶段我们学习过的物质的分离方法有:、、1、原理:利用物质的差异,将液体和分离开来。
实验用品:、、()、、。
注意事项:贴,低,靠。
2、原理:利用的方法,使溶液中不断挥发而析出(晶体)的过程。
实验用品:、、、()。
操作注意事项:1)蒸发皿中的液体不能超过其容积的。
2)蒸发过程中必须用不断搅拌,防止局部温度过高而使。
3)当出现时,应停止加热用蒸干。
4)不能把热的蒸发皿直接放在实验台上,应垫上。
练习:除去括号内的杂质:(方法)(1)氯化钠溶液(难溶固体小颗粒)(2)氯化钠(碳酸钙)(3)氯化钠(硫酸钠、碳酸钙)【交流与讨论:】已知Mg(OH)2难溶于水,BaSO4既难溶于水又难溶于酸,BaCO3难溶于水,但可溶于盐酸。
现有含Na2SO4、MgCl2和泥沙的粗食盐,请设计实验方案,由粗食盐提纯NaCl。
(提示:Mg(OH)2比MgCO3更难溶)方案:3、结晶:结晶是分离和提纯混合物的一种方法。
它适用于物质的混合物,且混合物中一种物质的溶解度受温度影响变化,而另一种物质溶解度受温度影响变化的混合物的分离和提纯。
【交流与讨论】现有KCl和KNO3的固体混合物50g,其中KCl的质量分数为10﹪,请设计实验方案提纯KNO3。
方案:三、新的分离方法:1、萃取和分液【观察与思考】:溴水的颜色:,溴在CCl4中的颜色,结论:溴在CCl4中比在水中的溶解度。
第二单元研究物质的实验方法第1课时物质的分离与提纯学习目标定位:1.初步学会过滤、结晶、萃取和分液、蒸馏等分离物质的实验技能,能独立完成一些简单的物质分离与提纯的实验操作。
2.初步了解根据物质的不同性质,来选择不同的分离方法对物质进行分离。
知识点一过滤、结晶【活动设计】1.过滤——________________________(1)主要仪器:______、烧杯、__________、铁架台、滤纸等。
(2)过滤的操作要点:一贴、二低、三靠一贴:滤纸紧贴__________。
二低:滤纸边缘略__________边缘;液体的液面略__________的边缘。
三靠:向漏斗内倾倒液体时,烧杯的尖嘴应靠到________上;玻璃棒的底端应__________________一侧;漏斗颈的末端应靠到________的内壁。
2.蒸发——适用于分离____________(1)主要仪器:____________、________________、酒精灯、玻璃棒。
(2)在进行蒸发操作时要注意以下几个问题:①在加热蒸发过程中,应用__________不断搅拌,防止由于________造成液滴飞溅;②加热到蒸发皿中剩余__________时(出现较多晶体时)应停止加热,用余热蒸干;③热的蒸发皿应用__________取下,不能直接放在________上,以免烫坏实验台或引起蒸发皿破裂。
如果确要立即放在实验台上,则要垫在________上。
3.硝酸钾的提纯KNO3的溶解度受温度影响特别大,KCl的溶解度受温度影响特别小,可采用________法提纯KNO3。
4.粗盐的提纯(1)溶解:可用____________加速粗盐溶解。
(2)加入沉淀剂加入______________除去其中的MgCl2,反应的化学方程式:_________________。
(3)过滤:除去上述过程中产生的沉淀及食盐中的泥沙杂质。
(4)向滤液中加入______中和过量的沉淀剂。
专题一物质的分离与提纯复习学案高考要求:能对常见的物质进行检验、分离和提纯。
一、物质的分离与提纯(一)分离与提纯的含义分离:是通过适当的方法,把混合物中的几种物质分开,每一组分都要保留下来,并恢复到原状态,得到比较纯的物质。
提纯:指保留混合物中的某一主要组分,把其余杂质通过一定方法都除去。
思考:分离和提纯有什么不同?(二)分离与提纯的原则原则:(三)分离与提纯的方法1.常见物理分离提纯方法:(1)过滤:用于的分离,注意:例如:(2)蒸馏:用于提纯或分离不同的液体混合物,注意:温度计水银球的位置在,例如:(3)萃取:利用溶质在互不相溶的溶剂里的不同,用一种溶剂把溶质从它与另一种溶剂所组成的溶液中提取出来的方法,萃取剂应符合下列要求:和原溶液中的溶剂互不相溶;对溶质的溶解度要远大于原溶剂。
例如:(4)分液:用于分离互不相溶的液体,静置一段时间,打开上端活塞或使活塞上的凹槽与漏斗上的水孔,使漏斗内外空气相通。
打开活塞,使下层液体慢慢流出,及时关闭活塞,上层液体由倒出。
例如:(5)蒸发结晶:用来分离和提纯几种可溶性固体的混合物。
加热蒸发皿使溶液蒸发时,要用溶液;当蒸发皿中出现的固体时,即停止加热例如:思考:指出分离下列各组混合物的方法1) 分离食盐和沙子的混合物;从食盐水中得到较纯净的食盐?2) 分离NaCl和KNO3的混合物得到较纯净的KNO3?3) 分离植物油与水(CCl4和水)?4) 分离碘水中的碘和水?5) 分离酒精和水的混合物6) 从食盐和碘的混合物中提取碘?7) 提纯Fe(OH)3胶体?练习:用于分离或提纯物质的已学方法有:A.萃取B.分液C.过滤D.加热分解E.蒸发F.蒸馏下列各组混合物的分离或提纯应选用上述哪种方法最合适?(把选用方法的标号填入括号内)(1)除去Ca(OH)2溶液中悬浮的Ca(OH)2颗粒()(2)把饱和食盐水中的食盐提取出来()(3)除去酒精中溶解的微量食盐()(4)把溴水中的溴提取出来()(5)用自来水制取医用蒸馏水()(6)除去氧化钙中的碳酸钙()(7)分离柴油和水的混合物()2.常见化学分离提纯方法(1)(2)(3)交流研讨:已知Mg(OH)2难溶于水,BaSO4既难溶于水又难溶于酸,BaCO3难溶于水,但可溶于盐酸。
导学案专题一 化学家眼中的物质世界 第5课时 物质的分离与提纯 学习目标:初步学会过滤、结晶、萃取、分液、蒸馏等分离物质实验技能。
重点:选择不同的分离方法对物质进行分离。
难点:能独立完成一些简单的物质分离,提纯的实验操作。
自主学习:阅读教材第18-20页有关内容,回答下列问题:思考:分离和提纯有什么不同?分离:是通过适当的方法,把混合物中的几种物质____,每一种组分都要_____下来,并恢复到原状态,如原来是固体,最后还是固体,得到比较纯的物质.提纯:将混合物中的_____(不需要的物质)通过物理或化学方法除掉而得到所需物质的过程。
问题讨论:如果有铁屑铜屑的混合物,你能用哪些方法将铁屑分离除去?一、过滤原理:利用物质的______差异,将液体和不溶于液体的固体分离开来。
仪器:________________________________________注意事项:_________、_____________、_____________二、结晶(1)蒸发结晶原理:利用加热的方法使溶液中溶剂不断挥发而析出溶质(晶体)的过程。
实验用品:操作注意事项:1、蒸发皿中的液体不能超过其容积的________。
2、蒸发过程中必须用_______不断搅拌,防止____________________。
3、当出现大量固体时,应停止加热用_________。
4、不能把热的蒸发皿直接放在实验台上,应垫上_______。
思考:如何提纯含有少量泥沙的粗食盐?(2)冷却结晶原理:首先将溶液加热蒸发浓缩(配成热饱和溶液),再将热的溶液慢慢冷却析出晶体。
此法主要用于溶解度随温度变化大的物质。
总结:结晶是溶质从溶液中析出晶体的过程,可以用来分离和提纯几种可溶性固体的混合物。
结晶的原理是根据混合物中各成分在某种溶剂里的_________的不同,通过_________或_____________,从而使晶体析出。
三、萃取【观察和思考】见书19页。
第1课时有机化合物的分离、提纯记一记有机化合物的分离、提纯知识体系探一探一、分离、提纯分离、提纯物质总的原则是什么?[提示](1)不引入新杂质;(2)不减少提纯物质的量;(3)效果相同的情况下可用物理方法的不用化学方法;(4)可用低反应条件的不用高反应条件。
二、蒸馏操作相关知识1.仪器的组装按什么顺序进行?[提示]“先下后上,由左至右”。
2.蒸馏烧瓶能否直接加热?若不行,应怎么办?[提示]不得直接加热蒸馏烧瓶,需垫石棉网。
3.加热前加碎瓷片或沸石,目的是什么?[提示]防止溶液暴沸。
4.加热时对烧瓶内盛装液体的量有什么要求?[提示]蒸馏烧瓶盛装的液体,最多不超过容积的2/3;不得将全部溶液蒸干。
5.冷凝水流动方向是什么呢?[提示]冷凝水水流方向应与蒸汽流方向相反(逆流:下进上出)。
6.温度计的位置在哪?其作用是什么呢?[提示]温度计水银球位置应与蒸馏烧瓶支管口齐平,以测量馏出蒸气的温度。
三、重结晶相关知识1.在重结晶过程中进行热过滤后,要用少量热溶剂冲洗一遍,其目的是什么?[提示]洗涤不溶性固体表面的可溶性有机物。
2.在晶体析出后,分离晶体和滤液时,要用少量的冷溶剂洗涤晶体,其洗涤的目的是什么?为什么要用冷溶剂?[提示]洗涤除去晶体表面附着的可溶性杂质;用冷溶剂洗涤可降低洗涤过程中晶体的损耗。
3.温度越低,苯甲酸的溶解度越小,为了得到更多的苯甲酸晶体,是不是结晶时的温度越低越好?[提示]温度过低,杂质的溶解度也会降低,部分杂质会析出,达不到提纯苯甲酸的目的;温度极低时,溶剂(水)也会结晶,给实验操作带来麻烦。
判一判判断正误(对的在括号内打√,错的在括号内打×)(1)有机物分子中碳、氢原子个数比为1:4,则该有机物一定是CH4。
(×)解析:C:H之比为1:4时可以为CH4O(CH3OH甲醇)。
(2)蒸馏分离液态有机物时,在蒸馏烧瓶中应加少量碎瓷片。
(√)(3)根据相似相溶原理用乙醇从水溶液中萃取有机物。
《物质的分离与提纯》专题复习学案
一、考点梳理
1、定义:采用适当的方法,除去物质中的少量杂质得到纯物
质的过程。
2、原则:___________________________________________
3、方法:
①物理方法______________________________________
②化学方法:
_____________________________________
______________________________________
二、中考链接
1、(2018深圳中考)下列方法不能达到除杂的目的的是()
选项物质(括号内为杂质)方法
A N2(O2)将混合气体通过灼热铜网
B Fe粉(炭粉)加入足量稀H2SO4充分反应,过滤、洗涤、干燥
C CaO(CaCO3)高温煅烧
D FeCl2溶液(CuCl2)加入足量Fe粉,过滤
2、(2016年广州)下列除杂质所选用的试剂及实验操作均正确的是()
选项 C.物质(括号内为杂质) D.除杂试剂 E.实验操作
A MnO2(KClO3)水 F.溶解、过滤
B CO2(CO)O2G.点燃
C KCl(KOH)稀H2SO4H.蒸发结晶
D 铁粉(碳粉)稀HCl I.过滤
3、(2017深圳中考)为了达到相应的实验目的,下列实验设计不合理的是()
A.分离H2O2和MnO2制O2后的固液混合物B.除去CO中的CO2气体
C.区分NaCl、NH4NO3、NaOH三种固体D.探究可燃物燃烧的条件
三、方案设计
如何除去NaCl固体中的CaCl2、MgCl2?
四、实践及应用
通过晾晒海水或煮盐井水、盐湖水等可以蒸发除去水分得到粗盐。
粗盐中含有难溶性杂质(泥沙等)和多种可溶性杂质(氯化镁、氯化钙等)。
某同学为了提纯粗盐,设计了如下实验方案进行实验。
(1)实验步骤①和②的目的是;
实验步骤③和④的目的是。
(2)实验操作X的名称,该操作中要用到的玻璃仪器有烧杯、玻璃棒和。
(3)实验步骤③的主要目的是
(用化学方程式回答);判断氢氧化钠溶液已过量的方法是 ____________ _________________________________________________________ 。
(4)实验步骤④中生成的沉淀D是。
(5)实验步骤⑤用蒸发溶剂的方法而不用降低溶液温度的方法获取食盐晶体,原因是;在蒸发食盐溶液的过程中要使用玻璃棒,作用是。
(6)有同学认为原实验方案不完善,做出这种评价的依据
是 ___________________________________________。
(7)为了完善原实验方案,你设计的实验是
(仅写出补充部分的实验操作和现象)。