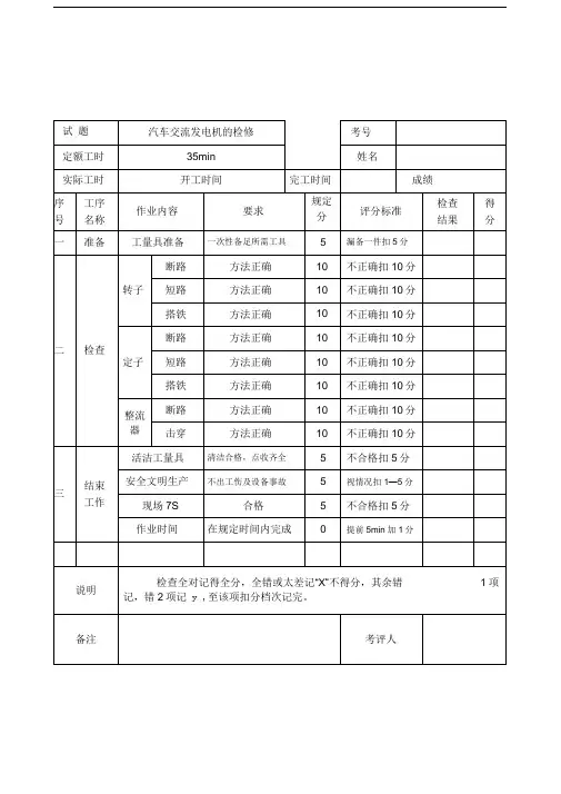
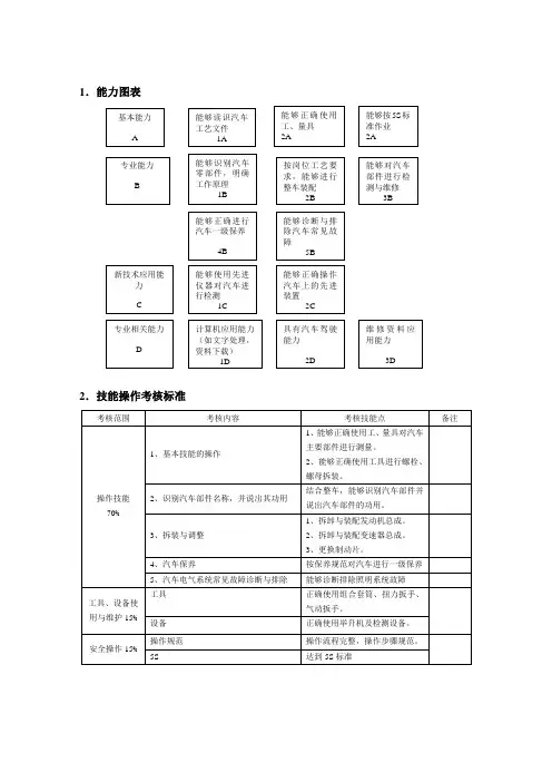
1汽车修理工实操考核标准
- 格式:doc
- 大小:14.50 KB
- 文档页数:1
汽车修理工考核办法及评分标准汽车修理工考核办法及评分标准项目一在无记号情况下更换汽油机正时齿形带(一)1.竞赛方式:以赛形式,完成2.竞赛要求:在规定时间内完成,现场清理工作。
:材料的准备是否齐全;是否正确;符合及要求(4)施工过程中是否规范(5)规定时间内完成。
二)材料准备序号名称型号及规格数量 1 桑塔纳发动机 JV汽油机 1台(2)材料准备(单工位)序号名称型号及规格数量 1 正时皮带 JV汽油机 1根 2 毛巾 1条(3)工、用具准备(单工位)序号名称型号及规格备注 1 开口扳手 1套比赛场地准备 2 梅花扳手 1套比赛场地准备 3 套筒 1套比赛场地准备 4 活动扳手 12吋比赛场地准备 5 螺丝刀+、-字比赛场地准备 6 内六扳手 6mm 比赛场地准备 7 扭力扳手 100N.m 比赛场地准备 8 火花塞套筒 1 比赛场地准备 9 弹性挡圈钳 1 比赛场地准备2、竞赛操作规定及说明1)操作程序说明:(1)准备工作;(2)拆下正时皮带;(3)校正正时,安装正时皮带,调整松紧度;(4)安装附件,校正点火正时;(5)清理场地。
2)竞赛规定说明:(1)如操作违章或未按操作程序执行操作,将停止竞赛;(2)竞赛将采取百分制。
(3)方式说明:该项目为实际操作,过程按评分标准及操作过程进行评分汽车修理工竞赛操作技能考核评分记录表考核时间:20min工位号项目名称项目一:在无记号情况下更换汽油机正时齿形带起止时间:开始时间时分秒结束时间时分秒用时分秒序号考核内容评分要素配分评分标准检测结果扣分得分备注 1 拆卸附件拆卸发电机、水泵皮带和带轮 5 操作方法正确 2 拆下正时皮带拆下正时皮带下护罩,旋松张紧轮,取下正时皮带 5 取下正时皮带外壳、旋松张紧轮拆下正时皮带更换3 安装正时皮带检查涨紧轮轴承 5 检查方法正确校正曲轴位置 20 位置正确校正分电器位置 10 位置正确检查新正时齿形带 5 检查方法正确校正凸轮轴正时齿形带轮位置并安装正时齿形带;调整并检查正时皮带松紧度 25 位置正确、松紧度正确、检查方法正确 4 安装附件检查点火正时装回正时皮带罩,安装带轮、皮带,紧固曲轴及水泵带轮并调整其松紧度. 15 操作方法正确检查点火正时 5 操作方法正确 5 清理场地清理场地,收工具 5 未收、少收工具从总分中扣3分;场地不清洁从总分中扣5分 6 安全文明操作工具使用正确、无违反安全操作规定每违反一项规定从总分中扣5分;严重违规取消考核 7 考核时限在规定时间内完成到时停止操作考核合计 100裁判员:时间:年月日项目二:起动机故障诊断与排除(一)1.竞赛方式:以赛形式,完成2.竞赛要求:在规定时间内要求选择好所需设备、材料及工具;正确使用检测设备和工具;按操作规范用蓄电池或万用表检测起动机的性能,判断故障部位,解体起动机进行检测与维修,装复后进行空转实验,要求快速而准确的完成工作。
附件32016年浙江省中等职业学校职业能力大赛(学生技术技能类)汽车运用与维修赛项汽车维修基本技能细则及评分标准一、比赛内容(一)理论考试(80道题,满分100分,占总成绩的20%)1.考试内容主要为法律法规、职业道德、安全规范和专业基础知识。
2.考试题型 40题判断题(每题1分)、30题单项选择题(每题1分)、10题多项选择题(每题3分)3.考试时间 60分钟4.考试方式计算机考试(选手每人一台计算机,直接在计算机上用键盘或鼠标进行判断和选择)5.注意事项(1)参加团体赛、个人赛机电维修和汽车空调维修的选手均参加统一的理论考试。
(2)参赛选手不得夹带任何参考资料进入理论考场。
(二)实操比赛(满分:100分,占总成绩的80%,其中发动机曲柄连杆机构的拆解、检查和组装和汽车故障诊断各占50分)实操比赛共2项,分别为:1.发动机曲柄连杆机构的拆解、检查(包括外观检查和尺寸测量)和组装。
作业时间为30分钟2.汽车故障诊断。
作业时间为45分钟选手按抽签分组顺序进行比赛。
二、名次排列规则按总成绩由高到低排序,总成绩相同则以实操成绩分数高的名次在前;总成绩相同且实操成绩也相同的,则以2项实操项目总用时短的名次在前。
三、比赛作业工件(一)发动机曲柄连杆机构的拆解、检查(包括外观检查和尺寸测量)和组装的工件为科鲁兹1.6L发动机(LDE),发动机本体无缸盖、活塞连杆、油底壳等。
(二)汽车故障诊断车辆为雪佛兰科鲁兹轿车(2014款1.6SLAT 天地版)。
四、实操比赛考核要求(一)发动机曲柄连杆机构的拆解、检查和组装1.作业要求在30分钟的规定时间内,对发动机曲柄连杆机构的拆解、检查(包括外观检查和尺寸测量)和组装;按要求填写检查测量记录并根据测量结果进行分析作出零件好坏的判断。
(1)曲轴和曲轴主轴承的拆卸、检查、测量、组装;(2)测量检查曲轴轴向间隙;(3)测量检查曲轴不圆度;(4)测量检查曲轴主轴承间隙(用塑料线间隙规);(5)填写《发动机曲柄连杆机构的拆解、检查和组装维修记录表》,计算和确定维修方案。
《国家职业技能鉴定规范(汽车维修工)》考核大纲初级汽车维修工一、鉴定的基本要求(一)适用对象非专业汽车维修企业的汽车维修人员。
(二)申报条件本工种二年学徒期满的学徒工;本专业及相近专业中专、职业中专(职高)、技工学校的毕业生均可申报初级汽车维修工职业技能鉴定。
(三)鉴定方式技术理论要求采用闭卷笔试。
内容包括:基本知识、专业知识和相关知识。
题型配分原则为:填空题20%、判断题10%、选择题10%、简答题20%、叙述题30%、计算题10%。
技能要求采用实际操作考核,题型配分原则为:维护作业45%(设二题)、修理作业30%(设一题)、故障判断与排除15%设一题、相关技能10%(设一题〕。
考核拟题包括:考核题目、考核时限、考核方法、考核要求、使用设备工具、评分标准。
(四):核场地及设备要求提供鉴定项目所规定的考核场地、车辆、总成、零件、工具、量具、仪器及设备等。
(五)考核评分1.技术理论考试按标淮答案和试卷配分评定得分,满分为100分,达到60分以上(含60分)为技术理论考试合格。
2.实际操作考核按规定配分评定得分,满分100分,达到60分以上(含60分)为实际操作考核合格。
3.技术理论笔试和实际操作考核,两项均达到合格为鉴定合格。
4.在实际操作考核过程中出现任何责任事故均为鉴定不合格。
(六)考核时限1.技术理论考试时间120min。
2.实际操作考核时间为120-180min。
二、鉴定的内容表1项目鉴定范围鉴定内容及要求鉴定比重%知识要求:1.钳工基本知识1.了解钳工常用设备、工具、量具、仪表的名称、规格、用途和使用方法2.熟悉测量、划线、凿削、锉削、锯割、钻孔、攻丝、套丝、刮削、研磨等钳工基本操作方法、步骤、和安全操作规程101.基本知识2.汽车常用材料1.掌握汽车用主要金属材料、非金属材料的种类、牌号、性能及应用2.掌握汽车用燃料、润滑油(脂)、工作液牌号意义及其选用方法3.掌握汽车轮胎的规格及选用5 3.汽车的一般构造和工作 1.熟悉国产汽车车型及主要技术性能参数35过程 2.熟悉汽车的总体构造及基本工作原理3.熟悉汽车发动机的工作过程和总体构造4.熟悉曲柄连杆机构的组成和功用5.熟悉配气机构的组成和功用6.熟悉汽、柴油机燃料系的组成和功用7.熟悉冷却系的组成和功用8.熟悉润滑系的组成和功用9.熟悉汽车传动系的组成和功用及动力传递过程10.熟悉汽车转向系的组成和功用11.熟悉汽车制动系的组成和功用12.熟悉汽车行驶系的组成和功用13.熟悉汽车用蓄电池的组成和功用14.熟悉交流发电机与调节器的组成和功用15.熟悉起动机的组成和功用16.熟悉点火系的组成和功用2.专业知识1.汽车维护作业与技术要求1.汽车维护的必要性2.掌握汽车维护的级别及各级维护的周期3.掌握日常维护、一级维护、二级维护的作业项目和技术要求4.掌握二级维护前的检测及附加作业20 2.汽车修理的一般知识1.了解汽车主要总成修理标准及工艺规范2.了解汽车主要零件的修理尺寸分级和动平衡要求3.基本掌握汽车主要总成修理拆装要领和安全操作规程4.了解发动机的装配工艺及技术要求103.相关知识1.汽车零件图的基本知识1.掌握国家标准(机械制图)的基本规定2.了解公差与配合的基本概念及标注方法3.掌握简单零件图的识读知识52.电工学的基础知识了解电和磁的基础知识 53.常用数学和物理的基础知识及法定计量单位1.了解常用数学和物理的基础知识2.掌握我国的法定计量单位及其换算5 4.安全操作规程了解电工、钳工及汽车维修作业安全操作规程 5技能要求:1.汽车维修作业1.汽车维护作业1.能正确使用工具、量具、仪表和设备2.能按JT/T201-95规定的《汽车一级维护作业项目及技术要求》进行维护作业3.能按JT/T201-95规定的《汽车二级维护作业项目及技术要求》进行维护作业4.遵守安全操作规程45 2.汽车小修作业1.能按JT/T201-95规定的《汽车二级维护附加作业项目》进行维护作业2.能对一般小修项目进行修理作业3.能完成更换气门导管、铰磨气门座、铰削转向节主销衬套作业302.故障判断汽车一般故障的判断与排 1.一般油、电路故障的判断与排除15与排除除 2.东风或解放汽车离合器一般故障的判断与排除3.相关技能钳工基本操作1.能正确使用钳工工具、量具和设备2.能掌握测量、划线、凿削、锉削、剧割、钻孔、攻丝、刮削、铰削、研磨等钳工基本操作3.了解简单零件的钳工加工方法4.了解一般配件的互换5.遵守安全操作规程10中级汽车维修工一、鉴定的基本要求(一)适用对象作专业汽车修理企业的汽车维修人员。
汽车维修操作流程及评分标准
1.引言
本文档旨在提供汽车维修操作流程及评分标准的详细说明。
通过遵循这些流程和标准,我们将确保维修工作的高质量和效率。
本文档适用于所有汽车维修工作,包括日常维护和紧急修理。
2.操作流程
维修操作流程包括以下几个主要步骤:
2.1 接收车辆
- 检查车辆信息和维修要求
- 记录车辆现状和任何现有问题
2.2 诊断和分析
- 使用适当的诊断工具和设备
- 辨别车辆问题的原因
- 分析出最佳的维修方法
2.3 维修和更换零件
- 根据诊断结果和维修方法,执行必要的修理工作
- 确保使用原厂或具有相同质量标准的零件
- 检查并更换受损或老化的零件
2.4 测试和质量控制
- 完成维修后的测试,确保车辆问题已得到解决
- 进行质量控制检查,确保维修质量符合标准
2.5 清理和交付车辆
- 清理车辆内外,确保干净整洁
- 交付车辆给车主,并解释维修工作的细节和注意事项3.评分标准
为了评估维修操作的质量和员工的绩效,我们采用以下评分标准:
3.1 效率
- 维修操作的整体时间
- 遵循操作流程的效率
3.2 维修质量
- 维修后车辆问题是否完全解决
- 采用的修理方法是否正确和有效
3.3 客户满意度
- 客户反馈和评价
- 交付车辆的整体服务质量
4.总结
本文档提供了汽车维修操作流程及评分标准的详细说明。
通过遵循这些流程和标准,我们将确保维修工作的高质量和效率,并提高客户满意度。
请所有维修人员严格按照这些流程操作,并不断努力提高维修质量和服务水平。
汽车修理工国家职业标准1.职业概况1.1 职业名称汽车修理工。
1.2 职业定义使用工、夹、量具,仪器仪表及检修设备进行汽车的维护、修理和调试的人员。
1.3 职业等级本职业共设五个等级,分别为:初级(国家职业资格五级)、中级(国家职业资格四级)、高级(国家职业资格三级)、技师(国家职业资格二级)、高级技师(国家职业资格一级)。
1.4 室内、外,常温。
1.5 职业能力特征非常重要重要一般学习能力*手臂灵活性*动作协调性*色觉*手指灵活性*计算能力*表达能力*形体知觉*空间感*1.6 基本文化程度高中毕业(含同等学历)。
1.7 培训要求1.7.1 培训期限全日制职业学校教育,根据其培养目标和教学计划确定。
晋级培训期限:初级不少于600 标准学时;中级不少于500 标准学时;高级不少于320 标准学时;技师不少于200 标准学时;高级技师不少于120 标准学时。
1.7.2 培训教师理论培训教师应具有本职业(专业)大学本科以上学历或中级以上专业技术职务;实际操作教师:培训初、中级人员的教师应具有高级职业资格证书,培训高级人员的教师应具有技师职业资格证书,培训技师、高级技师的教师应具有本专业高级专业技术职务或高级技师职业资格证书,且在本岗位工作 3 年以上。
1.7.3 培训场地设备理论培训场地应具有可容纳20 名以上学员的标准教室,并配备投影仪、电视机及播放设备。
实际操作培训场所应具有600m2 以上能满足培训要求的场地,且有相应的设备、仪器仪表和必要的工具、夹具、量具,通风条件良好、光线充足、安全设施完善。
1.8 鉴定要求1.8.1 适用对象从事或准备从事本职业的人员。
1.8.2 申报条件——初级(具备以下条件之一者)(1)经本职业初级正规培训达规定标准学时数,并取得毕(结)业证书。
(2)在本职业连续见习工作 2 年以上。
(3)本职业学徒期满。
——中级(具备以下条件之一者)(1)取得本职业初级职业资格证书后,连续从事本职业工作 3 年以上,经本职业中级正规培训达规定标准学时数,并取得毕(结)业证书。
汽车修理工国家职业标准1.职业概况1.1职业名称汽车修理工。
1.2职业定义使用工、夹、量具,仪器仪表及检修设备进行汽车的维护、修理和调试的人员。
1.3职业等级本职业共设五个等级,分别为:初级(国家职业资格五级)、中级(国家职业资格四级)、高级(国家职业资格三级)、技师(国家职业资格二级)、高级技师(国家职业资格一级)。
1.4室内、外,常温。
1.5职业能力特征1。
6基本文化程度高中毕业(含同等学历)。
1。
7培训要求1.7.1培训期限全日制职业学校教育,根据其培养目标和教学计划确定。
晋级培训期限:初级不少于600标准学时;中级不少于500标准学时;高级不少于320标准学时;技师不少于200标准学时;高级技师不少于120标准学时。
1.7.2培训教师理论培训教师应具有本职业(专业)大学本科以上学历或中级以上专业技术职务;实际操作教师:培训初、中级人员的教师应具有高级职业资格证书,培训高级人员的教师应具有技师职业资格证书,培训技师、高级技师的教师应具有本专业高级专业技术职务或高级技师职业资格证书,且在本岗位工作3年以上。
1.7.3培训场地设备理论培训场地应具有可容纳20名以上学员的标准教室,并配备投影仪、电视机及播放设备。
实际操作培训场所应具有600m2以上能满足培训要求的场地,且有相应的设备、仪器仪表和必要的工具、夹具、量具,通风条件良好、光线充足、安全设施完善。
1.8鉴定要求1.8.1适用对象从事或准备从事本职业的人员。
1.8.2申报条件——初级(具备以下条件之一者)(1)经本职业初级正规培训达规定标准学时数,并取得毕(结)业证书.(2)在本职业连续见习工作2年以上。
(3)本职业学徒期满。
——中级(具备以下条件之一者)(1)取得本职业初级职业资格证书后,连续从事本职业工作3年以上,经本职业中级正规培训达规定标准学时数,并取得毕(结)业证书.(2)取得本职业初级职业资格证书后,连续从事本职业工作5年以上。
汽车维修工考核标准一、职业素养1.具备基本的职业道德和职业素养,遵守公司规章制度,诚实守信,尊重他人,保护公司财产。
2.热爱汽车维修工作,有责任感和事业心,积极进取,不断提高自身素质。
3.具备团队协作精神,积极配合团队工作,共同完成维修任务。
二、专业技能1.熟练掌握汽车维修的基本理论和技能,包括机械、电气、液压等方面的知识。
2.具备对常见车型的故障进行准确诊断和快速维修的能力。
3.熟练使用各种维修工具和设备,了解相关安全操作规程。
4.具备良好的维修记录和分析能力,能够总结经验,提高维修效率。
三、安全生产意识1.严格遵守安全操作规程,确保维修过程中的安全。
2.了解并掌握消防安全知识,能够正确使用消防器材。
3.遵守交通规则,保证道路安全。
4.掌握危险品的安全使用和储存方法。
四、质量意识1.坚持质量第一的原则,严格按维修标准进行操作,确保维修质量。
2.对维修过程进行自我检查和监督,确保维修质量符合要求。
3.积极参与质量改进活动,提高维修质量和客户满意度。
五、团队合作能力1.具备良好的沟通协调能力,能够与同事、客户和上级进行有效沟通。
2.具备团队合作精神,能够积极参与团队工作,共同完成维修任务。
3.了解并遵守团队规章制度,尊重他人意见和建议。
六、沟通能力1.能够清晰准确地表达自己的想法和意见,并能够听取他人的意见和建议。
2.具备良好的语言表达能力,能够进行有效的沟通交流。
3.了解并遵守沟通的基本原则和方法,能够处理好各种人际关系。
七、学习能力1.具备学习新知识、新技能的能力和兴趣,能够不断提高自身素质。
2.掌握学习方法和技巧,能够通过自主学习和培训提高自身能力。
3.了解并掌握行业发展趋势和新技术应用,能够适应行业发展需求。
八、创新能力1.具备创新思维和创新精神,能够提出新的想法和解决方案。
2.了解并掌握创新方法和工具,能够通过创新提高工作效率和质量。
1汽车修理工实操考核标准(5篇)第一篇:1 汽车修理工实操考核标准广东省岭南工商第二篇:汽车修理工技师实操简答一、节气门位置传感器的检测?(综合线性式)使用万用表检测各端子的电阻的变化?1、作用:检测节气门的开度,此信号输ECU,控制燃油喷射及其辅助控制,当节气门开度增大,输出的信号电压变大。
2、安装位置:节气门轴上3、认识节气门位置传感器引脚:用万用表2K档检测,VC-E2,R=2K ;VTA与E2,随着节气开度的增大,测得的电阻值从几百欧姆到2K欧姆左右;IDL-E2,全开为0,开为无穷大。
4、检测结果分析:VTA与VC或者VTA与E2均无阻值,说明传感器开路损坏,如果转动时测得阻值有跳动,则说明传感器接触不良,此外,如IDL无信输出会造成怠速不稳,加速不良。
二:自动变速器节气门阀拉锁的检查和调整1、找拉索的止动器和橡皮套;2、作用:控制自动波的液压和作为换挡信号;3、检查:不踩油门时,橡皮套与拉索止动器之间的距离为0-1mm;4、拧松调整螺母进行调整5、★结果分析:拉索止动器(标记)凸出橡皮套过多:导致波箱油压过高,换挡冲击且会延迟换挡;拉索止动器伸进橡皮套:导致波箱油压过低,提前换挡。
三、自动变速器失速试验及分析四:汽车空调的检修1、空调的组成:,主要由压缩机,冷凝器,储液罐,膨胀阀,蒸发器及高低压管路,空调控制单元(ECU),室内、室外、蒸发箱温度传感器,阳光照度传感器,面板控制系统(内外循环翻版电机、温度调节翻版电机、各个出风口翻版的调节电机、调节按钮和温度显示单元)及暖风水箱设备等2、空调的工作原理(即工作循环),见上图,3、、检漏:(1)目视:看管路接头是否有油渍(2)用洗洁精或肥皂水试漏,看接头是否有气泡(3)用雪种表抽真空试漏,抽真空约5—10分钟,然后关闭高低压阀,等10-15分钟,看真空表是否保持(4)用电子试漏仪进行检试,加了雪种后,若有试漏仪蜂鸣叫,则说明管路有漏4、抽真空加雪种正确接雪种表,抽真空10-15分钟,检漏后再加雪种,加雪种时,第一罐从高压侧注入,发动机不着车,从第二罐起从低压侧注入,雪种瓶不能倒立,同时起动发动机,并观察玻璃窗有无气泡,直到没气泡为止。
汽车维修工考核标准
汽车维修工是一项高风险的工作,对于汽车维修工的考核标准应该非常严格。
下面是我认为适用于汽车维修工考核的标准:
1. 技术能力:汽车维修工需要熟悉汽车的各个系统,并具备良好的维修技术。
考核时应评估其对汽车常见故障的诊断和修复能力,例如发动机故障、制动系统故障等。
2. 安全意识:汽车维修工需要严格遵守安全操作规程,保证自身和他人的安全。
考核时应评估其对安全措施的执行情况,如戴安全帽、佩戴防护手套等。
3. 效率和质量:汽车维修工需要在规定的时间内修复汽车,并保证维修质量。
考核时应评估其修复汽车的效率和修复后的质量,如修复时间、修复结果等。
4. 团队协作能力:汽车维修工通常需要与其他维修工和客户进行良好的沟通和合作。
考核时应评估其与他人的合作能力,如团队合作精神、沟通能力等。
5. 职业操守:汽车维修工应该诚实守信,不进行任何违规操作。
考核时应评估其职业操守,如是否按照维修标准操作、是否保护客户隐私信息等。
6. 维修记录和文档管理:汽车维修工需要正确填写维修记录和文档,有序管理维修资料。
考核时应评估其对维修记录和文档管理的能力。
7. 沟通能力:汽车维修工需要与客户沟通并解释维修情况,因此需要具备良好的沟通能力。
考核时可以通过模拟对话或口语测试来评估其沟通能力。
8. 自我学习和技术更新:汽车维修工需要不断学习和更新汽车维修技术。
考核时可以询问其是否参加过相关培训或学习新技术的情况。
以上是我认为适用于汽车维修工考核的标准,通过这些考核可以评估汽车维修工的综合能力和工作质量,确保维修工的技术水平和职业素养符合要求。
汽车维修工考核标准
汽车维修工是汽车维修行业中非常重要的一环,他们的技能和专业水平直接关
系到汽车维修工作的质量和效率。
因此,制定一套科学、合理的汽车维修工考核标准对于提高汽车维修工作的质量和水平具有重要意义。
首先,汽车维修工应具备扎实的汽车知识和维修技能。
他们需要了解汽车的结
构和原理,掌握汽车维修的基本理论知识,熟悉汽车维修常用工具的使用方法,具备解决汽车故障和问题的能力。
此外,他们还需要具备一定的电子和计算机知识,能够运用现代化的维修设备进行汽车故障诊断和维修。
其次,汽车维修工应具备良好的职业素养和服务意识。
他们需要具备高度的责
任感和敬业精神,能够为客户提供优质的维修服务,解答客户提出的问题,并且能够耐心细致地为客户解决汽车故障和维修需求。
同时,他们还需要具备团队合作意识,能够与同事协作,共同完成汽车维修工作。
另外,汽车维修工应具备安全意识和操作规范。
他们需要严格遵守汽车维修作
业规范和操作流程,正确使用个人防护装备,保障自身安全和车辆安全。
在进行汽车维修作业时,他们需要注意维修现场的清洁和整理,确保工作环境的安全和整洁。
最后,汽车维修工应具备不断学习和提高的意识。
他们需要积极参加汽车维修
技能培训和考核,不断学习和掌握新的汽车维修技术和方法,提高自身的维修水平和服务质量。
综上所述,汽车维修工考核标准应包括汽车知识和维修技能、职业素养和服务
意识、安全意识和操作规范、不断学习和提高的意识等方面。
只有严格执行这些标准,才能保障汽车维修工作的质量和效率,提升汽车维修行业的整体水平。
车辆修理工考核方案范本一、考核背景汽车在人们的生活中扮演着重要的角色,而汽车的可靠性也成为人们购买汽车的重要考虑因素之一。
而一些车主在使用汽车过程中遇到问题需要修理时,往往会选择到汽车修理店进行处理,因此汽车修理工的技能、素质、服务态度等方面的考核显得尤为重要。
二、考核内容1. 技能考核技能考核是考核汽车修理工最基本技术能力的一部分,对于一个优秀的汽车修理工来说,技能考核需要达到一定的水平,包括但不限于以下方面:•发动机检测与维修;•底盘系统维修,包括刹车、转向、悬挂等;•电器系统维修;•空调系统维修;•液压系统维修;•变速器拆卸与调试等。
2. 分类考核分类考核主要细分各项技能考核,针对不同的汽车细分出适合考核的目标。
例如,国内各大厂家经验不同,购买不同款式的汽车考验难度也大不相同,因此,分类考核显得尤为重要。
3. 实际操作考核实际操作考核是考核汽车修理工实际操作能力的一个重要方面,通过对于修理工的实际操作能力的考核,来综合评估修理工的能力水平。
实际操作考核主要考查团队配合、工具使用方式、操作规范等方面。
4. 服务态度考核服务态度也是考核汽车修理工的一个重要方面,优秀的服务态度不仅可以留住现有客户,还可以吸引更多新客户的到来。
三、考核标准1. 技能考核标准•优秀:能够独立完成对汽车的常见故障维修,并能在自己领域内做到多年经验;•良好:能够独立完成对汽车的一般性维修,且能够在日常工作中有较为丰富的经验;•一般:只能完成基本的维修保养工作。
2. 分类考核标准•初级:可维修市面上较为常见的汽车;•中级:可以对大部分汽车进行维修;•高级:可针对大部分问题进行改进,提出有针对性的解决方案。
3. 实际操作考核标准•团队配合:能够与其他同事快速完成相关工作;•工具使用方式:能够熟练使用相关工具,且对工具进行有效的维护和管理;•操作规范:操作规范严格,对于有问题的情况可以进行及时调整和处理。
4. 服务态度考核标准•热情有礼:工作中能够积极向上,热情有礼,并能够根据客户不同的需求提供相应的解决方案;•敬业精神:拥有严谨的工作态度,对于工作有自己的认识和理解;•责任心:能够承担自己的工作任务,对于自己的工作有非常清晰的认识,能够进一步完善自己的工作。
汽车维修操作程序及评分标准1. 操作程序步骤一:车辆检查- 检查车辆外观,包括车身是否有明显损坏或划痕。
- 检查车辆内部,包括座椅、仪表盘和车内设备的完好性。
- 检查车辆机械部件,如发动机、刹车系统和悬挂系统。
步骤二:故障诊断- 根据客户反馈和车辆状况,进行初步故障排查。
- 使用诊断工具,检测车辆电子系统并记录故障代码。
- 进一步检查故障部件,如电池、点火系统和传感器。
步骤三:维修和更换部件- 根据故障诊断结果,确定需要维修或更换的部件。
- 使用适当的工具和设备,进行部件维修或更换。
- 对维修或更换的部件进行测试,确保正确安装和功能正常。
步骤四:测试与校准- 对维修后的车辆进行全面测试,包括机械性能和电子系统功能。
- 根据车辆制造商的要求,进行必要的系统校准和调整。
- 确保所有测试和校准操作符合汽车维修标准。
步骤五:清洁和整理- 对维修完成的车辆进行清洁,包括车内和车外的清洁工作。
- 整理车辆内部,将零件和工具归位,并清理工作区域。
- 确保车辆外观和内部整洁,客户可以满意地接收车辆。
2. 评分标准2.1 客户满意度- 考虑客户对维修过程和结果的满意程度,进行评分。
- 客户是否感到服务态度友好、专业和高效。
- 客户对维修结果的满意程度,是否解决了故障。
2.2 技术能力与准确性- 维修人员的技术能力和经验对评分有重要影响。
- 操作程序的准确性,包括故障诊断和维修过程的正确性。
2.3 时间管理- 按照预定时间完成维修工作的能力,是评分的一个重要指标。
- 是否能够在设定时间内高效地完成操作程序。
2.4 质量保证- 维修后的车辆是否具有良好的机械性能和电子系统功能。
- 维修人员是否提供适当的保修,并解决后续问题。
2.5 整洁程度- 维修过程中的工作区域是否保持整洁和有序。
- 完成维修后的车辆外观和内部是否整洁。
汽车维修车间实训室操作项目及考核标准项目一汽缸盖的拆装一、实训内容1、气缸盖的拆卸2、气缸盖的装配二、实训目的1、了解汽缸体、汽缸盖、汽缸盖的功用和特点。
2、掌握气缸盖、气缸垫的拆装方法。
三、教具和工具1、世达工具一套、扭力扳手。
2、大众AJR发动机一台四、实训步骤1、汽缸盖与气缸垫的拆卸1)拆下润滑油加注口盖,拆下进、排气歧管。
2)拧下气门室罩盖的螺母,依次取下支架、压条、气门室罩盖、气门室罩盖衬垫和润滑油反射罩。
3)拆卸同步带轮螺栓,必须使用专用工具,取下凸轮轴同步带轮。
4拆下凸轮轴各道轴承盖的紧固螺母(先拆下第1、3、5号轴承盖,然后按对角线交替方式松开第2、4号轴承盖)。
5)取出液压挺柱,按顺序排列或在内壁上做上标记。
6)按照图所示,用扭力扳手按①~⑩的顺序分几次松开气缸盖螺栓,将气缸盖和气缸垫取下。
2、汽缸垫与汽缸盖的安装1)气缸盖在安装前,必须将气缸盖、气缸体、螺栓及螺孔等处的脏物彻底清除掉。
2)转动曲轴将曲轴转动到第一缸的上止点位置。
3)安装气缸垫时应更换所有密封条或密封衬垫,并注意衬垫的安装位置和方向。
①安装发动机气缸垫时,有标号(配件号)的一面必须可见。
②换用新的气缸垫时,把有标记(“OBEN”、德文“顶部”,“top”英文“顶部”等)的一面朝向气缸盖。
③气缸垫有卷边的一面,应朝向易修整的接触面或硬平面。
(如气缸盖和气缸体同为铸铁时,卷边应朝向易修整的气缸盖;气缸盖为铝合金,气缸体为铸铁时,卷边应朝向气缸体)。
4)安装气缸盖时,用扭力扳手按①~⑩分几次将汽缸盖紧固螺栓拧紧,拧紧力为40N·m,然后再用扳手拧紧180度。
5)安装凸轮轴时,第一缸凸轮必须朝上。
安装前放上轴承盖,确定安装位置(注意孔的上下两半部要对准)。
凸轮轴转动时,曲轴不可置于上止点位置,否则会损坏气门和活塞顶部。
6)先对角交替拧紧第2、4号轴承盖螺栓,拧紧力矩为20N·m。
7)装上第1、3、5号轴承盖,拧紧力矩为20N·m。
广东省岭南工商第一技师学院
汽车维修专业(机修方向)教师操作技能考核标准
试题1、拆装东风日产玛驰发电机操作时间:20分钟
一、考核目标
1、实车部件拆装动手能力测验
2、部件检测方法的运用
3、安全规范操作意识
二、考核方法
1、通过观察选手的操作过程和结果,以评分表的评分标准对操作过程来进
行评判。
三、评分原则
1、严重违反操作规程造成人员受伤或零件损坏的不得分。
2、以评分表为依据,重点考查拆装技能与部件检查技能。
四、设备恢复
1、每位选手操作完成后要检查安装效果。
2、每位选手操作完毕后安排辅助人员将车辆恢复到开始的状态。
试题2、诊断与排除发动机不能启动故障操作时间:20分钟
一、考核目标
1、分析判断故障的能力测验
2、故障检测与排除方法的运用
3、故障排除效果
二、考核方法
通过观察选手的操作过程和结果,以评分表的评分标准对操作过程来进行评判。
三、评分原则
1、严重违反操作规程造成人员受伤或零件损坏的不得分。
2、以评分表为依据,重点考查故障分析判断的方法与故障排除的步骤。
四、故障设置原则
1、每位选手设置2个故障点。
故障点设置位置是:高压线插错,低压断路,
起动机控制电路断路,起动继电器失效,电动汽油泵继电器失效,变速器档位不在“P”和“N”档。
2、每位选手操作完毕后考评员将车辆恢复到初始的故障状态。
第1页共1页。