煤矿电机车司机实操考核标准
- 格式:doc
- 大小:38.50 KB
- 文档页数:4
第十篇电机车司机
操作技能比赛规则
一、参赛选手必须佩带参赛证,并携带本人身份证、电机车司机和电机车修配工资格证。
由赛场工作人员, 负责对参赛选手进行资格审核, 不符合条件者取消比赛资格。
二、参赛选手按工种要求统一着装,佩带防护用品。
三、参赛选手有领队带队,按时到达比赛现场,迟到 30分钟者取消比赛资格。
四、裁判长主持抽签,检录处工作人员按抽签结果检录登记。
五、参赛选手检录后在待命区待命, 由各分区主裁按抽签顺序依次点名参赛。
六、运行操作比赛选手有一次试车的机会,试车中发现问题可向二裁申明, 但不得提及超出比赛规则以外的建议和要求。
七、参赛选手完好检查和故障排除比赛结束后, 必须到指定地点休息, 严守比赛秘密,否则将取消本人和代表队的参赛资格。
八、参赛选手应按井下现场条件进行比赛操作,不得违章。
违章一次扣 10分,严重违章或出现轻伤事故者取消比武资格。
九、所有参赛人员, 要认真学习比赛安全技术措施并签字。
比赛中遵守纪律、遵章作业、相互配合,注意安全。
评分细则。
电车司机实操考核标准一、教学程序1、操作考核目的通过实际操作考核,让学员把理论知识应用于实践,发现问题,教师当场考评,增强学员的记忆,更加牢固地掌握操作技能,提高培训效果。
2、实操考核步骤⑴介绍基本情况;⑵宣读考核基本内容、标准、要求;⑶逐个进行手指口述安全确认及操作并提问题;⑷主考人讲评并对其进行打分;⑸集中讲评并总结本次活动情况;⑹接受考核人员谈体会。
3、实操考核好处⑴纠正手指口述;⑵规范行为习惯;⑶细化操作流程。
二、考核(一)安全确认首先,进行安全确认及手指口述汇报,其次,接班司机应按下列规定对电机车进行检查:1、架线机车先落下架线弓,拉开总开关,切断电源;蓄电池机车要拨下插销切断电源。
2、转动控制器是否良好灵活,并试验各部分接触点接触是否良好。
3、警铃或汽笛是否良好,照明灯及红尾灯是否亮。
4、砂箱内存砂是否干燥够用、撒砂装置的动作是否灵活。
5、架线弓起落是否灵活,是否有足够弹力适应架线最高与最低偏差。
6、检查电机车各处油量是否足够,连接器与碰头有无损坏,照明灯是否完好、扳动自动开关是否灵活。
7、检查电机车机械部分的结合是否良好,各部螺丝有无松动,同时检查各注油点的油量情况,司机室顶棚和门链是否完好。
8、检查制动系统是否良好,闸瓦磨损是否过限,位置是否准确。
9、松开集电器检查机车照明及通讯装置情况,若有气制动的机车还应检查压缩机情况和仪表显示情况,同时用耳听的方法检查管路是否有漏风现象。
10、蓄电池机车要检查电源装置内的电极连接是否良好,电池盖是否盖好,以及防暴设备、部件(灯、电源插销、控制器、电源装置及电缆等)是否符合防暴要求。
(二)作业程序1、正常操作时应保持的姿势:坐在座位上,经常目视前方,左手握控制手柄(手拉杆)或右脚踏刹闸阀。
2、随身携带瓦斯便携仪操作证件。
3、开车前接到发车信号后,鸣铃示警,松闸启动。
4、机车运行中严禁将头和身体探出车外;严禁站在车外开车。
5、运行中,控制器手柄只允许在规定的“正常运行位置”上长时间停留。
煤矿电机车司机实作考试标准一、考试目的参加实作考试的电机车应掌握上岗安全操作的基本知识和技能;二、应知应会(一)应知1. 机车司机必须了解本机性能,熟悉操作方法;2.了解电机车的完好标准及有关管理规定;3.了解运输路线及工作环境安全情况;4.熟悉“四超物质”及特殊材料设备的封车要求;5.熟悉电机车运输轨道质量标准及大巷各安全设施的使用;6.掌握《电机车司机操作规程.》、手指口述、安全确认等本工种有关规定;7.熟悉信号系统的联络方式及要求。
(二)应会1.电机车司机严禁擅离工作岗位,机车在运行中,必须关好安全门,禁止将头或身体探出车外,司机离开坐位时,必须切断电动机电源,将控制器手把取下,扳紧车闸,但不得关闭车灯;2. 司机在操作时应保持的正确姿势为:坐在坐位上,经常目视前方,左手握控制器操作手把右手握制动手轮,制动手轮停放的位置应保证手轮转紧圈数在2—3圈的范围,操作过程中司机严禁将头和身体探出车外;3. 控制器主手把只有从一个位置转到另一位置,每个位置一般为2——3秒,上坡起动约5秒,不允许一下滑过几个位置,也不允许停留在两个位置中间;4. 刹车前,必须先切断电动机电源,工作制动时,不应将车轮闸刹死,以免擦伤车轮和路轨;5. 有司控道岔的机机在离道岔外100米必须提前减速,进入50米范围内使用车载发射装置或遥控器搬道,确认道岔完全闭合到位后才能通过,严禁硬过道岔;6.停车时,先将控制手退回零位,切断电源,但不得关闭车灯。
三、考试场地(一)考场条件1.有供考生休息的待考区及满足考生实际操作需要的考试区;2.考试区域内灯光明亮、通风良好,无杂物、积水等影响操作的因素;3.考试期间不影响正常生产,无威胁考试人员的安全隐患。
(二)考试设备1.一台完好电机车;四、考试内容见附件《电机车司机实作考试评分记录表》五、考试组织(一)考试人员:由主考教师、监考教师、考务人员及安全人员各1人组成;(二)职责分工:1.主考教师:负责对考生提问、操作评分及考试过程的控制;2.监考教师:协助主考教师观察考试实作情况并配合评分;在考生进入操作平台后观察考生操作程序。
煤矿电机车司机安全技术培训大纲及考核要求电机车司机安全培训教学大纲电机车司机安全培训教学大纲一、培训训目的(一)熟悉有关安全生产法律、法规、制度和安全操作规程,掌握本岗位的安全操作技能;(二)了解电机车的的类型、特征、性能,掌握电机车使用、维护保养和安全运行的基本知识;(三)系统掌握电机车的安全装置、完好标准和有关安全规定,增强安全操作的自觉性和责任感;(四)掌握电机车故障的判断、处理知识,能够排除常见故障。
二、培训时间总课时数:40学时三、课程设置及学时分配(一)公共知识(10学时)1.法律法规(1)法律《安全生产法》、《矿山安全法》、《煤炭法》、《劳动法》、《矿产资源法》等。
(2)行政法规《煤矿安全监察条例》、《煤炭生产许可证管理办法》、《矿山安全法实施条例》、《特别重大事故调查程序暂行规定》、《企业职工伤亡事故报告和处理规定》等。
(3)部门和地方政府规章《煤矿安全规程》、《特种作业人员安全技术培训考核管理办法》等。
(4)集团公司、矿安全生产管理有关文件及规定2.煤矿生产技术(1)矿井地质基本知识;(2)矿井开拓方式;(3)采煤技术。
3.煤矿灾害事故防治措施(1)重大危险源的辨识评价与监控;(2)应急救援预案;(3)煤矿应急救援体系建设。
4.井下创伤急救(1)自救器使用;(2)煤矿急救技术。
(二)岗位应知应会(16学时)1.《煤矿安全规程》有关规定和本工种安全操作规程、制度;2.《煤矿工人技术操作规程》有关规定和《煤矿矿井机电设备完好标准》有关部分;3.电机车的结构、性能、工作原理和主要技术特征,运行中要注意维护事项;4.电机车维护与检修,电机车运行常见故障分析处理与预防;5.运输安全管理,矿井通风及灾害防治,自救互救技术和创伤急救。
(三)岗位实际操作(12学时)1.操作流程开车前准备向交班司机详细了解运行情况→ 检查电机车灯、闸、铃、棚、撒砂、通讯、控制器、受电弓(蓄电池)是否完好→ 发现问题及时处理或汇报当班领导→ 填写接班记录本→ 开车前应检查各车连接是否正常、牵引车数不超过规定、是否“三超”(超长、超宽、超高)起动操作按顺序接通电(气)路,启动相应电(气)仪表→ 接到发车信号,转动控制器手把→ 鸣笛(敲铃),松开手闸,按顺时针转动调速手把,缓慢增加速度运行操作控制器操作手把打到正常运行位置→ 调整车速时,将操作手把往复转至“正常运行”及“零位位置”停留减速操作控制器操作手把按逆时针逐渐转动,直到返回零位→ 如车速仍然较快,可适应施加手闸(风闸)→ 制动结束,必须及时将控制器换向手把转至零位。
煤矿(采煤机)操作作业实操考核评分细则(采煤机.专业部分)准考证号:姓名:考试日期:年月日考核成绩考评人员签字考生签字序号项目考核内容考核方式标准分评分标准扣分原因实得分备注1 采煤机安装和调试的试运转操作1、滚筒采煤机在地面试运转前应检查哪些主要内容及要求有哪些?答辩或实操10分1)采煤机零部件应齐全、完好。
(1分)2)运动部件的动作应灵活可靠。
(1分)3)把手位置要正确,操作应灵活可靠。
(2分)4)外部管路连接应正确,各接头处应无漏水、漏油现象,各油池、油位润滑点应按要求注入油脂。
(2分)5)各箱体内应无杂物及积水。
(2分)6)电气系统的绝缘、防爆性能、功能显示应符合要求;(2分)按小项分值,缺项扣分。
该项任选一题作答2、滚筒采煤机井下试运转应达到什么要求?答辩10分1)机器无异常声音,各部位油温正常,符合规定。
(2分)2)牵引正常,控制灵活,符合规定。
(1分)3)电流、电压符合规定。
(1分)4)液压系统压力符合规定。
(1分)5)滚筒升降灵活,升降到最高点与最低点的时间要符合规定。
(2分)6)无漏油、漏水现象。
(1分)7)冷却喷雾水流畅通,流量、压力达到要求。
(1分)8)电缆、水管拖移装置工作状态正常;(1分)按小项分值,缺项扣分。
2 采煤机的安全操作1、采煤机司机开机前对工作面应检查哪些内容?答辩15分1)检查支护情况,主要检查液压支架接顶状态,架间密封及护帮情况。
(4分)2)观察煤层变化情况,以及顶底板情况。
(4分)3)观察工作面输送机运行及推移情况。
(4分)4)注意采煤机周围有无障碍、杂物及人员。
(3分)按小项分值,缺项扣分。
该项任选两题作答2、滚筒采煤机正常开机的操作顺序实操15分1)检查工作结束后,发出信号通知运输系统由外向里逐台启动输送机。
(2分)2)合上隔离开关、电动机。
(2分)3)点动启动按钮,待电动机即将停止转动时,合上截割部离合器。
(3分)4)打开水阀总闸,供给冷却喷雾水。
电机车司机作业标准一上岗条件第1条必须熟悉电机车的结构、性能、工作原理、供电系统、信号联络方式和《煤矿安全规程》的相关规定,能够维护和保养电机车,能正确处理一般故障,按照本操作要求进行操作。
二安全规定第2条检查各部机件和注油时,必须切断电源。
第3条在电机车前摘连接器时必须待车停稳后方可操作。
第4条严禁用电机车在正常行驶路段顶车行驶。
第5条电车行驶时驾驶机车不得超速行驶或闯红灯,行近巷道口、硐室口、弯道、道岔或遇行人时必须鸣笛减速慢行。
第6条认真执行岗位责任制和交接班制定。
三操作准备第7条接班司机必须向交班司机详细了解列车运行、信号、线路状况(交班司机要主动交待清楚),并对电机车认真进行如下检查:(1)、司机室的顶棚和门是否完好。
(2)、连接器是否完好。
(3)、手闸(风闸)及撒沙装置是否灵活有效,沙箱是否有沙。
(4)、照明灯及红尾灯是否明亮。
喇叭或警铃音响是否清晰、宏亮。
(5)、通讯装置是否正常。
(6)、蓄电池电压是否符合规定,防爆部分是否有失爆现象。
(7)、蓄电池箱安放是否稳妥,锁紧装置是否可靠。
(8)、在切断电源的情况下,控制器换向把手是否灵活,闭锁是否可靠。
(9)、集电弓起落是否灵活。
检查中发现问题,必须及时处理或向当班领导汇报,检查情况应记入交接班记录薄中。
第8条机车各注油点应按注油表的规定加注适量的合格润滑油;砂箱内应装满规定粒度的干燥细砂。
第9条开车前必须认真检查车辆组列、装载等情况,有下列情况之一时,不得开车:(1)、车的连接不正常。
(2)、牵引车数超过规定。
(3)、矿车上装载的物料的轮廓超过牵引机车的轮廓尺寸。
(4)、运送物料的机车或车辆上有搭乘人员。
(5)、运送人员的列车附挂物料车、乘车人员不遵守乘车规定或车上有爆炸性、易燃性、腐蚀性的物品等。
(6)、运送有易爆、易燃或有腐蚀性物品时,车辆的组列、装载或使用等不符合规定。
(7)、存在其他影响安全行车的隐患。
四操作顺序第10条按顺序接通有关电(气)路,点亮红尾灯。
煤矿采煤机操作作业安全技术实际操作考试标准1制定依据本标准依据《中华人民共和国安全生产法》、《煤矿安全规程》、《特种作业人员安全技术培训考核管理规定》、《采煤机司机安全技术培训大纲及考核标准》等法律、法规和标准制定。
2适用对象从事煤矿采煤机操作作业的人员,即采煤机司机。
3考试方式采用实物操作、模拟操作、虚拟仿真操作和手指口述等方式。
4考试点基本条件4.1具有满足实际操作考试需要的考试场所。
考试场所必须按照环境保护、劳动保护、安全和消防各项要求设置,应当设置有关安全指示标志、警示标语、考场规则等,应当安装实时监控系统。
4.2具有满足实际操作考试需要的设备设施。
配置采煤机实物或模拟实物,便携式甲烷检测报警仪等,或者配置“采煤机安全操作虚拟仿真考试装置”。
设备设施应功能齐全、性能稳定、操作可靠、安全环保。
4.3具有满足实际操作考试需要的考评人员。
考评人员应具有工程师、讲师及以上专业技术职务或者技师及以上资格,实际从事煤矿机电专业相关工作5年以上,熟悉相应的专业知识和操作技能,掌握考试标准。
5考试要求5.1考试科目5.1.1采煤机作业前安全检查(简称K1)5.1.2采煤机安全操作(简称K2)5.2组卷方式由K1、K2两个科目组成试卷。
5.3考试成绩考试成绩总分为100分,80分及以上为合格。
5.4考试时间考试时间为30分钟。
6考试内容及评分标准6.1采煤机作业前安全检查,见表K1。
表K1采煤机作业前安全检查考试时间:15分钟序 号 考试 项目考试 操作内容与步骤分值评分标准方式1.检查作业环境①采煤机周围无其他人员和障碍物。
②工作面采高合理。
操作内容每项1分,每4分 缺一项或一项不正确扣1分。
③机载甲烷断电仪或便携式甲烷检测报警 仪完好、可靠,甲烷浓度不超过1.0%。
④通信联络畅通。
2.检查支架支护实物 操作 + 作业环境 安全 检查操作内容每项1分,每3分 缺一项或一项不正确扣1分。
①液压支架支护稳定牢靠、接顶良好。
附件1
《河南省煤矿特种作业十大工种实际操作考试评分标准》(试行)
(专业部分)
一、煤矿井下电气作业实操考试评分标准(A)
考评人员签字:日期:年月日
考评人员签字:日期:年月日
单位:姓名:成绩:
三、煤矿安全监测监控作业实操考试评分标准(A)
考评人员签字:日期:年月日
煤矿安全监测监控作业实操考试评分标准(B)
四、煤矿瓦斯检查作业实操考试评分标准(A)
煤矿瓦斯检查作业实操考试评分标准(B)
考评人员签字:日期:年月日
考评人员签字:日期:年月日
煤矿安全检查作业(岩巷作业线)实操考试评分标准(A)
考评人员签字:日期:年月日
考评人员签字:日期:年月日
考评人员签字:日期:年月日
考评人员签字:日期:年月日
考评人员签字:日期:年月日
六、煤矿提升机操作作业实操考试评分标准(A)
考评人员签字:日期:年月日
煤矿提升机操作作业实操考试评分标准(B)
考评人员签字:日期:年月日
七、煤矿采煤机操作作业实操考试评分标准(A)
煤矿采煤机操作作业实操考试评分标准(B)
考评人员签字:日期:年月日
九、煤矿防突作业实操考试评分标准(A)
考评人员签字:日期:年月日
煤矿防突作业实操考试评分标准(B)
考评人员签字:日期:年月日
十、煤矿探放水作业实操考试评分标准(A)
煤矿探放水作业实操考试评分标准(B)
考评人员签字:日期:年月日。
河南煤化某矿电机车司机岗位操作标准河南煤化某矿电机车司机岗位操作标准(一)现场交接班第一步接班司机准时进入工作地点,并主动询问交班司机机车运转情况、出现问题及处理情况。
第二步司机接班后检查照明灯是否明亮。
第三步检查制动闸是否可靠。
第四步检查警铃是否哄亮。
第五步检查撒砂装置是否可靠。
第六步检查电压是否符合规定。
第七步检查控制器换向是否完好,闭锁可靠。
第八步检查机车蓄电池是否安放牢靠。
第九步交接班司机把现场检查发现的问题落实清楚责任,现场交接班并填写交接班记录。
(二)开车步骤第一步检查机车车体、前后连接装置是否完好。
第二步检查列车装车、连车情况。
第三步司机上车,坐姿端正,目视前方。
第四步司机收到开车信号,确认无异常后,打开电源装置,并发出开车警铃。
第五步将控制手柄达到开车位置,松开制动闸,机车慢速启动。
第六步列车启动后,控制手柄从一档到二档,逐级加速,达到正常运行为止。
(三)停车步骤第一步司机收到停车信号后,将控制器手柄达到零位,制动闸逐渐施闸。
第二步机车停稳后,并将换向手把打到中位。
(四)安全注意事项1.各车之间连接件不标准,使用不规范;矿车上装载的物料轮廓,超过矿车轮廓尺寸,不得开车。
2.严禁不松闸开车。
3.严禁司机在车外开车。
4.严禁长时间强行拖曳空转,严禁为防止车轮打滑而施闸启动。
5.严禁人员将头或身体任何部位探出车外。
6.运送人员时,严禁同时运送有爆炸性的、易燃性的或腐蚀性的物品,或附挂物料车。
7.不得反向开车刹车。
8.禁止在操作手柄未回零位时施闸。
煤矿电机车司机实操考核标准一、适用工种本考核标准适用于煤矿电机车司机作业。
二、考核准备(一)每组考核所需要的主要设备和器材电机车、矿车或人车、车辆连接销、警示牌。
(二)现场要求1.考试现场架线及轨道质量合格,附近无杂物。
2.模拟的特殊地点做好相关警示标记。
3.考试场所配有消防设施,通风良好,光线充足。
4.考试场所设立警戒线。
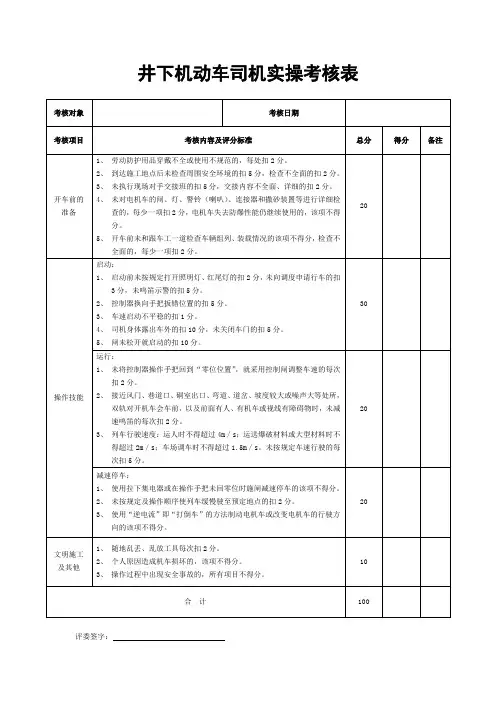
三、考核项目煤矿电机车司机实操考核共分四大项,10 个考核点。
考核项目一:开车前的准备与检查本项目主要考核学员必须掌握的必知必会内容及如何正确的对电机车进行运行前的各项检查及准备。
设定2 个考核点。
1. 手指口述:自救器、瓦斯便携仪使用方法及创伤急救方法。
2.手指口述:电机车运行前各项检查的内容、方法及注意事项。
考核项目二:电机车的操作运行本项目主要考核学员现场动手操作电机车运行的安全技能。
设定3 个考核点。
1.动手操作:电机车启动时的操作方法及行为规范。
2.动手操作:电机车正常运行时的操作方法3.手指口述:机车运行过程中的注意事项。
考核项目三:停车操作本项目主要考核学员正常的停车步骤和紧急情况下的操作方法。
设定3 个考核点。
1.动手操作:电机车正常的减速停车操作方法。
2.手指口述:电机车紧急情况下的操作方法及注意事项。
3.动手操作:制动停车后的操作行为规范。
考核项目四:交班收工本项目主要考核学员交班收工时的工作流程。
设定2 个考核点。
1.手指口述:电机车位置摆放及当班情况交接。
2.手指口述:运行日志、交接班等记录的规范填写。
四、考核评分标准见《煤矿电机车司机实操考核评分标准》煤矿电机车司机实操考核评分标准。
电机车司机三项标准一、岗位标准1、电机车司机必须经培训考试,取得合格证,并持证上岗。
2、电机车司机必须熟悉电机车的结构、性能、工作原理。
3、电机车司机不得擅自离开工作岗位。
4、电机车司机必须严格执行交接班制度,接班时详细询问上班列车运行、信号、线路等情况,并对电机车进行详细检查,对检查出的问题,要及时汇报。
5、每班工作结束后,必须填写有关记录并履行交接班手续后,方可离开岗位。
二、工作标准:1、操作时,司机应当坐在座位上,经常目视前方,左手握控制器操作手把,右手握制动手轮。
严禁将头或身体探出车外。
2、司机离开驾驶室时必须切断电动机电源,将控制器手把取下保管好,搬紧车闸,但不得关闭车灯。
3、禁止使用电机车牵引或推顶落道的机车、矿车、人车上道。
4、当电机车的闸、灯、警铃(喇叭)、连接器和撒砂装置中,任何一项不正常或防爆部分失去防爆性能时,都不得使用该机车。
5、开车前应督促跟车工认真检查车辆组列、装载情况等,有下列情况之一时,司机不得开车:(1)各车的联接不正常。
(2)牵引车数超过规定(矿车不得超过15辆、设备车不得超过5辆、人车不得超过10辆)(3)平车上装载物料的高度超过1.7米,宽度1.5米。
(4)运送物料的电机车车辆搭乘人员(不包括跟车工及特许人员)。
(5)运送人员的列车附挂物料或乘车人员不遵守乘车规定。
(6)运送有爆炸性、易燃性或腐蚀性物品时,在车辆使用、组列或装载等不符合规定。
(7)存在其它影响安全行车的隐患。
6、按顺序接通有关电(气)路,启动相应的电(气)仪表、仪器、开启照明灯、红尾灯。
7、接发车信号后,将控制器换向手把扳到相应的位置上(“向前”或“向后”),首先望前后道心有无障碍物和行人,确认无误后鸣笛两声,松闸起车,然后按顺时针方向转动控制器操作手把,使车速逐渐增加到运行速度。
严禁司机在车外开车,禁止不松闸就开车。
8、控制器操作手把由零位转到第一位置时,若列车不动,允许转到第二位置。
若列车依然不动,一般不应该继续下转手把,而应将手把转回零位,查明原因。
综采队各岗位操作规程及考核标准综采队2012年元月1、采煤机司机操作标准及考核细则 (3)2、刮板输送机司机操作标准及考核细则 (6)3、转载机司机操作标准及考核细则 (9)4、破碎机司机操作标准及考核细则 (12)5、刮板输送机集中控制操作工操作标准及考核细则 (14)6、带式输送机司机操作标准及考核细则 (17)7、乳化液泵司机操作标准及考核细则 (21)8、液压支架工操作标准及考核细则 (25)9、端头维护工(含端头架移架)操作标准及考核细则 (30)10、综采放顶煤工操作标准及考核细则 (36)11、综采机械维修工操作标准及考核细则 (39)12、综采维修电工操作标准及考核细则 (44)14、运料工操作标准及考核细则 (47)采煤机司机操作规程及考核细则一、一般规定第1条采煤机司机必须熟悉MGTY400/930-—3。
3D采煤机的性能及构造原理,通晓本操作规程,按完好标准维护保养采煤机,懂得回采基本知识及本工作面作业规程,经过培训考试取得合格证后,方可持证上岗。
第2条要和刮板输送机司机、转载机司机、乳化泵站司机、液压支架工及其他工作人员密切合作,按规定顺序开机、停机。
第3条不准用采煤机牵拉、推顶、拖吊其它物件.遇到硬岩要放松动炮,不准强行切割硬岩,更不能切割支架顶梁和巷道支护用钢梁、金属锚杆及金属网等。
第4条采煤机所有电气、液压保护装置必须灵敏可靠,严禁甩掉不用。
第5条采煤机的电动机及开关附近20米以内风流中瓦斯浓度达到1.5 %时必须立即停止运转,撤出人员,切断电源,进行处理。
第6条凡有下列情况之一者,不准开机割煤:6。
1无冷却水或水量达不到要求。
6。
2遇有坚硬夹层超过煤机截割硬度指标。
6.3溜子出现急弯。
6.4采高低于《作业规程》要求。
第7条对违章指挥,司机有权拒绝执行。
二、开机前的检查与处理第1条司机接班后要对采煤机和工作面情况全面了解,检查煤壁顶、底板的变化情况和支护情况。
第2条输送机应铺设得平直,中部槽是否错茬或严重变形,各紧固螺栓是否紧固等。
煤矿电机车司机实操考核标准
一、适用工种
本考核标准适用于煤矿电机车司机作业。
二、考核准备
(一)每组考核所需要的主要设备和器材
电机车、矿车或人车、车辆连接销、警示牌。
(二)现场要求
1.考试现场架线及轨道质量合格,附近无杂物。
2.模拟的特殊地点做好相关警示标记。
3.考试场所配有消防设施,通风良好,光线充足。
4.考试场所设立警戒线。
三、考核项目
煤矿电机车司机实操考核共分四大项,10个考核点。
考核项目一:开车前的准备与检查
本项目主要考核学员必须掌握的必知必会内容及如何正确的对
电机车进行运行前的各项检查及准备。
设定2个考核点。
1. 手指口述:自救器、瓦斯便携仪使用方法及创伤急救方法。
2. 手指口述:电机车运行前各项检查的内容、方法及注意事项。
考核项目二:电机车的操作运行
本项目主要考核学员现场动手操作电机车运行的安全技能。
设定3个考核点。
1.动手操作:电机车启动时的操作方法及行为规范。
2. 动手操作:电机车正常运行时的操作方法
3. 手指口述:机车运行过程中的注意事项。
考核项目三:停车操作
本项目主要考核学员正常的停车步骤和紧急情况下的操作方法。
设定3个考核点。
1.动手操作:电机车正常的减速停车操作方法。
2. 手指口述:电机车紧急情况下的操作方法及注意事项。
3. 动手操作:制动停车后的操作行为规范。
考核项目四:交班收工
本项目主要考核学员交班收工时的工作流程。
设定2个考核点。
1.手指口述:电机车位置摆放及当班情况交接。
2.手指口述:运行日志、交接班等记录的规范填写。
四、考核评分标准
见《煤矿电机车司机实操考核评分标准》
煤矿电机车司机实操考核评分标准。