实测实量表格模板.doc
- 格式:doc
- 大小:119.00 KB
- 文档页数:8
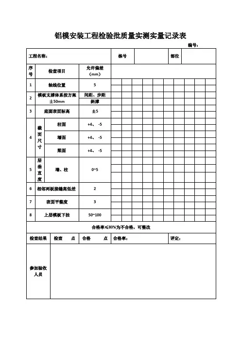
铝模安装工程检验批质量实测实量记录表
模板工程检查,首先要复核控制线,检查各墙柱轴线位置,楼层高度;
1、轴线位置
施工单位放出测量控制线,用卷尺测量与铝模板尺寸;
2、模板支撑体系按方案±50mm
梁立杆间距不大于1200mm,板立杆间距不大于1200mm;对拉螺杆横向不大于800mm,纵不大于900mm,背楞不大于900mm,斜撑不大于1200mm。
3、底面表面标高
先用红外线水平仪对准标高控制线,用塔尺垂直顶住模板底,红外线照在塔尺上读数记录
4、截面尺寸
用卷尺直接量测,柱头、墙、梁截面尺寸+4、-5为合格;
5、墙柱垂直度
用线锤固定于墙柱上端部,卷尺量测上中下三点数据对比超出6mm为不合格,需整改调整。
或用红外线水平仪对准轴线控制线,用卷尺量测。
6、相邻两板接缝高低差
用2米靠尺放于两板之间,用塞尺量测数据
7、表面平整度
两米靠尺,放于板面,缝隙最大位置塞尺插入量测数值,
8、上层模板下挂
外墙上层模板预留铝模板与下层模板相连。
实测实量标准1)、混凝土结构工程1、截面尺寸偏差指标说明:反映层高范围内剪力墙厚度、柱尺寸的偏差。
允许偏差值要求:现浇墙、柱、梁结构尺寸允许偏差为:+4mm、-2mm。
超过该允许偏差记为不合格.测量工具:5 米钢卷尺测量方法和数据记录(1) 以钢卷尺测量同一面墙/柱截面尺寸,精确至毫米。
(2)同一墙/柱面作为1 个实测区,累计实测实量5 个实测区。
每个实测区从地面向上300mm 和1500mm 各测量截面尺寸1 次,选取其中与设计尺寸偏差最大的数,作为判断该实测指标合格率的1 个计算点。
2、表面平整度指标说明:反映层高范围内剪力墙、砼柱表面平整程度。
允许偏差值要求:表面平整度允许偏差为:4mm.超过该允许偏差记为不合格。
测量工具:2 米靠尺、楔形塞尺测量方法和数据记录:(1)剪力墙/暗柱:选取长边墙,任选长边墙两面中的一面作为1 个实测区。
累计实测实量5 个实测区。
(2)当所选墙长度小于3 米时,同一面墙4 个角(顶部及根部)中任取2 个角。
按45 度角斜放靠尺,累计测2 次表面平整度。
这2 个实测值分别作为该指标合格率的2 个计算点。
(3)当所选墙长度大于3 米时,除按45 度角斜放靠尺测量两次表面平整度外,还需在墙长度中间水平放靠尺测量1 次表面平整度。
这3 个实测值分别作为判断该指标合格率的3 个计算点.3、垂直度指标说明:反映层高范围内剪力墙、混凝土柱表面垂直的程度.允许偏差值要求:垂直度允许偏差为:4mm(层高≦5m)、5mm(层高﹥5m). 超过该允许偏差记为不合格。
测量工具:2 米靠尺测量方法和数据记录:(1)剪力墙:任取长边墙的一面作为1 个实测区。
累计实测实量5 个实测区。
(2)当墙长度小于3 米时,同一面墙距两端头竖向阴阳角300mm 位置,分别按以下原则实测2 次:一是靠尺顶端接触到上部混凝土顶板位置时测1 次垂直度,二是靠尺底端接触到下部地面位置时测1 次垂直度,这2 个实测值分别作为判断该实测指标合格率的2 个计算点。
-------
附表三:实测实量记录表格式(A5版)
实测实量记录表目录
----
钢筋绑扎实测实量记录表(A5版) hnwj-gc-zl-scsl-01
----
----
----
----
----
----
内墙涂饰实测实量记录表(A5版) hnwj-gc-zl-scsl-05
----
------- 本表由质检组填写,由质量主管留存。
----
-------
水泥地面实测实量记录表(A5版) hnwj-gc-zl-scsl-06
----
地砖地面实测实量记录表(A5版) hnwj-gc-zl-scsl-07
楼梯地面实测实量记录表(A5版) hnwj-gc-zl-scsl-08
------- 本表由质检组填写,由质量主管留存。
饰面砖墙面实测实量记录表(A5版) hnwj-gc-zl-scsl-09
外墙抹灰实测实量记录表(A5版) hnwj-gc-zl-scsl-10
外墙保温实测实量记录表(A5版) hnwj-gc-zl-scsl-11
------- 本表由质检组填写,由质量主管留存。
-------
屋面找坡层、找平层实测实量记录表(A5版) hnwj-gc-zl-scsl-12
------- 本表由质检组填写,由质量主管留存。
屋面面层实测实量记录表(A5版) hnwj-gc-zl-scsl-13
防水层实测实量记录表(A5版) hnwj-gc-zl-scsl-14
安装实测实量记录表(A5版) hnwj-gc-azzl-scsl-01
本表由质检组填写,由质量主管留存。
三检制、实测实量数据上墙表格“三检制”、实测实量管理制度第⼀章总则第⼀条、⽬的为加强质量检测与监控,提⾼⼯程质量,减少质量通病,杜绝重⼤质量事故的发⽣,特制定本制度。
第⼆条、适⽤范围本制度根据集团⼯程管理制度(2013版)的相关规定,并对相关条款进⾏了修改。
本制度适⽤于集团所辖分公司及项⽬部。
第⼆章三检制度第三条、三检制要求⼯程“三检”制度是指对各道⼯序的施⼯质量始终坚持⾃检、互检、专职检制度,其⽬的是加强对施⼯过程中的质量控制,严格要求⼯序质量,将⼯程质量通病和不⾜之处消除在分项⼯序之中,“三检”制度应贯穿于⼯程施⼯的全过程(包括装饰装修和⽔电安装阶段)。
3·1 ⾃检⾃检就是班组对⾃⼰完⼯的分项⼯程,按照图纸、⼯艺或合同中规定的技术标准⾃⾏进⾏检验,并做出是否合格的判断,这种检验充分体现了劳务⼯⼈必须对⾃⼰施⼯的质量负责。
通过⾃我检验,使劳务⼯⼈充分了解⾃⼰在质量上存在的问题,寻找出现问题的原因,进⽽采取改进的措施,这也是⼯⼈参加质量管理的重要形式。
3·2 互检互检就是班组相互之间进⾏检验。
互检主要有:下道⼯序对上道⼯序流转过来的产品进⾏抽检;同⼀个⼯序进⾏轮班交接时进⾏的相互检验;班组长对本⼩组⼯⼈加⼯出来的产品进⾏抽检等。
这种检验有利于保证质量,防⽌疏忽⼤意⽽造成质量问题。
3·3 专职检专职检就是由专职质检员或施⼯员按照图纸、⼯艺或合同中规定的技术标准、规范对劳务施⼯质量进⾏检验。
专业检验是现代化⼤⽣产劳动分⼯的客观要求,它是互检和⾃检不能取代的。
第四条三检制度流程4·1 各分部、分项、检验批⼯程,尤其是隐蔽⼯程每个⼯序施⼯完成,班组必须⾃检,⾃检要作⽂字记录。
⾃检合格后,由项⽬部质量管理⼈员验收。
在内部⾃⾏验收合格的基础上,⽅可通知监理进⾏验收。
4·2 本⼯种⼯作完成后,在不同⼯种间还应进⾏互检,检查对⽅施⼯⼯序与本⼯种⼯序衔接的正确性、与设计图纸、国家规范的符合性,若有不符,应及时向对⽅班组质检员或项⽬部专职质检员提出。
“三检制”、实测实量管理制度第一章总则第一条、目的为加强质量检测与监控,提高工程质量,减少质量通病,杜绝重大质量事故的发生,特制定本制度。
第二条、适用范围本制度根据集团工程管理制度(2013版)的相关规定,并对相关条款进行了修改。
本制度适用于集团所辖分公司及项目部。
第二章三检制度第三条、三检制要求工程“三检”制度是指对各道工序的施工质量始终坚持自检、互检、专职检制度,其目的是加强对施工过程中的质量控制,严格要求工序质量,将工程质量通病和不足之处消除在分项工序之中,“三检”制度应贯穿于工程施工的全过程(包括装饰装修和水电安装阶段)。
3·1 自检自检就是班组对自己完工的分项工程,按照图纸、工艺或合同中规定的技术标准自行进行检验,并做出是否合格的判断,这种检验充分体现了劳务工人必须对自己施工的质量负责。
通过自我检验,使劳务工人充分了解自己在质量上存在的问题,寻找出现问题的原因,进而采取改进的措施,这也是工人参加质量管理的重要形式。
3·2 互检互检就是班组相互之间进行检验。
互检主要有:下道工序对上道工序流转过来的产品进行抽检;同一个工序进行轮班交接时进行的相互检验;班组长对本小组工人加工出来的产品进行抽检等。
这种检验有利于保证质量,防止疏忽大意而造成质量问题。
3·3 专职检专职检就是由专职质检员或施工员按照图纸、工艺或合同中规定的技术标准、规范对劳务施工质量进行检验。
专业检验是现代化大生产劳动分工的客观要求,它是互检和自检不能取代的。
第四条三检制度流程4·1 各分部、分项、检验批工程,尤其是隐蔽工程每个工序施工完成,班组必须自检,自检要作文字记录。
自检合格后,由项目部质量管理人员验收。
在内部自行验收合格的基础上,方可通知监理进行验收。
4·2 本工种工作完成后,在不同工种间还应进行互检,检查对方施工工序与本工种工序衔接的正确性、与设计图纸、国家规范的符合性,若有不符,应及时向对方班组质检员或项目部专职质检员提出。
以下是一个示例的住建部面积实测表格模板:
楼层房间
号
租赁面积(单位:平
方米)
公摊面积(单位:平
方米)
套内面积(单位:平
方米)
1楼A101[填写租赁面积][填写公摊面积][填写套内面积]
1楼A102[填写租赁面积][填写公摊面积][填写套内面积]
2楼B201[填写租赁面积][填写公摊面积][填写套内面积] ...............
请注意,以上仅为一个示例的住建部面积实测表格模板。
实际的表格应根据具体的房源或项目需求进行设计。
在填写表格时,请准确记录楼层、房间号以及相应的租赁面积、公摊面积和套内面积。
这有助于对房屋空间的合理分配和面积核算进行管理。
此外,您可能还需要添加其他列或栏目,如房屋用途、建筑结构等,以便更全面地记录和管理房屋面积信息。
住建部面积实测表是为了确保房屋出租、销售或管理过程中的面积准确性而进行的测量记录。
在填写表格时,请严格按照相关规定和要求进行操作,并保留相应的测量数据和证明材料。
如果您需要更专业和个性化的住建部面积实测表格模板,建议您咨询相关的房地产开发商、物业管理公司或房地产专业人士,以便根据实际需求进行自定义设计。
项目实测实量数据上墙张贴表实用文档(实用文档,可以直接使用,可编辑优秀版资料,欢迎下载)中建三一西部公司_______________项目_______________ 项目中建三一西部公司中建三一西部公司_______________项目中建三一西部公司_______________ 项目中建三一西部公司_______________项目中建三一西部公司_______________ 项目中建三一西部公司__________项目_____栋_____层实测实量统计表质量负责人:时间:中建三一西部公司__________项目_____栋_____层实测实量统计表质量负责人:时间:项目质量总监岗位职责1、在项目总工领导下,全面负责项目质量的监督检查工作.2、协助项目总工主持项目质量管理和质量保证体系日常生活.3、负责工程项目原始记录表格(检查证)中属于质检人员签证的各项签认事宜,按规定时间向上级报送工程质量统计报表。
4、负责、施工全过程的工程质量监督、检查及各工序交接的质量验收工作。
5、负责配合建设单位、监理工程师进行有关工程质量检查及各种原始记录、工程检查证的签字验收工作。
对监理工程师指出有关工程质量方面存在的问题提出具体意见,协助搞好工程成本控制。
6、督促、检查施工技术治疗的整理工作。
对测量原始记录、试验检测报告以及送交监理工程师的签证资料和各项试验资料是否齐全,数据是否正确,内容是否正确等进行认真审查,履行签证手续。
7、审查试验室所做的各种建筑材料分析鉴定和配合比、砼强度及其他技术指标,未经监理工程师的签证资料不能批量进货,经检验属不合格材料不准使用。
8、参加项目部组织的工程质量质检检查及有关工程质量方面的会议.对采用的新技术、新工艺在实施过程中对其关键工序进行检查。
9、参加项目部每月一次的工程质量检查。
10、对由于质检工程疏漏、失职造成的工程质量事故承担责任。
XXXXXXXXXXXX公司实验员、资料员岗位职责1、在项目总工程师领导下,根据施工组织设计和质量计划,编制项目试验工作计划。
项目层
现浇混凝土结构实测实量记录
项目部按每层10点进行检测,超差点用“○”圈住,公司对标注的点抽查3点,对没有标注部位抽查2点,若抽查不合格或与实际不符,要求项目重新测量。
项目层砌筑工程实测实量记录
项目部按每层10点进行检测,超差点用“○”圈住,公司对标注的点抽查3点,对没有标注部位抽查2点,若抽查不合格或与实际不符,要求项目重新测量。
精品文档 2
项目层
一般抹灰工程实测实量记录
项目部按每层10点进行检测,超差点用“○”圈住,公司对标注的点抽查3点,对没有标注部位抽查2点,若抽查不合格或与实际不符,要求项目重新测量。
精品文档 3
项目层
饰面砖粘贴(墙面)工程实测实量记录
项目部按每层10点进行检测,超差点用“○”圈住,公司对标注的点抽查3点,对没有标注部位抽查2点,若抽查不合格或与实际不符,要求项目重新测量。
精品文档 4
项目层
地面砖面层工程实测实量记录
项目部按每层10点进行检测,超差点用“○”圈住,公司对标注的点抽查3点,对没有标注部位抽查2点,若抽查不合格或与实际不符,要求项目重新测量。
精品文档 5
项目层
电气安装工程实测实量记录
项目部按每层10点进行检测,超差点用“○”圈住,公司对标注的点抽查3点,对没有标注部位抽查2点,若抽查不合格或与实际不符,要求项目重新测量。
精品文档 6
项目层
现浇混凝土结构顶板水平度实测实量记录
精品文档7
精品文档8。