第三方实测实量表格
- 格式:xls
- 大小:50.00 KB
- 文档页数:9
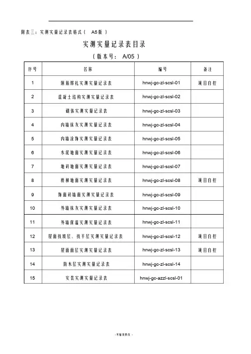
附表三:实测实量记录表格式(A5 版)实测实量记录表目录(版本号:A/05 )序号名称编号备注1 钢筋绑扎实测实量记录表hnwj-gc-zl-scsl-01 项目自控2 混凝土结构实测实量记录表hnwj-gc-zl-scsl-023 砌体实测实量记录表hnwj-gc-zl-scsl-034 内墙抹灰实测实量记录表hnwj-gc-zl-scsl-045 内墙涂饰实测实量记录表hnwj-gc-zl-scsl-056 水泥地面实测实量记录表hnwj-gc-zl-scsl-067 地砖地面实测实量记录表hnwj-gc-zl-scsl-078 楼梯地面实测实量记录表hnwj-gc-zl-scsl-08 项目自控9 饰面砖墙面实测实量记录表hnwj-gc-zl-scsl-0910 外墙抹灰实测实量记录表hnwj-gc-zl-scsl-1011 外墙保温实测实量记录表hnwj-gc-zl-scsl-1112 屋面找坡层、找平层实测实量记录表hnwj-gc-zl-scsl-12 项目自控13 屋面面层实测实量记录表hnwj-gc-zl-scsl-13 项目自控14 防水层实测实量记录表hnwj-gc-zl-scsl-1415 安装实测实量记录表hnwj-gc-azzl-scsl-01-可编辑修改-钢筋绑扎实测实量记录表(A5 版)hnwj-gc-zl-scsl-01 工程名称楼栋楼层劳务班组实测日期构实测实测件项目标准实测值实测不合合格点数格数率墙网眼尺寸墙墙柱筋搭接长柱度±20mm 0,+50m m柱箍筋±洞口骨架宽、梁锚固梁长度长(悬挑)±10mm 宽、高± 0,+50mm梁箍筋间距±20mm板板网眼±尺寸20mm马凳马凳垫块垫块间距±100m m保柱梁±5m m护层板墙±3mm钢筋及绑扎外观质量焊接及机械连接质量合计班组负责人实测人施工主管质量主管生产经理技术主管工程项目经理本表由质检组填写,由质量主管留存。
模板工程标高检查记录表表1 工程名称楼幢号单元/楼层施工单位监理单位仪器编号序号检查项目检查位置实测数据(偏差值)mm设计值极差最大偏差备注整改后情况1 2 3 4 51 1m线控制点2 1m线控制点3 1m线控制点4 1m线控制点5 模板面标高6789101112131415161718检查说明:1、编号原则:西北角为1号点,以顺时针编号,中间点位5号点,如下图。
2、1m标高控制点每个单元检查4个角点,标高需从±0.000自下向上引,防止累积误差,高层可设阶段性控制点。
模板标高:房间、客厅测5点。
厨卫阳台可测对角线2-3点。
3、合格表准:标高控制点:±2mm。
模板标高允许偏差±5mm,极差允许偏差10mm。
将不合格点用红笔画圈标注。
4、将标注检测点编号的平面图作为本表附件。
检查时间复查时间检查人员复查人施工方确认监理方确认工程部确认模板工程电梯井模板中心线检查记录表表2 工程名称楼幢号楼层施工单位监理单位仪器编号电梯井编号实测数据备注整改后复查数据备注中心线偏差中心线偏差1 2 3 4 1 2 3 4J1J2J3J4J5J6J7J8J9垂直度偏差垂直度偏差J1J2J3J4J5J6J7 J8 J9检查说明:1、检查范围:电梯井全数检查,每个电梯井设置4个检测点,在4个面的中间。
2、电梯井自东向西编号。
3合格标准:中心线允许偏差5mm,垂直度允许偏差8mm。
不合格点用红笔圈注。
检查时间复查时间检查人员复查人施工方确认监理方确认工程部确认模板工程截面尺寸检查记录表表3工程名称楼幢号单元/楼层施工单位监理单位仪器编号编号检查部位描述长宽高备注整改情况构件名称横轴纵轴设计值实测数据偏差设计值实测数据偏差设计值实测数据偏差是否合格1 2 3 4 5 6 7 8 91011121314151617181920212223242526检查时间复查时间检查人员复查人施工方确认监理方确认工程部确认模板工程垂直度检查记录表表4 工程名称楼幢号单元/楼层施工单位监理单位仪器编号编号检查构件实测数据(偏差值)mm备注整改后情况横轴方向纵轴方向上下垂直度上下垂直度1 Q12 Q23 Q34 Q45 Q56 Q67 Z18 Z29 Z310 Z411 Z512 Z6检查说明:1、检查范围:外墙大阳角、阴角、窗间短墙、柱全数检查,角部测角的两侧30cm 位置,窗间墙、柱测两个侧面。
土结构工程砌(墙面瓷砖铺贴预留厚度),以此作为偏差计算的数值进行合格性判断。
每1个座便器预留排水管孔距的实测值与设计值之间的偏差值,作为判断该实测指标合格率的1个计算点。
长城杯[0,10]差面打灰饼或抹灰完成或装饰面完成阶段,且管孔填嵌固定后测量。
实测前,通过图纸确定座便器预留排水管孔座便预留排距,并将其管孔中心距换算为管外壁距墙体装修完成面国标及万科、中海水工用卡尺测量厚度,用卷尺测量附加层范围(长、宽、高);如装饰面已完,则通过闭水检验,不实测此指标。
当同一个测区内,7个实测点的防水涂膜切片无成膜或分层,或范围不符合合格标准、或切片厚度小于设计厚度的150%时,该实测区不合格;以上各条均符合合格标准,该实测区按合格计。
300,过门框向外延伸200。
涂膜厚度:附加层部位的切片厚度不小于非附加层部位设计厚度的150%。
之间的缝隙。
如能插入,则该测量点不合格;反之则该测量点合格。
2条接缝高低差的实测值,分别作为判断该实测指标合格率的2个计算点。
0.5]mm 部位设一个实测点,取1个实测值。
所有实测值全部合格,则该实测区合格;一个实测区作为1个计数点。
同一实测区内,分别在侧排口、落水口、管道周边、阴阳角、烟道反坎、管井反坎、门框底7个附加防水层部位,分置尺寸:防水附加层应从阴角开始上反和水平延伸各不小于250。
附加层四周上返高程为1个实测区。
在每一饰面砖墙面,目测选取2条疑似高低差最大的饰面砖接缝。
用钢尺或其他辅助工具紧靠相说明:参加检查人员应为项目部主管土建工程师、质量总监/质量员、分包土建工程师、分包质量员。
YLTKS-HD1标检测统计表检测内容检测数量单位合格数量合格率(%) 备注施工现场检查15 次/ /内业资料检查7 次/ /质保体系检查 1 次/ /控制网复测11 点/ /原材料试验(水泥、砂、石、钢筋及焊接件)31 组31 100压顶前沿(轴)线位置58 处49 84.5 顶面高程74 处72 97.2 顶面宽度90 处90 97.4 相邻段错台60 处60 100 平整度60 处60 100 变形缝缝宽60 处60 100 回弹强度44 构件44 100挡墙前沿(轴)线位置111 处90 81.1 顶面高程129 处105 81.4 顶面宽度92 处92 100 相邻段错台57 处57 100 平整度76 处76 100 变形缝缝宽66 处66 100 回弹强度52 构件52 100底板前沿(轴)线位置17 处14 82.4 钢筋保护层厚度1056 处866 82.0 混凝土抗压强度 2 组 2 100 厚度63 处61 96.8 顶面高程51 处47 92.2 宽度12 处12 100二级挡墙压顶前沿(轴)线位置196 处182 92.8 顶面高程12 处11 91.7顶面宽度72 处67 93.0相邻段错台48 处48 100平整度48 处48 100 变形缝缝宽48 处45 93.8回弹强度51 构件51 100YLTWTH-HD1标检测统计表检测内容检测数量单位合格数量合格率(%) 备注施工现场检查4次/ /内业资料检查5次/ /质保体系检查0次/ /控制网复测9点/ /原材料试验(水泥、砂、石、钢筋及焊接件)8组8 100压顶前沿(轴)线位置382处379 99.2 顶面高程144处139 96.5 顶面宽度444处437 98.4 相邻段错台296处288 97.3 平整度296处286 96.6 变形缝缝宽296处290 98.0 回弹强度232构件232 100挡墙前沿(轴)线位置148处135 91.2 顶面高程177处165 93.2 顶面宽度201处193 96.0 相邻段错台125处119 95.2 平整度120处114 95.0 变形缝缝宽124处117 94.4 回弹强度89构件89 100底板前沿(轴)线位置46处45 97.8厚度57处57 100顶面高程63处59 93.7宽度33处32 97.0YLTTC-HD3标检测统计表检测内容检测数量单位合格数量合格率(%) 备注施工现场检查11 次/ /内业资料检查 1 次/ /质保体系检查 1 次/ /控制网复测7 点/ /原材料试验(水泥、砂、石、钢筋及焊接件)24 组24 100压顶前沿(轴)线位置 351 处329 93.7 顶面高程 72 处69 95.8 顶面宽度 336 处329 97.9 相邻段错台 224 处 220 98.2 平整度 224 处 219 97.8 变形缝缝宽 224 处218 97.3 回弹强度 194 构件 194 100挡墙前沿(轴)线位置 155 处145 93.5 顶面高程 120 处109 90.8 顶面宽度 207 处199 96.1 相邻段错台 153 处150 98.0 平整度 138 处 133 96.4 变形缝缝宽 146 处 142 97.3 回弹强度 81 构件 81 100底板前沿(轴)线位置 29 处27 93.1 厚度21 处21 100 顶面高程54 处46 95.2 宽度57 处56 98.2护底厚度 5 处 5 100YLTTC-HD4标检测统计表检测内容检测数量单位合格数量合格率(%) 备注施工现场检查7 次/ /内业资料检查 6 次/ /原材料试验(水泥、砂、石、钢筋及焊接件)8 组8 100压顶前沿(轴)线位置267 处251 94.0 顶面高程18 处17 94.4 顶面宽度345 处332 96.2 相邻段错台230 处227 98.7平整度230 处225 97.8 变形缝缝宽230 处229 99.6 回弹强度149 构件149 100 钢筋保护层厚度660 处540 81.8挡墙前沿(轴)线位置67 处65 97.0 顶面高程144 处138 95.8 顶面宽度151 处146 96.7 相邻段错台96 处90 93.8 平整度106 处103 97.2 变形缝缝宽106 处105 99.1 回弹强度46 构件46 100 钢筋保护层厚度960 处840 87.5底板前沿(轴)线位置44 处38 86.4 厚度21 处20 95.2 顶面高程132 处128 96.7 宽度63 处62 98.4帽梁前沿(轴)线位置16 处14 87.5 顶面宽度30 处28 93.3相邻段错台20 处19 95.0 平整度20 处19 95.0 变形缝缝宽20 处19 95.0回弹强度12 构件12 100 钢筋保护层厚度420 处349 83.1YLT-YL-TJ标检测统计表检测内容检测数量单位合格数量合格率(%)备注施工现场检查15 次/ /内业资料检查9 次/ /控制网复测13 点/ /原材料试验(水泥、砂、石、钢筋及焊接件)82 组82 100引航道墙身(包括上下游)前沿(轴)线位置256 处242 94.5含:上游南北岸,下游大小挡墙及主辅导航墙顶面高程176 处161 91.5顶面宽度54 处54 100相邻段错台43 处41 95.3 平整度25 处25 100 变形缝缝宽43 处42 97.7回弹强度134 构件134 100引航道底板(包括上下游)前沿(轴)线位置175 处158 90.3 顶面高程98 处91 92.9 宽度43 处41 95.3 厚度12 处12 100 回弹强度56 构件56 100靠船墩接桩回弹强度44 构件44 100 钢筋保护层1380 处1147 83.1靠船墩底板回弹强度7 构件7 100跨闸公路桥立柱回弹强度8 构件8 100 钢筋保护层300 处245 81.7跨闸公路桥护栏回弹强度 5 构件 5 100 钢筋保护层300 处253 84.3船闸闸室墙回弹强度 3 构件 3 100 钢筋保护层180 处154 85.6船闸闸室底板回弹强度 3 构件 3 100 钢筋保护层180 处148 82.2船闸上闸首回弹强度 1 构件 1 100 钢筋保护层60 处51 85.0节制闸回弹强度 5 构件 5 100 钢筋保护层300 处271 90.3分水堤现浇墙身回弹强度 3 构件 3 100 钢筋保护层180 处157 87.2下游挡浪板高程30 处28 93.3 宽度20 处20 100 钢筋保护层厚度1320 处1204 91.2 回弹强度43 构件43 100 前沿(轴)线位置58 处55 94.8下游斜坡式护岸格梗回弹强度 5 构件 5 100下游远调站回弹强度9 构件9 100涵洞回弹强度8 构件8 100 下游防洪大堤堤顶道路压实度 6 点 6 100下游MD 靠船墩接桩钢筋保护层厚度1260 处1138 90.3 回弹强度30 构件30 100。
之差,抽测不合格点数据在表内用笔圈出。
2、L,距墙(柱)角为300~500mm各测1点,中心处测1点。
之差,抽测不合格点数据在表内用笔圈出。
2、L,距墙(柱)角为300~500mm各测1点,中心处测1点。
之差,抽测不合格点数据在表内用笔圈出。
2、L,距墙(柱)角为300~500mm各测1点,中心处测1点。
之差,抽测不合格点数据在表内用笔圈出。
2、L,距墙(柱)角为300~500mm各测1点,中心处测1点。
之差,抽测不合格点数据在表内用笔圈出。
2、L,距墙(柱)角为300~500mm各测1点,中心处测1点。
之差,抽测不合格点数据在表内用笔圈出。
2、L,距墙(柱)角为300~500mm各测1点,中心处测1点。
之差,抽测不合格点数据在表内用笔圈出。
2、L,距墙(柱)角为300~500mm各测1点,中心处测1点。
之差,抽测不合格点数据在表内用笔圈出。
2、L,距墙(柱)角为300~500mm各测1点,中心处测1点。
之差,抽测不合格点数据在表内用笔圈出。
2、L,距墙(柱)角为300~500mm各测1点,中心处测1点。
之差,抽测不合格点数据在表内用笔圈出。
2、L,距墙(柱)角为300~500mm各测1点,中心处测1点。