主体结构分部工程质量验收记录最新版
- 格式:doc
- 大小:25.00 KB
- 文档页数:2
配筋砌体分项工程质量验收记录
主体结构分部工程质量验收记录
注:1、地基与基础分部工程的验收应由施工、勘察、设计、单位项目负责人和总监理工程师参加并签字。
2、主体结构、节能分部工程的验收应由施工、设计单位项目负责人和总监理工程师参加并签字。
10010101-
10010201-
电梯安装导轨检验批质量验收记录
10010401-
电梯安装门系统检验批质量验收记录
10010501-
10010601-
10010701-
电梯安装安全部件检验批质量验收记录
10010801-
电梯安装悬挂装置、随行电缆、补偿装置检验批质量验收记录
电梯安装电气装置检验批质量验收记录
10011001-
电梯安装整机安装验收检验批质量验收记录
电梯安装液压系统检验批质量验收记录
电梯安装悬挂装置、随行电缆检验批质量验收记录
电梯安装整机安装验收检验批质量验收记录。
配筋砌体分项工程质量验收记录
主体结构分部工程质量验收记录
注:1、地基与基础分部工程的验收应由施工、勘察、设计、单位项目负责人和总监理工程师参加并签字。
2、主体结构、节能分部工程的验收应由施工、设计单位项目负责人和总监理工程师参加并签字。
10010101-
10010201-
电梯安装导轨检验批质量验收记录
10010401-
电梯安装门系统检验批质量验收记录
10010501-
10010601-
10010701-
电梯安装安全部件检验批质量验收记录
10010801-
电梯安装悬挂装置、随行电缆、补偿装置检验批质量验收记录
电梯安装电气装置检验批质量验收记录
10011001-
电梯安装整机安装验收检验批质量验收记录
电梯安装液压系统检验批质量验收记录
电梯安装悬挂装置、随行电缆检验批质量验收记录
电梯安装整机安装验收检验批质量验收记录。
楼主体结构分部工程验收记录第一章引言本次楼主体结构分部工程验收记录主要针对新建住宅楼主体结构进行验收,并将其分为基础、框架和墙体三个部分进行详细记录和评估。
第二章基础部分2.1进场准备验收人员在进场前对基础部分进行了准备工作,检查了土地平整情况以及基础施工图设计的一致性。
2.2施工过程基础部分的施工过程经过了地面平整、基坑开挖、土方回填、基础搅拌站注浆、钢筋绑扎、混凝土浇筑等多个环节。
2.3施工质量验收人员对基础部分进行了质量检查,发现基础搅拌站注浆过程中注浆浆液均匀且无明显裂缝。
同时,调查了各工艺的施工记录和质量检测报告,发现基础部分达到了设计要求并具有良好的质量。
第三章框架部分3.1进场准备验收人员检查了框架部分的施工材料以及施工所需的手续和环境条件,确保施工质量符合相关规定。
3.2施工过程框架部分的施工过程涉及到施工图纸的翻译和理解、配筋方案的确定、立柱、梁、楼板的浇筑等。
3.3施工质量验收人员对框架部分进行了质量检查,发现各构件尺寸精确、焊接接头牢固、砼质量符合要求。
同时,查阅了现场施工记录和质量检测报告,发现框架部分的施工质量良好,达到了设计要求。
第四章墙体部分4.1进场准备验收人员对墙体部分的施工材料进行了检查,确保墙体施工符合相关规定。
4.2施工过程墙体部分的施工过程涉及到墙体砌筑、加强筋安装、墙体外保温材料的施工等。
4.3施工质量验收人员对墙体部分进行了质量检查,发现墙体砌筑牢固、垂直度符合要求、墙体外保温材料完好无损。
同时,通过查阅施工记录和质量检测报告,发现墙体部分的施工质量良好,达到了设计要求。
第五章总结本次楼主体结构分部工程的验收记录对基础、框架和墙体三个部分进行了详细记录和评估。
经过验收人员的仔细检查和评估,整个楼主体结构分部工程的施工质量达到了设计要求,并具有良好的质量。
同时,本次验收记录对整个工程的施工过程进行了系统的记录,为后续的工程验收提供了参考依据。
希望本次验收记录能为今后类似工程提供一定的参考价值。
主体结构分部工程验收记录
编号:
注:1、地基与基础分部工程的验收应由施工、勘察、设计单位项目负责人和总监理工程师参加并签字。
2、主体结构、节能分部工程的验收应由施工、设计单位项目负责人和总监理工程师参加并签字。
混凝土结构子分部工程验收记录
编号:
注:1、地基与基础分部工程的验收应由施工、勘察、设计单位项目负责人和总监理工程师参加并签字。
2、主体结构、节能分部工程的验收应由施工、设计单位项目负责人和总监理工程师参加并签字。
砌体结构子分部工程验收记录
编号:
注:1、地基与基础分部工程的验收应由施工、勘察、设计单位项目负责人和总监理工程师参加并签字。
2、主体结构、节能分部工程的验收应由施工、设计单位项目负责人和总监理工程师参加并签字。
主体结构分部工程质量验收记录
观感质量验收
综合验收
结论
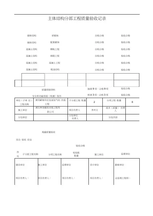
建设单位施工单位监理单位设计单位勘察单位
项目负责人:项目负责人:项目负责人:项目负责人:总监理工程师:单位(子单位)
工程名称
黄冈蕲春吴庄加油加气站改造
工程
子分部工程数量
2
分项工程数量
6施工单位
湖北林海建筑安装工程有
限公司
项目负责人李齐文
技术(质量)负责
人分包单位
分包单位
负责人分包内容子分部工程名称分项工程名称施工单位监理单位
检验批
数量
序
号
砌体结构砖砌体自检合格验收合格
砌体结构配筋砌体自检合格验收合格
混凝土结构模板工程自检合格验收合格
混凝土结构钢筋工程自检合格验收合格
混凝土结构混凝土工程自检合格验收合格
混凝土结构现浇结构自检合格验收合格
质量控制资料
安全和功能检验(检测)报告
抽查9项,合格9项
核查3项,合格3项
验收合格
验收合格
验收合格。
主体结构分部工程质量验收记录1. 引言主体结构分部工程质量验收记录是为了检查和确认主体结构分部工程的施工质量是否符合相关标准和规范,以确保建筑物的结构安全和稳定。
验收记录应当详细记录每个分部工程的施工情况和验收结果。
2. 验收范围本次主体结构分部工程质量验收涵盖以下分部工程: - 地基工程 - 混凝土结构工程 - 钢结构工程 - 木结构工程 - 石结构工程 - 砖砌结构工程3. 验收要点3.1 地基工程•地基基础的承载力和稳定性是否满足设计要求。
•地基处理过程中是否按照设计要求进行操作。
•地基处理材料的质量和使用情况。
3.2 混凝土结构工程•混凝土浇筑过程中是否按照施工图纸和施工工艺进行操作。
•混凝土的配合比是否符合设计要求。
•浇筑混凝土时的现场质量控制措施是否有效。
3.3 钢结构工程•钢材的质量和规格是否符合设计要求。
•钢结构的制作、加工和安装过程中是否按照相关标准进行操作。
•钢结构连接部位的强度和稳定性是否符合设计要求。
3.4 木结构工程•木材的质量和规格是否符合设计要求。
•木结构的制作、加工和安装过程中是否按照相关标准进行操作。
•木结构连接部位的强度和稳定性是否符合设计要求。
3.5 石结构工程•石材的质量和规格是否符合设计要求。
•石结构的制作、加工和安装过程中是否按照相关标准进行操作。
•石结构连接部位的强度和稳定性是否符合设计要求。
3.6 砖砌结构工程•砖砌材料的质量和规格是否符合设计要求。
•砖砌结构的制作、加工和安装过程中是否按照相关标准进行操作。
•砖砌结构连接部位的强度和稳定性是否符合设计要求。
4. 验收程序4.1 准备工作•验收前,组织人员应准备好验收所需的文件和资料,包括设计图纸、施工规范、施工记录等。
4.2 实地检查•验收人员按照工程验收范围,对每个分部工程进行实地检查。
•检查时应注意记录施工过程中存在的问题和不足,并及时提出整改意见。
4.3 检查记录•验收人员应详细记录每个分部工程的实地检查情况和检查结果。