钢筋机械连接接头施工质量检查验收记录
- 格式:docx
- 大小:149.44 KB
- 文档页数:3
钢筋工程检验批质量验收记录G2-2钢筋工程检验批质量验收记录填写说明主控项目1、材料应符合下列规定:①、钢筋、焊条的品种、牌号、规格和技术性能必须符合设计和规范要求。
检查数量:全数检查。
检验方法:检查产品合格证、出厂检验报告。
②、钢筋进场时,必须按批抽取试件作力学性能(屈服强度、抗拉强度和伸长率)和工艺性能(冷弯)试验,其质量必须符合《钢筋混凝土用热轧光圆钢筋》(GB13013)和《钢筋混凝土用热轧带肋钢筋》(GB1499)等现行国家标准的规定和设计要求。
检验数量:以同牌号、同炉罐号、同规格、同交货状态的钢筋,每60t为一批,不足60t也按一批计,每批抽检1次。
监理单位100﹪见证取样检测,30﹪须见证取样送检。
检验方法:施工单位检查每批质量证明书和进行试验。
监理单位检查全部质量证明书和试验报告并进行见证取样检测。
③、当钢筋出现脆断、焊接性能不良或力学性能显著不正常等现象时,应对该批钢筋进行化学成分分析或其他专项检验。
检验数量:该批钢筋全数检查。
检验方法:检查专项检验报告。
2、受力钢筋弯制和末端弯钩均应符合设计要求。
当设计未提出要求时,应符合下列规定:①、HPB235级别钢筋的末端应作180°弯钩,其弯曲直径D不得小于钢筋直径的2.5倍,钩端应留有不小于钢筋直径3倍的直线段。
②、当设计要求钢筋末端需作135°弯钩时,HRB335级、HRB400级钢筋的弯曲直径D分别不得小于钢筋直径的4倍、5倍,钩端应留有不小于钢筋直径5倍的直线段。
③、采用90°弯钩时,HRB335级、HRB400级钢筋的弯曲直径D分别不得小于钢筋直径的4倍、5倍,钩端应留有不小于钢筋直径10倍的直线段。
④、各类钢筋做不大于90°的中间弯制时,弯曲直径D不得小于钢筋直径的20倍。
检验数量:每工作日同一类型钢筋抽查不少于3件。
检验方法:用钢尺量。
3、箍筋末端弯钩的形式应符合设计要求。
当设计未提出要求时,应符合下列规定:①、弯钩的弯曲直径应大于受力钢筋直径,且HPB235级钢筋不得小于箍筋直径的2.5倍,HRB335不得小于箍筋直径的4倍;②、箍筋弯钩的弯折角度:对一般结构,不应小于90°;对有抗震等要求的结构,应为135°;③、箍筋弯后平直部分长度:对一般结构,不宜小于箍筋直径的5倍;对有抗震等要求的结构,不得小于箍筋直径的10倍。
钢筋验收记录表日期:xxxx年xx月xx日工地名称:xxxx工地施工单位:xxxx公司监理单位:xxxx监理公司验收人员:xxxx一、基本情况本次钢筋验收是针对xxxx工地的xxxx部位进行的。
工地位于xxxx 地区,施工单位为xxxx公司,监理单位为xxxx监理公司。
二、验收内容1. 钢筋数量验收根据设计要求,对xxxx部位的钢筋数量进行验收。
通过对工地现场的实际情况进行核对,确认钢筋数量符合设计要求。
2. 钢筋规格验收对xxxx部位的钢筋规格进行验收。
根据设计图纸和施工图纸要求,检查现场所使用的钢筋规格是否符合要求。
3. 钢筋间距验收根据设计要求,对xxxx部位的钢筋间距进行验收。
通过测量实际间距,并与设计要求进行比对,确认钢筋间距符合设计要求。
4. 钢筋质量验收对xxxx部位的钢筋质量进行验收。
通过对现场钢筋进行目测和手触,检查钢筋的表面是否平整、无裂纹、无锈蚀等质量问题。
三、验收结果经过以上的验收工作,确认如下结果:1. 钢筋数量符合设计要求,没有缺漏情况。
2. 钢筋规格符合设计要求,没有使用错误的规格。
3. 钢筋间距符合设计要求,没有超出或不足的情况。
4. 钢筋质量符合要求,没有出现质量问题。
四、存在问题及处理情况在钢筋验收过程中,发现以下问题:1. 部分钢筋的表面有轻微的锈蚀情况。
处理措施:对受影响的钢筋进行清理和防锈处理,并进行二次验收。
2. 部分钢筋间距略有偏差,超出设计要求。
处理措施:对超出间距的钢筋进行调整和修正,并进行二次验收。
五、验收结论经过本次钢筋验收,确认xxxx部位的钢筋符合设计要求,具备施工条件。
施工单位应按照相关要求进行后续施工工作,并及时处理存在的问题。
验收人员:xxxx。
钢筋(连接、安装)工程检验批质量验收记录1.1.9钢筋(连接、安装)工程检验批质量验收记录1.1.9钢筋(连接、安装)工程检验批质量验收记录1.1.9钢筋(连接、安装)工程检验批质量验收记录1.1.9钢筋(连接、安装)工程检验批质量验收记录1.1.9钢筋(连接、安装)工程检验批质量验收记录1.1.9钢筋(连接、安装)工程检验批质量验收记录1.1.9钢筋(连接、安装)工程检验批质量验收记录1.1.9钢筋(连接、安装)工程检验批质量验收记录1.1.9钢筋(连接、安装)工程检验批质量验收记录1.1.9钢筋(连接、安装)工程检验批质量验收记录1.1.9钢筋(连接、安装)工程检验批质量验收记录1.1.9钢筋(连接、安装)工程检验批质量验收记钢筋(连接、安装)工程检验批质量验收记录1.1.9钢筋(连接、安装)工程检验批质量验收记钢筋(连接、安装)工程检验批质量验收记录钢筋(连接、安装)工程检验批质量验收记钢筋(连接、安装)工程检验批质量验收记录钢筋(连接、安装)工程检验批质量验收记钢筋(连接、安装)工程检验批质量验收记录钢筋(连接、安装)工程检验批质量验收记钢筋(连接、安装)工程检验批质量验收记录钢筋(连接、安装)工程检验批质量验收记钢筋(连接、安装)工程检验批质量验收记录钢筋(连接、安装)工程检验批质量验收记钢筋(连接、安装)工程检验批质量验收记录钢筋(连接、安装)工程检验批质量验收记钢筋(连接、安装)工程检验批质量验收记录钢筋(连接、安装)工程检验批质量验收记钢筋(连接、安装)工程检验批质量验收记录钢筋(连接、安装)工程检验批质量验收记钢筋(连接、安装)工程检验批质量验收记录钢筋(连接、安装)工程检验批质量验收记钢筋(连接、安装)工程检验批质量验收记录钢筋(连接、安装)工程检验批质量验收记。
钢筋验收记录表日期:XXXX年XX月XX日验收项目:钢筋验收地点:工地名称/具体位置验收人员:XXX、XXX、XXX一、验收钢筋的基本信息1. 钢筋类型:(例如HRB400、HRB500等)2. 钢筋直径:(例如10mm、12mm等)3. 钢筋长度:(例如6m、12m等)4. 钢筋数量:(例如100根、200根等)二、验收结果经过对钢筋的验收,我们得出以下结果:1. 外观质量:钢筋表面应光洁平整,无明显的锈蚀、裂纹或变形。
经验收,本次钢筋外观质量良好,符合要求。
2. 尺寸偏差:钢筋的直径和长度应符合设计要求。
经测量,本次钢筋的直径和长度均在允许范围内,没有发现明显的尺寸偏差。
3. 钢筋标识:钢筋上的标识应清晰可辨,包括钢筋种类、规格等信息。
经查验,本次钢筋的标识完整清晰,无误。
4. 强度性能:钢筋的强度应符合相关标准要求。
经过拉力试验,本次钢筋的强度满足设计要求,具备良好的承载能力。
三、验收结论根据以上验收结果,我们得出以下结论:本次钢筋验收合格,符合设计要求和相关标准。
钢筋的外观质量良好,尺寸偏差在允许范围内,标识清晰无误,强度满足设计要求。
经过验收的钢筋可以安全使用于工程中。
四、存在的问题及建议在钢筋验收过程中,我们未发现任何明显的质量问题或不合格情况。
然而,为了进一步提高钢筋的质量和安全性,建议在使用钢筋时注意以下几点:1. 运输和储存:在钢筋运输和储存过程中,要防止碰撞、湿度过高等情况对钢筋造成损害。
2. 安装注意事项:在钢筋的安装过程中,要确保正确的接头方式和连接质量,以确保结构的稳定和安全。
3. 防护措施:在使用钢筋时,要注意采取适当的防护措施,避免钢筋与其他材料发生腐蚀或损伤。
以上是本次钢筋验收的记录和结论,希望能对工程的顺利进行提供参考和保障。
如有其他问题或需要进一步了解,请及时与相关部门联系。
谢谢!。
精心整理钢筋机械连接接头施工质量检查验收记录单位(子单位)工程名称分部(子分部)工程名称验收部位施工单位项目经理施工执行标准名称及编号《钢筋机械连接技术规程》JGJ107-2010钢筋牌号及直径机械连接类型直螺纹连接接头数量施工班组长施工质量验收规范的规定施工单位检查评定记录监理(建设)单位验收记录主控项目1钢筋、连接材料的品种、性能、牌号各种钢筋均应有质量证明书;连接材料应有产品合格证,应由该技术提供单位提交有效的型式检验报告,并符合设计要求和现行有关标准的规定2钢筋连接接头的机械性能对接头的每个检验批,必须在工程结构中随机截取3个接头试件做抗拉强度试验,按设计要求的接头等级进行评定3 工艺检验钢筋连接工程开始前及施工中,应对每批进场钢筋进行接头工艺检验,其抗拉强度应符合现行规程、规范的要求4 操作工技能从事钢筋机械连接施工的操作工必须经培训并考试合格,才能上岗操作一般项目1接头的加工钢筋端部应切平或镦平后加工螺纹,镦粗头不得与钢筋轴线相垂直的横向裂纹,钢筋丝头长度应满足企业标准中产品设计要求,公差应为0~0.2P(P为螺距,钢筋丝头宜满足6f级精度要求,应用专用直螺纹量规检验,通规能顺利旋入并达到要求的拧入长度,止规旋入不得超过3p,抽检数量10%,检验合格率不应小于95%接头的安装安装接头时可用管钳扳手拧紧,应使钢筋头在套筒中央位置相互顶紧。
标准型接头安装后的外露螺纹不宜超过2P接头拧紧力矩(N·m)钢筋直径mm≤16 10018~20 20022~25 26028~32 32036~40 3602接头外观质量钢筋与连接套的规格一致,外露有效丝扣牙数在3牙之内精心整理施工单位检查评定结果项目专业质量检查员:年月日监理(建设)单位验收结论专业监理工程师(建设单位项目专业技术负责人):年月日。
钢筋工程方案验收记录项目名称:XX大楼钢筋工程施工项目负责人:李工程师验收人:张总监、王工程师验收日期:2023年5月15日一、验收背景XX大楼是一栋高层建筑,工程涉及到大量的钢筋工程。
为了确保工程质量,提高工程安全,我们进行了钢筋工程方案的验收。
二、验收内容1、验收质量标准:根据国家相关标准和规范,以及公司内部的工程质量标准,对钢筋工程方案进行全面、严格的验收。
2、验收范围:验收范围包括钢筋设计方案、材料选用、施工工艺、施工程序等内容。
三、验收过程及结果1、钢筋设计方案的验收(1) 设计人员详细介绍了钢筋设计方案的内容,包括钢筋型号、规格、数量等。
(2) 经验收人员仔细查看了设计方案,根据实际情况进行了调整,提出了合理化建议。
(3) 经过讨论和修改,最终确定了符合工程要求的钢筋设计方案。
2、材料选用的验收(1) 验收人员对施工材料进行了检查,包括钢筋、钢筋焊接材料等。
(2) 通过对材料的质量、规格等方面进行检验,确定了材料的选用满足了工程质量标准。
3、施工工艺的验收(1) 验收人员对施工工艺进行了详细的了解和了解,包括钢筋加工、安装、焊接等。
(2) 对施工工艺进行了现场检查,确保施工过程符合规范和要求。
4、施工程序的验收(1) 验收人员对施工进度进行了跟踪和监督,确保施工程序按照计划进行。
(2) 对施工中出现的问题和难点进行了及时的沟通和解决,保障了施工质量和工期。
五、验收结论根据现场的验收情况和相关资料,对钢筋工程方案进行了全面的验收。
1、设计方案合理,符合工程要求。
2、材料选用满足了工程质量标准。
3、施工工艺合理,施工程序按照计划进行。
基于以上验收情况,我们认为钢筋工程方案符合工程质量要求,具备了施工条件。
六、后续工作1、继续监督和检查施工过程,确保工程质量和安全。
2、及时跟进工程进度,保障工程按时完工。
3、注重与设计人员、施工人员的沟通和交流,提高工程执行的效率和质量。
七、总结通过本次钢筋工程方案的验收,我们全面了解了工程的实际情况,确保了工程的顺利进行。
钢筋连接检验批质量验收记录1. 概述本文档记录了钢筋连接检验批的质量验收记录,对钢筋连接工程进行质量检验,确保连接质量符合标准要求。
2. 项目信息•项目名称:•工程名称:•编制日期:3. 检验批信息•检验批编号:•检验日期:•检验人员:4. 检验内容和要求本次检验批的主要内容包括以下项目: - 焊接质量检验:检查焊接接头的焊缝质量,包括焊缝的密度、均匀性和焊缝表面的缺陷等。
- 螺纹连接检验:检查螺纹连接件的螺纹质量,确保螺纹连接的紧固性良好。
- 维护检验:检查钢筋连接的维护情况,包括防腐、除锈等维护工作的执行情况。
5. 检验结果根据对钢筋连接的检验,以下为本次检验批的质量验收结果:5.1 焊接质量检验结果•焊接接头1:合格•焊接接头2:合格•焊接接头3:合格•螺纹连接件1:合格•螺纹连接件2:合格•螺纹连接件3:合格5.3 维护检验结果•防腐处理:合格•除锈处理:合格6. 验收意见根据本次检验结果,对钢筋连接的质量进行验收意见如下:6.1 焊接质量验收意见根据焊接接头的质量检验结果,认为焊接质量符合标准要求,可以进行验收。
根据螺纹连接件的质量检验结果,认为螺纹连接质量符合标准要求,可以进行验收。
6.3 维护验收意见根据钢筋连接的维护检验结果,认为维护工作符合标准要求,可以进行验收。
7. 验收结论综上所述,经过本次钢筋连接检验批的质量验收,验证钢筋连接的质量符合标准要求,同意进行验收。
8. 验收人员•验收人员1:•验收人员2:•日期:9. 相关附件•附件1:焊接检验报告•附件2:螺纹连接检验报告•附件3:维护检验报告以上为钢筋连接检验批的质量验收记录,用于记录钢筋连接工程的质量验收情况。
钢筋机械连接接头质量检验 (2010。
6.16)一、钢筋机械连接检验的类型有3种类型,即型式检验、工艺检验和现场检验. 1、接头型式检验:在下列情况应进行型式检验:(1)确定接头性能等级时;(2)材料、工艺、规格进行改动时;(3)型式检验报告超过4年时。
施工单位应将配件(如套筒)提供单位的型式检验报告列入工程验收资料,并归档留存;型式检验报告标准样式见《钢筋机械连接技术规程》(JGJ107-2010)附录 B.(套筒材质为《热轧优质碳素结构园钢》GB/T699-1999);2、工艺检验:钢筋连接工程开始前,应对不同钢筋生产厂的进场钢筋进行接头工艺检验;施工过程中,更换钢筋生产厂时,应补充进行工艺检验。
工艺检验应符合下列规定:(1)每种规格钢筋的接头试件不应少于3根;(2)每根试件的抗拉强度和3根接头试件的残余变形的平均值均应符合JGJ107-2010表3。
0。
5和表3.0.7的规定(3)接头试件在测量残余变形后可再进行抗拉强度试验,并宜按JGJ107规程附录A表A.1.3中的单向拉伸加载制度进行试验;(4)第一次工艺检验中1根试件抗拉强度或3根试件的残余变形平均值不合格时,允许再抽3根试件进行复检,复检仍不合格时判为工艺检验不合格。
(5)应由具备上岗资格的实际操作人员,采用相同的设备、材料,在与实际施工相同的条件下操作,制成钢筋接头,送试验室进行检验合格后方可实施钢筋连接施工作业。
3、现场检验(接头抽样):应进行外观质量和接头力学性能检验,机械连接接头每500个为一检验批,不足时也为一批。
二、钢筋机械连接接头的质量跟踪1、接头的等级(以HRB335为例,σs=335,σb=455)接头应根据抗拉强度、残余变形以及高应力和大变形条件下反复拉压性能的差异,分为下列三个性能等级:Ⅰ级:接头抗拉强度等于被连接钢筋的实际拉断强度(当试件断于钢筋母材时,表明接头已满足规定要求)或不小于1。
10倍钢筋抗拉强度标准值(455×1.10=50。
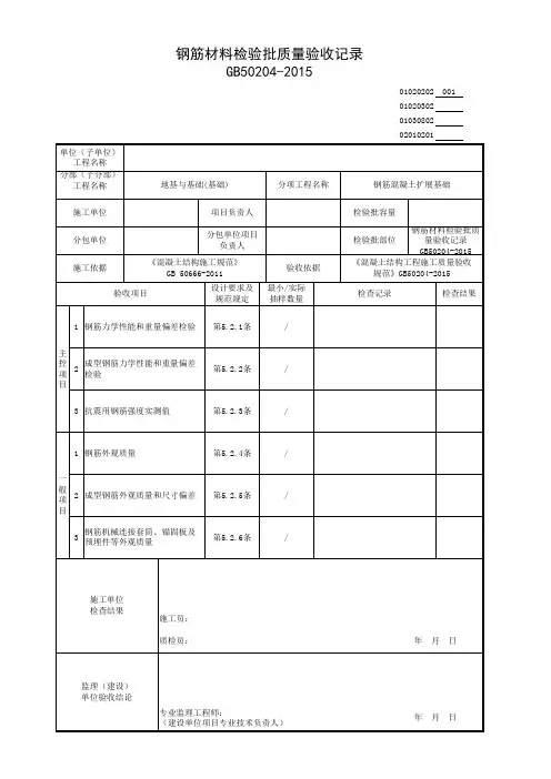
钢筋安装工程检验批质量验收记录表YB4147-2006工程名称宝钢取向硅钢后续工程(第二步)标段三分项工程名称支撑座钢筋安装工程验收部位3#环形炉上部台车施工单位上海宝冶集团有限公司项目经理胡英明项目专业技术负责人唐川施工执行标准名称及编号《钢筋焊接及验收规程》JGJ 18-2003分包单位上海宝冶建设工业炉有限公司分包项目经理李贤杰分包技术负责人赵彭施工质量验收规范的规定施工单位检查评定记录监理(建设)单位验收记录主控项目1受力钢筋的品种、级别、规格和数量第5.3.5.1条√一般项目1 接头位置和数量第5.3.4.3条√2 机械连接、焊接的外观质量第5.3.4.4条√3 机械连接、焊接的接头面积百分率第5.3.4.5条√4绑扎搭接接头面积百分率和搭接长度第5.3.4.6条/5 搭接长度范围内的箍筋第5.3.4.7条/6钢筋安装允许偏差绑扎钢筋网长、宽(mm)±10网眼尺寸(mm)±20绑扎钢筋骨架长(mm)±10宽、高(mm)±5受力钢筋间距(mm)±10 -7 4 6 4 5 3 4 4 6 -1排距(mm)±5 -3 2 4 1 0 3 2 2 -3 -1保护层厚度(mm)基础±10柱、梁±5板、墙、壳±3绑扎箍筋、横向钢筋间距(mm)±20钢筋弯起点位置(mm)20预埋件中心线位置(mm) 5水平高差(mm)+3,0施工单位检查评定结果专业工长(施工员)施工班组长项目专业质量检查员:年月日监理(建设)单位验收结论专业监理工程师:(建设单位项目专业技术负责人)年月日。
钢筋安装检验批质量验收记录及检验规定和说明编号:单位工程名称分项工程名称分部工程验收部位施工总承包项目专业工单位经理长专业承包单项目施工班位经理长施工执行标准名称及编号监理(建施工质量验收规范的规定施工单位检查评定设)单位记录验收记录第主 1 纵向钢筋的连接方式8.2.11控条项机械连接和焊接接头第目28.2.12的力学性能条第受力钢筋的品种、级38.2.18别、规格和数量条第1接头的位置和数量8.2.13条第机械连接、焊接的外观2质量8.2.14条第机械连接、焊接的接头38.2.15一面积百分率条般第项绑扎搭接接头面积百48.2.16目分率和搭接长度条第搭接长度范围内的5箍筋8.2.17条钢绑长、宽± 106筋扎(mm)安钢网眼尺寸± 20装筋(mm)允网许绑长(mm)± 10偏扎差钢宽、高筋± 5(m m)骨架间距± 10(m m)排距± 5(m m)受保基础±10力护柱梁±5钢层筋厚板墙度± 3壳(mm)绑扎钢筋、横向± 20钢筋间距( mm)钢筋弯起点位置20(mm)预中心线位置埋(mm)件水平高差(mm)5 +3,0施工单位检查评定结果:质量检查员:年月日监理或建设单位验收结论:监理工程师或建设单位项目专业技负责人:年月日检验规定和说明适用范围:本表适用于明挖车站钢筋安装工程质量的验收。
检验批的划分:每一浇筑段为一检验批。
主控项目:1.纵向受力钢筋的连接方式应符合设计要求。
检验数量:施工单位、监理单位全数检查。
检验方法:观察检查。
2.在施工现场,应按国家现行标准《钢筋机械连接通用技术规程》( JGJ107)、《钢筋焊接及验收规程》(JGJ18)的规定抽取钢筋机械连接接头、焊接接头试件作力学性能检验,其质量应符合有关规程的规定。
检验数量:施工单位、监理单位按机械连接:同一批材料的同等级、同形式、同规格的接头每500 个为一检验批,不足 500 个接头也按一检验批计,每一检验批必须在工程结构中随机截取 3 个试件做单向拉伸试验;钢筋焊接:同一接头形式、同钢筋级别每300 个接头为一检验批。
混凝土浇筑申请表钢筋报审、报验表工程名称:编号:注:本表一式二份,项目监理机构、施工单位各存一份。
现场验收检查原始记录监理校核:记录:验收日期:年月日钢筋安装报审、报验表工程名称:编号:注:本表一式二份,项目监理机构、施工单位各存一份。
钢筋安装检验批质量验收记录本表由施工单位填写,建设单位、施工单位、城建档案馆各保存一份。
现场验收检查原始记录监理校核:记录:验收日期:年月日模板安装报审、报验表工程名称:编号:注:本表一式二份,项目监理机构、施工单位各存一份。
模板安装检验批质量验收记录现场验收检查原始记录共1页第1 页监理校核:记录:验收日期:年月日混凝土施工报审、报验表工程名称:编号:混凝土施工检验批质量验收记录现场验收检查原始记录现浇结构外观及尺寸偏差报审、报验表工程名称:编号:注:本表一式二份,项目监理机构、施工单位各存一份。
现浇结构外观及尺寸偏差检验批质量验收记录现场验收检查原始记录监理校核:记录:验收日期:年月日钢筋安装报审、报验表工程名称:编号:钢筋安装检验批质量验收记录本表由施工单位填写,建设单位、施工单位、城建档案馆各保存一份。
现场验收检查原始记录监理校核:记录:验收日期:年月日模板安装报审、报验表工程名称:编号:注:本表一式二份,项目监理机构、施工单位各存一份。
模板安装检验批质量验收记录现场验收检查原始记录共1页第1 页监理校核:记录:验收日期:年月日混凝土施工报审、报验表工程名称:编号:混凝土施工检验批质量验收记录现场验收检查原始记录现浇结构外观及尺寸偏差报审、报验表工程名称:编号:注:本表一式二份,项目监理机构、施工单位各存一份。
现浇结构外观及尺寸偏差检验批质量验收记录现场验收检查原始记录监理校核:记录:验收日期:年月日。
模板安装检验批质量验收记录单位(子单位)工程名称桐城师范高等专科学校-2#艺术楼分部(子分部)工程名称混凝土结构分项工程名称模板施工单位中煤第三建设(集团)有限责任公司项目负责人徐胜利检验批容量分包单位分包单位项目负责人检验批部位北楼三层屋面施工依据《混凝土结构施工规范》GB50666-2011验收依据《混凝土结构工程施工质量验收规范》GB50204-2015主控项目验收项目设计要求及规范规定样本总数最小/实际抽样数量检查记录检查结果1模板及支架材料质量模板及支架材料的技术指标应符合国家现行有关标准和专项施工方案的规定。
进场时应抽样检验模板和支架材料的外观、规格和尺寸。
/ /符合国家现行有关标准和专项施工方案的规定2现浇混凝土模板及支架安装质量现浇混凝土结构模板及支架安装质量,应符合国家现行有关标准的规定和施工方案的要求。
/ /3后浇带处模板及支架设置后浇带处的模板及支架独立设置/ /4支架竖杆和竖向模板安装要求支架竖杆和竖向模板安装在土层上时,应符合下列规定:1、土层应坚实、平整,其承载力或密实度应符合施工方案要求;2、应有防水、排水措施;对冻胀性土,应有预防冻融措施;3、支架竖杆下应有底座或垫板。
/ /一般项目1模板安装质量1、模板的接缝应严密;2、模板内不应有杂物、积水或冰雪等;3、模板与混凝土的接触面应平整、清洁;4、用作模板的地坪、胎膜等应平整、清洁,不应有影响结构质量的下沉、裂缝、起砂或起鼓;5、对清水混凝土构件及装饰混凝土构件,应使用能达到设计效果的模板。
/ / 符合相关规定要求2隔离剂的品种和涂刷方法质量隔离剂的品种和涂刷方法应符合施工方案要求,隔离剂不得影响结构性能及装饰施工,不得玷污钢筋、预应力筋、预埋件和混凝土接茬处;不得对环境造成污染。
/ /隔离剂的品种和涂刷方法应符合施工方案要求3模板起拱模板的起拱应符合现行国家标准《混凝土结构工程施工规范》GB50666的规范,并应符合设计及施工方案的要求。
钢筋验收记录表日期:xxxx年xx月xx日项目名称:xxxx工程验收人员:xxxx施工单位:xxxx公司一、验收目的钢筋验收是为了确保工程施工质量,保证钢筋的规格、数量和质量符合设计要求,以确保工程的安全性和持久性。
二、验收内容1. 钢筋规格和数量的核对:根据设计图纸要求,对钢筋的规格和数量进行核对,确保与设计要求一致。
2. 钢筋表面质量的检查:对钢筋表面进行仔细观察,检查是否存在生锈、腐蚀、破损等情况。
3. 钢筋的弯曲度检查:对钢筋进行弯曲度检查,确保弯曲度符合设计要求。
4. 钢筋的连接方式检查:检查钢筋的连接方式是否符合设计要求,包括焊接、扣件等连接方式。
5. 钢筋的安装位置检查:检查钢筋的安装位置是否符合设计要求,保证其在混凝土结构中的正确位置。
6. 钢筋的间距检查:检查钢筋的间距是否符合设计要求,确保钢筋的布置密度合理。
三、验收结果经过仔细检查和核对,对钢筋进行验收,结果如下:1. 钢筋规格和数量与设计要求一致,无误差。
2. 钢筋表面质量良好,无生锈、腐蚀、破损等情况。
3. 钢筋的弯曲度符合设计要求,未出现过度弯曲或不足弯曲的情况。
4. 钢筋的连接方式符合设计要求,焊接牢固、扣件可靠。
5. 钢筋安装位置准确,与设计图纸一致。
6. 钢筋的间距符合设计要求,布置密度适宜。
四、存在问题及处理意见经过验收,发现以下问题:1. 部分钢筋的表面存在轻微锈蚀,需要进行清洗和涂覆防锈剂处理。
2. 部分钢筋的安装位置存在偏差,需要重新调整至正确位置。
3. 部分钢筋的间距存在不合理情况,需要进行调整以满足设计要求。
针对以上问题,我们将采取以下措施进行处理:1. 对存在锈蚀的钢筋进行清洗和涂覆防锈剂处理,确保其表面质量达到要求。
2. 对安装位置存在偏差的钢筋进行重新调整,确保其准确安装至设计要求的位置。
3. 对间距不合理的钢筋进行调整,使其符合设计要求的布置密度。
五、结论经过钢筋验收,大部分钢筋符合设计要求,但部分钢筋存在表面锈蚀、安装位置偏差和间距不合理等问题。