房建道路安全管理资料三级安全教育表格
- 格式:doc
- 大小:49.72 KB
- 文档页数:20
第五节安全教育1.新工人安全教育汇总表2.新工人入场三级安全教育登记表(1)公司(第一级)安全教育记录(2)项目部(第二级)安全教育记录(3)班组(第三级)安全教育记录3.变换工种安全教育登记表4.作业人员安全教育登记表5.管理人员安全教育登记表(年度)6.急救人员安全教育登记表(年度)7.节前(节后)安全教育登记表8.日常安全教育登记表9.应急知识教育登记表管理人员进场安全交底表GDAQ20401 工程名称:施工单位:交底时间:项目安全管理要求:危险因素监控要求与应急措施:交底人部门职务(职称)接受安全交底人员签名:分部(分项)工程安全技术交底GDAQ20402施工单位:工程名称:分部分项工程工种安全技术交底内容填表说明一、安全技术交底工作在正式作业前进行,不但要口头讲解,同时应有书面文字材料,并履行签字手续,由所有接受交底人员各自签名方为有效。
二、安全技术交底应按分部分项工程和针对作业条件的变化具体进行。
内容按照施工方案的要求,讲明操作者的安全注意事项,保证操作者的人身安全。
交底内容应细化,具有针对性。
三、安全技术交底工作,是向施工作业人员进行职责落实的法律要求,要严肃认真的进行,不得流于形式。
四、将分部(分项)工程技术交底的具体内容整理填写入交底表和签名。
交底内容较多时,可将交底内容附另页:“接受人(全员)”签字栏不够签名时,可以将《人员签到表》另页附上。
五、交底表一式三份,班组、施工负责人、资料员(专职安全生产管理员)各一份。
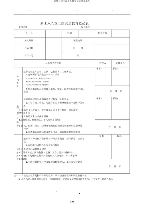
交底人签字:日期:接受人(全员)签字:分部(分项)工程安全技术交底汇总表GDAQ20403 工程名称:施工单位:序号分部(分项)工程安全技术交底名称交底人交底日期接受交底班组备注新工人安全教育汇总表GDAQ20501 工程名称:施工单位:序号工种姓名性别年龄工龄进/退场时间三级教育日期平安卡安全教育日平安卡号一级二级三级新工人入场三级安全教育登记表GDAQ20502 工程名称:施工单位:姓名性别出生年月文化程度家庭地址入场日期班组平安卡号身份证号三级安全教育内容教育人受教育人公司教育进行安全基本知识、法规、法制教育,主要内容是:1.党和国家的安全生产方针、政策;2.安全生产法规、标准和安全知识;3.企业安全生产规章制度、安全纪律;4.安全生产形势及重大事故案例教训;5.发生事故后如何抢救伤员、排险隐患、保护现场和及时进行报告。
新工人入场三级安全教育汇总表工程名称:xxxx楼施工单位:xxxx序号工种姓名性别年龄工龄进场时间三级安全教育日期一级二级三级填表人:填表日期:年月日填表说明:1.应建立健全定期的安全生产教育培训制度。
2.新工人入场必须填写登记表个人部分的内容。
3.进行公司、项目部、班组每级安全教育后,经教育人和受教育人分别签名。
新工人入场三级安全教育登记表工程名称:xxxxxx施工单位:xxxx姓名性别出生年月文化程度家庭地址入场日期班组工作卡号身份证号三级安全教育内容教育人受教育人公司教育进行安全基本知识、法规、法制教育,主要内容是:1.党和国家的安全生产方针、政策2.安全生产法规、标准和安全知识3.企业安全生产规章制度、安全纪律4.安全生产形势及生大事故案例教训5.发生事故后如何抢救伤员、排险、保护现场和及时进行报告签名:签名:年月日工程项目部教育进场现场规章制度和遵章守纪教育,主要内容是:1.本项目施工特点、可能存在的不安全因素及必须遵守的事项2.本单位(包括施工、生产现场)安全生产制度、规定和安全注意事项3.本工种的安全技术操作规程4.高处作业、机械设备、电气安全基础知识5.防火、防毒、防尘、防爆知识及紧急情况安全处置和安全疏散知识6.防护用品发放标准及防护用品、用具使用的基本知识签名:签名:年月日班组教育进行本工种岗位安全操作及班组安全制度、纪律教育,主要内容是:1.本班组作业特点及安全操作规程2.班组安全活动制度及纪律3.正确使用安全防护装置(设施)及个人劳动防护用品4.本岗位易发生事故的不安全因素及其防范对策,本工种事故签名:签名:案例剖析5.本岗位的作业环境及使用的机械设备、工具的安全要求年月日注:1.三级安全教育是指公司分组教育,项目经济部教育和班组教育三级。
2.凡进入施工现场的施工队伍,项目经理部必须进行安全教育及试卷考核,不合格者不得进入施工项目部(第二级)安全教育记录工程名称:xxxxxx 施工单位:xxxx教育等级学时教育内容授课地点授课人第二级本工程基本情况介绍项目部会议室教育内容:1.工程名称:xxxxxx,施工单位:xxxx,建筑面积:7万多平米,地点:淮南市山南新区2.本项目是湖南省第一个绿色施工的试点示范项目,建筑过程、个人生活中节约资源、降低能耗从个人做起,并注意现场文明施工,宿舍内卫生整洁。
新工人入场三级安全教育汇总表工程名称:同济东路(岭南大道—南海大道)景观提升工程施工单位:东莞市园林绿化工程有限公司填表人:填表日期:年月日填表说明:1.应建立健全定期的安全生产教育培训制度。
2.新工人入场必须填写登记表个人部分的内容。
3.进行公司、项目部、班组每级安全教育后,经教育人和受教育人分别签名。
新工人入场三级安全教育登记表工程名称:同济东路(岭南大道—南海大道)景观提升工程施工单位:东莞市园林绿化工程有限公司注:1.三级安全教育是指公司分组教育,项目经济部教育和班组教育三级。
2.凡进入施工现场的施工队伍,项目经理部必须进行安全教育及试卷考核,不合格者不得进入施工项目部(第一级)安全教育记录工程名称:同济东路(岭南大道—南海大道)景观提升工程施工单位:东莞市园林绿化工程有限公司填表人:年月日项目部(第二级)安全教育记录工程名称:同济东路(岭南大道—南海大道)景观提升工程施工单位:东莞市园林绿化工程有限公司填表人:年月日填表说明:1.对新工人或调换工种的工人,必须按规定进行安全教育或技术培训,经考核合格,方准上岗。
三级安全教育是每个刚进企业的新工人须接受的首次安全生产方面的基本教育,三级安全教育是指公司(即企业)、项目部(或工程处、施工处、工区)、班组这三级。
对新工人或调换工种的工人,必须按规定进行安全教育和技术培训,经考核合格,方准上岗。
2.工程项目进行二级安全教育,主要进行现场规章制度、作业环境、遵章守纪教育。
3.教育内容只写培训教育提纲,将具体内容(教材)附后。
4.工程项目二级安全教育不得少于15学时。
项目部(第二级)安全教育记录工程名称:同济东路(岭南大道—南海大道)景观提升工程施工单位:东莞市园林绿化工程有限公司填表人:年月日填表说明:1.对新工人或调换工种的工人,必须按规定进行安全教育或技术培训,经考核合格,方准上岗。
三级安全教育是每个刚进企业的新工人须接受的首次安全生产方面的基本教育,三级安全教育是指公司(即企业)、项目部(或工程处、施工处、工区)、班组这三级。
新工人入场三级安全教育汇总表工程名称:⌧⌧⌧⌧楼施工单位:⌧⌧⌧⌧填表人:填表日期:年月日填表说明:应建立健全定期的安全生产教育培训制度。
新工人入场必须填写登记表个人部分的内容。
进行公司、项目部、班组每级安全教育后,经教育人和受教育人分别签名。
新工人入场三级安全教育登记表工程名称:⌧⌧⌧⌧⌧⌧施工单位:⌧⌧⌧⌧注: 三级安全教育是指公司分组教育,项目经济部教育和班组教育三级。
凡进入施工现场的施工队伍,项目经理部必须进行安全教育及试卷考核,不合格者不得进入施工项目部(第二级)安全教育记录工程名称:⌧⌧⌧⌧⌧⌧ 施工单位:⌧⌧⌧⌧填表人:年月日填表说明:对新工人或调换工种的工人,必须按规定进行安全教育或技术培训,经考核合格,方准上岗。
三级安全教育是每个刚进企业的新工人须接受的首次安全生产方面的基本教育,三级安全教育是指公司(即企业)、项目部(或工程处、施工处、工区)、班组这三级。
对新工人或调换工种的工人,必须按规定进行安全教育和技术培训,经考核合格,方准上岗。
工程项目进行二级安全教育,主要进行现场规章制度、作业环境、遵章守纪教育。
教育内容只写培训教育提纲,将具体内容(教材)附后。
工程项目二级安全教育不得少于 学时。
项目部(第二级)安全教育记录工程名称:⌧⌧⌧⌧⌧⌧ 施工单位:⌧⌧⌧⌧填表人:年月日填表说明:对新工人或调换工种的工人,必须按规定进行安全教育或技术培训,经考核合格,方准上岗。
三级安全教育是每个刚进企业的新工人须接受的首次安全生产方面的基本教育,三级安全教育是指公司(即企业)、项目部(或工程处、施工处、工区)、班组这三级。
对新工人或调换工种的工人,必须按规定进行安全教育和技术培训,经考核合格,方准上岗。
工程项目进行二级安全教育,主要进行现场规章制度、作业环境、遵章守纪教育。
教育内容只写培训教育提纲,将具体内容(教材)附后。
工程项目二级安全教育不得少于 学时。
房建、道路安全管理资料--三级安全教育表格.doc第五节安全教育1.新工人安全教育汇总表2.新工人入场三级安全教育登记表(1)公司(第一级)安全教育记录(2)项目部(第二级)安全教育记录(3)班组(第三级)安全教育记录3.变换工种安全教育登记表4.作业人员安全教育登记表5.管理人员安全教育登记表(年度)6.急救人员安全教育登记表(年度)7.节前(节后)安全教育登记表8.日常安全教育登记表9.应急知识教育登记表管理人员进场安全交底表GDAQ20401 工程名称:施工单位:交底时间:项目安全管理要求:危险因素监控要求与应急措施:交底人部门职务(职称)接受安全交底人员签名:分部(分项)工程安全技术交底GDAQ20402施工单位:工程名称:分部分项工程工种安全技术交底内容填表说明一、安全技术交底工作在正式作业前进行,不但要口头讲解,同时应有书面文字材料,并履行签字手续,由所有接受交底人员各自签名方为有效。
二、安全技术交底应按分部分项工程和针对作业条件的变化具体进行。
内容按照施工方案的要求,讲明操作者的安全注意事项,保证操作者的人身安全。
交底内容应细化,具有针对性。
三、安全技术交底工作,是向施工作业人员进行职责落实的法律要求,要严肃认真的进行,不得流于形式。
四、将分部(分项)工程技术交底的具体内容整理填写入交底表和签名。
交底内容较多时,可将交底内容附另页:“接受人(全员)”签字栏不够签名时,可以将《人员签到表》另页附上。
五、交底表一式三份,班组、施工负责人、资料员(专职安全生产管理员)各一份。
交底人签字:日期:接受人(全员)签字:分部(分项)工程安全技术交底汇总表GDAQ20403 工程名称:施工单位:序号分部(分项)工程安全技术交底名称交底人交底日期接受交底班组备注新工人安全教育汇总表GDAQ20501 工程名称:施工单位:序号工种姓名性别年龄工龄进/退场时间三级教育日期平安卡安全教育日平安卡号一级二级三级新工人入场三级安全教育登记表GDAQ20502 工程名称:施工单位:姓名性别出生年月文化程度家庭地址入场日期班组平安卡号身份证号三级安全教育内容教育人受教育人公司教育进行安全基本知识、法规、法制教育,主要内容是:1.党和国家的安全生产方针、政策;2.安全生产法规、标准和安全知识;3.企业安全生产规章制度、安全纪律;4.安全生产形势及重大事故案例教训;5.发生事故后如何抢救伤员、排险隐患、保护现场和及时进行报告。
新工人入场三级宁静教诲汇总表填表人:填表日期:年月日填表说明:1.应创建健全定期的宁静生产教诲培训制度。
2.新工人入场必须填写登记表小我私家部分的内容。
3.进行公司、项目部、班组每级宁静教诲后,经教诲人和受教诲人分别签名。
新工人入场三级宁静教诲登记表注:1.三级宁静教诲是指公司分组教诲,项目经济部教诲和班组教诲三级。
2.凡进入施工现场的施工步队,项目经理部必须进行宁静教诲及试卷考核,不及格者不得进入施工项目部(第二级)宁静教诲记载填表人:年月日填表说明:1.对新工人或变更工种的工人,必须按划定进行宁静教诲或技能培训,经考核及格,方准上岗。
三级宁静教诲是每个刚进企业的新工人须担当的首次宁静生产方面的根本教诲,三级宁静教诲是指公司(即企业)、项目部(或工程处、施工处、工区)、班组这三级。
对新工人或变更工种的工人,必须按划定进行宁静教诲和技能培训,经考核及格,方准上岗。
2.工程项目进行二级宁静教诲,主要进行现场规章制度、作业情况、遵章守纪教诲。
3.教诲内容只写培训教诲提纲,将具体内容(课本)附后。
4.工程项目二级宁静教诲不得少于15学时。
项目部(第二级)宁静教诲记载工程名称:xxxxxx 施工单元:xxxx填表说明:1.对新工人或变更工种的工人,必须按划定进行宁静教诲或技能培训,经考核及格,方准上岗。
三级宁静教诲是每个刚进企业的新工人须担当的首次宁静生产方面的根本教诲,三级宁静教诲是指公司(即企业)、项目部(或工程处、施工处、工区)、班组这三级。
对新工人或变更工种的工人,必须按划定进行宁静教诲和技能培训,经考核及格,方准上岗。
2.工程项目进行二级宁静教诲,主要进行现场规章制度、作业情况、遵章守纪教诲。
3.教诲内容只写培训教诲提纲,将具体内容(课本)附后。
4.工程项目二级宁静教诲不得少于15学时。
项目部(第二级)宁静教诲记载填表人:年月日填表说明:1.对新工人或变更工种的工人,必须按划定进行宁静教诲或技能培训,经考核及格,方准上岗。
新工人入场三级安全教育登记表工程名称:施工单位 :姓名性别文化程度家庭地址入场日期班组工作卡号号三级安全教育容进行安全基本知识、法例、法制教育,主要容是:1.党和国家的安全生产目标、政策公2.安全生产法例、标准和安全知识司3.公司安全生产规章制度、安全纪律教4.安全生产局势及生大事故事例教训育5.发惹祸故后怎样急救公事员、排险、保护现场和实时进行报告进场现场规章制度和遵章守纪教育,主要容是:1.本项目施工特色、可能存在的不安全要素及一定恪守的事工项程2.本单位(包含施工、生产现场)安全生产制度、规定和安项全注意事项目3.本工种的安全技术操作规程部4.高处作业、机械设备、电气安全基础知识教育5.防火、防毒、防尘、防爆知识及紧迫状况安全处理和安全分散知识6.防备用品发放标准及防备用品、器具使用的基本知识进行本工种岗位安全操作及班组安全制度、纪律教育,主要容是:1.本班组作业特色及安全操作规程班2.班组安全活动制度及纪律组3.正确使用安全防备装置(设备)及个人劳动防备用品教4.本岗位易发惹祸故的不安全要素及其防对策,本工种事故育事例解析5.本岗位的作业环境及使用的机械设备、工具的安全要求出生年代教育人受教育人署名:署名:年月日署名:署名:年月日署名:署名:年月日注: 1. 三级安全教育是指公司分组教育,项目经济部教育和班组教育三级。
2.凡进入施工现场的施工队伍,项目经理部一定进行安全教育及试卷查核,不合格者不得进入施工项目部(第二级)安全教育记录工程名称: xxxxxx 施工单位: xxxx教育等级学时教育容讲课地址讲课人第二级本工程基本状况介绍项目部会议室教育容:1.工程名称: xxxxxx ,施工单位:xxxx ,建筑面积: 7 万多平米,地址:市山南新区2.本项目是省第一个绿色施工的试点示项目,建筑过程、个人生活中节俭资源、降低能耗从个人做起,并注意现场文明施工,宿舍卫生整齐。
3.质量要求:芙蓉奖。
新工人入场三级安全教育汇总表工程名称:郴州市御璟华庭建设工程项目施工单位:湖南郴州金瓯建筑有限公司填表说明:1.应建立健全定期的安全生产教育培训制度。
2.新工人入场必须填写登记表个人部分的内容.3.进行公司、项目部、班组每级安全教育后,经教育人和受教育人分别签名.新工人入场三级安全教育登记表注:1。
三级安全教育是指公司分组教育,项目经济部教育和班组教育三级。
2.凡进入施工现场的施工队伍,项目经理部必须进行安全教育及试卷考核,不合格者不得进入施工项目部(第二级)安全教育记录填表说明:1.对新工人或调换工种的工人,必须按规定进行安全教育或技术培训,经考核合格,方准上岗。
三级安全教育是每个刚进企业的新工人须接受的首次安全生产方面的基本教育,三级安全教育是指公司(即企业)、项目部(或工程处、施工处、工区)、班组这三级.对新工人或调换工种的工人,必须按规定进行安全教育和技术培训,经考核合格,方准上岗.2.工程项目进行二级安全教育,主要进行现场规章制度、作业环境、遵章守纪教育.3.教育内容只写培训教育提纲,将具体内容(教材)附后.4。
工程项目二级安全教育不得少于15学时.项目部(第二级)安全教育记录工程名称:郴州市御璟华庭建设工程项目施工单位:湖南郴州金瓯建筑有限公司填表人:年月日填表说明:1.对新工人或调换工种的工人,必须按规定进行安全教育或技术培训,经考核合格,方准上岗.三级安全教育是每个刚进企业的新工人须接受的首次安全生产方面的基本教育,三级安全教育是指公司(即企业)、项目部(或工程处、施工处、工区)、班组这三级。
对新工人或调换工种的工人,必须按规定进行安全教育和技术培训,经考核合格,方准上岗。
2。
工程项目进行二级安全教育,主要进行现场规章制度、作业环境、遵章守纪教育。
3.教育内容只写培训教育提纲,将具体内容(教材)附后。
4。
工程项目二级安全教育不得少于15学时.项目部(第二级)安全教育记录填表人:年月日填表说明:1.对新工人或调换工种的工人,必须按规定进行安全教育或技术培训,经考核合格,方准上岗。
新工人入场三级安全教育汇总表工程名称:xxxx楼施工单位:xxxx填表人:填表日期:____年__月__日填表说明:1.应建立健全定期的安全生产教育培训制度。
2.新工人入场必须填写登记表个人部分的内容。
3.进行公司、项目部、班组每级安全教育后,经教育人和受教育人分别签名。
新工人入场三级安全教育登记表工程名称:武功县普集街乡永新小学幼儿园施工单位:陕西荣冠建筑安装工程有限公司第三项目部注:1.三级安全教育是指公司分组教育,项目部教育和班组教育三级。
2.凡进入施工现场的施工队伍,项目经理部必须进行安全教育及试卷考核,不合格者不得进入施工项目部(第二级)安全教育记录工程名称:xxxxxx 施工单位:xxxx填表人:____年__月__日填表说明:1.对新工人或调换工种的工人,必须按规定进行安全教育或技术培训,经考核合格,方准上岗。
三级安全教育是每个刚进企业的新工人须接受的首次安全生产方面的基本教育,三级安全教育是指公司(即企业)、项目部(或工程处、施工处、工区)、班组这三级。
对新工人或调换工种的工人,必须按规定进行安全教育和技术培训,经考核合格,方准上岗。
2.工程项目进行二级安全教育,主要进行现场规章制度、作业环境、遵章守纪教育。
3.教育内容只写培训教育提纲,将具体内容(教材)附后。
4.工程项目二级安全教育不得少于15学时。
项目部(第二级)安全教育记录工程名称:xxxxxx 施工单位:xxxx填表人:____年__月__日填表说明:1.对新工人或调换工种的工人,必须按规定进行安全教育或技术培训,经考核合格,方准上岗。
三级安全教育是每个刚进企业的新工人须接受的首次安全生产方面的基本教育,三级安全教育是指公司(即企业)、项目部(或工程处、施工处、工区)、班组这三级。
对新工人或调换工种的工人,必须按规定进行安全教育和技术培训,经考核合格,方准上岗。
2.工程项目进行二级安全教育,主要进行现场规章制度、作业环境、遵章守纪教育。
第五节安全教育
1.新工人安全教育汇总表
2.新工人入场三级安全教育登记表
(1)公司(第一级)安全教育记录
(2)项目部(第二级)安全教育记录(3)班组(第三级)安全教育记录
3.变换工种安全教育登记表
4.作业人员安全教育登记表
5.管理人员安全教育登记表(年度)6.急救人员安全教育登记表(年度)7.节前(节后)安全教育登记表
8.日常安全教育登记表
9.应急知识教育登记表
16
/ 1
管理人员进场安全交底表GDAQ20401
工程名称:施工单位:
交底时间
项目安全管理要求
危险因素监控要求与应急措施
交底部职务(职称
接受安全交底人员签名
16
/ 2
分部(分项)工程安全技术交底
GDAQ20402
施工单位:
16
/ 3
分部(分项)工程安全技术交底汇总表GDAQ20403
工程名称:施工单位:
填表人(签名):年月日16
/ 4
新工人安全教育汇总表
GDAQ20501
工程名称:施工单位:
填表人(签名):年月日16
/ 5
新工人入场三级安全教育登记表
GDAQ20502
工程名称:施工单位:
填表说明:
1.应建立健全定期的安全生产教育培训制度。
2.新工人入场必须填写登记表个人部分的内容。
3.进行公司、项目部、班组每级安全教育后,经教育人和受教育人分别签名。
16
/ 6
公司(第一级)安全教育记录
GDAQ2050201
工程名称:施工单位:
填表人(签名):年月日16
/ 7
项目部(第二级)安全教育记录GDAQ2050202
工程名称:施工单位:
填表人(签名):年月日16
/ 8
班组(第三级)安全教育记表
GDAQ2050203
工程名称:施工单位:
填表人(签名):年月日16
/ 9
变换工种安全教育登记表
GDAQ20503
工程名称:施工单位:
填表人(签名):年月日注:工人变换工种,应进行操作技能和安全操作知识的教育和培训,时间不得少于20学时,考核合格后,方可上岗操作。
16
/ 10
作业人员安全教育登记表(年度)
GDAQ20504
工程名称:施工单位:
填表人(签名):年月日16
/ 11
管理人员安全教育登记表(年度)GDAQ20505
工程名称:施工单位:
填表人(签名):年月日注:项目安全人员、管理人员按规定每年必须进行安全培训,考核合格后持证上岗。
每年接受培训时间:项目经理不得少于30学时;专职安全生产管理员不得少于40学时;其他管理人员和技术人员不得少于20学时。
16
/ 12
急救人员安全教育登记表(年度)
GDAQ20506
工程名称:施工单位:
填表人(签名):年月日16
/ 13
节前(节后)安全教育登记表
GDAQ20507
工程名称:施工单位:
填表人(签名):年月日16
/ 14
日常安全教育登记表
GDAQ20508
工程名称:施工单位:
填表人(签名):年月日16
/ 15
应急知识教育登记表
GDAQ20509
工程名称:施工单位:
填表人(签名):年月日16
/ 16。