616G3安川变频器驱动电路图说
- 格式:doc
- 大小:157.50 KB
- 文档页数:8
安川V1000变频器详细图解赵慧钢whqs200@S1正转指令S2反转指令S3外部故障S4故障复位S5多段速指令1S6多段速指令2S7点动指令SC输入指令公共端S1开关(V电压给定,I电流给定)速度给定电流或电压信号选择S3开关选择输入指令为共发射极或共集电极控制方式1、S3开关为SINK时,控制指令使用变频器内部+24V电源2、S3开关为SOURCE时,控制指令使用变频器外部+24V电源1、S1开关设为I时,将参数H3-09设定为2(4-20mA)或3(0-20mA)2、S1开关设为V时,将参数H3-09设定为0-10V(有下极限)或0-10V(无下极限)正反向光电耦合器S3开关选择输入指令为共发射极或共集电极控制方式1、S3开关为SINK时,控制指令使用变频器内部+24V电源2、S3开关为SOURCE时,控制指令使用变频器外部+24V电源给定调速方式1+10.5V电源0-10V4-20mA或(0-10V)给定调速方式2公共端给定调速方式3给定调速方式1:RP和AC端子,脉冲速度给定调速给定调速方式2:+V、A1和AC端子给定电位器手动调速给定调速方式3:A2和AC端子给定,可由外部计算机或电子秤仪表进行0-+10V 或4-20mA给定信号进行调速,电压或电流调速信号选择由S1拨动开关进行选择主要使用调速方式3,调速方式2为操作箱上2KΩ电位器手动调速S1开关(V电压给定,I电流给定)速度给定电流或电压信号选择1、S1开关设为I时,将参数H3-09设定为2(4-20mA)或3(0-20mA)2、S1开关设为V时,将参数H3-09设定为0-10V(有下极限)或0-10V(无下极限)电压给定输入接线图,将S1开关拨到V,将参数H3-09设定为0-10V(有下极限)或0-10V(无下极限)电流给定输入接线图,将S1开关拨到I,将参数H3-09设定为2(4-20mA)或3(0-20mA)外部输入4-20mA或0-10V给定信号外部急停开关或HC、H1直接短接变频器故障信号输出接点变频器运行状态信号输出光电耦合器接外部速度表或频率表使用接点输出、光电耦合器输出时的接线方式接外部速度表或频率表变频器运行状态信号输出接点变频器运行状态信号输出光电耦合器S2开关,接终端通信电阻S2开关,接终端通信电阻,出厂设定为OFF三相电源电动机接制动电阻接DC电抗器短接带参数备份功能端子板可拆卸插头可拔接地插头S1 S2S3S2开关,接终端通信电阻,出厂设定为OFFS1开关(V电压给定,I电流给定)速度给定电流或电压信号选择S3开关选择输入指令为共发射极或共集电极控制方式端子排固定销,向下按下更换变频器时将可拔接地线拔掉,将固定销按下,然后沿箭头方向拔下电路板。
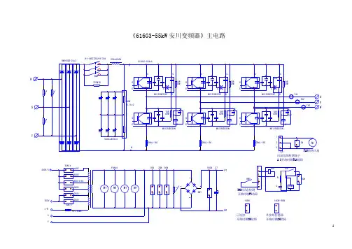
《616G3-55kW安川变频器》主电路HI-35E2T2CU-U/70ARr/R3CN/416CN风扇故障检测端子2.3开路时跳FAN故障开路时跳FU故障开路时跳OH故障14CN/15CN开路时跳OH故障《616G3-55kW安川变频器》主电路图说所有变频器主电路的结构都是相似的,乃至于是相同的。
而安川变频器的主电路和台湾东元变频器的主电路更是如出一辙。
稍后我观察到两机的控制面板是一样的,控制面板和参数的设置也是相似的。
发现两种从硬件到软件都相似甚至于是相同的机器,给安装调试与维修,都会带来很多的方便。
只要手头有一种技术资料参考,就可以调试和维修二种设备了。
打开这两种大功率变频器的外壳,检查主电路时,安装于逆变模块上方(与模块并联的)的六只长方形盒体状的大东西,首先会引起我们的兴趣——与每相上臂IGBT管子并联的是型号为MS1250D225P,与下臂IGBT管子并联的型号为MS1250D225N。
用句网络上的话说:这究竟是个什么东东?安装于此处意欲何为呢?大凡并联在IGBT管子上的东西,或电容或阻容网络,均是为保护IGBT管子而设置的。
即当该管子截止时,快速消耗掉反向电压所形成的能量,提供一个反向电流的通路,以保护IGBT管子不承受(实质上是使其承受得少一点罢了)反压的冲击。
众所周知,无论是双极型或是场效应器件,在承受正向电压上往往有一定的富裕量,但对于反向电压的耐受能力却是极其脆弱的。
所以在IGBT管子上并联的一嘟喽一嘟喽的东西,可以说都是完成此一消耗反压任务的。
需要说明的是:MS1250D225P和MS1250D225N的内部电路,笔者并未打开实物进行验证,模块损坏后,这两种器件往往都是完好的,所以也不便将其破坏后拆解。
上图的内部电路是据测量揣摩画出的,仅为读者朋友提供一个参考。
我查找了大量资料和在网络上进行了搜寻,均未找到此元件的资料。
从揣测电路的基础上进行原理上的分析,显然容易产生误导。
1.外围线路配置1.1 数字量输入:端子1正向运行C板:Y4 F板:JP10.4端子2反向运行 C板:Y5 F板:JP10.5端子3外部故障可编程H1-01=24 ;如不用端子3,变频器仍会误报外部故障,可设H1-01=F端子5多段速给定1 可编程H1-03=3 F板:JP10.7端子6多段速给定2 可编程H1-04=4 F板:JP10.8端子7多段速给定3 可编程H1-05=5 F板:JP10.9端子11为公共端C板:COM2 F板:JP10.101.2 数字量输出(继电器):9-10 变频器运行信号可编程H2-01=0C板:串入抱闸接触器线圈回路F板:JP2.1018-20 变频器故障C板:X13 F板:JP2.21.3 模拟量输入:13 - 17(0~10V -0V) C板:V1-V0 F板:JP6.3-JP6.22.一些重要参数说明A1-01=4 可以读取/设定全部的参数A1-02=3 (闭环);2(开环)A1-03=0 初始化(一般不用)B1-03=1 停止方式(惯性停止)C1-01 加速时间C1-02 减速时间C2-01 加速开始S曲线数字量可调节参数值C2-02 加速完成S曲线模拟量一般不用C2-03 减速开始S曲线C2-04 减速完成S曲线C5-01 速度环比例增益1 (高速时)C5-02 速度环积分增益1 (高速时)C5-03 速度环比例增益2 (低速时)C5-04 速度环积分增益2 (低速时)C5-07 ASR切换频率(高速和低速区域之间分界值)C6-01 载波频率 15KHz 一般不调。
仅当电机动作正常,但声音尖锐异常时可调整(≤15KHz)D1-04 爬行速度D1-05 检修速度数字量可调节参数值D1-06 单层速度模拟量不用,都为0D1-07 双层速度D1-08 多层速度E1-01 输入电压设定一般设为400VE1-04 最大输出频率E1-05 最大电压此四个参数值须根据电机铭牌设E1-06 基频 E1-04=E1-06 设为电机额定频率E2-01 电机额定电流E2-03 电机空载电流初始值设为E2-01的40%,自整定后自动生成E2-04 电机极数P P=120f/N (f-电机额定频率;N-电机额定转速)一般情况,N >1000rpm,P=4极N≤1000rpm,P=6极F1-01 PG参数旋转编码器标定值F1-06 PG分频率F1-09 1 过速度检出时间F1-10 30 速度偏差过大检出标准F1-11 3.5 速度偏差过大检出时间H3-02 100% 模拟给定13增益H3-03 0 模拟给定13偏置H3-12 0.04 模拟量输入滤波时间L3-04 0 减速时失速防止功能无效,如设1则会减速时减不下来。
安川V1000变频器详细图解赵慧钢whqs200@S1正转指令S2反转指令S3外部故障S4故障复位S5多段速指令1S6多段速指令2S7点动指令SC输入指令公共端S1开关(V电压给定,I电流给定)速度给定电流或电压信号选择S3开关选择输入指令为共发射极或共集电极控制方式1、S3开关为SINK时,控制指令使用变频器内部+24V电源2、S3开关为SOURCE时,控制指令使用变频器外部+24V电源1、S1开关设为I时,将参数H3-09设定为2(4-20mA)或3(0-20mA)2、S1开关设为V时,将参数H3-09设定为0-10V(有下极限)或0-10V(无下极限)正反向光电耦合器S3开关选择输入指令为共发射极或共集电极控制方式1、S3开关为SINK时,控制指令使用变频器内部+24V电源2、S3开关为SOURCE时,控制指令使用变频器外部+24V电源给定调速方式1+10.5V电源0-10V4-20mA或(0-10V)给定调速方式2公共端给定调速方式3给定调速方式1:RP和AC端子,脉冲速度给定调速给定调速方式2:+V、A1和AC端子给定电位器手动调速给定调速方式3:A2和AC端子给定,可由外部计算机或电子秤仪表进行0-+10V 或4-20mA给定信号进行调速,电压或电流调速信号选择由S1拨动开关进行选择主要使用调速方式3,调速方式2为操作箱上2KΩ电位器手动调速S1开关(V电压给定,I电流给定)速度给定电流或电压信号选择1、S1开关设为I时,将参数H3-09设定为2(4-20mA)或3(0-20mA)2、S1开关设为V时,将参数H3-09设定为0-10V(有下极限)或0-10V(无下极限)电压给定输入接线图,将S1开关拨到V,将参数H3-09设定为0-10V(有下极限)或0-10V(无下极限)电流给定输入接线图,将S1开关拨到I,将参数H3-09设定为2(4-20mA)或3(0-20mA)外部输入4-20mA或0-10V给定信号外部急停开关或HC、H1直接短接变频器故障信号输出接点变频器运行状态信号输出光电耦合器接外部速度表或频率表使用接点输出、光电耦合器输出时的接线方式接外部速度表或频率表变频器运行状态信号输出接点变频器运行状态信号输出光电耦合器S2开关,接终端通信电阻S2开关,接终端通信电阻,出厂设定为OFF三相电源电动机接制动电阻接DC电抗器短接带参数备份功能端子板可拆卸插头可拔接地插头S1 S2S3S2开关,接终端通信电阻,出厂设定为OFFS1开关(V电压给定,I电流给定)速度给定电流或电压信号选择S3开关选择输入指令为共发射极或共集电极控制方式端子排固定销,向下按下更换变频器时将可拔接地线拔掉,将固定销按下,然后沿箭头方向拔下电路板。
《616G3-55kW安川变频器》主电路HI-35E2T2CU-U/70ARr/RUVW 3CN/416CN风扇故障检测端子2.3开路时跳FAN故障开路时跳FU故障开路时跳OH故障14CN/15CN开路时跳OH故障《616G3-55kW安川变频器》主电路图说所有变频器主电路的结构都是相似的,乃至于是相同的。
而安川变频器的主电路和台湾东元变频器的主电路更是如出一辙。
稍后我观察到两机的控制面板是一样的,控制面板和参数的设置也是相似的。
发现两种从硬件到软件都相似甚至于是相同的机器,给安装调试与维修,都会带来很多的方便。
只要手头有一种技术资料参考,就可以调试和维修二种设备了。
打开这两种大功率变频器的外壳,检查主电路时,安装于逆变模块上方(与模块并联的)的六只长方形盒体状的大东西,首先会引起我们的兴趣——与每相上臂IGBT管子并联的是型号为MS1250D225P,与下臂IGBT管子并联的型号为MS1250D225N。
用句网络上的话说:这究竟是个什么东东?安装于此处意欲何为呢?大凡并联在IGBT管子上的东西,或电容或阻容网络,均是为保护IGBT管子而设置的。
即当该管子截止时,快速消耗掉反向电压所形成的能量,提供一个反向电流的通路,以保护IGBT管子不承受(实质上是使其承受得少一点罢了)反压的冲击。
众所周知,无论是双极型或是场效应器件,在承受正向电压上往往有一定的富裕量,但对于反向电压的耐受能力却是极其脆弱的。
所以在IGBT管子上并联的一嘟喽一嘟喽的东西,可以说都是完成此一消耗反压任务的。
需要说明的是:MS1250D225P和MS1250D225N的内部电路,笔者并未打开实物进行验证,模块损坏后,这两种器件往往都是完好的,所以也不便将其破坏后拆解。
上图的内部电路是据测量揣摩画出的,仅为读者朋友提供一个参考。
我查找了大量资料和在网络上进行了搜寻,均未找到此元件的资料。
从揣测电路的基础上进行原理上的分析,显然容易产生误导。
安川616G5变频器的参数说明安川616G5变频器的参数说明1.外围线路配置1.1 数字量输入:端子1正向运行 C板:Y4 F板:JP10.4端子2反向运行 C板:Y5 F板:JP10.5端子3外部故障可编程H1-01=24 ;如不用端子3,变频器仍会误报外部故障,可设H1-01=F端子5多段速给定1 可编程H1-03=3 F板:JP10.7端子6多段速给定2 可编程H1-04=4 F板:JP10.8端子7多段速给定3 可编程H1-05=5 F板:JP10.9端子11为公共端 C板:COM2 F板:JP10.101.2 数字量输出(继电器):9-10 变频器运行信号可编程H2-01=0 C板:串入抱闸接触器线圈回路 F板:JP2.1018-20 变频器故障 C板:X13 F板:JP2.21.3 模拟量输入:13 - 17(0~10V - 0V) C板:V1-V0 F板:JP6.3-JP6.22.一些重要参数说明A1-01=4 可以读取/设定全部的参数A1-02=3 (闭环); 2(开环)A1-03=0 初始化(一般不用)B1-03=1 停止方式(惯性停止)C1-01 加速时间C1-02 减速时间C2-01 加速开始S曲线数字量可调节参数值C2-02 加速完成S曲线模拟量一般不用C2-03 减速开始S曲线C2-04 减速完成S曲线C5-01 速度环比例增益1 (高速时)C5-02 速度环积分增益1 (高速时)C5-03 速度环比例增益2 (低速时)C5-04 速度环积分增益2 (低速时)C5-07 ASR切换频率(高速和低速区域之间分界值)C6-01 载波频率 15KHz 一般不调。
仅当电机动作正常,但声音尖锐异常时可调整(≤15KHz)D1-04 爬行速度D1-05 检修速度数字量可调节参数值D1-06 单层速度模拟量不用,都为0D1-07 双层速度D1-08 多层速度E1-01 输入电压设定一般设为400VE1-04 最大输出频率E1-05 最大电压此四个参数值须根据电机铭牌设E1-06 基频 E1-04=E1-06 设为电机额定频率E2-01 电机额定电流E2-03 电机空载电流初始值设为E2-01的40%,自整定后自动生成E2-04 电机极数P P=120f/N (f-电机额定频率;N-电机额定转速)一般情况,N >1000rpm, P=4极N≤1000rpm, P=6极F1-01 PG参数旋转编码器标定值F1-06 PG分频率F1-09 1 过速度检出时间F1-10 30 速度偏差过大检出标准F1-11 3.5 速度偏差过大检出时间H3-02 100% 模拟给定13增益H3-03 0 模拟给定13偏置H3-12 0.04 模拟量输入滤波时间L3-04 0 减速时失速防止功能无效,如设1则会减速时减不下来。
安川变频器的常见故障1 开关电源损坏开关电源损坏是众多变频器最常见的故障,通常是由于开关电源的负载发生短路造成的,在众多变频器的开关电源线路设计上,安川变频器因该说是比较成功的。
616G3采用了两级的开关电源,有点类似于富士G5,先由第一级开关电源将直流母线侧500多伏的直流电压转变成300多伏的直流电压。
然后再通过高频脉冲变压器的次级线圈输出5V、12V、24V等较低电压供变频器的控制板,驱动电路,检测电路等做电源使用。
在第二级开关电源的设计上安川变频器使用了一个叫做TL431的可控稳压器件来调整开关管的占空比,从而达到稳定输出电压的目的。
前几期我们谈到的LG变频器也使用了类似的控制方式。
用作开关管的QM5HL-24以及TL431都是较容易损坏的器件。
此外当我们在使用中如若听到刺耳的尖叫声,这是由脉冲变压器发出的,很有可能开关电源输出侧有短路现象。
我们可以从输出侧查找故障。
此外当发生无显示,控制端子无电压,DC12V,24V风扇不运转等现象时我们首先应该考虑是否开关电源损坏了。
2 SC故障SC故障是安川变频器较常见的故障。
IGBT模块损坏,这是引起SC故障报警的原因之一。
此外驱动电路损坏也容易导致SC故障报警。
安川在驱动电路的设计上,上桥使用了驱动光耦PC923,这是专用于驱动IGBT模块的带有放大电路的一款光耦,安川的下桥驱动电路则是采用了光耦PC929,这是一款部带有放大电路,及检测电路的光耦。
此外电机抖动,三相电流,电压不平衡,有频率显示却无电压输出,这些现象都有可能是IGBT模块损坏。
IGBT模块损坏的原因有多种,首先是外部负载发生故障而导致IGBT模块的损坏如负载发生短路,堵转等。
其次驱动电路老化也有可能导致驱动波形失真,或驱动电压波动太大而导致IGBT损坏,从而导致SC 故障报警。
3 OH—过热过热是平时会碰到的一个故障。
当遇到这种情况时,首先会想到散热风扇是否运转,观察机器外部就会看到风扇是否运转,此外对于30kW以上的机器在机器部也带有一个散热风扇,此风扇的损坏也会导致OH的报警。
HI-35E2T2CU-U/70ARr/R U V W3CN/416CN风扇故障检测端子2.3开路时跳FAN故障开路时跳FU故障开路时跳OH故障14CN/15CN开路时跳OH故障《616G3-55kW 安川变频器》主电路图说所有变频器主电路的结构都是相似的,乃至于是相同的。
而安川变频器的主电路和台湾东元变频器的主电路更是如出一辙。
稍后我观察到两机的控制面板是一样的,控制面板和参数的设置也是相似的。
发现两种从硬件到软件都相似甚至于是相同的机器,给安装调试与维修,都会带来很多的方便。
只要手头有一种技术资料参考,就可以调试和维修二种设备了。
打开这两种大功率变频器的外壳,检查主电路时,安装于逆变模块上方(与模块并联的)的六只长方形盒体状的大东西,首先会引起我们的兴趣——与每相上臂IGBT管子并联的是型号为MS1250D225P,与下臂IGBT管子并联的型号为MS1250D225N。
用句网络上的话说:这究竟是个什么东东?安装于此处意欲何为呢?大凡并联在IGBT管子上的东西,或电容或阻容网络,均是为保护IGBT管子而设置的。
即当该管子截止时,快速消耗掉反向电压所形成的能量,提供一个反向电流的通路,以保护IGBT管子不承受(实质上是使其承受得少一点罢了)反压的冲击。
众所周知,无论是双极型或是场效应器件,在承受正向电压上往往有一定的富裕量,但对于反向电压的耐受能力却是极其脆弱的。
所以在IGBT管子上并联的一嘟喽一嘟喽的东西,可以说都是完成此一消耗反压任务的。
需要说明的是:MS1250D225P和MS1250D225N的内部电路,笔者并未打开实物进行验证,模块损坏后,这两种器件往往都是完好的,所以也不便将其破坏后拆解。
上图的内部电路是据测量揣摩画出的,仅为读者朋友提供一个参考。
我查找了大量资料和在网络上进行了搜寻,均未找到此元件的资料。
从揣测电路的基础上进行原理上的分析,显然容易产生误导。
故暂时省略对其原理的解析。
616G3安川变频器驱动电路图说《616G3-55kW安川变频器》主电路仅供学习与交流,如有侵权请联系网站删除谢谢2仅供学习与交流,如有侵权请联系网站删除 谢谢3HI-35E2T2CU-U/70ARr/R 3CN/416CN风扇故障检测端子2.3开路时跳FAN故障开路时跳FU故障已短接开路时跳OH故障14CN/15CN外接热传感器开路时跳OH故障《616G3-55kW 安川变频器》主电路图说所有变频器主电路的结构都是相似的,乃至于是相同的。
而安川变频器的主电路和台湾东元变频器的主电路更是如出一辙。
稍后我观察到两机的控制面板是一样的,控制面板和参数的设置也是相似的。
发现两种从硬件到软件都相似甚至于是相同的机器,给安装调试与维修,都会带来很多的方便。
只要手头有一种技术资料参考,就可以调试和维修二种设备了。
打开这两种大功率变频器的外壳,检查主电路时,安装于逆变模块上方(与模块并联的)的六只长方形盒体状的大东西,首先会引起我们的兴趣——与每相上臂IGBT管子并联的是型号为MS1250D225P,与下臂IGBT管子并联的型号为MS1250D225N。
用句网络上的话说:这究竟是个什么东东?安装于此处意欲何为呢?大凡并联在IGBT管子上的东西,或电容或阻容网络,均是为保护IGBT管子而设置的。
即当该管子截止时,快速消耗掉反向电压所形成的能量,提供一个反向电流的通路,以保护IGBT管子不承受(实质上是使其承受得少一点罢了)反压的冲击。
众所周知,无论是双极型或是场效应器件,在承受正向电压上往往有一定的富裕量,但对于反向电压的耐受能力却是极其脆弱的。
所以在IGBT管子上并联的一嘟喽一嘟喽的东西,可以说都是完成此一消耗反压任务的。
需要说明的是:MS1250D225P和MS1250D225N的内部电路,笔者并未打开实物进行验证,模块损坏后,这两种器件往往都是完好的,所以也不便将其破坏后拆解。
上图的内部电路是据测量揣摩画出的,仅为读者朋友提供一个参考。
安川变频器616-P5使用说明一、简介(1) 一线加热炉3#、5#辊道使用安川616-P5型变频器控制。
其控制方式为远程端子输入控制;采用三线制运转模式由S1端子对应的功能号码n035=1实现,通过加热炉顺控PLC的继电器输出点将变频器控制端子SC(低电平)与控制输入端S1、S2同时接通或断开来控制变频器的启动和停止,正/反转控制也是由顺控PLC的继电器输出点控制变频器控制端子S3与SC(低电平)之间的通断来实现的;给定从PLC的0-+10V模拟量输出由控制端子FV和FC接入,其大小由编程器修改设定。
变频器故障远程复位是通过设定端子S4对应的功能号码n037=4;并且由3#、4#、5#辊道变频器共用的复位继电器ZJ1控制S4与SC导通实现。
复位继电器ZJ1通过3#、4#、5#辊道停止按钮在PLC程序中并联组合后输出控制。
(2)一线风冷辊道冷却风机同样采用安川616-P5型变频器控制,其控制由主控台上位机MMI画面经以太网传输通过PLC输入和输出实现远程端子控制(起动、停止、复位、调速)及监控;采用两线制运转模式由S1端子对应的功能号码n035=0实现,通过2#电磁站PLC的输出控制端子SC(低电平)与控制输入端S1接通或断开来控制变频器的启动和停止,无反转控制;变频器的给定从PLC的0-+10V 模拟量输出接入控制端子FV和FC,其大小由MMI画面设定;反馈信号由端子AM、AC引出以0-10V(功能号码n048=0,对应频率输出)模拟量形式接入PLC模拟量输入板并在MMI画面显示;运行状态由端子M1、M2,故障状态由端子MA、MC引出分别以开关量形式接入PLC开关量输入板并在MMI画面显示;变频器故障远程复位是通过设定端子S4对应的功能号码n037=4;由PLC的输出控制变频器端子S4与SC导通实现。
(3) 二线风冷辊道1-8#风机也是采用安川616-P5型变频器控制,其控制由主控台上位机MMI画面经以太网传输通过PLC输入和输出实现远程端子控制(起动、停止、调速)及监控;采用两线制运转模式由S1端子对应的功能号码n035=0实现,通过二线主电室PLC2的输出控制端子SC(低电平)与端子S1接通或断开来控制变频器的启动和停止,无反转控制;变频器的给定从PLC的0-+10V模拟量输出接入控制端子FV和FC,其大小由MMI画面设定;运行状态由端子M1、M2以开关量形式接入PLC开关量输入板并在MMI 画面显示。
安川变频器报GF故障,要换板才能修复吗?最近检修一台安川616G3型55kW变频器,上电即报GF—接地故障的,检修过程一波三折,好伤脑筋。
也曾上过一些网站搜寻对此故障的分析,好多贴子都反映这个故障比较顽固的,必须换板才能修复的。
换主板还是驱动板?未说清楚。
由于检修的一度陷入僵局,我几乎也要认可这一说法了。
但看安川变频器保护电路的结构,与其它变频器其实是一样的。
过流OL1、OL2、OL3故障信号,应是电流互感器和后续电流检测处理电路报与CPU的;而GF(接地)和OC(负载侧短路)故障信号,应为驱动电路板的保护电路直接馈送CPU的。
不同点在于,在启动初始阶段,检测模块异常,即报出GF故障。
在运行中检测模块异常,则报出OC故障。
这两种信号,其实也透出这样一种信息:启动初始阶段,还未建立起三相输出电压,负载尚未运行,此际的故障来源,应为变频器驱动电路或IBGT模块本身异常所致;在运行中有异常大的电流出现,跳OC,则为负载侧故障的机率为大。
GF和OC故障的区别和所指,确实是有其道理的。
由CPU自身损坏,造成上电即报GF故障的可能性,是微乎其微的。
而GF 故障,肯定是由驱动电路直接报与CPU的。
换板,似乎只能是换驱动板了。
更换CPU主板来修复此故障,不符合逻辑条件呀。
此纯粹是硬件电路(保护电路)的故障,要是不搞个水落石出,我也觉得不太甘心的。
机器原故障为:三相电源输入整流模块有两块损坏,六块逆变IGBT模块有两块损坏。
驱动板受损坏模块的冲击,也有一些元件损坏。
此机器因某种原因放置了二、三年后,才来我维修部修理。
先检查了主电路,对模块与电容进行了检测,对损坏模块咨询了货物来源和价格。
然后准备在修复驱动板后,才购回模块实施修复。
说一下本机的驱动和保护电路。
驱动电路(含模块故障检测保护电路)与CPU主板的联系,是由15只光电耦合器件来完成的。
由CPU来的六路脉冲信号,经由六片8脚IC—TLP250隔离和放大,再经由两只三极管组成的功率放大电路,送IGBT模块触子;另六片8脚IC—TLP750,则与三极管分立电路配合,组成模块故障保护电路,向CPU 馈送GF和OC信号。
《616G3-55kW安川变频器》主电路HI-35E2T2CU-U/70ARr/RUVW 3CN/416CN风扇故障检测端子2.3开路时跳FAN故障开路时跳FU故障开路时跳OH故障14CN/15CN开路时跳OH故障《616G3-55kW安川变频器》主电路图说所有变频器主电路的结构都是相似的,乃至于是相同的。
而安川变频器的主电路和台湾东元变频器的主电路更是如出一辙。
稍后我观察到两机的控制面板是一样的,控制面板和参数的设置也是相似的。
发现两种从硬件到软件都相似甚至于是相同的机器,给安装调试与维修,都会带来很多的方便。
只要手头有一种技术资料参考,就可以调试和维修二种设备了。
打开这两种大功率变频器的外壳,检查主电路时,安装于逆变模块上方(与模块并联的)的六只长方形盒体状的大东西,首先会引起我们的兴趣——与每相上臂IGBT管子并联的是型号为MS1250D225P,与下臂IGBT管子并联的型号为MS1250D225N。
用句网络上的话说:这究竟是个什么东东?安装于此处意欲何为呢?大凡并联在IGBT管子上的东西,或电容或阻容网络,均是为保护IGBT管子而设置的。
即当该管子截止时,快速消耗掉反向电压所形成的能量,提供一个反向电流的通路,以保护IGBT管子不承受(实质上是使其承受得少一点罢了)反压的冲击。
众所周知,无论是双极型或是场效应器件,在承受正向电压上往往有一定的富裕量,但对于反向电压的耐受能力却是极其脆弱的。
所以在IGBT管子上并联的一嘟喽一嘟喽的东西,可以说都是完成此一消耗反压任务的。
需要说明的是:MS1250D225P和MS1250D225N的内部电路,笔者并未打开实物进行验证,模块损坏后,这两种器件往往都是完好的,所以也不便将其破坏后拆解。
上图的内部电路是据测量揣摩画出的,仅为读者朋友提供一个参考。
我查找了大量资料和在网络上进行了搜寻,均未找到此元件的资料。
从揣测电路的基础上进行原理上的分析,显然容易产生误导。
《616G3-55kW安川变频器》主电路HI-35E2T2CU-U/70ARr/RUVW 3CN/416CN风扇故障检测端子2.3开路时跳FAN故障开路时跳FU故障开路时跳OH故障14CN/15CN开路时跳OH故障《616G3-55kW安川变频器》主电路图说所有变频器主电路的结构都是相似的,乃至于是相同的。
而安川变频器的主电路和台湾东元变频器的主电路更是如出一辙。
稍后我观察到两机的控制面板是一样的,控制面板和参数的设置也是相似的。
发现两种从硬件到软件都相似甚至于是相同的机器,给安装调试与维修,都会带来很多的方便。
只要手头有一种技术资料参考,就可以调试和维修二种设备了。
打开这两种大功率变频器的外壳,检查主电路时,安装于逆变模块上方(与模块并联的)的六只长方形盒体状的大东西,首先会引起我们的兴趣——与每相上臂IGBT管子并联的是型号为MS1250D225P,与下臂IGBT管子并联的型号为MS1250D225N。
用句网络上的话说:这究竟是个什么东东?安装于此处意欲何为呢?大凡并联在IGBT管子上的东西,或电容或阻容网络,均是为保护IGBT管子而设置的。
即当该管子截止时,快速消耗掉反向电压所形成的能量,提供一个反向电流的通路,以保护IGBT管子不承受(实质上是使其承受得少一点罢了)反压的冲击。
众所周知,无论是双极型或是场效应器件,在承受正向电压上往往有一定的富裕量,但对于反向电压的耐受能力却是极其脆弱的。
所以在IGBT管子上并联的一嘟喽一嘟喽的东西,可以说都是完成此一消耗反压任务的。
需要说明的是:MS1250D225P和MS1250D225N的内部电路,笔者并未打开实物进行验证,模块损坏后,这两种器件往往都是完好的,所以也不便将其破坏后拆解。
上图的内部电路是据测量揣摩画出的,仅为读者朋友提供一个参考。
我查找了大量资料和在网络上进行了搜寻,均未找到此元件的资料。
从揣测电路的基础上进行原理上的分析,显然容易产生误导。
故暂时省略对其原理的解析。
但在模块上并联了此类元件后,将在检修上给我们带来新的体验。
见下述。
按照常规的检修方法,我们在更换损坏的模块后,进行通电试验前,须将上图中的P点切断,串入两只25W(或40W)灯泡,再行上电,这样万一逆变模块回路或驱动电路异常,造成上、下臂两只IGBT管子共通对直流电源的短路时,因灯泡的限流作用,使昂贵的IGBT模块免遭损坏。
其它品牌的变频器,在管子两端并联皮法级的小容量电容,在通电或变频器启动后,只要U、V、W输出端子空载,灯泡是不会亮的。
但安川变频器在检修中的表现就有所不同了。
在P点串入灯泡,上电,灯泡不亮,是对的,我松了一口气;按操作面板启动变频器,灯泡变为雪亮!坏了,输出模块有短路现象!这是我的第一判断。
停电检查模块和驱动电路,均无异常。
回头查看电路结构,在拆除掉MS1250D225P和MS1250D225N后,启动变频器后灯泡不亮了。
测空载输出三相电压正常。
这两只元件与外接10Ω80W电阻,提供了约百毫安的电流通路,使25W灯泡变为雪亮。
以几十瓦的功耗的牺牲换来IGBT管子更高的安全性,这是安川变频器的模块保护电路的特色。
变频器空载启动后,由于MS1250D225P和MS1250D225N等元件的关系,逆变电路自身形成了一定的电路通路,并非为逆变模块不良造成。
该机是一个特例。
有了电路通路,也并一定是模块已经损坏了,观察一下,是哪些元件提供了此电流的通路?当新鲜的经验固化成思维定式,对故障的误判就在所难免了。
整机控制电源是由图下方一只多抽头变压器来取得的。
插座3CN和4CN的短接线不同,可调整输入电压的级别,以保证次级绕组AC220V电压的精确度。
散热风机是采用AC220V电源的,此电源又经整滤波做为开关电源的输入。
单独检修驱动板时,须将风扇端子的2、3;接触器端子的3、4;14CN,15CN,16CN的端子均短接,人为消除欠压(FU/LU)、过热(OH)、风扇坏(FAN)等故障信号,才能使CPU输出六路脉冲信号,便于对驱动电路进行检查。
《616G3-55kW安川变频器》驱动/保护电路G EG EG E《616G3-55kW安川变频器》驱动电路/保护电路图说驱动电路的种类也是大同小异的。
我们见得最多的是用PC929、A316J等IC 构成的驱动电路,模块故障检测电路(保护电路)也同时集成在内了。
虽然可以找到有关A3316J等的电路资料,能看到内部的单元方框电路图和对电路原理的介绍,但对其保护电路的具体构成,总是感到一丝“触不到实处”的茫然——IC 内部的保护电路,的确是看不到也摸不着的呀。
恰巧本电路是用分立元件构成的检测与保护电路,更便于理解检测与保护动作过程。
将上图中的一路脉冲与保护电路稍为改画,即可看出IGBT管压降检测电路是如何对模块实施保护动作的了:W电路原理:由CPU引脚来的PWM脉冲信号,经U2光电耦合器隔离和放大后,送入模块保护电路。
正常状态下,此脉冲信号再经Q2和Q3的推挽式功率放大电路放大,直接驱动IGBT模块。
一般认为,IGBT模块为电压型驱动模块,此种观念有失偏颇。
IGBT管子的输入栅-射结电容,恰恰需要瞬态的大涌入电流!这就是为什么会采用Q2、Q3来做功率放大的原因。
驱动信号的引入电阻,也是5Ω8W的功率电阻。
而从这个意义上来讲,从本质上来看,IGBT模块,仍为电流型驱动器件。
这是笔者的看法,不知当否?当驱动电路的电流输出能力不足时,会使三相输出电流产生断续,电机振动,发出隆隆声。
脉冲处理电路原理另见其它图说,此处重点是看保护电路如何动作的。
在变频器未接受启动信号时,U2的输出脚7、8为截止负电压,如以0V电源线做为参考点的话,此时7、8脚电压约-9.5V(忽略内部管子的饱合压降),此负压经R13、R3引入到Q2和Q3的基极。
Q2因反偏压而截止,Q3因正偏压而导通,IGBT模块的栅偏压为负,处于截止状态。
电阻R1、R2对+15V和负-9.5V分压得到3V的电平。
D9为击穿电压值为9V的稳压管,R1与R2的分压值不足以使其击穿,故Q3无偏流,处于截止状态。
光电耦合器U1无输入电流,故无GF (接地)和OC(过载、短路)等故障信号返回CPU。
当CPU发送驱动脉冲的时候,U2的7、8脚变为峰值为15V的正脉冲电压,D1的正极此际便上升为+15V,此时便出现了两种情况:一种情况下是模块良好,IGBT管子在正激励脉冲驱动下迅即导通,可认为P、E两点之间瞬时短接了。
D1的负端电位瞬即拉为0V,也将D2的负端电位拉为1V以下,因未达到D2的击穿值,使Q3仍无基极偏流而截止;一种情况下是模块已或因负载异常使运行电流过大,或因Q3等驱动电路本身不良使IGBT管子并未良好地导通,D1的负端为高电位而截止,+15V经R1使D2击穿,Q3得到偏流导通,将Q2基极的正脉冲电压拉为零电平,IGBT 模块失去脉冲而截止。
同时Q3的导通产生了U1的输入电流,U1将模块故障信号送入CPU。
可见此电路是保护电路先切断了IGBT管子的驱动脉冲,同时送出了模块故障信号。
保护是及时和快速的。
《616G3-55kW安川变频器》驱动/FU电路GE《616G3-55kW安川变频器》驱动/FU电路图说驱动电路的保护电路,是根据激励脉冲发送期间,IGBT管子的管压降的大小,来实施保护动作和发送OC信号的。
据资料上介绍:IGBT模块在正常(额定电流)情况下的导通压降为3V左右。
而当其管压降达到7V以上时,说明IGBT模块中流过的电流已超过Ie的180%至200%,此时的保护动作当然是愈快愈好的了。
设置此保护电路的目的,是弥补电流互感器等后续电流检测电路保护动作迟缓的不足——电流检测电路中不可避免地应用较大容量的滤波电容,使电路有了一定时间常数,而反应迟缓。
而IGBT的管压降检测电路,则由于反应迅速可称之为快速保护动作电路,犹如快速行动部队,是处理应急事件的。
对轻微过流和限流调节等处理,还是由电流互感器回路的电流检测电路来实施的。
在驱动电路中还附设了保险熔断的检测电路。
一般变频器,是在主电路P点处串入一只快速熔断保险,来实施模块保护的。
而本机电路却在每相输出模块上各串入了一只保险。
每个厂家生产的变频器,大致都有如此的趋势:早期产品不免粗老笨重之嫌,其用户控制功能上不够完善,但在其制作选料上却有较大的富裕量;在保护性能上有保守之嫌,却不惜添加现在看来是多余的元器件,来保障保护电路的可靠性。
安川变频器的早期产品也未能免俗。
而随着产品技术的进步和市场竞争的激烈,变频器功能提升,而成本下降甚至有偷工减料之嫌。
变频器的运行可靠性也因此打了折扣,国产变频器当以此为戒。
三路保险熔断的检测电路,是将下三臂驱动电源的0V线与主直流回路的N 线做比较,来判断熔丝是否正常的。
正常状态下,驱动电源的0V线与N线是经保险相连的,是等电位的。
即下三臂IGBT管子的E极是与主直流回路的N线是相连的。
故三极管Q4、Q19、Q28的基极偏压为零。
三只管子均截止。
当任一相输出模块的保险断开时,N线与该相驱动电源的0V线产生了巨大的电位差,三极管承受正偏压而导通。
Q5、Q20、Q29三只光耦接成或门电路,任一只光耦的输入信号都会传输到同一个输出点上,将快速保险的熔断信号传送给CPU,使CPU报出FU(熔丝)断信号,并拒绝接受启动信号。
安川变频器的故障信号报警,也有一个先后次序的有趣问题。
如过热、欠压、过流、风扇故障、保险熔断故障等,上电时,即给出故障代码的警示,并拒绝启动操作;在启动期间,由模块保护电路检测到的模块故障,以GF(接地故障)代码警示。
而在运行过程中检测到模块故障时,则报以OC(运行过流,负载短路等)故障代码信号。
IGBT管压降检测电路输出的同一个信号,因输出的时机不同(一个是在启动过程中,一个是在运行过程中),变频器报出的却是两个不同的故障代码(GF:接地故障;OC:过载或短路故障)。
同样,在电流和电压检测电路,有时也会采用相同的手段,同一处保护电路报出的过流或过压信号,则因变频器工作状态的不同(启动中或运行中),而有可能报出不相同的故障代码或对此采取不相同的处理措施。
这一切取决于软件设计者的思路。
每一个厂家的变频器,在控制思路上,必然会有大同小异之处。
注意变频器报故障的相关特点,便于高效率地判断故障所在。
2009-11-22--旷野之雪分析保护电路,要配合主电路和驱动(保护)两部分或三部分综合起来看,好多图纸是分解成各个单元电路来绘制的。
读者诸君必须强化自己综合读图、连贯读图的能力。
这是我送给您的一个忠。