水泵安装记录
- 格式:doc
- 大小:64.00 KB
- 文档页数:3
至R□轴向径向轴向倾斜(‰)径向位移(mm)建筑给水排水及供暖/室内给水系统水泵底座/垫铁的安放和 紧固专业监理工程师(建设单位项目技术负责人):基础(或机架)的平整度/ 锚固和防腐减振装置的安装固定标准(或技术文件)要求值符合设计和图纸要求符合设计和图纸要求出厂编号离心式消防水泵/XBD5/15L001、002//实测项目立式泵体垂直度偏差(‰)0.1整体安装//符合设计和图纸要求符合设计和图纸要求联轴器同心度0.10.80.8综合评价结论/备注符合规范和设计要求专业工长专业质检员检查结果基础(或机架)的坐标 位置 /尺寸偏差分体安装实测值0.05施工部位《建筑给水排水及采暖工程质量验收规范》GB50242-2002/水泵名称/型号/规格安装位置编号施工单位/检 测 日 期2017年08月20日测试计量器具(仪表、仪器)及附属设备(器具)的名称/型号、规格/量程/分辨精度/出厂编号/制造厂商/其他要素:2017年08月20日 施工单位检测调试负责人检测调试说明:卧式泵体水平度偏差(‰)检查项目全/2离心式水泵安装检测记录单位(子单位)工程名称XXX施工班组长0.1质量验收依据文件名称及编号施工依据文件名称及编号 监理(建设)单位地下室消防水泵安装采用水泵整体安装,其基础采钢筋混凝土平台基础,先浇筑水泵基座预埋基脚螺栓,再整体安装水泵,安装后水泵偏差尺寸符合设计要求以及规范工要求。
分部/子分部/分项(系统/子系统)GD-C4-6411最小/实际抽样数量《建筑给水排水及采暖工程质量验收规范》GB50242-2002施 工 单 位检验批编号XXX有限公司GD-C5-7122-1层 消防水泵。
安装自来水潜水泵三委会议记录
会议时间:20XX年11月25日
会议地点:现场会议室
参会人员:甲方,乙方,丙方
建设单位:XXX有限建设公司
监理单位:丙方
施工单位:甲方
分包单位:乙方
会议主持:丙方
会议议题:安装自来水潜水泵工作内容、进度及问题
会议内容及议定事项:
随着联合工房逐步交安水电安装工作必须抓紧进行本会议系统梳理了相关工作有关问题纪要如下:
1、天然气管道设计仅有管道走向而无标高及具体位置业主应尽快与管理部门确定天然气管道安装相关事宜以便协调外线管道过路管施工。
2、总包单位尽快申报消防管道安装单位及器材的相关资料。
3、厂区管网设计未设计进入西物流门的热力管道。
4、业主已明确厂区道路照明图发给总包单位请总包单位立即开始厂区道路照明的备料及安装工作。
5、要求本月30日前包总单位提出本年年底提出自来水潜水泵安装工作计划。
6、业主应明确办公楼精装方案以利于自来水潜水泵安装工作的顺利进行。
水泵安装旁站监理资料记录1 旁站记录的要求旁站记录应真实、及时、准确、全面反映关键部位或关键工序的有关情况。
文字书写应工整、清晰,语言表达应简明扼要,措辞严谨。
旁站记录应尽量采用专业术语,不用过多的修饰词语,更不要夸大其词。
涉及到数量的地方,应定清准确的数字。
如有的旁站记录这样记述:“4月26日,2号楼基础底板浇筑砼”,“5月10日,地下室垫层涂刷聚氨酯防水涂料”,短短几句话,既没有说清施工部位,也没有记述旁站时的情况,这显然是不符合要求的,如果发生质量问题,那么监理人员很难说清当时的情况。
再如:“4月28日,3号楼四层楼板浇筑砼20余方”,这也是不行的,应准确写清楚砼的浇筑数量。
2旁站记录的主要内容2.1、基本情况包括天气情况、现场人员情况、施工起止时间、施工部位、完成的工程量等。
2.1.1、天气情况包括阴、晴、雨、雪和温度变化(最高气温、最低气温)、风力。
准确的天气情况,可以使监理人员判断旁站部位是否具备作业的天气条件或根据天气情况要求施工单位采取相应的作业措施,如防水卷材SBS改性沥青油毡严禁在雨天、雪天和5级风及以上条件下施工,温度低于0℃时也不宜施工,若施工遇雨,应做好已铺卷材周边的保护工作;再如,电渣压力焊在雨、雪天不宜进行施焊,必须施焊时,应采取有效的遮蔽措施,焊后未冷却的接头,应避免碰到冰雪。
如果施工过程中发生天气的骤然变化,这些情况也应真实记录下来,如施工遇雨、风力增大。
2.1.2、现场人员情况应真实记录现场与旁站有关的建设单位人员,施工单位的技术、管理人员。
2.1.3、施工起止时间应记录施工开始时间和结束时间。
2.1.4、施工部位应写清所在部位的轴线、标高。
2.1.5、完成的工程量应写清准确的数值,以便为造价控制提供依据。
3 施工情况包括关键部位或关键工序的施工过程情况、试验与检验情况、设备、材料的使用情况、质量保证体系运行情况等。
3.1、关键部位或关键工序的施工过程情况主要记述关键部位或关键工序的施工方法、施工工艺及施工前施工单位制定的质量保证措施的执行情况。
水利水电设备安装记录根据项目需要,我司负责对水利水电设备进行安装并进行记录。
以下是安装过程的详细记录:安装日期:2021年5月1日安装地点:某水利水电工程项目现场安装人员:A工程师、B技术员、C安装工安装设备:水泵、水轮发电机、水管等安装流程:1. 确定安装位置根据施工图纸及相关要求,我们在项目现场确定了水利水电设备的安装位置。
确保设备安装后能够正常运行,并且便于维修和保养。
2. 准备工作我们在开始安装前,首先对安装现场进行了必要的准备工作。
包括清理施工区域、检查设备零部件是否完好、检查安装所需工具是否齐全等。
3. 安装水泵针对水泵的安装,我们按照以下步骤进行操作:(1)安装水泵底座:根据设备要求及相关图纸,我们在安装位置上固定水泵底座,保证其稳定性。
(2)连接进出口管道:我们根据设备要求,将水泵的进水口与水源管道连接,同时将出水口与管道连接,确保水泵能够正常输送水源。
(3)接通电源:将水泵与电源连接,进行调试,确保水泵能够正常运行。
4. 安装水轮发电机针对水轮发电机的安装,我们按照以下步骤进行操作:(1)安装水轮发电机底座:根据设备要求及相关图纸,我们在安装位置上固定水轮发电机底座,确保其稳定性。
(2)连接输水管道:将水轮发电机的进水口与输水管道连接,确保水能顺利流入发电机。
(3)连接电路:将发电机与电源连接,确保电流正常供给,以实现发电功能。
5. 安装水管针对水管的安装,我们按照以下步骤进行操作:(1)选择合适的水管材料:根据项目需求及设备要求,我们选择了适合的水管材料,并对其进行了检查。
(2)连接水管:将水管与水源、设备等进行连接,确保水能够顺畅流动,并且不会发生渗漏或断裂等情况。
6. 安装完成检查在安装完成后,我们对所安装的设备进行了全面检查,确保各项连接牢固、电路正常、设备无损坏等。
以上就是水利水电设备安装的详细记录。
通过精细的安装操作,我们保证了设备的正常运行,并为项目后续工作奠定了坚实的基础。
室内给水设备安装检验批质量验收记录根据《室内给水设备安装质量验收规范》的要求,现就室内给水设备的安装进行检验批质量验收,以确保设备的正常运行和使用。
一、项目概况:本次检验批质量验收的室内给水设备安装工程包括水泵、水箱、管道系统等。
二、验收内容:1.水泵安装验收:1.1检查水泵的型号、数量、品牌等是否与设计要求一致;1.2检查水泵与地面是否有固定连接,固定牢固且无明显松动;1.3检查水泵进水口和出水口的位置是否正确,是否与图纸要求一致;1.4检查水泵电源线是否正确接线,是否与图纸要求一致;1.5运行试验:运行水泵,观察其工作状态是否正常,无异常噪音和振动;测量水泵的各项参数是否满足设计要求。
2.水箱安装验收:2.1检查水箱的型号、数量、容量等是否与设计要求一致;2.2检查水箱的固定支架是否牢固,是否有倾斜现象;2.3检查水箱进水口、出水口、排气阀等位置是否正确,是否与图纸要求一致;2.4检查水箱内部是否清洁无杂质,无明显部位漏水;2.5运行试验:通水测试,观察水箱进水、出水、排气等部位是否有渗漏现象;测量水箱的水位控制功能是否正常。
3.管道系统安装验收:3.1检查管道的材质、规格、数量等是否与设计要求一致;3.2检查管道的安装位置、走向等是否正确,是否与图纸要求一致;3.3检查管道与管道之间的连接是否牢固,是否有漏水现象;3.4检查管道的支撑方式、支撑间距是否符合规范要求;3.5运行试验:通水测试,观察管道是否有渗漏现象;测量管道内水压是否满足设计要求。
三、验收结果及处理意见:根据上述检查内容,本次室内给水设备安装工程的检验批质量验收结果如下:1.水泵安装:合格/不合格;2.水箱安装:合格/不合格;3.管道系统安装:合格/不合格。
对于不合格的项目进行处理意见如下:1.不合格原因:详细描述不合格的具体问题;2.处理方案:给出具体的解决方案,包括返工、更换等措施;3.处理期限:规定处理不合格问题的时间。
水泵安装记录
编号:XX
规范规定:
一、建筑给水排水及采暖工程施工质量验收规范(GB50242-2002)
4.4.6立式水泵的减振装置不应采用弹簧减振器。
检验方法:观察检查。
4.4.7室内给水设备安装的允许偏差应符合表4.4.7的规定。
定执行。
13.3.10 锅炉辅助设备安装的允许偏差应符合表13.3.10的规定。
伤或折陷现象;蒸汽往复泵的主要部件、活塞及活动轴必须灵活。
检验方法:观察和启动检查。
13.3.15手摇泵应垂直安装。
安装高度如设计无要求时,泵中心距地面为800mm。
检验方法:吊线和尺量检查。
二、《通风与空调工程施工质量验收规范》GB50243 2002
9.2.7水泵的规格、型号、技术参数应符合设计要求和产品性能指标。
水泵正常连续试运行的时间,不应少于2h。
检查数量:全数检查。
检查方法:按图纸核对,实测或查阅水泵试运行记录。
9.3.12水泵及附属设备的安装应符合下列规定:
1水泵的平面位置和标高允许偏差为±10mm,安装的地脚螺栓应垂直、拧紧,且与设备底座接触紧密;
2垫铁组放置位置正确、平稳,接触紧密,每组不超过3块;
3整体安装的泵,纵向水平偏差不应大于0.1/1000,横向水平偏差不应大于0.20/1000;解体安装的泵纵、横向安装水平偏差均不应大于0.05/1000;
水泵与电机采用联轴器连接时,联轴器两轴芯的允许偏差,轴向倾斜不应大于0.2/1000,径向位移不
应大于0.05mm;
小型整体安装的管道水泵不应有明显偏斜。
4减震器与水泵基础连接牢固、平稳、接触紧密。
检查数量:全数检查。
检查方法:扳手试拧、观察检查,用水平仪和塞尺测量或查阅设备安装记录。
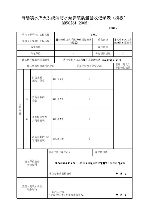
三、《自动喷水灭火系统施工及验收记录》(GB 50261-2005)
4.2.1 消防水泵的规格、型号应符合设计要求, 并应有产品合格证和安装使用说明书。
检查数量: 全数检查。
检查方法: 对照图纸观察检查。
4.2.2 消防水泵的安装, 应符合现行国家标准《机械设备安装工程施工及验收通用规范》GB 50231 、《压缩机、风机、泵安装工程施工及验收规范》GB 50275 的有关规定。
检查数量: 全数检查。
检查方法: 尺量和观察检查。
4.4.4 稳压泵的规格、型号应符合设计要求, 并应有产品合格证和安装使用说明书。
检查数量: 全数检查。
检查方法: 对照图纸观察检查。
4.4.5 稳压泵的安装,应符合现行国家标准《机械设备安装工程施工及验收通用规范》GB 50231 、《压缩机、风机、泵安装工程施工及验收规范》GB 50275 的有关规定。
检查数量: 全数检查检查方法: 尺量和观察检查。