水泵设备安装检查(测量)记录2
- 格式:xls
- 大小:52.00 KB
- 文档页数:2
水泵安装监理旁站记录(范本) 1. 项目信息
- 项目名称:[项目名称]
- 工程地点:[工程地点]
- 建设单位:[建设单位]
- 监理单位:[监理单位]
- 施工单位:[施工单位]
- 监理人员:[监理人员]
- 日期:[日期]
2. 旁站内容
2.1 水泵设备信息
- 设备型号:[设备型号]
- 规格参数:[规格参数]
- 数量:[数量]
- 出厂编号:[出厂编号]
2.2 设备安装情况
- 安装位置:[安装位置]
- 安装高度:[安装高度]
- 安装基础:[安装基础]
- 安装固定方式:[安装固定方式] - 连接管道:[连接管道]
- 电源接入:[电源接入]
2.3 安全措施
- 安全防护:[安全防护措施]
- 防腐措施:[防腐措施]
- 防震措施:[防震措施]
- 排水措施:[排水措施]
2.4 安装质量情况
- 安装位置符合设计要求:[是/否]
- 安装高度符合要求:[是/否]
- 安装固定牢固可靠:[是/否]
- 连接管道安装正确:[是/否]
- 电源接入符合标准:[是/否]
3. 问题与建议
- 安装过程中存在的问题:[问题内容]
- 建议解决方案:[建议内容]
4. 监理人员签名
- 监理人员姓名:[监理人员姓名]
- 日期:[日期]
以上为水泵安装监理旁站记录的范本,供参考使用。
具体内容应根据实际情况进行填写和调整,并按照监理要求完成相关记录。
给水隐蔽工程验收记录(大全)(二)引言概述:隐蔽工程是建设项目中的一项重要工程,其中给水隐蔽工程是保障建筑物供水系统正常运行的关键环节。
为了确保给水隐蔽工程的质量,验收工作是必不可少的环节。
本文将从基础设施、材料设备、工程结构、安装质量和工程安全等五个大点展开,详细阐述给水隐蔽工程验收的相关内容。
正文内容:一、基础设施1.测量验收点位的准确性:确保测量点位准确可靠,能够满足给水设备的安装要求。
2.基坑土方工程的合理开挖与夯实:核实基坑开挖是否符合设计要求,土方夯实是否达到规定的标准。
二、材料设备1.验收给水管道:检查给水管道的材质、直径、芯层和外观等是否符合设计和规范要求。
2.确认阀门的安装位置和数量:核实阀门的种类、规格、安装位置和数量与设计图纸相符。
3.检查水泵设备:验证水泵设备的型号、容量、电机功率等是否符合设计要求。
4.验证给水设备的配件:检验给水设备的配件是否完备,配件的材质和质量是否符合规定。
三、工程结构1.检查给水间隔砖墙施工:确保砌筑砖墙的垂直度、水平度、强度和槽洞的规范。
2.确认水箱隔墙施工:核实水箱隔墙的材料、尺寸和施工工艺是否符合规定。
3.验收楼板、墙面和地面施工:检查楼板、墙面和地面的水平度、垂直度、平整度和防水措施等是否满足要求。
四、安装质量1.水管连接和焊接质量验收:检查给水管道的连接方法和焊接质量,确保连接牢固、无渗漏。
2.检测管道压力:进行给水管道压力试验,验证管道的耐压性能和密封性能是否符合要求。
3.水泵安装质量验收:核实水泵设备的安装位置、固定方式和管道连接质量等是否符合要求。
五、工程安全1.现场安全交底:工作人员进行现场安全交底,明确施工中的安全规范和注意事项。
2.施工过程的防火措施:检查施工过程中的防火设施和措施是否到位,确保施工安全。
3.施工期间的材料、设备储存和使用:核实施工期间材料、设备的储存和使用是否符合规范。
总结:给水隐蔽工程的验收是建设项目中不可或缺的一环,而且要确保验收工作的严谨性和细致性。
给水设备安装检验批质量验收记录
主
控 项 目一 般 项 目
4安 装 允 许 偏 差静 置
设
备离
心
式
水 泵联轴器同心度5
保温层允许偏差表面平整 度
专业监理工程师:
年 月 日
施工单位 检查结果
监理单位 验收结论
专业工长:
项目专业质量检查员:
年 月 日
涂抹
10mm
/
卷材5mm /厚度δ
+0.1δ-0.05δ/径向移位
0.1mm 全/1轴向倾斜 (每米)
0.8mm 全/1卧式水平度
(每米)
0.1mm 全/1立式垂直度(每米)0.1mm /垂直度(每米)
5mm 全
/1
标高
±5mm 全/1坐标
15mm 全/13立式水泵减振装置
第4.4.6条全/12水箱溢流管和泄放管设置第4.4.5条全/1试验合格,报告编号
1水箱支架或底座安装设计要求全/13
敞口水箱满水试验和密闭
水箱(罐)水压试验
第4.4.3条/试验合格,报告编号2水泵试运转的轴承温升设备说明书规
定/检验合格,报告编号1水泵基础
设计要求/施工依据
建筑给水排水及供暖施工方案
验收依据
《建筑给水排水及采暖工程质量验收
规范》GB50242-2002验收项目
设计要求及 规范规定最小/实际 抽样数量
检查记录检查结果
分包单位分包单位项目
负责人
检验批部位
首层
给水设备安装
施工单位项目负责人检验批容量1台单位(子单位)
工程名称
分部(子分部) 工程名称 建筑给水排水及供
暖(室内给水系统)分项工程名称。
2022 年6 月版1 ※2 ※31 2 ※3※4 567 8 9 101112131415 图纸会审、设计变更、洽商记录,涉及建造节能、水、暖、电、燃气、通讯等的设计变更和审图机构批准文件工程质量事故报告及事故处理资料工程停工通知书及复工通知书、整改通知书及整改报告,不合格或者不符合要求事项处理资料建造给排水分部工程设备及主要材料(配件)进场检查验收记录汇总表建造给排水分部工程设备及主要材料(配件)进场复验抽检报告汇总表调压阀(装置)调试记录阀门、配件安装前检查试验记录预埋套管隐蔽验收记录(包括穿越地下室或者地下构筑物的外墙处、穿越屋面处、穿越钢筋混凝土水池(箱)的壁板或者底板连接管道时防水套管) 管道(管件/部件)焊接记录管道系统冲洗(吹扫)记录至少应包含水源(市政供水、自备井水等)、水处理设施出水及最不利用水点的全部常规指标及项目所在地实施的非常规指标)室内给水管道系统通水试验记录卫生器具满水和通水试验记录设备基础/机架复验记录备注161718191 2 ※3 4 5 6 7 ※8 ※9 10 ※11 12131415 ※16 ※171 2 离心式水泵安装检测记录水泵试运转测试记录非密闭水箱满水试验记录建造给排水分部工程安全和功能检验资料核查及主要功能抽查记录建造电气分部工程设备及主要材料(配件)进场检查验收记录汇总表;建造电气分部工程设备及主要材料(配件)进场复验抽检报告汇总表含充电桩)路线装置直流电阻测试记录电气装置送电检测调试记录电气照明系统运行试验记录低压配电系统接地故障回路阻抗测试记录电源质量检测报告平均照度、照明功率密度及普通显色指数检测报告柴油发机电组运行试验前静态测试记录、负载连续运行试验记录、及负载试验报告。
不间断电源(UPS) /应急电源(EPS)机组运行试验记录漏电保护装置测试记录建造电气装置抽查检测报告建造电气分部工程安全和功能检验资料核查及主要功能抽查记录通风、空调分部工程设备及主要材料(配件) 进场检查验收记录汇总表(包备注34 ※56 ※7 ※8 ※91011121314151617 ※181920212223242526 通风、空调分部工程主要材料(配件)进场复验抽检报告汇总表()风机盘管机组性能检验报告、安装前测试记录风管严密性和强度检测报告或者风管安装后严密性测试记录冷却塔性能检测报告、冷却塔安装检测记录或者冷却塔试运转测试记录凝结水系统充水及排水测试记录制冷、空调、水管道强度试验、严密性试验记录阀门(配件)安装前检查试验记录设备基础/机架复验记录离心式水泵安装记录水泵试运转测试记录管道(管件/部件)焊接记录防火风阀防排烟风阀(风口)检查试验记录通风机/空调风机试运转检测记录防烟加压送风系统送风量测试记录防烟加压送风系统正压测试记录防烟、排烟系统工程验收记录(《建造防烟排烟系统技术标准》GB51251-2022 附录F 表F-1 )室内空气温度和湿度检测报告或者空调室内空气环境参数测试记录制冷机组性能系数检测报告空调机组(冷冻、冷却)水流量检测报告或者空调水流量测试记录空调机组冷冻水供回水温差检测报告定风量系统平衡度检测报告通风与空调系统总风量和风口风量检测报告或者通风与空调系统总/干管/支管风量测试记录及风口风量调试记录组合式空调机组漏风率检测报告或者现场组装漏风量测试记录通风与空调分部工程安全和功能检验资料核查及主要功能抽查记录备注※1 2 ※3 ※4 ※5 6※1 23 4 5※6 ※78 9 ※101 2 3 4 电梯分项、分部工程质量验收记录设备出厂合格证书和随机文件接地电阻测试记录绝缘电阻测试记录电梯建造检测报告(特检机构出具,无表式)电梯安全使用合格证智能建造分项、分部工程验收记录智能建造分部工程主要使用功能和安全性能第三方实体检测资料/实体质量抽查记录;智能建造分部工程设备及主要材料(配件)产品质量证明文件汇总表;智能建造分部工程设备及主要材料(配件)进场检查验收记录汇总表;智能能建造分部工程设备及主要材料(配件)进场复验抽检报告汇总表;电气火灾监控系统调试、检测、验收记录(《火灾自动报警系统施工及验收标准》GB 50166-2022 表E.5)消防设备电源监控系统调试、检测、验收记录(《火灾自动报警系统施工及验收标准》GB 50166-2022 表E.6)火灾自动报警系统施工过程质量检查验收记录火灾自动报警系统工程安全和功能检验资料核查及主要功能抽查记录分部(建造设备)工程质量验收记录设备、主要材料(配件)进场验收记录及复验记录(包括电缆、电线、管材、风机盘管机组、绝热材料、卫生器具、灯具、风机、冷却塔、泵组、变压器、电梯、成品水箱、抗震支架后置锚固件、止回排气阀、排气扇等)生活饮用水、直饮水、集中生活热水、游泳池水、采暖空调系统用水、景观水体、非传统水源供水的水质检测报告风管严密性和强度检测报告或者风管安装后严密性测试记录2022 年6 月版备注5 6 7 8 91011121 2 3 4 ※5 6 ※7 8 9 10 ※111213 ※14 15 一氧化碳监测装置和相关控制装置联动调试记录、试运行记录减压阀调试记录照度、功率密度及普通显色指数检测记录电源质量检测记录通风与空调系统节能性能检测报告循环冷却水系统(冷却塔)运行调试记录(循环冷却水系统停运时刻,集水盘或者平衡水箱应不溢水;启动时刻补水管不应补水。
设 备 单 体 试 车 记 录工程名称 生活污水处理站设备安装分项工程名 称 潜污泵安装 设备出厂编 号 G1261671润滑油号 ZL-3锂基润滑脂 设备名称潜污泵 设备型号100WQ/478-7.5 自编号1#室温35℃序号1#停车或事故原因处理方法说明试车项目空载√试运行情况正常,良好。
负荷 叶角试车 时间开车2013年6月13日8:30 停车 2013年6月13日12:30运转 4h 各 部 温 度电机温升定子轴承(一) 35.2℃ 轴承(二)/ 设备布司或轴承 轴承1/ 轴承2 / 轴承3 / 轴承4/施工单位:工地代表:测试单位:测试人员:监理单位:监理代表:建设单位:单位代表:工程名称 生活污水处理站设备安装分项工程名 称 潜污泵安装 设备出厂编 号 G1261672润滑油号 ZL-3锂基润滑脂 设备名称潜污泵 设备型号100WQ/478-7.5 自编号2#室温35℃序号2#停车或事故原因处理方法说明试车项目空载√试运行情况正常,良好。
负荷 叶角试车 时间开车2013年6月13日8:30 停车 2013年6月13日12:30运转 4h 各 部 温 度电机温升定子轴承(一) 35.4℃ 轴承(二)/ 设备布司或轴承轴承1/ 轴承2 / 轴承3 / 轴承4/施工单位:山东方大 安装公司工地代表:测试单位:山东方大安装公司 机修班组测试人员:监理单位: 河南工程 咨询监理 有限公司监理代表:建设单位:陕西正通 煤业有限 责任公司单位代表:工程名称 生活污水处理站设备安装分项工程名 称 潜污泵安装 设备出厂编 号 G1261673润滑油号 ZL-3锂基润滑脂 设备名称潜污泵 设备型号100WQ/478-7.5 自编号3#室温35℃序号3#停车或事故原因处理方法说明试车项目空载√试运行情况正常,良好。
负荷 叶角试车 时间开车2013年6月13日8:30 停车 2013年6月13日12:30运转 4h 各 部 温 度电机温升定子轴承(一) 36.4℃ 轴承(二)/ 设备布司或轴承轴承1/ 轴承2 / 轴承3 / 轴承4/施工单位:山东方大 安装公司工地代表:测试单位:山东方大安装公司 机修班组测试人员:监理单位: 河南工程 咨询监理 有限公司监理代表:建设单位:陕西正通 煤业有限 责任公司单位代表:联合设备试运转记录建设单位陕西正通煤业有限责任公司施工单位山东方大安装公司单项工程名称陕西正通煤业有限责任公司高家堡矿井单位工程名称生活污水处理站设备安装施工日期2013.8.16试运转时间自2013年8月16日8:00至2013年8月16日12:00参加人员建设单位:陕西正通煤业有限责任公司监理单位:河南工程咨询监理有限公司施工单位:山东方大工程有限责任公司联合试运转情况相关机械设备工作正常,各部轴承及温升均在允许范围相关电气设备工作灵敏可靠,运行正常质量评定运转正常签名施工单位负责人:年月日监理单位负责人:年月日建设单位负责人:年月日工程名称 生活污水处理站设备安装分项工程名 称 反冲洗泵安装设备出厂编 号 2059176润滑油号 ZL-3锂基润滑脂 设备名称立式离心泵 设备型号SLSD125-315GB自编号1#室温35℃序号1#停车或事故原因处理方法说明试车 项目空载√试运行情况正常,良好。
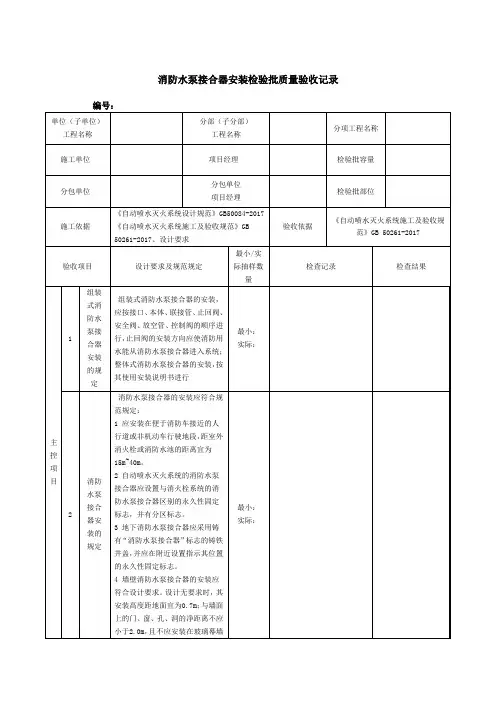
离心式水泵安装检测记录
GD-C4-6411 0 1单位( 子单位 ) 工程名称
分部/ 子分部 / 分项
检验批编号 GD-C5-7122
(或系统 / 子系统)
所在的施工部位半地下层水泵房
施工依据文件名称及编
号
质量验收依据文件名称
及编号
检测日期:年月日至年月日最小/ 实际抽样数量
测试计量器具(仪表、仪器)及其附属设备(器具)的名称/ 型号、规格 / 量程/ 分辨精度 / 出厂编号 / 制造厂商 / 其他要素:
出厂编号安装位置编号水泵名称 / 型号/ 规格自动无负压稳流给水设备
5121#
√整体安装/检查项目检查结果实测项目
标准规范(或技术
实测值
文件)要求值
立式泵体垂直度偏差
10
基础(或机架)的坐标( ‰)
/
位置尺寸偏差
轴向
卧式泵体水
基础(或机架)的平整 1.2/ 带螺纹孔锚板,刷(‰)
径向
度/ 锚固和防腐沥青防腐
减振装置的安装固定避震弹簧安装牢固80
联轴器
水泵底座 / 垫铁的安放和
安装到位,紧固同心度
0.1
(mm)
紧固
检测调试说明:
水泵安装好后,对设备基础和水泵进行检查验收,检查各检查项目,其误差均在规范值范围内,符合规范要求。
综合评价结论 / 备注:合格
施工单位检测调试负试验员或班专业工长(施工专业质检责人签名:组长员)签名:员签名:
监理( 建设)
单位(建设单位项目专业负责人)签名:。
室内给水设备安装工程检验批质量验收记录检验项目:室内给水设备安装工程检验批次:(待填)验收日期:(待填)验收人员:(待填)一、检验工程概况该工程为室内给水设备安装工程,安装位置主要包括厨房、浴室、洗手间等,安装设备包括水龙头、水管、水泵等。
二、检验项目及要求1.安装位置(1)设备安装位置要满足使用功能和操作的便利性要求。
(2)设备安装位置应避免与其他设备、管道等相互干扰。
2.设备安装(1)设备安装应符合相关规范要求。
(2)设备安装应稳固牢固,不应有晃动和松动现象。
(3)设备安装应美观整洁,不应有损坏和锈蚀现象。
3.接口连接(1)设备之间的接口连接应严密,不应有漏水现象。
(2)接口连接处应使用密封材料进行防水处理。
4.水管(1)水管应选用合适的材质,符合安全卫生要求。
(2)水管应按照特定布置方案进行铺设,不应有过长、过短、弯曲等现象。
(3)水管的连接处应采用可靠的连接方式,不应有漏水现象。
5.水泵(1)水泵应符合相关质量标准和规范要求。
(2)水泵应能正常运行,不应有噪音和过热现象。
(3)水泵的电气接线应符合规范要求,不应有短路和漏电现象。
三、检验结果及处理意见据对该工程进行全面检查和测试,结果如下:1.安装位置:合格2.设备安装:合格3.接口连接:合格4.水管:合格5.水泵:合格四、存在的问题及整改措施根据检验结果,未发现明显问题。
但需要提醒施工单位注意以下几点:1.施工单位应在施工过程中注意质量监督,确保每个环节的施工质量。
2.施工单位应严格按照相关规范和要求进行工程施工,确保设备安装质量。
3.施工单位应保持施工现场整洁,防止材料损坏和污染。
整改措施:1.加强质量监督,做好施工记录和问题整改追踪。
2.第一时间解决施工过程中发现的问题,确保设备安装质量。
3.保持施工现场整洁,定期清理杂物和垃圾。
五、验收结论根据检验结果和整改措施,该室内给水设备安装工程经过验收,合格。
六、签字确认验收人员:(待填)。
水泵设备调试报告模板一、概述本文档是针对水泵设备进行调试的报告模板。
调试过程是将设备安装完成后进行的测试和调整工作,目的是确保设备能够正常运行。
此文档旨在记录调试过程中的操作及结果,以便参考和复盘。
二、设备信息设备型号:(XXX)安装时间:(XXXX年XX月XX日)调试人员:(XXX)三、调试步骤1. 系统测试对水泵设备进行系统测试,测试内容包括:1.测试水泵系统的工作状态;2.测试控制系统的工作状态;3.测试设备的报警系统是否正常;4.检查设备的各项传感器是否工作正常。
测试结果如下:1.水泵系统正常运转,无噪音和振动,流量为XX立方米/小时,出口压力为XX千帕;2.控制系统工作正常,无故障报警信息;3.设备报警系统正常,能够正常发出声音和闪烁灯光;4.各项传感器工作正常,温度传感器读数为XX摄氏度,压力传感器读数为XX千帕。
2. 数据采集对设备进行数据采集,包括:1.测量水泵系统的流量和压力;2.测量设备附件的温度和湿度。
数据采集结果如下:测量参数测量值流量XX立方米/小时压力XX千帕温度附件1 XX摄氏度湿度附件1 XX RH%温度附件2 XX摄氏度湿度附件2 XX RH%3. 调整设备参数根据测试结果,对设备进行参数调整,包括:1.调整水泵的最大流量和出口压力;2.调整控制系统的报警阈值;3.调整设备附件的温度和湿度范围。
调整参数后,再次进行数据采集和系统测试,结果如下:测量参数测量值流量XX立方米/小时压力XX千帕温度附件1 XX摄氏度湿度附件1 XX RH%温度附件2 XX摄氏度湿度附件2 XX RH%1.水泵系统正常运转,无噪音和振动,流量为XX立方米/小时,出口压力为XX千帕;2.控制系统工作正常,无故障报警信息;3.设备报警系统正常,能够正常发出声音和闪烁灯光;4.各项传感器工作正常,温度传感器读数为XX摄氏度,压力传感器读数为XX千帕。
四、总结通过本次水泵设备的调试工作,我们发现该设备工作正常,各项参数均符合要求,并且具备稳定性和可靠性。