企业负责人施工现场带班检查记录表
- 格式:doc
- 大小:51.00 KB
- 文档页数:3
附件一编号集团领导带班检查记录带班检查单位名称:检查分公司(项目部):带班领导签字:接受检查分公司或项目部代表签字:年月日年月日注:本表一式两份,公司质安部、施工现场各留一份。
附件二编号公司领导带班检查记录带班检查单位名称:中恒建设集团有限公司检查项目部:华美立家建材家居广场工程带班领导签字:接受检查项目部代表签字:年月日年月日注:本表一式两份,公司质安部、施工现场各留一份。
附件三编号项目部带班记录汇总表注:1、项目经理、项目执行经理每月带班生产时间不得少于本月施工时间的80%。
2、本表一式两份,公司质安部、项目部各留一份。
附件四编号企业负责人(项目负责人)施工现场带班排班表注:1、企业负责人每人每月带班检查时间不少于6个工作日、项目负责人每月带班生产时间不得少于本月施工时间的40%。
2、本表一式两份,公司质安部、项目部各留一份。
3、分公司安全生产部门(项目经理部)负责制定本级带班检查月度计划,并每月25日前,将次月带班检查计划上报集团公司安全生产部备案。
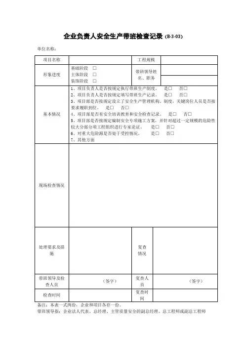
附件五编号施工现场带班检查(生产)记录建设单位:监理单位:设计单位:施工单位:带班领导签字:年月日说明:1、本表可印制成记录表,以方便现场随身携带。
记录本封面需有施工单位及工程名称、记录本编号栏目,并加盖单位公章。
2、本表一式三份,公司质安部、项目部、监理单位各留一份。
附件六超过一定规模的危险性较大的分部分项工程清单1、开挖深度超过5m(含5m)的基坑(槽)的土方开挖、支护、降水工程。
2、开挖深度虽未超过5m,但地质条件、周围环境和地下管线复杂,或影响毗邻建筑(构筑)物安全的基坑(槽)的土方开挖、支护、降水工程。
3、工具式模板工程:包括滑模、爬模、飞模工程。
4、混凝土模板支撑工程:搭设高度8m及以上;搭设跨度18m及以上,施工总载荷15㎡及以上,集中线载荷20及以上。
5、承重支撑系统:用于钢结构安装等满堂支撑体系,承受单点集中荷载700以上。
6、采用非常规起重设备、方法,且单件起吊重量在100以上的起重吊装工程。
注:1本表可印制成记录本,以方便现场携带。
记录本封面需有施工单位及工程名称、记录本编号栏目,并加盖单位公章。
2、隐患代号分六类:(即:1管理:包括制定、人员配置、持证上岗、方案、教育交底等;2机械设备;3用电;4安全设施;5个人防护用品;6其他)。
3、重复发生的隐患,则在“重复隐患”栏中打“√”。
4、本表一式三份,施工企业/项目部/经理单位各留一份注:1本表可印制成记录本,以方便现场携带。
记录本封面需有施工单位及工程名称、记录本编号栏目,并加盖单位公章。
2、隐患代号分六类:(即:1管理:包括制定、人员配置、持证上岗、方案、教育交底等;2机械设备;3用电;4安全设施;5个人防护用品;6其他)。
3、重复发生的隐患,则在“重复隐患”栏中打“√”。
4、本表一式三份,施工企业/项目部/经理单位各留一份上海市建设工程施工企业负责人带班检查记录(附表一)注:1本表可印制成记录本,以方便现场携带。
记录本封面需有施工单位及工程名称、记录本编号栏目,并加盖单位公章。
2、隐患代号分六类:(即:1管理:包括制定、人员配置、持证上岗、方案、教育交底等;2机械设备;3用电;4安全设施;5个人防护用品;6其他)。
3、重复发生的隐患,则在“重复隐患”栏中打“√”。
4、本表一式三份,施工企业/项目部/经理单位各留一份上海市建设工程施工企业负责人带班检查记录(附表一)注:1本表可印制成记录本,以方便现场携带。
记录本封面需有施工单位及工程名称、记录本编号栏目,并加盖单位公章。
2、隐患代号分六类:(即:1管理:包括制定、人员配置、持证上岗、方案、教育交底等;2机械设备;3用电;4安全设施;5个人防护用品;6其他)。
3、重复发生的隐患,则在“重复隐患”栏中打“√”。
4、本表一式三份,施工企业/项目部/经理单位各留一份。
重庆市建筑施工企业负责人带班检查记录表项目名称:重庆龙湖北碚新城二期检查人:(总经理或分管副总)时间:xx 年 x 月 x 日序号检查项目基本要求检查依据检查结果整改结果(一)行为管理1项目负责人带班生产表有无、内容是否真实、隐患是否消除2安全员人证相符、按规定配置齐全3制度12 项制度,日检、周检、月检制度4责任书按规定层层签订责任书有无资质、安全生产许可证、5分包单位、劳务公司分包合同,安全员按规定配置、人证相符(二)文明施工1现场围挡高度符合规定、基础坚固、围挡设置稳定、整洁,有验收手续2封闭管理现场四周采取封闭措施、设置进出口大门3冲洗设置已按规定设置、有专人负责冲洗警示标志齐全、灭火器材配置到4现场防火位、消防通道畅通、动火审批和监护手续完善5民工学校按规定和要求设置(三)脚手架建质 [2011]111建质 [2008]91渝府发 [2010]3渝建安发 [2011]20国务院第393 号令、渝府发[2010]3 、JGJ59- 2011建设部令第159 号、国务院第397 号令、主席令第 15 号、建质[2008]91JGJ59- 2011 、JGJ146- 2004JGJ59- 2011 、JGJ146- 2004JGJ59- 2011 、JGJ146- 2004JGJ59- 2011 、JGJ146- 2004、渝建安发 [2011]4渝建安发 [2007]170项目经理每周已对现场检查并形成记录配置 3 人(2 人实习生已报持证 1 人实习)考证件制度已完善,定期检查有记录已层层签订安全、目标责任书已与劳务公司签订合同,分包单位进出已签订安全协议现场围挡设置已要求 2 日不稳定,局部破内完善损现场已进行封闭施工大门进出口已设置冲洗设施设施设备已配置完善,动火部位已进行监管已按要求建立民工夜校1密目网2卸料平台3专项方案及验收合格证、备案证、见证检测报告齐全自身体系牢固、不得与脚手架连接和传力、防护到位,每次移动到位有验收手续、合格牌、限载标志方案审批符合有关规定、具有指导性、针对性,验收记录齐全GB16909 - 97、JGJ59- 2011 、渝建安发 [2010]34方案、 JGJ59- 2011建质 [2009]87 、JGJ59-2011密目网合格证、检测报告等收集齐全已编制专项施已对责任人工方案,个别平进行教育并台拆装后验收责令项目加不及时强管理现场安全设施已按专项施工4连墙件连接数量和方法符合方案和规范JGJ130- 2011、要求JGJ59- 20115水平防护棚按方案搭拆、交底,派专人监护,方案、 JGJ59- 2011工人挂安全带(四)基坑支护方案进行检查并验收齐全已按方案要求设置无悬挑水平防护棚1方案审批符合有关规定、具有指导建质 [2009]87 、专项方案及验收JGJ59-2011性、针对性,验收手续齐全(五)模板工程现场无深基坑开挖按照规定设置纵横向及水平剪刀建质 [2009]254 、1剪刀撑设置JGJ59- 2011 、撑、无缺失JGJ162-2008方案审批符合有关规定、具有指导建质 [2009]87 、2专项方案及验收建质 [2009]254 、性,验收各方签字记录齐全JGJ59- 2011 、(六)“三宝”“四口”防护已责令项目局部剪刀撑未重新组织安满搭全技术交底已编制专项施工方案并审批手续完善建建 [1998]164 、1安全帽、安全带、安全网按照规定正确佩戴和设置,按规定JGJ59- 2011 、及四口防护防护GB5725 - 97、JGJ80- 91(七)施工用电“安全三宝”正已责令项目确使用,现场局及时整改并部防护栏杆缺专项进行回失复方案审批符合有关规定、具有指导方案、 JGJ46- 20051建质、 [2009]87 、专项方案及验收性,验收签字手续齐全JGJ59-2011(八)施工升降机 (人货两用电梯 )建质 [2009]87 、1方案审批符合有关规定、具有指导JGJ59- 2011 、专项方案及验收GB/T10054 - 2005、性针对性,验收记录齐全建设部第166 号令已编制专项施工方案并审批齐全现场无施工升降机作业安全装置灵敏有效、有每使用GB/T10054 - 2005、23 个防坠落装置月的防坠试验GB10055-88 、JGJ59- 2011(九)塔吊现场无施工升降机作业GB5144 - 2006 、方案审批符合有关规定、具有指导JG/T100- 99、1建设部第 166 号令、专项方案及验收性、针对性,验收记录齐全建质 [2009]87 、JGJ59-2011(十)施工机具塔吊各专项方案编制齐全,审批手续已完善验收及定期检查维保记验收记录齐全、定期检查维保记录1齐全录(十一)隧道工程1方案审批符合有关规定、具有指导专项方案及验收性、针对性,验收记录齐全(十二)其他JGJ59- 2011 、建建[1998]164建质 2003/82 号、建质 [2009]87 、铁建设 2005/160号、TB10204-2002 、TB10108-2002 、GB50086-2001现场机具安装已责令项目后已组织三方加强对机具检查验收,定期的日常维保维保个别滞后工作无隧道施工1高切坡、高边坡(或深开挖)2大型吊装(或安装)3顶管企业负责人(签字):(总经理或分管副总)xx 年 x 月方案按规定审批、临边防护到位、建质 [2009]87 、渝建发 [1999]133 、排水通畅、坑边荷载符合要求、措无渝建发 [1999]159 、施按方案到位、变形监测到位JGJ59-2011方案按规定审批、起重机械手续齐建质 [2009]87 、全、特种作业人员证件齐全、吊点无JGJ59-2011设置合理、现场警戒到位方案按规定审批、地质和地下水情况与勘察是否一致、是否采用低压建质【 2009】 87无照明、通风是否良好签字栏项目负责人总监理工程师(签字):(签字):(真实报建项目经理)(真实报建总监理工程师)x 日xx 年 x 月 x 日xx 年 x 月 x 日重庆市建筑施工企业负责人带班检查(会议照片)。
监理企业负责人带班检查记录
注:1、本表可印制成记录表,以方便现场随身携带。
记录本封面需有施工单位及工程名称,记录本编号栏目,并加盖单位公章。
2、隐患代号分六类:(A:管理:包括制度、人员配置、持证上岗、方案、教育交底等;B:机械设备;C:用电;安全设施;D:个人防护用品;E:其他)。
3、重复发生的隐患,则在“重复隐患”栏中打“√”。
4、应配合本表内容保留JGJ59检查评分表、整改通知书和整改复查报告作为附件,各附件均应由带队检查负责人签名并盖企业公章。
5、本表一式四分(含附件),施工企业、施工项目部、监理企业、监理项目部各留存一份备查。
企业领导施工现场带班检查记录范文日期:xxxx年xx月xx日检查人:xxx(职务)被检查部门:施工部门检查时间:上午/下午检查地点:施工现场一、施工安全1.检查了施工现场进出口通道是否通畅,杂物是否堆积,保证了施工人员疏散通道的畅通。
2.检查了施工现场的安全标识是否齐全,是否清晰明了,提醒工作人员注意安全事项。
3.检查了施工现场的安全防护设施是否到位,施工人员是否佩戴安全帽、安全鞋、手套等防护用具。
4.检查了施工现场的电气设备是否符合安全规范,防止在施工过程中发生意外。
二、施工质量1.检查了施工现场施工进度是否符合计划,是否存在杂乱无章的施工现象。
2.检查了施工现场的施工工艺是否符合标准,是否存在违规施工现象。
3.检查了施工现场的材料使用是否正规,是否存在偷工减料的情况。
4.检查了施工现场的设备运行是否稳定,是否存在设备故障或停工现象。
三、施工环境1.检查了施工现场的卫生情况,是否有垃圾清理不及时,影响施工环境的整洁。
2.检查了施工现场的环境污染情况,是否存在废水、废气、噪音等环境污染。
3.检查了施工现场的文明施工情况,施工人员是否遵守文明规范,保持施工现场秩序。
四、施工人员1.检查了施工现场的施工人员是否足够,是否符合要求,能否保证工程的质量和进度。
2.检查了施工现场的施工人员是否具备相应的技能,是否有工作经验,是否能保证施工质量。
3.检查了施工现场的施工人员的工作状态,是否精神饱满,是否存在疲劳现象。
五、整改措施1.针对发现的问题,制定了整改计划,并设定了整改的时间节点和责任人。
2.对整改措施进行了明确的指导和要求,要求各部门严格执行,并定期检查整改情况。
3.对整改后的效果进行了评估,确保问题得到有效解决,施工现场得到有效改善。
六、总结通过本次施工现场带班检查,发现了一些问题,并及时提出了整改措施,有效地提升了施工现场的安全、质量、环境和秩序。
今后将继续加强对施工现场的管理和监督,确保施工工作顺利进行,达到预定的目标和质量要求。