变压器安装检查记录word资料28页
- 格式:doc
- 大小:699.50 KB
- 文档页数:20
电力变压器安全检查范本电力变压器作为电力系统中重要的电能转换设备,其安全运行对于保障供电质量和提高电力系统的稳定性至关重要。
为了确保电力变压器的安全运行,必须定期进行安全检查。
以下是电力变压器安全检查的范本,用来指导工作人员进行检查。
1. 外观检查1.1 检查变压器外壳表面是否有明显破损或腐蚀。
1.2 检查变压器接地装置是否完好,并且接地电阻是否符合规定标准。
1.3 检查变压器冷却器和风扇是否正常运行,是否存在堵塞或损坏的情况。
1.4 检查变压器绝缘子、避雷器和防鸟设施是否完好。
2. 内部检查2.1 检查变压器油位是否在正常范围内,并且油色是否正常,是否存在浑浊、杂质或异常气泡。
2.2 检查变压器油温是否过高,是否存在异常的热点。
2.3 检查变压器绕组是否存在异常发热情况,是否存在绝缘损伤或漏油情况。
2.4 检查变压器内部是否存在异味或异常噪音,是否存在异常振动。
2.5 检查变压器控制元件、热继保护及仪表设备是否正常工作。
3. 运行参数检查3.1 检查变压器运行电流是否在额定范围内,是否存在过载运行情况。
3.2 检查变压器运行电压是否稳定,是否存在电压浮动或过高的情况。
3.3 检查变压器运行功率因数是否在正常范围内。
3.4 检查变压器各相电压是否平衡,是否存在不平衡电流情况。
3.5 检查变压器运行时的温度升高是否符合规定标准。
4. 维护保养检查4.1 检查变压器油的绝缘强度、含水量和酸值,是否需要进行油处理。
4.2 检查变压器防雷装置和过电压保护装置是否正常工作。
4.3 检查变压器冷却系统的冷却水量、水质和水压是否正常。
4.4 检查变压器绝缘子和防鸟设施是否需要清洗或更换。
4.5 检查变压器接地装置的接地电阻是否达标。
5. 安全用电检查5.1 检查变压器输入、输出线路的绝缘情况,是否存在漏电或接地故障。
5.2 检查变压器相关的开关、保护设备和继电器是否正常工作。
5.3 检查变压器附近的电缆、设备和管线布置是否合理,是否存在安全隐患。
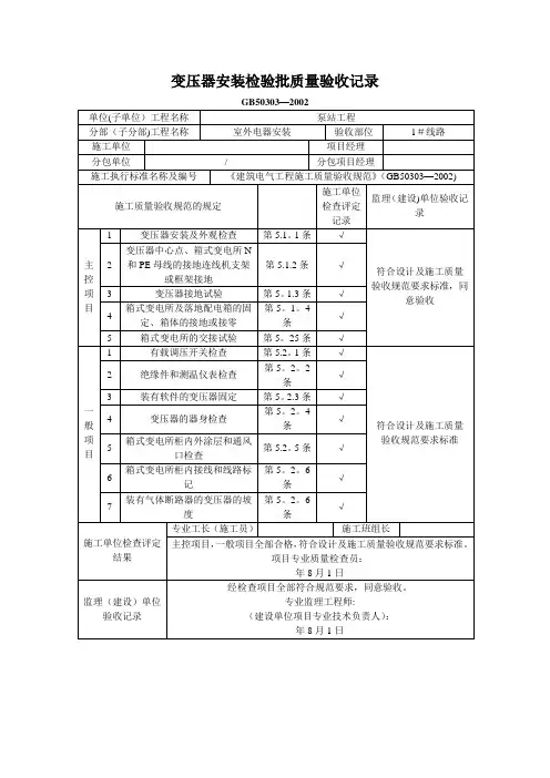
电力变压器安装检验批质量验收记录
第 1 页,共工程名称深圳特区
单位工程名称深圳特区
施工单位分包单位
项目经理施工工长
分部工程名称机电设备安装分项工程名称电力变压器安装验收部位主要工程数量
验收规范及图
GB50334-2002
号
施工与质量验收规范的规定施工单位检查记录
主
1 电力变压器安装应符合相应规范的
第11.16.1 条
控规定 , 并通过电力部门检查认定。
项
目
不合格点的实测应测合格合格
施工与质量验收规范的规定率
偏差值或实测值点数点数
(%)
1 基础轨道平面位置 (mm) 10
2 基础轨道标高 (mm) ±10
3 基础轨道水平度 (mm) 1/1000
4 电力变压器垂直度 (mm) 1/1000
一
允
般许
项偏差
目
平均合格率 (%)
施工监理
单位单位
检查质检员:验收监理工程师:
意见结论
年月日年月
,共1页器安装
监理单位
验收记录
月日。
10kV柱上变压器
安装检查记录表
设备型号:生产厂家:
设备出厂序号:设备电系名称:
计划安装日期:施工单位:
安装地点:(线路名称,杆号)
一、10kV柱上变压器外观检查
存在的问题及整改情况:
二、10kV柱上变压器绝缘检查(施工单位负责)
三、附件
生产厂家需提供的各内部配件检测报告、产品合格证、产品说明书和出厂检测试验报告、物料清单等文件(须放入竣工资料内存档)。
(本记录单须提交电力公司现场验收人员存档)
施工单位检测负责人:日期:
供电公司验收人员:日期:。
变压器安装前的吊心检查范本一、变压器的基本信息1. 变压器型号:2. 额定容量:3. 额定电压:4. 安装位置:5. 安装时间:6. 安装人员:二、变压器外观检查1. 检查变压器外观是否完好,无明显变形、裂缝等损伤;2. 检查变压器表面是否有较明显的污垢或油漆剥落。
三、变压器绝缘系统检查1. 检查变压器绝缘外套和隔板的完好性;2. 检查变压器绝缘系统是否有明显油迹或泄漏;3. 检查变压器绝缘部件的固定情况,如螺栓是否紧固;4. 检查变压器绝缘电阻是否符合标准要求。
四、变压器附件检查1. 检查变压器油位计、油温计、油位报警器等附件是否齐全、完好;2. 检查变压器告警装置是否正常工作;3. 检查变压器附件的接线端子是否紧固良好。
五、变压器冷却系统检查1. 检查变压器冷却系统的管路是否有渗漏或损坏;2. 检查变压器冷却器是否有堵塞或积垢;3. 检查冷却水泵是否正常工作;4. 检查冷却系统的进出口阀门是否打开或关闭正确。
六、变压器绝缘油检查1. 检查变压器绝缘油是否清澈透明,无浑浊或异味;2. 检查变压器绝缘油的油位是否正常;3. 检查变压器绝缘油的油温是否在允许范围内。
七、变压器涡轮检查1. 检查变压器涡轮是否完好,无明显变形或损坏;2. 检查变压器涡轮的固定情况,如螺栓是否紧固;3. 检查涡轮风机是否正常工作,是否有异常噪音。
八、变压器接地系统检查1. 检查变压器接地系统连接是否牢固;2. 检查变压器接地装置是否符合规范要求;3. 检查变压器接地系统的电阻是否符合标准要求。
九、变压器运行试验1. 进行变压器绝缘电阻测试;2. 进行变压器绝缘油介损测试;3. 进行变压器负荷试验,检查变压器运行是否正常;4. 进行变压器温升试验,检查变压器运行温度是否正常。
以上为变压器安装前的吊心检查范本,仅供参考。
具体操作时,请严格按照变压器的相关技术规范和操作手册进行操作,确保安全可靠。
变压器安装前的吊心检查范本(二)一、引言随着电力系统的发展和扩容,变压器的使用越来越广泛。
变压器安装检查记录 DQ1-05
变压器安装检查记录 DQ1-05
变压器安装检查记录 DQ1-05
变压器安装检查记录 DQ1-05
变压器安装检查记录 DQ1-05
变压器安装检查记录 DQ1-05
变压器安装检查记录 DQ1-05
变压器安装检查记录 DQ1-05
变压器安装检查记录 DQ1-05
希望以上资料对你有所帮助,附励志名言3条:
1、要接受自己行动所带来的责任而非自己成就所带来的荣耀。
2、每个人都必须发展两种重要的能力适应改变与动荡的能力以及为长期
目标延缓享乐的能力。
3、将一付好牌打好没有什么了不起能将一付坏牌打好的人才值得钦佩。